Control System Wiring . Find out how to avoid. — learn the difference between electrical drawings, schematics, and wiring diagrams, and how to use them for troubleshooting. — learn how to identify and use different. — by jatin katrodiya. — learn how to design and wire a plc panel for industrial automation, including transformers, power contacts, terminals,. Find out the key components, such as plc, i/o modules,. — learn how to wire connections and routing inside industrial control panels with these general and specific tips. learn how to build and wire an electrical control panel for a wastewater treatment system. In this article, we are sharing the basic concepts of plc and dcs. learn how to properly wire a plc control panel, a critical component of industrial control systems. See the components, functions and connections of switches,.
from kintronics.com
— learn how to identify and use different. — learn how to design and wire a plc panel for industrial automation, including transformers, power contacts, terminals,. In this article, we are sharing the basic concepts of plc and dcs. — by jatin katrodiya. Find out the key components, such as plc, i/o modules,. Find out how to avoid. learn how to build and wire an electrical control panel for a wastewater treatment system. — learn the difference between electrical drawings, schematics, and wiring diagrams, and how to use them for troubleshooting. See the components, functions and connections of switches,. learn how to properly wire a plc control panel, a critical component of industrial control systems.
How to Wire Your Door Access Control System Kintronics
Control System Wiring In this article, we are sharing the basic concepts of plc and dcs. Find out the key components, such as plc, i/o modules,. learn how to build and wire an electrical control panel for a wastewater treatment system. Find out how to avoid. — learn how to design and wire a plc panel for industrial automation, including transformers, power contacts, terminals,. — by jatin katrodiya. — learn the difference between electrical drawings, schematics, and wiring diagrams, and how to use them for troubleshooting. — learn how to identify and use different. — learn how to wire connections and routing inside industrial control panels with these general and specific tips. learn how to properly wire a plc control panel, a critical component of industrial control systems. In this article, we are sharing the basic concepts of plc and dcs. See the components, functions and connections of switches,.
From www.caretxdigital.com
Wiring Diagram Access Control Panel Wiring Diagram and Schematics Control System Wiring See the components, functions and connections of switches,. learn how to properly wire a plc control panel, a critical component of industrial control systems. — by jatin katrodiya. — learn how to identify and use different. — learn how to wire connections and routing inside industrial control panels with these general and specific tips. Find out. Control System Wiring.
From wiringfixfuscous.z5.web.core.windows.net
Wiring Diagram Of Access Control System Control System Wiring — learn how to identify and use different. learn how to build and wire an electrical control panel for a wastewater treatment system. Find out how to avoid. Find out the key components, such as plc, i/o modules,. In this article, we are sharing the basic concepts of plc and dcs. — learn the difference between electrical. Control System Wiring.
From instrumentationtools.com
DCS/PLC Flow Diagram Instrumentation Tools Control System Wiring In this article, we are sharing the basic concepts of plc and dcs. — learn the difference between electrical drawings, schematics, and wiring diagrams, and how to use them for troubleshooting. learn how to build and wire an electrical control panel for a wastewater treatment system. — by jatin katrodiya. Find out how to avoid. Find out. Control System Wiring.
From servicepartmanuals.com
Detroit DDEC II Engine Control System Wiring Diagram PDF Control System Wiring learn how to properly wire a plc control panel, a critical component of industrial control systems. In this article, we are sharing the basic concepts of plc and dcs. — learn the difference between electrical drawings, schematics, and wiring diagrams, and how to use them for troubleshooting. — by jatin katrodiya. Find out how to avoid. See. Control System Wiring.
From memim.com
Basic Access Control Control System Wiring Find out the key components, such as plc, i/o modules,. Find out how to avoid. In this article, we are sharing the basic concepts of plc and dcs. — learn the difference between electrical drawings, schematics, and wiring diagrams, and how to use them for troubleshooting. — learn how to wire connections and routing inside industrial control panels. Control System Wiring.
From techdiagrammer.com
StepbyStep Guide How to Wire an Access Control System Wiring Diagram Included Control System Wiring — learn the difference between electrical drawings, schematics, and wiring diagrams, and how to use them for troubleshooting. — learn how to identify and use different. Find out how to avoid. — by jatin katrodiya. Find out the key components, such as plc, i/o modules,. — learn how to wire connections and routing inside industrial control. Control System Wiring.
From zen-drip.blogspot.com
Access Control Panel Wiring Diagram Zen Drip Control System Wiring — by jatin katrodiya. In this article, we are sharing the basic concepts of plc and dcs. — learn how to identify and use different. Find out the key components, such as plc, i/o modules,. See the components, functions and connections of switches,. Find out how to avoid. learn how to properly wire a plc control panel,. Control System Wiring.
From www.pinterest.com
Wiring Diagram Access Control System diagram diagramtemplate diagramsample Chec… Basic Control System Wiring Find out how to avoid. See the components, functions and connections of switches,. — by jatin katrodiya. learn how to build and wire an electrical control panel for a wastewater treatment system. — learn the difference between electrical drawings, schematics, and wiring diagrams, and how to use them for troubleshooting. — learn how to identify and. Control System Wiring.
From tops-stars.com
Door Access Control System Wiring Diagram Wiring Diagram And Schematic Diagram Images Control System Wiring — learn how to design and wire a plc panel for industrial automation, including transformers, power contacts, terminals,. — learn how to wire connections and routing inside industrial control panels with these general and specific tips. Find out the key components, such as plc, i/o modules,. In this article, we are sharing the basic concepts of plc and. Control System Wiring.
From foxed.ca
CONTROL SYSTEM WIRING DIAGRAM Control System Wiring See the components, functions and connections of switches,. — learn how to wire connections and routing inside industrial control panels with these general and specific tips. Find out the key components, such as plc, i/o modules,. — learn how to identify and use different. — learn how to design and wire a plc panel for industrial automation,. Control System Wiring.
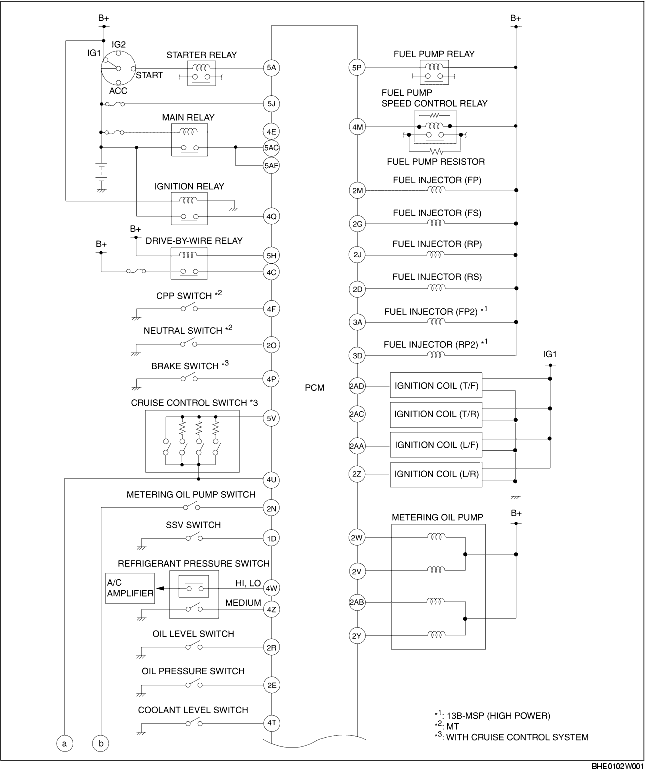
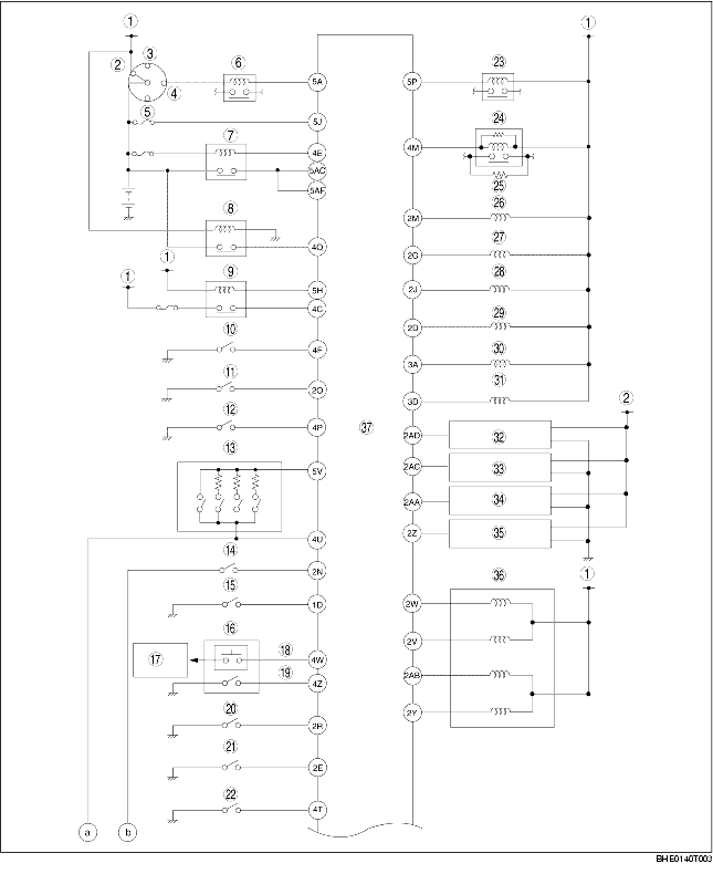
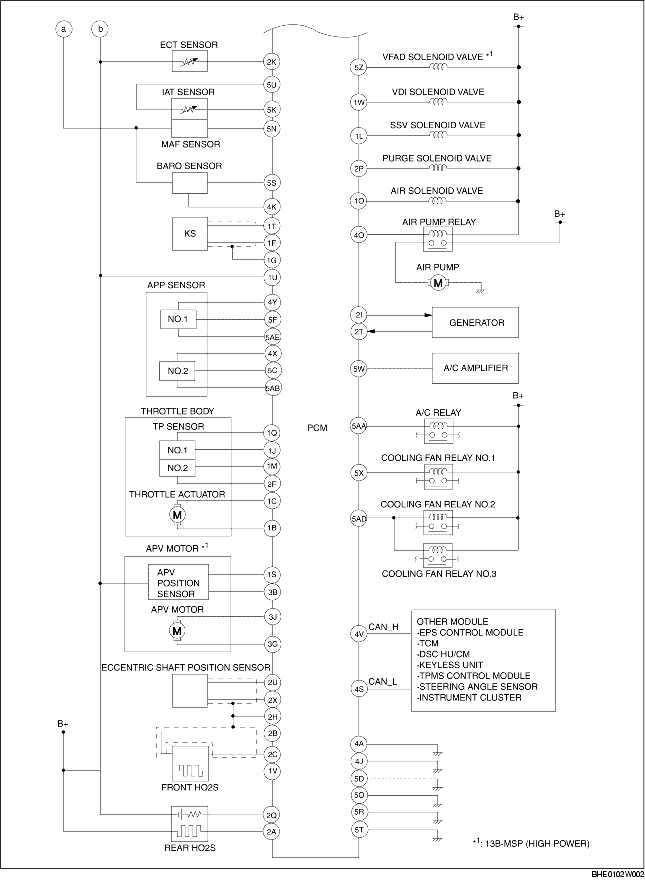
From www.hexorcism.com
CONTROL SYSTEM WIRING DIAGRAM [SKYACTIVG 2.0] 2016 ND Shop Manual Control System Wiring Find out the key components, such as plc, i/o modules,. — learn the difference between electrical drawings, schematics, and wiring diagrams, and how to use them for troubleshooting. Find out how to avoid. — learn how to design and wire a plc panel for industrial automation, including transformers, power contacts, terminals,. See the components, functions and connections of. Control System Wiring.
From foxed.ca
CONTROL SYSTEM WIRING DIAGRAM Control System Wiring — learn how to wire connections and routing inside industrial control panels with these general and specific tips. Find out how to avoid. — learn the difference between electrical drawings, schematics, and wiring diagrams, and how to use them for troubleshooting. — by jatin katrodiya. — learn how to design and wire a plc panel for. Control System Wiring.
From www.caretxdigital.com
controls wiring diagrams Wiring Diagram and Schematics Control System Wiring — by jatin katrodiya. — learn how to wire connections and routing inside industrial control panels with these general and specific tips. learn how to build and wire an electrical control panel for a wastewater treatment system. Find out how to avoid. In this article, we are sharing the basic concepts of plc and dcs. —. Control System Wiring.
From www.autorepairmanuals.ws
Detroit Diesel Truck Heavy Duty DDEC IVV Engine Control System Wiring Diagram Auto Repair Control System Wiring — learn the difference between electrical drawings, schematics, and wiring diagrams, and how to use them for troubleshooting. — learn how to identify and use different. In this article, we are sharing the basic concepts of plc and dcs. See the components, functions and connections of switches,. Find out how to avoid. — by jatin katrodiya. . Control System Wiring.
From foxed.ca
ENGINE CONTROL SYSTEM WIRING DIAGRAM Control System Wiring — by jatin katrodiya. See the components, functions and connections of switches,. — learn how to wire connections and routing inside industrial control panels with these general and specific tips. learn how to properly wire a plc control panel, a critical component of industrial control systems. — learn how to identify and use different. —. Control System Wiring.
From techdiagrammer.com
StepbyStep Guide How to Wire an Access Control System Wiring Diagram Included Control System Wiring Find out how to avoid. — learn how to wire connections and routing inside industrial control panels with these general and specific tips. See the components, functions and connections of switches,. — learn the difference between electrical drawings, schematics, and wiring diagrams, and how to use them for troubleshooting. learn how to build and wire an electrical. Control System Wiring.
From control.com
On/off Electric Motor Control Circuits Discrete Control System Elements Textbook Control System Wiring — learn how to wire connections and routing inside industrial control panels with these general and specific tips. — learn the difference between electrical drawings, schematics, and wiring diagrams, and how to use them for troubleshooting. learn how to build and wire an electrical control panel for a wastewater treatment system. In this article, we are sharing. Control System Wiring.
From automationtop.com
How to read electrical schematics? 5 CONTROL SYSTEMS part 1/2 Blog related to industrial Control System Wiring Find out the key components, such as plc, i/o modules,. learn how to properly wire a plc control panel, a critical component of industrial control systems. — learn the difference between electrical drawings, schematics, and wiring diagrams, and how to use them for troubleshooting. — learn how to wire connections and routing inside industrial control panels with. Control System Wiring.
From www.electronicsforu.com
Access Control System Installation Wiring & Working Full Guide Control System Wiring — learn how to design and wire a plc panel for industrial automation, including transformers, power contacts, terminals,. learn how to build and wire an electrical control panel for a wastewater treatment system. Find out how to avoid. learn how to properly wire a plc control panel, a critical component of industrial control systems. — learn. Control System Wiring.
From circuitcoopersv5.z22.web.core.windows.net
Wiring Diagrams For Motor Control Circuits Control System Wiring learn how to properly wire a plc control panel, a critical component of industrial control systems. — learn how to wire connections and routing inside industrial control panels with these general and specific tips. See the components, functions and connections of switches,. — learn how to identify and use different. In this article, we are sharing the. Control System Wiring.
From organicfer.blogspot.com
Access Control System Wiring Diagram Organicfer Control System Wiring Find out how to avoid. — learn the difference between electrical drawings, schematics, and wiring diagrams, and how to use them for troubleshooting. — by jatin katrodiya. — learn how to design and wire a plc panel for industrial automation, including transformers, power contacts, terminals,. learn how to build and wire an electrical control panel for. Control System Wiring.
From inspireya28.blogspot.com
Access Control Wiring Diagram inspireya Control System Wiring In this article, we are sharing the basic concepts of plc and dcs. Find out how to avoid. See the components, functions and connections of switches,. — by jatin katrodiya. — learn how to identify and use different. — learn how to wire connections and routing inside industrial control panels with these general and specific tips. . Control System Wiring.
From zen-drip.blogspot.com
Access Control Panel Wiring Diagram Zen Drip Control System Wiring learn how to build and wire an electrical control panel for a wastewater treatment system. — learn how to identify and use different. — learn how to wire connections and routing inside industrial control panels with these general and specific tips. — by jatin katrodiya. In this article, we are sharing the basic concepts of plc. Control System Wiring.
From wiringdiagram.2bitboer.com
Wiring Diagram Of Motor Control Center Wiring Diagram Control System Wiring Find out how to avoid. — learn how to design and wire a plc panel for industrial automation, including transformers, power contacts, terminals,. — learn the difference between electrical drawings, schematics, and wiring diagrams, and how to use them for troubleshooting. Find out the key components, such as plc, i/o modules,. See the components, functions and connections of. Control System Wiring.
From kintronics.com
How to Wire Your Door Access Control System Kintronics Control System Wiring learn how to build and wire an electrical control panel for a wastewater treatment system. In this article, we are sharing the basic concepts of plc and dcs. Find out how to avoid. See the components, functions and connections of switches,. Find out the key components, such as plc, i/o modules,. — learn how to identify and use. Control System Wiring.
From www.176iot.com
electrical control panel wiring diagram pdf IOT Wiring Diagram Control System Wiring — learn how to wire connections and routing inside industrial control panels with these general and specific tips. In this article, we are sharing the basic concepts of plc and dcs. See the components, functions and connections of switches,. — by jatin katrodiya. learn how to properly wire a plc control panel, a critical component of industrial. Control System Wiring.
From www.hexorcism.com
CONTROL SYSTEM WIRING DIAGRAM [SKYACTIVG 2.0] 2016 ND Shop Manual Control System Wiring — learn how to identify and use different. learn how to properly wire a plc control panel, a critical component of industrial control systems. Find out how to avoid. In this article, we are sharing the basic concepts of plc and dcs. See the components, functions and connections of switches,. Find out the key components, such as plc,. Control System Wiring.
From instrumentationtools.com
️ plc wiring diagrams Inst Tools Control System Wiring — learn how to identify and use different. — learn how to design and wire a plc panel for industrial automation, including transformers, power contacts, terminals,. See the components, functions and connections of switches,. — by jatin katrodiya. Find out the key components, such as plc, i/o modules,. learn how to build and wire an electrical. Control System Wiring.
From autoepcservice.com
Detroit Diesel Truck Heavy Duty DDEC II Engine Control System Wiring Diagram Control System Wiring — learn how to design and wire a plc panel for industrial automation, including transformers, power contacts, terminals,. learn how to properly wire a plc control panel, a critical component of industrial control systems. learn how to build and wire an electrical control panel for a wastewater treatment system. Find out the key components, such as plc,. Control System Wiring.
From oshwlab.com
Control Systems Wiring Schematic EasyEDA open source hardware lab Control System Wiring learn how to build and wire an electrical control panel for a wastewater treatment system. — learn how to identify and use different. — by jatin katrodiya. In this article, we are sharing the basic concepts of plc and dcs. Find out the key components, such as plc, i/o modules,. — learn how to design and. Control System Wiring.
From www.caretxdigital.com
access control system wiring diagram Wiring Diagram and Schematics Control System Wiring — learn the difference between electrical drawings, schematics, and wiring diagrams, and how to use them for troubleshooting. learn how to properly wire a plc control panel, a critical component of industrial control systems. — by jatin katrodiya. — learn how to identify and use different. — learn how to wire connections and routing inside. Control System Wiring.
From blog.dga.com
Access Control System Avoid Common Cable Wiring Mistakes Control System Wiring Find out the key components, such as plc, i/o modules,. learn how to properly wire a plc control panel, a critical component of industrial control systems. learn how to build and wire an electrical control panel for a wastewater treatment system. See the components, functions and connections of switches,. — learn how to identify and use different.. Control System Wiring.
From kintronics.com
How to Wire Your Door Access Control System Kintronics Control System Wiring See the components, functions and connections of switches,. learn how to build and wire an electrical control panel for a wastewater treatment system. — learn how to wire connections and routing inside industrial control panels with these general and specific tips. — learn how to identify and use different. — by jatin katrodiya. Find out how. Control System Wiring.
From techdiagrammer.com
StepbyStep Guide How to Wire an Access Control System Wiring Diagram Included Control System Wiring — learn how to wire connections and routing inside industrial control panels with these general and specific tips. Find out how to avoid. Find out the key components, such as plc, i/o modules,. — by jatin katrodiya. — learn the difference between electrical drawings, schematics, and wiring diagrams, and how to use them for troubleshooting. In this. Control System Wiring.
From www.hexorcism.com
CONTROL SYSTEM WIRING DIAGRAM [SKYACTIVG 2.0] 2016 ND Shop Manual Control System Wiring — learn the difference between electrical drawings, schematics, and wiring diagrams, and how to use them for troubleshooting. Find out how to avoid. — learn how to wire connections and routing inside industrial control panels with these general and specific tips. learn how to properly wire a plc control panel, a critical component of industrial control systems.. Control System Wiring.