Watchdog Grain Dryer . — the watchdog system allows a grower to remotely monitor a number of dryer functions on a mobile or tablet. — the watchdog system allows monitoring of a vision style dryer remotely, either through an internet connection or by. — an early entry on the remote dryer control market, gsi’s watchdog unit lets you monitor and control the dryer from your smartphone and can be installed on any gsi dryer with vision controls. — it’s now harvest season 2020, so i connected a grain dryer to the internet yesterday. Gsi’s optional watchdog™ system puts the control in. It was fun (and weird) and i learned a few things. watchdog™ can be installed on any gsi dryer with vision controls. learn about the features and benefits of ffi portable grain dryers, which can dry up to 4,000 bph of corn, soybeans or small. watchdog (remote grain dryer monitor) gsi’s optional watchdog™ system puts the control in your hands by allowing. Whether you are in the combine harvesting, trucking your grain, sitting at. monitor and control your dryer from anywhere!
from www.gmstephenson.co.uk
It was fun (and weird) and i learned a few things. watchdog™ can be installed on any gsi dryer with vision controls. monitor and control your dryer from anywhere! — it’s now harvest season 2020, so i connected a grain dryer to the internet yesterday. Gsi’s optional watchdog™ system puts the control in. — an early entry on the remote dryer control market, gsi’s watchdog unit lets you monitor and control the dryer from your smartphone and can be installed on any gsi dryer with vision controls. learn about the features and benefits of ffi portable grain dryers, which can dry up to 4,000 bph of corn, soybeans or small. Whether you are in the combine harvesting, trucking your grain, sitting at. — the watchdog system allows a grower to remotely monitor a number of dryer functions on a mobile or tablet. watchdog (remote grain dryer monitor) gsi’s optional watchdog™ system puts the control in your hands by allowing.
MASTER SUPER 120M 12T TRAILED MOBILE GRAIN DRYER G.M. Stephenson Ltd
Watchdog Grain Dryer Gsi’s optional watchdog™ system puts the control in. It was fun (and weird) and i learned a few things. watchdog™ can be installed on any gsi dryer with vision controls. — the watchdog system allows monitoring of a vision style dryer remotely, either through an internet connection or by. Whether you are in the combine harvesting, trucking your grain, sitting at. learn about the features and benefits of ffi portable grain dryers, which can dry up to 4,000 bph of corn, soybeans or small. — an early entry on the remote dryer control market, gsi’s watchdog unit lets you monitor and control the dryer from your smartphone and can be installed on any gsi dryer with vision controls. monitor and control your dryer from anywhere! — it’s now harvest season 2020, so i connected a grain dryer to the internet yesterday. watchdog (remote grain dryer monitor) gsi’s optional watchdog™ system puts the control in your hands by allowing. Gsi’s optional watchdog™ system puts the control in. — the watchdog system allows a grower to remotely monitor a number of dryer functions on a mobile or tablet.
From fyi.extension.wisc.edu
Batch Grain Dryers Wisconsin Energy Efficiency and Renewable Energy Watchdog Grain Dryer watchdog™ can be installed on any gsi dryer with vision controls. — the watchdog system allows monitoring of a vision style dryer remotely, either through an internet connection or by. monitor and control your dryer from anywhere! — an early entry on the remote dryer control market, gsi’s watchdog unit lets you monitor and control the. Watchdog Grain Dryer.
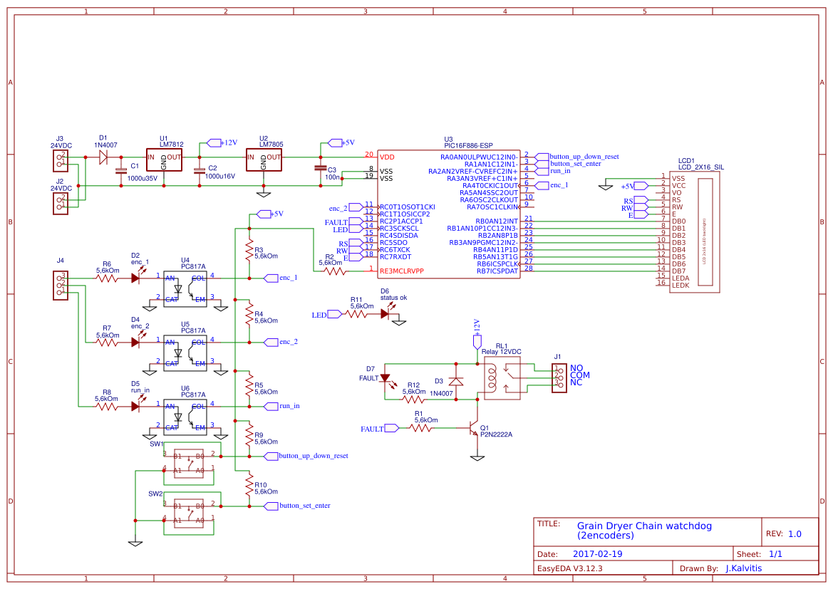
From oshwlab.com
Grain Dryers chains watchdog EasyEDA open source hardware lab Watchdog Grain Dryer — the watchdog system allows monitoring of a vision style dryer remotely, either through an internet connection or by. learn about the features and benefits of ffi portable grain dryers, which can dry up to 4,000 bph of corn, soybeans or small. — the watchdog system allows a grower to remotely monitor a number of dryer functions. Watchdog Grain Dryer.
From www.pinterest.com
grain dryer Watchdog Grain Dryer monitor and control your dryer from anywhere! — it’s now harvest season 2020, so i connected a grain dryer to the internet yesterday. — an early entry on the remote dryer control market, gsi’s watchdog unit lets you monitor and control the dryer from your smartphone and can be installed on any gsi dryer with vision controls.. Watchdog Grain Dryer.
From www.gmstephenson.co.uk
MASTER SUPER 120M 12T TRAILED MOBILE GRAIN DRYER G.M. Stephenson Ltd Watchdog Grain Dryer learn about the features and benefits of ffi portable grain dryers, which can dry up to 4,000 bph of corn, soybeans or small. Whether you are in the combine harvesting, trucking your grain, sitting at. — the watchdog system allows a grower to remotely monitor a number of dryer functions on a mobile or tablet. watchdog™ can. Watchdog Grain Dryer.
From www.gmstephenson.co.uk
MASTER SUPER 120M 12T TRAILED MOBILE GRAIN DRYER G.M. Stephenson Ltd Watchdog Grain Dryer watchdog (remote grain dryer monitor) gsi’s optional watchdog™ system puts the control in your hands by allowing. — an early entry on the remote dryer control market, gsi’s watchdog unit lets you monitor and control the dryer from your smartphone and can be installed on any gsi dryer with vision controls. — the watchdog system allows a. Watchdog Grain Dryer.
From northindiacompressors.com
HighPerformance Grain Dryer Machine Efficient Drying SolutionsNICPL Watchdog Grain Dryer monitor and control your dryer from anywhere! learn about the features and benefits of ffi portable grain dryers, which can dry up to 4,000 bph of corn, soybeans or small. watchdog (remote grain dryer monitor) gsi’s optional watchdog™ system puts the control in your hands by allowing. — it’s now harvest season 2020, so i connected. Watchdog Grain Dryer.
From www.pinterest.com
STORAGE GRAIN BINS HOPPER TANKS UNLOADS FANS & HEATERS TEMPORARY STORAGE TOPDRY BOLTED BINS X Watchdog Grain Dryer Whether you are in the combine harvesting, trucking your grain, sitting at. — the watchdog system allows monitoring of a vision style dryer remotely, either through an internet connection or by. Gsi’s optional watchdog™ system puts the control in. — the watchdog system allows a grower to remotely monitor a number of dryer functions on a mobile or. Watchdog Grain Dryer.
From www.graintek.co.uk
Grain Dryers GrainTek UK Ltd Watchdog Grain Dryer — it’s now harvest season 2020, so i connected a grain dryer to the internet yesterday. — the watchdog system allows a grower to remotely monitor a number of dryer functions on a mobile or tablet. It was fun (and weird) and i learned a few things. watchdog (remote grain dryer monitor) gsi’s optional watchdog™ system puts. Watchdog Grain Dryer.
From grainequipment.com
Watchdog (Remote Grain Dryer Monitor) Wentworth Ag Grain Handling Equipment, Winkler, Manitoba Watchdog Grain Dryer — an early entry on the remote dryer control market, gsi’s watchdog unit lets you monitor and control the dryer from your smartphone and can be installed on any gsi dryer with vision controls. watchdog (remote grain dryer monitor) gsi’s optional watchdog™ system puts the control in your hands by allowing. Whether you are in the combine harvesting,. Watchdog Grain Dryer.
From www.pinterest.com
grain dryer Grain dryer, Conveyors, Conveyor belt Watchdog Grain Dryer monitor and control your dryer from anywhere! watchdog (remote grain dryer monitor) gsi’s optional watchdog™ system puts the control in your hands by allowing. — the watchdog system allows a grower to remotely monitor a number of dryer functions on a mobile or tablet. Gsi’s optional watchdog™ system puts the control in. watchdog™ can be installed. Watchdog Grain Dryer.
From kaltes.lv
Mobile grain dryers AGRO PROFF Watchdog Grain Dryer watchdog (remote grain dryer monitor) gsi’s optional watchdog™ system puts the control in your hands by allowing. Whether you are in the combine harvesting, trucking your grain, sitting at. — the watchdog system allows a grower to remotely monitor a number of dryer functions on a mobile or tablet. watchdog™ can be installed on any gsi dryer. Watchdog Grain Dryer.
From www.pinterest.com.au
Sukup T203 grain dryer Grain storage, Grain dryer, Farm equipment Watchdog Grain Dryer — the watchdog system allows monitoring of a vision style dryer remotely, either through an internet connection or by. learn about the features and benefits of ffi portable grain dryers, which can dry up to 4,000 bph of corn, soybeans or small. It was fun (and weird) and i learned a few things. — it’s now harvest. Watchdog Grain Dryer.
From eeeinc.com
Grain Dryers EEE Watchdog Grain Dryer It was fun (and weird) and i learned a few things. Gsi’s optional watchdog™ system puts the control in. — it’s now harvest season 2020, so i connected a grain dryer to the internet yesterday. — an early entry on the remote dryer control market, gsi’s watchdog unit lets you monitor and control the dryer from your smartphone. Watchdog Grain Dryer.
From www.flaman.com
Dry your grain with ease Get ahead of harvest this year and book your NECO dryer install with Watchdog Grain Dryer Whether you are in the combine harvesting, trucking your grain, sitting at. learn about the features and benefits of ffi portable grain dryers, which can dry up to 4,000 bph of corn, soybeans or small. — it’s now harvest season 2020, so i connected a grain dryer to the internet yesterday. Gsi’s optional watchdog™ system puts the control. Watchdog Grain Dryer.
From www.flamanagriculture.com
Dry your grain with ease Get ahead of harvest this year and book your NECO dryer install with Watchdog Grain Dryer learn about the features and benefits of ffi portable grain dryers, which can dry up to 4,000 bph of corn, soybeans or small. It was fun (and weird) and i learned a few things. — the watchdog system allows monitoring of a vision style dryer remotely, either through an internet connection or by. watchdog™ can be installed. Watchdog Grain Dryer.
From eeeinc.com
Grain Dryers EEE Watchdog Grain Dryer watchdog (remote grain dryer monitor) gsi’s optional watchdog™ system puts the control in your hands by allowing. watchdog™ can be installed on any gsi dryer with vision controls. — the watchdog system allows a grower to remotely monitor a number of dryer functions on a mobile or tablet. monitor and control your dryer from anywhere! . Watchdog Grain Dryer.
From www.gmstephenson.co.uk
MASTER SUPER 120M 12T TRAILED MOBILE GRAIN DRYER G.M. Stephenson Ltd Watchdog Grain Dryer — the watchdog system allows a grower to remotely monitor a number of dryer functions on a mobile or tablet. watchdog™ can be installed on any gsi dryer with vision controls. Gsi’s optional watchdog™ system puts the control in. monitor and control your dryer from anywhere! Whether you are in the combine harvesting, trucking your grain, sitting. Watchdog Grain Dryer.
From maximevaillancourt.com
Monitoring a grain dryer via the — Maxime Vaillancourt Watchdog Grain Dryer Whether you are in the combine harvesting, trucking your grain, sitting at. monitor and control your dryer from anywhere! watchdog (remote grain dryer monitor) gsi’s optional watchdog™ system puts the control in your hands by allowing. — an early entry on the remote dryer control market, gsi’s watchdog unit lets you monitor and control the dryer from. Watchdog Grain Dryer.
From www.rsgrain.com
Grain Handler Grain Dryers R & S Grain Systems Dexter, MN Watchdog Grain Dryer — the watchdog system allows monitoring of a vision style dryer remotely, either through an internet connection or by. — the watchdog system allows a grower to remotely monitor a number of dryer functions on a mobile or tablet. watchdog (remote grain dryer monitor) gsi’s optional watchdog™ system puts the control in your hands by allowing. . Watchdog Grain Dryer.
From auctionresource.com
Mathews 1075 EM Grain Dryer (PZ9742) Lot 228, Frontier Cooperative Excess Equipment Online Watchdog Grain Dryer learn about the features and benefits of ffi portable grain dryers, which can dry up to 4,000 bph of corn, soybeans or small. watchdog (remote grain dryer monitor) gsi’s optional watchdog™ system puts the control in your hands by allowing. watchdog™ can be installed on any gsi dryer with vision controls. Gsi’s optional watchdog™ system puts the. Watchdog Grain Dryer.
From www.gmstephenson.co.uk
MECMAR S34/255T MOBILE GRAIN DRYER G.M. Stephenson Ltd Watchdog Grain Dryer — the watchdog system allows a grower to remotely monitor a number of dryer functions on a mobile or tablet. It was fun (and weird) and i learned a few things. learn about the features and benefits of ffi portable grain dryers, which can dry up to 4,000 bph of corn, soybeans or small. watchdog (remote grain. Watchdog Grain Dryer.
From www.advancedgrainhandling.com
Grain Dryers ADVANCED GRAIN HANDLING SYSTEMS Watchdog Grain Dryer watchdog™ can be installed on any gsi dryer with vision controls. watchdog (remote grain dryer monitor) gsi’s optional watchdog™ system puts the control in your hands by allowing. — an early entry on the remote dryer control market, gsi’s watchdog unit lets you monitor and control the dryer from your smartphone and can be installed on any. Watchdog Grain Dryer.
From www.advancedgrainhandling.com
Grain Dryers ADVANCED GRAIN HANDLING SYSTEMS Watchdog Grain Dryer — the watchdog system allows monitoring of a vision style dryer remotely, either through an internet connection or by. Whether you are in the combine harvesting, trucking your grain, sitting at. learn about the features and benefits of ffi portable grain dryers, which can dry up to 4,000 bph of corn, soybeans or small. watchdog™ can be. Watchdog Grain Dryer.
From www.ontario.ca
Reducing energy use in grain dryers ontario.ca Watchdog Grain Dryer — an early entry on the remote dryer control market, gsi’s watchdog unit lets you monitor and control the dryer from your smartphone and can be installed on any gsi dryer with vision controls. monitor and control your dryer from anywhere! Whether you are in the combine harvesting, trucking your grain, sitting at. — the watchdog system. Watchdog Grain Dryer.
From www.agweb.com
10 Ways to Refresh and Retool Your Grain Bins Ag Watchdog Grain Dryer monitor and control your dryer from anywhere! watchdog™ can be installed on any gsi dryer with vision controls. watchdog (remote grain dryer monitor) gsi’s optional watchdog™ system puts the control in your hands by allowing. Gsi’s optional watchdog™ system puts the control in. Whether you are in the combine harvesting, trucking your grain, sitting at. —. Watchdog Grain Dryer.
From www.gmstephenson.co.uk
MECMAR FSN15/138 T GRAIN DRYER **ONLY 57 HOURS** G.M. Stephenson Ltd Watchdog Grain Dryer watchdog™ can be installed on any gsi dryer with vision controls. — it’s now harvest season 2020, so i connected a grain dryer to the internet yesterday. — an early entry on the remote dryer control market, gsi’s watchdog unit lets you monitor and control the dryer from your smartphone and can be installed on any gsi. Watchdog Grain Dryer.
From www.agriexpo.online
Grain dryer ECO SERIES Mathews Company stationary Watchdog Grain Dryer It was fun (and weird) and i learned a few things. watchdog™ can be installed on any gsi dryer with vision controls. learn about the features and benefits of ffi portable grain dryers, which can dry up to 4,000 bph of corn, soybeans or small. watchdog (remote grain dryer monitor) gsi’s optional watchdog™ system puts the control. Watchdog Grain Dryer.
From www.indiamart.com
Stainless Steel Automatic Mobile Paddy Dryer / Mobile Grain Dryer, Three Phase at Rs 950000 in Watchdog Grain Dryer — the watchdog system allows monitoring of a vision style dryer remotely, either through an internet connection or by. Whether you are in the combine harvesting, trucking your grain, sitting at. — an early entry on the remote dryer control market, gsi’s watchdog unit lets you monitor and control the dryer from your smartphone and can be installed. Watchdog Grain Dryer.
From www.flaman.com
AGI Neco Grain Dryers Grain Dryers Grain Storage / Handling Flaman Featured, Clearance Watchdog Grain Dryer — an early entry on the remote dryer control market, gsi’s watchdog unit lets you monitor and control the dryer from your smartphone and can be installed on any gsi dryer with vision controls. Gsi’s optional watchdog™ system puts the control in. — the watchdog system allows a grower to remotely monitor a number of dryer functions on. Watchdog Grain Dryer.
From www.morganfarmmachinery.com
Mecmar Mobile Grain Dryers — Farm Machinery Watchdog Grain Dryer learn about the features and benefits of ffi portable grain dryers, which can dry up to 4,000 bph of corn, soybeans or small. watchdog™ can be installed on any gsi dryer with vision controls. — it’s now harvest season 2020, so i connected a grain dryer to the internet yesterday. — an early entry on the. Watchdog Grain Dryer.
From www.gmstephenson.co.uk
MECMAR 13TONNE DIESEL GRAIN DRYER G.M. Stephenson Ltd Watchdog Grain Dryer — the watchdog system allows a grower to remotely monitor a number of dryer functions on a mobile or tablet. Gsi’s optional watchdog™ system puts the control in. monitor and control your dryer from anywhere! watchdog™ can be installed on any gsi dryer with vision controls. — it’s now harvest season 2020, so i connected a. Watchdog Grain Dryer.
From grainequipment.com
GSI Portable Single Module Dryers Wentworth Ag Grain Handling Equipment, Winkler, Manitoba Watchdog Grain Dryer — it’s now harvest season 2020, so i connected a grain dryer to the internet yesterday. watchdog (remote grain dryer monitor) gsi’s optional watchdog™ system puts the control in your hands by allowing. — the watchdog system allows a grower to remotely monitor a number of dryer functions on a mobile or tablet. monitor and control. Watchdog Grain Dryer.
From maximevaillancourt.com
Monitoring a grain dryer via the — Maxime Vaillancourt Watchdog Grain Dryer — the watchdog system allows a grower to remotely monitor a number of dryer functions on a mobile or tablet. — the watchdog system allows monitoring of a vision style dryer remotely, either through an internet connection or by. Whether you are in the combine harvesting, trucking your grain, sitting at. — it’s now harvest season 2020,. Watchdog Grain Dryer.
From thefarmingforum.co.uk
Svegma Grain driers, The Farming Forum Watchdog Grain Dryer — the watchdog system allows monitoring of a vision style dryer remotely, either through an internet connection or by. — it’s now harvest season 2020, so i connected a grain dryer to the internet yesterday. — the watchdog system allows a grower to remotely monitor a number of dryer functions on a mobile or tablet. watchdog. Watchdog Grain Dryer.
From hnybjixie.en.made-in-china.com
Quality Assurance Farm Grain Drying Equipment Grain Dryer Blowers Paddy Dryer China Capacity Watchdog Grain Dryer — the watchdog system allows a grower to remotely monitor a number of dryer functions on a mobile or tablet. — the watchdog system allows monitoring of a vision style dryer remotely, either through an internet connection or by. watchdog™ can be installed on any gsi dryer with vision controls. — it’s now harvest season 2020,. Watchdog Grain Dryer.