Ignition Relay Chevy Express . Engine compartment fuse relay center. Release the ignition switch by inserting tool number j 42759 or similar (see the resources box bellow for more information). Here you will find fuse box diagrams of chevrolet express 1996, 1997, 1998, 1999, 2000, 2001, and 2002, get information about the location of the fuse panels inside the car, and learn. In this article, you will find information about the fuses of the chevrolet express (models 2008 and 2009), including diagrams of the fuse boxes, a list of fuses and relays, their designation, and. The fuse block is in the engine compartment on the driver’s side of the vehicle. In this article, you will find information about the fuses of the chevrolet express (models 2018, 2019, 2020, 2021, 2022, 2023, and 2024), including diagrams of the fuse boxes, a list of fuses and. If you’re experiencing issues with your chevy express’s ignition switch, it may be time to replace it.
from wiringmanuals.blogspot.com
In this article, you will find information about the fuses of the chevrolet express (models 2008 and 2009), including diagrams of the fuse boxes, a list of fuses and relays, their designation, and. If you’re experiencing issues with your chevy express’s ignition switch, it may be time to replace it. Release the ignition switch by inserting tool number j 42759 or similar (see the resources box bellow for more information). Here you will find fuse box diagrams of chevrolet express 1996, 1997, 1998, 1999, 2000, 2001, and 2002, get information about the location of the fuse panels inside the car, and learn. In this article, you will find information about the fuses of the chevrolet express (models 2018, 2019, 2020, 2021, 2022, 2023, and 2024), including diagrams of the fuse boxes, a list of fuses and. Engine compartment fuse relay center. The fuse block is in the engine compartment on the driver’s side of the vehicle.
Wiring Diagrams and Free Manual Ebooks 2002 Chevy Express 2500 Van
Ignition Relay Chevy Express Engine compartment fuse relay center. Release the ignition switch by inserting tool number j 42759 or similar (see the resources box bellow for more information). Here you will find fuse box diagrams of chevrolet express 1996, 1997, 1998, 1999, 2000, 2001, and 2002, get information about the location of the fuse panels inside the car, and learn. In this article, you will find information about the fuses of the chevrolet express (models 2008 and 2009), including diagrams of the fuse boxes, a list of fuses and relays, their designation, and. In this article, you will find information about the fuses of the chevrolet express (models 2018, 2019, 2020, 2021, 2022, 2023, and 2024), including diagrams of the fuse boxes, a list of fuses and. The fuse block is in the engine compartment on the driver’s side of the vehicle. If you’re experiencing issues with your chevy express’s ignition switch, it may be time to replace it. Engine compartment fuse relay center.
From www.youtube.com
19992007 Chevy Silverado ALL IGNITION Starter Relay/ Fuse/ Ignition Ignition Relay Chevy Express The fuse block is in the engine compartment on the driver’s side of the vehicle. Release the ignition switch by inserting tool number j 42759 or similar (see the resources box bellow for more information). Engine compartment fuse relay center. If you’re experiencing issues with your chevy express’s ignition switch, it may be time to replace it. Here you will. Ignition Relay Chevy Express.
From selectebs5fixengine.z21.web.core.windows.net
Ac Compressor Relay Location Chevy Silverado Ignition Relay Chevy Express In this article, you will find information about the fuses of the chevrolet express (models 2008 and 2009), including diagrams of the fuse boxes, a list of fuses and relays, their designation, and. Engine compartment fuse relay center. In this article, you will find information about the fuses of the chevrolet express (models 2018, 2019, 2020, 2021, 2022, 2023, and. Ignition Relay Chevy Express.
From www.youtube.com
CHEVROLET CRUZE IGNITION SWITCH FUSE LOCATION REPLACEMENT. IGNITION Ignition Relay Chevy Express The fuse block is in the engine compartment on the driver’s side of the vehicle. If you’re experiencing issues with your chevy express’s ignition switch, it may be time to replace it. In this article, you will find information about the fuses of the chevrolet express (models 2018, 2019, 2020, 2021, 2022, 2023, and 2024), including diagrams of the fuse. Ignition Relay Chevy Express.
From www.reddit.com
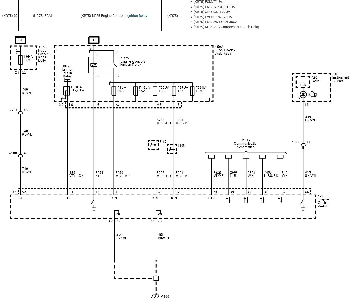
P16B3 CHEVROLET Engine Controls Ignition Relay Feedback Circuit 2 Ignition Relay Chevy Express Release the ignition switch by inserting tool number j 42759 or similar (see the resources box bellow for more information). The fuse block is in the engine compartment on the driver’s side of the vehicle. Engine compartment fuse relay center. If you’re experiencing issues with your chevy express’s ignition switch, it may be time to replace it. In this article,. Ignition Relay Chevy Express.
From wiredatatraci.z19.web.core.windows.net
2014 Chevrolet Express Trailer Wiring Schematic Ignition Relay Chevy Express Engine compartment fuse relay center. Here you will find fuse box diagrams of chevrolet express 1996, 1997, 1998, 1999, 2000, 2001, and 2002, get information about the location of the fuse panels inside the car, and learn. In this article, you will find information about the fuses of the chevrolet express (models 2018, 2019, 2020, 2021, 2022, 2023, and 2024),. Ignition Relay Chevy Express.
From www.justanswer.com
Chevy Express 2002 Q&A Fuel Pump Relay, Towing Capacity, and More Ignition Relay Chevy Express Here you will find fuse box diagrams of chevrolet express 1996, 1997, 1998, 1999, 2000, 2001, and 2002, get information about the location of the fuse panels inside the car, and learn. If you’re experiencing issues with your chevy express’s ignition switch, it may be time to replace it. In this article, you will find information about the fuses of. Ignition Relay Chevy Express.
From workshop-manuals.com
Chevrolet Service and Repair Manuals > Express 3500 V86.6L Ignition Relay Chevy Express Engine compartment fuse relay center. Here you will find fuse box diagrams of chevrolet express 1996, 1997, 1998, 1999, 2000, 2001, and 2002, get information about the location of the fuse panels inside the car, and learn. In this article, you will find information about the fuses of the chevrolet express (models 2008 and 2009), including diagrams of the fuse. Ignition Relay Chevy Express.
From www.carid.com
ACDelco® GM Original Equipment™ Ignition Relay Ignition Relay Chevy Express In this article, you will find information about the fuses of the chevrolet express (models 2008 and 2009), including diagrams of the fuse boxes, a list of fuses and relays, their designation, and. In this article, you will find information about the fuses of the chevrolet express (models 2018, 2019, 2020, 2021, 2022, 2023, and 2024), including diagrams of the. Ignition Relay Chevy Express.
From diagramlibvortretenodz.z13.web.core.windows.net
Ignition Switch Wiring Diagram Chevy Ignition Relay Chevy Express Engine compartment fuse relay center. Here you will find fuse box diagrams of chevrolet express 1996, 1997, 1998, 1999, 2000, 2001, and 2002, get information about the location of the fuse panels inside the car, and learn. If you’re experiencing issues with your chevy express’s ignition switch, it may be time to replace it. The fuse block is in the. Ignition Relay Chevy Express.
From wiringmanuals.blogspot.com
Wiring Diagrams and Free Manual Ebooks 2002 Chevy Express 2500 Van Ignition Relay Chevy Express Here you will find fuse box diagrams of chevrolet express 1996, 1997, 1998, 1999, 2000, 2001, and 2002, get information about the location of the fuse panels inside the car, and learn. If you’re experiencing issues with your chevy express’s ignition switch, it may be time to replace it. In this article, you will find information about the fuses of. Ignition Relay Chevy Express.
From www.carparts.com
Bad Headlight Relay Symptoms and FAQ In The Garage with Ignition Relay Chevy Express The fuse block is in the engine compartment on the driver’s side of the vehicle. If you’re experiencing issues with your chevy express’s ignition switch, it may be time to replace it. Here you will find fuse box diagrams of chevrolet express 1996, 1997, 1998, 1999, 2000, 2001, and 2002, get information about the location of the fuse panels inside. Ignition Relay Chevy Express.
From www.bonanza.com
14151617 CHEVROLET SILVERADO/SIERRA FUSE/RELAY/BOX Switches / Controls Ignition Relay Chevy Express In this article, you will find information about the fuses of the chevrolet express (models 2018, 2019, 2020, 2021, 2022, 2023, and 2024), including diagrams of the fuse boxes, a list of fuses and. Release the ignition switch by inserting tool number j 42759 or similar (see the resources box bellow for more information). Here you will find fuse box. Ignition Relay Chevy Express.
From www.pinterest.com
Underhood fuse box diagram Chevrolet Express (2010, 2011, 2012, 2013 Ignition Relay Chevy Express In this article, you will find information about the fuses of the chevrolet express (models 2018, 2019, 2020, 2021, 2022, 2023, and 2024), including diagrams of the fuse boxes, a list of fuses and. The fuse block is in the engine compartment on the driver’s side of the vehicle. Release the ignition switch by inserting tool number j 42759 or. Ignition Relay Chevy Express.
From www.youtube.com
2014 Chevrolet Silverado Starter Fuses, Starter Relay & Testing YouTube Ignition Relay Chevy Express The fuse block is in the engine compartment on the driver’s side of the vehicle. Release the ignition switch by inserting tool number j 42759 or similar (see the resources box bellow for more information). Here you will find fuse box diagrams of chevrolet express 1996, 1997, 1998, 1999, 2000, 2001, and 2002, get information about the location of the. Ignition Relay Chevy Express.
From www.justanswer.com
Where are the circuit board relays located in a 2017 Chevrolet Express Ignition Relay Chevy Express The fuse block is in the engine compartment on the driver’s side of the vehicle. Release the ignition switch by inserting tool number j 42759 or similar (see the resources box bellow for more information). In this article, you will find information about the fuses of the chevrolet express (models 2018, 2019, 2020, 2021, 2022, 2023, and 2024), including diagrams. Ignition Relay Chevy Express.
From wiringguidekaroos.z19.web.core.windows.net
Ignition Switch Wiring Diagram Chevy Truck Ignition Relay Chevy Express In this article, you will find information about the fuses of the chevrolet express (models 2018, 2019, 2020, 2021, 2022, 2023, and 2024), including diagrams of the fuse boxes, a list of fuses and. If you’re experiencing issues with your chevy express’s ignition switch, it may be time to replace it. Engine compartment fuse relay center. Release the ignition switch. Ignition Relay Chevy Express.
From www.carparts.com
Symptoms of a Faulty Ignition Relay In The Garage with Ignition Relay Chevy Express In this article, you will find information about the fuses of the chevrolet express (models 2018, 2019, 2020, 2021, 2022, 2023, and 2024), including diagrams of the fuse boxes, a list of fuses and. Here you will find fuse box diagrams of chevrolet express 1996, 1997, 1998, 1999, 2000, 2001, and 2002, get information about the location of the fuse. Ignition Relay Chevy Express.
From wiringdiagram.2bitboer.com
95 Chevy Ignition Wiring Diagram Wiring Diagram Ignition Relay Chevy Express In this article, you will find information about the fuses of the chevrolet express (models 2018, 2019, 2020, 2021, 2022, 2023, and 2024), including diagrams of the fuse boxes, a list of fuses and. Release the ignition switch by inserting tool number j 42759 or similar (see the resources box bellow for more information). Engine compartment fuse relay center. If. Ignition Relay Chevy Express.
From jsmithmoore.com
1999 chevy blazer fuel pump fuse location Ignition Relay Chevy Express In this article, you will find information about the fuses of the chevrolet express (models 2018, 2019, 2020, 2021, 2022, 2023, and 2024), including diagrams of the fuse boxes, a list of fuses and. Here you will find fuse box diagrams of chevrolet express 1996, 1997, 1998, 1999, 2000, 2001, and 2002, get information about the location of the fuse. Ignition Relay Chevy Express.
From www.circuitdiagram.co
Wiring Diagram 2004 Chevy Express Van 3500 Circuit Diagram Ignition Relay Chevy Express Here you will find fuse box diagrams of chevrolet express 1996, 1997, 1998, 1999, 2000, 2001, and 2002, get information about the location of the fuse panels inside the car, and learn. If you’re experiencing issues with your chevy express’s ignition switch, it may be time to replace it. In this article, you will find information about the fuses of. Ignition Relay Chevy Express.
From drivingandstyle.com
No Power to Fuel Pump Relay Chevy Truck Causes & How to Fix? Driving Ignition Relay Chevy Express Here you will find fuse box diagrams of chevrolet express 1996, 1997, 1998, 1999, 2000, 2001, and 2002, get information about the location of the fuse panels inside the car, and learn. Engine compartment fuse relay center. If you’re experiencing issues with your chevy express’s ignition switch, it may be time to replace it. The fuse block is in the. Ignition Relay Chevy Express.
From www.corvetteforum.com
RPM Guage Not Working Help! Page 2 CorvetteForum Chevrolet Ignition Relay Chevy Express In this article, you will find information about the fuses of the chevrolet express (models 2008 and 2009), including diagrams of the fuse boxes, a list of fuses and relays, their designation, and. Engine compartment fuse relay center. Here you will find fuse box diagrams of chevrolet express 1996, 1997, 1998, 1999, 2000, 2001, and 2002, get information about the. Ignition Relay Chevy Express.
From www.carparts.com
Where Is the Ignition Relay Located? In The Garage with Ignition Relay Chevy Express Engine compartment fuse relay center. If you’re experiencing issues with your chevy express’s ignition switch, it may be time to replace it. In this article, you will find information about the fuses of the chevrolet express (models 2008 and 2009), including diagrams of the fuse boxes, a list of fuses and relays, their designation, and. The fuse block is in. Ignition Relay Chevy Express.
From guidepartzeuglodon.z19.web.core.windows.net
Chevrolet C5500 Pcmb Fuse Ignition Relay Chevy Express If you’re experiencing issues with your chevy express’s ignition switch, it may be time to replace it. Here you will find fuse box diagrams of chevrolet express 1996, 1997, 1998, 1999, 2000, 2001, and 2002, get information about the location of the fuse panels inside the car, and learn. The fuse block is in the engine compartment on the driver’s. Ignition Relay Chevy Express.
From www.pinterest.com
Underhood fuse box diagram Chevrolet Express (2008, 2009) Chevy Ignition Relay Chevy Express Here you will find fuse box diagrams of chevrolet express 1996, 1997, 1998, 1999, 2000, 2001, and 2002, get information about the location of the fuse panels inside the car, and learn. In this article, you will find information about the fuses of the chevrolet express (models 2008 and 2009), including diagrams of the fuse boxes, a list of fuses. Ignition Relay Chevy Express.
From chevroletforum.com
2018 chevy express van remote start wiring Chevrolet Forum Chevy Ignition Relay Chevy Express Engine compartment fuse relay center. The fuse block is in the engine compartment on the driver’s side of the vehicle. In this article, you will find information about the fuses of the chevrolet express (models 2018, 2019, 2020, 2021, 2022, 2023, and 2024), including diagrams of the fuse boxes, a list of fuses and. Here you will find fuse box. Ignition Relay Chevy Express.
From circuitlistclifton.z19.web.core.windows.net
Chevy Ignition Switch Removal Ignition Relay Chevy Express In this article, you will find information about the fuses of the chevrolet express (models 2018, 2019, 2020, 2021, 2022, 2023, and 2024), including diagrams of the fuse boxes, a list of fuses and. The fuse block is in the engine compartment on the driver’s side of the vehicle. Engine compartment fuse relay center. If you’re experiencing issues with your. Ignition Relay Chevy Express.
From www.smarts4k.com
2003 Chevy Silverado Ignition Wiring Diagram Search Best 4K Wallpapers Ignition Relay Chevy Express The fuse block is in the engine compartment on the driver’s side of the vehicle. Here you will find fuse box diagrams of chevrolet express 1996, 1997, 1998, 1999, 2000, 2001, and 2002, get information about the location of the fuse panels inside the car, and learn. If you’re experiencing issues with your chevy express’s ignition switch, it may be. Ignition Relay Chevy Express.
From www.2carpros.com
Starter Relay Location Replaced Defective Starter. Installed New Ignition Relay Chevy Express Engine compartment fuse relay center. In this article, you will find information about the fuses of the chevrolet express (models 2008 and 2009), including diagrams of the fuse boxes, a list of fuses and relays, their designation, and. Release the ignition switch by inserting tool number j 42759 or similar (see the resources box bellow for more information). If you’re. Ignition Relay Chevy Express.
From www.cargurus.com
Chevrolet Express Questions No power at pump, but has power to relay Ignition Relay Chevy Express If you’re experiencing issues with your chevy express’s ignition switch, it may be time to replace it. Engine compartment fuse relay center. The fuse block is in the engine compartment on the driver’s side of the vehicle. In this article, you will find information about the fuses of the chevrolet express (models 2008 and 2009), including diagrams of the fuse. Ignition Relay Chevy Express.
From www.youtube.com
2008 GMC Sierra Starter Relay & Fuse, Fuel Pump Relay & Fuse Location Ignition Relay Chevy Express Release the ignition switch by inserting tool number j 42759 or similar (see the resources box bellow for more information). Engine compartment fuse relay center. Here you will find fuse box diagrams of chevrolet express 1996, 1997, 1998, 1999, 2000, 2001, and 2002, get information about the location of the fuse panels inside the car, and learn. In this article,. Ignition Relay Chevy Express.
From garagerepairprolepses.z5.web.core.windows.net
Chevy Express Van Parts Diagrams Ignition Relay Chevy Express Here you will find fuse box diagrams of chevrolet express 1996, 1997, 1998, 1999, 2000, 2001, and 2002, get information about the location of the fuse panels inside the car, and learn. In this article, you will find information about the fuses of the chevrolet express (models 2018, 2019, 2020, 2021, 2022, 2023, and 2024), including diagrams of the fuse. Ignition Relay Chevy Express.
From mungfali.com
2006 Chevy Colorado Fuse Box Diagram Ignition Relay Chevy Express The fuse block is in the engine compartment on the driver’s side of the vehicle. Release the ignition switch by inserting tool number j 42759 or similar (see the resources box bellow for more information). In this article, you will find information about the fuses of the chevrolet express (models 2018, 2019, 2020, 2021, 2022, 2023, and 2024), including diagrams. Ignition Relay Chevy Express.
From drivingandstyle.com
No Power to Fuel Pump Relay Chevy Truck Causes & How to Fix? Driving Ignition Relay Chevy Express In this article, you will find information about the fuses of the chevrolet express (models 2018, 2019, 2020, 2021, 2022, 2023, and 2024), including diagrams of the fuse boxes, a list of fuses and. If you’re experiencing issues with your chevy express’s ignition switch, it may be time to replace it. The fuse block is in the engine compartment on. Ignition Relay Chevy Express.
From caja-de-fusibles.com
Fusibles y relés para Chevrolet Silverado (mk1; 19992007) diagramas Ignition Relay Chevy Express Release the ignition switch by inserting tool number j 42759 or similar (see the resources box bellow for more information). In this article, you will find information about the fuses of the chevrolet express (models 2018, 2019, 2020, 2021, 2022, 2023, and 2024), including diagrams of the fuse boxes, a list of fuses and. In this article, you will find. Ignition Relay Chevy Express.