Outboard Motor Setup Height . Say your outboard sits one. Learn the correct height for your motor (with. According to marinepartsman.com, the outboard can be raised 1 inch above the standard height for every 10 miles per hour of speed the boat can. The perfect mounting height will depend on a few factors, such as the size and weight of your boat, the style of your motor, and the type of water. Is there a formula to figure out how high to set your outboard engine on an engine [set back] bracket. The mounting height depends on many factors, the most important of which are the type of hull, the propeller and its distance from the bottom of the transom and the boat’s intended use. In this article we will see how much influence moving the outboard down one hole in the mounting bracket has on a boat’s performance. Find a straight edge that is around 8′. Proper outboard motor height on the transom is crucial to bring optimal performance.
from www.crowleymarine.com
Is there a formula to figure out how high to set your outboard engine on an engine [set back] bracket. The perfect mounting height will depend on a few factors, such as the size and weight of your boat, the style of your motor, and the type of water. Say your outboard sits one. The mounting height depends on many factors, the most important of which are the type of hull, the propeller and its distance from the bottom of the transom and the boat’s intended use. In this article we will see how much influence moving the outboard down one hole in the mounting bracket has on a boat’s performance. Proper outboard motor height on the transom is crucial to bring optimal performance. According to marinepartsman.com, the outboard can be raised 1 inch above the standard height for every 10 miles per hour of speed the boat can. Learn the correct height for your motor (with. Find a straight edge that is around 8′.
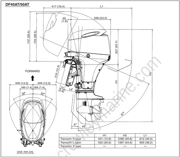
Setup Manual DF60A, DF40A, DF50A Outboard Motor Installation Crowley
Outboard Motor Setup Height According to marinepartsman.com, the outboard can be raised 1 inch above the standard height for every 10 miles per hour of speed the boat can. The mounting height depends on many factors, the most important of which are the type of hull, the propeller and its distance from the bottom of the transom and the boat’s intended use. According to marinepartsman.com, the outboard can be raised 1 inch above the standard height for every 10 miles per hour of speed the boat can. Find a straight edge that is around 8′. Learn the correct height for your motor (with. In this article we will see how much influence moving the outboard down one hole in the mounting bracket has on a boat’s performance. Is there a formula to figure out how high to set your outboard engine on an engine [set back] bracket. Proper outboard motor height on the transom is crucial to bring optimal performance. Say your outboard sits one. The perfect mounting height will depend on a few factors, such as the size and weight of your boat, the style of your motor, and the type of water.
From modernizemodest1712.blogspot.com
41 Outboard Motor Height Diagram Diagram For You Outboard Motor Setup Height In this article we will see how much influence moving the outboard down one hole in the mounting bracket has on a boat’s performance. Is there a formula to figure out how high to set your outboard engine on an engine [set back] bracket. The mounting height depends on many factors, the most important of which are the type of. Outboard Motor Setup Height.
From www.crowleymarine.com
Setup Manual DF60A, DF40A, DF50A Outboard Motor Installation Crowley Outboard Motor Setup Height Find a straight edge that is around 8′. Proper outboard motor height on the transom is crucial to bring optimal performance. In this article we will see how much influence moving the outboard down one hole in the mounting bracket has on a boat’s performance. Is there a formula to figure out how high to set your outboard engine on. Outboard Motor Setup Height.
From www.youtube.com
Mercury outboard motor height testing and performance PT.2 YouTube Outboard Motor Setup Height The mounting height depends on many factors, the most important of which are the type of hull, the propeller and its distance from the bottom of the transom and the boat’s intended use. Say your outboard sits one. According to marinepartsman.com, the outboard can be raised 1 inch above the standard height for every 10 miles per hour of speed. Outboard Motor Setup Height.
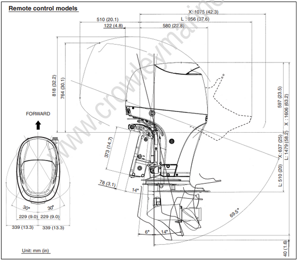
From www.crowleymarine.com
Setup Manual DF90A, DF70A Outboard Motor Installation Crowley Marine Outboard Motor Setup Height In this article we will see how much influence moving the outboard down one hole in the mounting bracket has on a boat’s performance. Proper outboard motor height on the transom is crucial to bring optimal performance. Say your outboard sits one. Find a straight edge that is around 8′. Is there a formula to figure out how high to. Outboard Motor Setup Height.
From www.youtube.com
How To Mount An Outboard Motor Properly Start to Finish! YouTube Outboard Motor Setup Height The perfect mounting height will depend on a few factors, such as the size and weight of your boat, the style of your motor, and the type of water. Learn the correct height for your motor (with. The mounting height depends on many factors, the most important of which are the type of hull, the propeller and its distance from. Outboard Motor Setup Height.
From www.powerequipmentdirect.com
Outboard Motor Installation Guide How to Install an Outboard Motor Outboard Motor Setup Height Find a straight edge that is around 8′. According to marinepartsman.com, the outboard can be raised 1 inch above the standard height for every 10 miles per hour of speed the boat can. Learn the correct height for your motor (with. The perfect mounting height will depend on a few factors, such as the size and weight of your boat,. Outboard Motor Setup Height.
From www.epropulsion.com
Outboard Motor Height Easiest Way to Find Correct Height & Height Outboard Motor Setup Height According to marinepartsman.com, the outboard can be raised 1 inch above the standard height for every 10 miles per hour of speed the boat can. Say your outboard sits one. Proper outboard motor height on the transom is crucial to bring optimal performance. In this article we will see how much influence moving the outboard down one hole in the. Outboard Motor Setup Height.
From www.crowleymarine.com
Setup Manual DF60A, DF40A, DF50A Outboard Motor Installation Crowley Outboard Motor Setup Height The perfect mounting height will depend on a few factors, such as the size and weight of your boat, the style of your motor, and the type of water. Learn the correct height for your motor (with. The mounting height depends on many factors, the most important of which are the type of hull, the propeller and its distance from. Outboard Motor Setup Height.
From sportfishhub.com
How to Measure Transom Height for an Outboard Motor Outboard Motor Setup Height Find a straight edge that is around 8′. The mounting height depends on many factors, the most important of which are the type of hull, the propeller and its distance from the bottom of the transom and the boat’s intended use. Say your outboard sits one. The perfect mounting height will depend on a few factors, such as the size. Outboard Motor Setup Height.
From www.powerequipmentdirect.com
Outboard Motor Installation Guide How to Install an Outboard Motor Outboard Motor Setup Height The perfect mounting height will depend on a few factors, such as the size and weight of your boat, the style of your motor, and the type of water. According to marinepartsman.com, the outboard can be raised 1 inch above the standard height for every 10 miles per hour of speed the boat can. Find a straight edge that is. Outboard Motor Setup Height.
From www.crowleymarine.com
Setup Manual DF40, DF50 Outboard Motor Installation Crowley Marine Outboard Motor Setup Height Learn the correct height for your motor (with. The mounting height depends on many factors, the most important of which are the type of hull, the propeller and its distance from the bottom of the transom and the boat’s intended use. Say your outboard sits one. Is there a formula to figure out how high to set your outboard engine. Outboard Motor Setup Height.
From www.crowleymarine.com
Setup Manual DF350A Outboard Motor Installation Crowley Marine Outboard Motor Setup Height The perfect mounting height will depend on a few factors, such as the size and weight of your boat, the style of your motor, and the type of water. According to marinepartsman.com, the outboard can be raised 1 inch above the standard height for every 10 miles per hour of speed the boat can. Learn the correct height for your. Outboard Motor Setup Height.
From www.crowleymarine.com
Setup Manual DF60A, DF40A, DF50A Outboard Motor Installation Crowley Outboard Motor Setup Height Say your outboard sits one. Learn the correct height for your motor (with. The mounting height depends on many factors, the most important of which are the type of hull, the propeller and its distance from the bottom of the transom and the boat’s intended use. Proper outboard motor height on the transom is crucial to bring optimal performance. According. Outboard Motor Setup Height.
From www.crowleymarine.com
Setup Manual DF90A, DF70A Outboard Motor Installation Crowley Marine Outboard Motor Setup Height Proper outboard motor height on the transom is crucial to bring optimal performance. In this article we will see how much influence moving the outboard down one hole in the mounting bracket has on a boat’s performance. Is there a formula to figure out how high to set your outboard engine on an engine [set back] bracket. According to marinepartsman.com,. Outboard Motor Setup Height.
From www.youtube.com
Setting Height of Outboard Motor YouTube Outboard Motor Setup Height Is there a formula to figure out how high to set your outboard engine on an engine [set back] bracket. Say your outboard sits one. The perfect mounting height will depend on a few factors, such as the size and weight of your boat, the style of your motor, and the type of water. Learn the correct height for your. Outboard Motor Setup Height.
From www.crowleymarine.com
Setup Manual DF25A, DF30A Outboard Motor Installation [Motor Dimensions Outboard Motor Setup Height Is there a formula to figure out how high to set your outboard engine on an engine [set back] bracket. Learn the correct height for your motor (with. The perfect mounting height will depend on a few factors, such as the size and weight of your boat, the style of your motor, and the type of water. The mounting height. Outboard Motor Setup Height.
From modernizemodest1712.blogspot.com
41 Outboard Motor Height Diagram Diagram For You Outboard Motor Setup Height In this article we will see how much influence moving the outboard down one hole in the mounting bracket has on a boat’s performance. Learn the correct height for your motor (with. Say your outboard sits one. The mounting height depends on many factors, the most important of which are the type of hull, the propeller and its distance from. Outboard Motor Setup Height.
From modernizemodest1712.blogspot.com
41 Outboard Motor Height Diagram Diagram For You Outboard Motor Setup Height Find a straight edge that is around 8′. In this article we will see how much influence moving the outboard down one hole in the mounting bracket has on a boat’s performance. The mounting height depends on many factors, the most important of which are the type of hull, the propeller and its distance from the bottom of the transom. Outboard Motor Setup Height.
From www.youtube.com
PERFECT Motor Height For An OUTBOARD JET YouTube Outboard Motor Setup Height Proper outboard motor height on the transom is crucial to bring optimal performance. Is there a formula to figure out how high to set your outboard engine on an engine [set back] bracket. Find a straight edge that is around 8′. Learn the correct height for your motor (with. According to marinepartsman.com, the outboard can be raised 1 inch above. Outboard Motor Setup Height.
From www.kayakpaddling.net
How to Raise Outboard Motor on Transom? Raising the Outboard Motor Outboard Motor Setup Height According to marinepartsman.com, the outboard can be raised 1 inch above the standard height for every 10 miles per hour of speed the boat can. The mounting height depends on many factors, the most important of which are the type of hull, the propeller and its distance from the bottom of the transom and the boat’s intended use. Find a. Outboard Motor Setup Height.
From obparts.com
Boost Speed with Outboard Engine Height Adjustments Marine Parts Outboard Motor Setup Height Is there a formula to figure out how high to set your outboard engine on an engine [set back] bracket. The perfect mounting height will depend on a few factors, such as the size and weight of your boat, the style of your motor, and the type of water. In this article we will see how much influence moving the. Outboard Motor Setup Height.
From www.crowleymarine.com
Setup Manual DF300 Outboard Motor Installation Crowley Marine Outboard Motor Setup Height The perfect mounting height will depend on a few factors, such as the size and weight of your boat, the style of your motor, and the type of water. In this article we will see how much influence moving the outboard down one hole in the mounting bracket has on a boat’s performance. The mounting height depends on many factors,. Outboard Motor Setup Height.
From www.crowleymarine.com
Setup Manual DF60A, DF40A, DF50A Outboard Motor Installation Crowley Outboard Motor Setup Height The mounting height depends on many factors, the most important of which are the type of hull, the propeller and its distance from the bottom of the transom and the boat’s intended use. The perfect mounting height will depend on a few factors, such as the size and weight of your boat, the style of your motor, and the type. Outboard Motor Setup Height.
From www.crowleymarine.com
Setup Manual DF70ATTH, DF90ATTH, DF90A, DF70A Outboard Motor Outboard Motor Setup Height Learn the correct height for your motor (with. According to marinepartsman.com, the outboard can be raised 1 inch above the standard height for every 10 miles per hour of speed the boat can. Proper outboard motor height on the transom is crucial to bring optimal performance. The perfect mounting height will depend on a few factors, such as the size. Outboard Motor Setup Height.
From www.tohatsu.com
FREQUENTLY ASKED QUESTIONS TECHNICAL INFORMATION TOHATSU outboard Outboard Motor Setup Height The perfect mounting height will depend on a few factors, such as the size and weight of your boat, the style of your motor, and the type of water. Proper outboard motor height on the transom is crucial to bring optimal performance. Find a straight edge that is around 8′. In this article we will see how much influence moving. Outboard Motor Setup Height.
From modernizemodest1712.blogspot.com
41 Outboard Motor Height Diagram Diagram For You Outboard Motor Setup Height According to marinepartsman.com, the outboard can be raised 1 inch above the standard height for every 10 miles per hour of speed the boat can. Learn the correct height for your motor (with. Is there a formula to figure out how high to set your outboard engine on an engine [set back] bracket. The perfect mounting height will depend on. Outboard Motor Setup Height.
From www.crowleymarine.com
Setup Manual DF40, DF50 Outboard Motor Installation Crowley Marine Outboard Motor Setup Height Learn the correct height for your motor (with. The perfect mounting height will depend on a few factors, such as the size and weight of your boat, the style of your motor, and the type of water. Proper outboard motor height on the transom is crucial to bring optimal performance. According to marinepartsman.com, the outboard can be raised 1 inch. Outboard Motor Setup Height.
From www.epropulsion.com
Outboard Motor Height Easiest Way to Find Correct Height & Height Outboard Motor Setup Height Is there a formula to figure out how high to set your outboard engine on an engine [set back] bracket. The mounting height depends on many factors, the most important of which are the type of hull, the propeller and its distance from the bottom of the transom and the boat’s intended use. The perfect mounting height will depend on. Outboard Motor Setup Height.
From www.crowleymarine.com
Setup Manual DF60A, DF40A, DF50A Outboard Motor Installation Crowley Outboard Motor Setup Height Proper outboard motor height on the transom is crucial to bring optimal performance. In this article we will see how much influence moving the outboard down one hole in the mounting bracket has on a boat’s performance. According to marinepartsman.com, the outboard can be raised 1 inch above the standard height for every 10 miles per hour of speed the. Outboard Motor Setup Height.
From www.youtube.com
How to Mount an Outboard Set Height Correctly and Rig Boston Whaler Outboard Motor Setup Height Find a straight edge that is around 8′. The perfect mounting height will depend on a few factors, such as the size and weight of your boat, the style of your motor, and the type of water. Proper outboard motor height on the transom is crucial to bring optimal performance. Is there a formula to figure out how high to. Outboard Motor Setup Height.
From www.crowleymarine.com
Setup Manual DF140A, DF115A Outboard Motor Installation Crowley Marine Outboard Motor Setup Height Find a straight edge that is around 8′. Learn the correct height for your motor (with. According to marinepartsman.com, the outboard can be raised 1 inch above the standard height for every 10 miles per hour of speed the boat can. Proper outboard motor height on the transom is crucial to bring optimal performance. Is there a formula to figure. Outboard Motor Setup Height.
From www.obparts.com
Marine Tech Tips Boost Speed with Outboard Engine Height Adjustments Outboard Motor Setup Height The perfect mounting height will depend on a few factors, such as the size and weight of your boat, the style of your motor, and the type of water. Learn the correct height for your motor (with. Find a straight edge that is around 8′. The mounting height depends on many factors, the most important of which are the type. Outboard Motor Setup Height.
From bigd.mt
How to install an outboard engine? Big D® Outboard Motor Setup Height According to marinepartsman.com, the outboard can be raised 1 inch above the standard height for every 10 miles per hour of speed the boat can. Say your outboard sits one. Learn the correct height for your motor (with. The mounting height depends on many factors, the most important of which are the type of hull, the propeller and its distance. Outboard Motor Setup Height.
From www.crowleymarine.com
Setup Manual DF300, DF300AP Outboard Motor Installation Crowley Marine Outboard Motor Setup Height Learn the correct height for your motor (with. In this article we will see how much influence moving the outboard down one hole in the mounting bracket has on a boat’s performance. Find a straight edge that is around 8′. The mounting height depends on many factors, the most important of which are the type of hull, the propeller and. Outboard Motor Setup Height.
From www.crowleymarine.com
Setup Manual DF25A, DF30A Outboard Motor Installation [Motor Dimensions Outboard Motor Setup Height The perfect mounting height will depend on a few factors, such as the size and weight of your boat, the style of your motor, and the type of water. Learn the correct height for your motor (with. Say your outboard sits one. Proper outboard motor height on the transom is crucial to bring optimal performance. According to marinepartsman.com, the outboard. Outboard Motor Setup Height.