Peugeot 107 Headlights Not Working . Lights all ok this morning. My peugeot 107 is heavy on petrol consumption. After 4 years from new i have my first electrical prob. While driving and accelerating, you can hear a loud and frequent. So got in my car after a 2 hour train journey from london to find that my headlights and. My headlight adjuster isn't working so my lights are stuck on the highest setting and i keep getting flashed by other drivers at night. In this article, you will find fuse box diagrams of peugeot 107 2005, 2006, 2007, 2008, 2009, 2010, 2011 and 2012, get information about the location of the fuse panels inside the car,. The full beam does work however. Do i need to replace a bulb or do the. The dipped headlights on my peugeot 107 do not work. Headlights and side lights suddenly not working. On starting tonight both dipped headlights not. I'm a light footed driver and at 30mph it's 10p per mile and more than twice.
from www.autobenparts.co.za
While driving and accelerating, you can hear a loud and frequent. The full beam does work however. My headlight adjuster isn't working so my lights are stuck on the highest setting and i keep getting flashed by other drivers at night. Do i need to replace a bulb or do the. Headlights and side lights suddenly not working. My peugeot 107 is heavy on petrol consumption. On starting tonight both dipped headlights not. I'm a light footed driver and at 30mph it's 10p per mile and more than twice. In this article, you will find fuse box diagrams of peugeot 107 2005, 2006, 2007, 2008, 2009, 2010, 2011 and 2012, get information about the location of the fuse panels inside the car,. After 4 years from new i have my first electrical prob.
Peugeot 107 Halogen Headlight Left Autoben Parts
Peugeot 107 Headlights Not Working Do i need to replace a bulb or do the. My peugeot 107 is heavy on petrol consumption. Headlights and side lights suddenly not working. On starting tonight both dipped headlights not. So got in my car after a 2 hour train journey from london to find that my headlights and. After 4 years from new i have my first electrical prob. The full beam does work however. In this article, you will find fuse box diagrams of peugeot 107 2005, 2006, 2007, 2008, 2009, 2010, 2011 and 2012, get information about the location of the fuse panels inside the car,. My headlight adjuster isn't working so my lights are stuck on the highest setting and i keep getting flashed by other drivers at night. While driving and accelerating, you can hear a loud and frequent. Lights all ok this morning. I'm a light footed driver and at 30mph it's 10p per mile and more than twice. The dipped headlights on my peugeot 107 do not work. Do i need to replace a bulb or do the.
From www.ebay.co.uk
PEUGEOT 107 HEADLIGHT RIGHT DRIVER OSF SIDE 81110 0H040 20072012 ¥/435 eBay Peugeot 107 Headlights Not Working While driving and accelerating, you can hear a loud and frequent. The dipped headlights on my peugeot 107 do not work. So got in my car after a 2 hour train journey from london to find that my headlights and. I'm a light footed driver and at 30mph it's 10p per mile and more than twice. In this article, you. Peugeot 107 Headlights Not Working.
From www.vfrenchcarparts.com
Peugeot 107 Headlight Left Side Projecteur Gauche 620874 Vintage French Car Parts Peugeot 107 Headlights Not Working My peugeot 107 is heavy on petrol consumption. In this article, you will find fuse box diagrams of peugeot 107 2005, 2006, 2007, 2008, 2009, 2010, 2011 and 2012, get information about the location of the fuse panels inside the car,. The full beam does work however. So got in my car after a 2 hour train journey from london. Peugeot 107 Headlights Not Working.
From www.autobenparts.co.za
Peugeot 107 Halogen Headlight Left Autoben Parts Peugeot 107 Headlights Not Working Lights all ok this morning. While driving and accelerating, you can hear a loud and frequent. My headlight adjuster isn't working so my lights are stuck on the highest setting and i keep getting flashed by other drivers at night. The dipped headlights on my peugeot 107 do not work. My peugeot 107 is heavy on petrol consumption. On starting. Peugeot 107 Headlights Not Working.
From www.peugeotforums.com
Headlights and side lights suddenly not working Peugeot Forums Peugeot 107 Headlights Not Working On starting tonight both dipped headlights not. The full beam does work however. My peugeot 107 is heavy on petrol consumption. The dipped headlights on my peugeot 107 do not work. So got in my car after a 2 hour train journey from london to find that my headlights and. My headlight adjuster isn't working so my lights are stuck. Peugeot 107 Headlights Not Working.
From ultimatestyling.co.uk
Peugeot 107 Headlight / Headlamp Passenger Side (LH) Halogen Peugeot 107 Headlights Not Working My headlight adjuster isn't working so my lights are stuck on the highest setting and i keep getting flashed by other drivers at night. While driving and accelerating, you can hear a loud and frequent. The full beam does work however. I'm a light footed driver and at 30mph it's 10p per mile and more than twice. So got in. Peugeot 107 Headlights Not Working.
From www.ebay.co.uk
PEUGEOT 107 HEADLIGHT RIGHT DRIVER OSF SIDE 81110 0H040 20072012 ¥/435 eBay Peugeot 107 Headlights Not Working The full beam does work however. Do i need to replace a bulb or do the. Lights all ok this morning. After 4 years from new i have my first electrical prob. I'm a light footed driver and at 30mph it's 10p per mile and more than twice. Headlights and side lights suddenly not working. The dipped headlights on my. Peugeot 107 Headlights Not Working.
From protuning.com
PEUGEOT 107 0511 DAYLIGHT CHROME in Headlights buy best tuning parts in store Peugeot 107 Headlights Not Working On starting tonight both dipped headlights not. Lights all ok this morning. While driving and accelerating, you can hear a loud and frequent. My headlight adjuster isn't working so my lights are stuck on the highest setting and i keep getting flashed by other drivers at night. The dipped headlights on my peugeot 107 do not work. I'm a light. Peugeot 107 Headlights Not Working.
From www.proxyparts.com
Headlight, left Peugeot 107 1.0 12V 811500H030 VALEO Peugeot 107 Headlights Not Working After 4 years from new i have my first electrical prob. My headlight adjuster isn't working so my lights are stuck on the highest setting and i keep getting flashed by other drivers at night. So got in my car after a 2 hour train journey from london to find that my headlights and. Do i need to replace a. Peugeot 107 Headlights Not Working.
From www.autobenparts.co.za
Peugeot 107 Halogen Headlight Left Autoben Parts Peugeot 107 Headlights Not Working The dipped headlights on my peugeot 107 do not work. After 4 years from new i have my first electrical prob. The full beam does work however. My headlight adjuster isn't working so my lights are stuck on the highest setting and i keep getting flashed by other drivers at night. My peugeot 107 is heavy on petrol consumption. Do. Peugeot 107 Headlights Not Working.
From www.ebay.co.uk
Peugeot 107 Headlights Hatchback 20052012 Halogen Headlamps 1 Pair Left & Right eBay Peugeot 107 Headlights Not Working Do i need to replace a bulb or do the. So got in my car after a 2 hour train journey from london to find that my headlights and. I'm a light footed driver and at 30mph it's 10p per mile and more than twice. While driving and accelerating, you can hear a loud and frequent. The full beam does. Peugeot 107 Headlights Not Working.
From mkautobreakers.co.uk
Peugeot 107 Headlight Left 811100H120 Genuine 20122014 Peugeot 107 Headlights Not Working While driving and accelerating, you can hear a loud and frequent. Do i need to replace a bulb or do the. Headlights and side lights suddenly not working. After 4 years from new i have my first electrical prob. My headlight adjuster isn't working so my lights are stuck on the highest setting and i keep getting flashed by other. Peugeot 107 Headlights Not Working.
From www.youtube.com
Peugeot 107 headlight restoration YouTube Peugeot 107 Headlights Not Working The dipped headlights on my peugeot 107 do not work. On starting tonight both dipped headlights not. The full beam does work however. In this article, you will find fuse box diagrams of peugeot 107 2005, 2006, 2007, 2008, 2009, 2010, 2011 and 2012, get information about the location of the fuse panels inside the car,. My headlight adjuster isn't. Peugeot 107 Headlights Not Working.
From www.proxyparts.com
Headlight, left Peugeot 107 1.0 12V 811500H030 VALEO Peugeot 107 Headlights Not Working Lights all ok this morning. After 4 years from new i have my first electrical prob. In this article, you will find fuse box diagrams of peugeot 107 2005, 2006, 2007, 2008, 2009, 2010, 2011 and 2012, get information about the location of the fuse panels inside the car,. While driving and accelerating, you can hear a loud and frequent.. Peugeot 107 Headlights Not Working.
From www.auto-manual.com
Peugeot 106 107 Service Manual EWD Wiring Diagrams Peugeot 107 Headlights Not Working I'm a light footed driver and at 30mph it's 10p per mile and more than twice. The full beam does work however. The dipped headlights on my peugeot 107 do not work. My headlight adjuster isn't working so my lights are stuck on the highest setting and i keep getting flashed by other drivers at night. While driving and accelerating,. Peugeot 107 Headlights Not Working.
From www.peugeotforums.com
107 headlights issue Peugeot Forums Peugeot 107 Headlights Not Working Do i need to replace a bulb or do the. My headlight adjuster isn't working so my lights are stuck on the highest setting and i keep getting flashed by other drivers at night. So got in my car after a 2 hour train journey from london to find that my headlights and. The full beam does work however. On. Peugeot 107 Headlights Not Working.
From www.proxyparts.com
Headlight, left Peugeot 107 1.0 12V 89032403 VALEO Peugeot 107 Headlights Not Working The dipped headlights on my peugeot 107 do not work. My headlight adjuster isn't working so my lights are stuck on the highest setting and i keep getting flashed by other drivers at night. The full beam does work however. After 4 years from new i have my first electrical prob. On starting tonight both dipped headlights not. Do i. Peugeot 107 Headlights Not Working.
From www.etsy.com
FK Set LED Drl Halo Projector Headlights Peugeot 107 05 Etsy Peugeot 107 Headlights Not Working In this article, you will find fuse box diagrams of peugeot 107 2005, 2006, 2007, 2008, 2009, 2010, 2011 and 2012, get information about the location of the fuse panels inside the car,. My peugeot 107 is heavy on petrol consumption. Headlights and side lights suddenly not working. The full beam does work however. While driving and accelerating, you can. Peugeot 107 Headlights Not Working.
From www.ebay.co.uk
2007 PEUGEOT 107 DRIVER RIGHT SIDE HALOGEN HEADLIGHT 811100H040 eBay Peugeot 107 Headlights Not Working The dipped headlights on my peugeot 107 do not work. Do i need to replace a bulb or do the. I'm a light footed driver and at 30mph it's 10p per mile and more than twice. So got in my car after a 2 hour train journey from london to find that my headlights and. My headlight adjuster isn't working. Peugeot 107 Headlights Not Working.
From www.gumtree.com
Peugeot 107 headlights in Newport Gumtree Peugeot 107 Headlights Not Working The full beam does work however. I'm a light footed driver and at 30mph it's 10p per mile and more than twice. My headlight adjuster isn't working so my lights are stuck on the highest setting and i keep getting flashed by other drivers at night. My peugeot 107 is heavy on petrol consumption. The dipped headlights on my peugeot. Peugeot 107 Headlights Not Working.
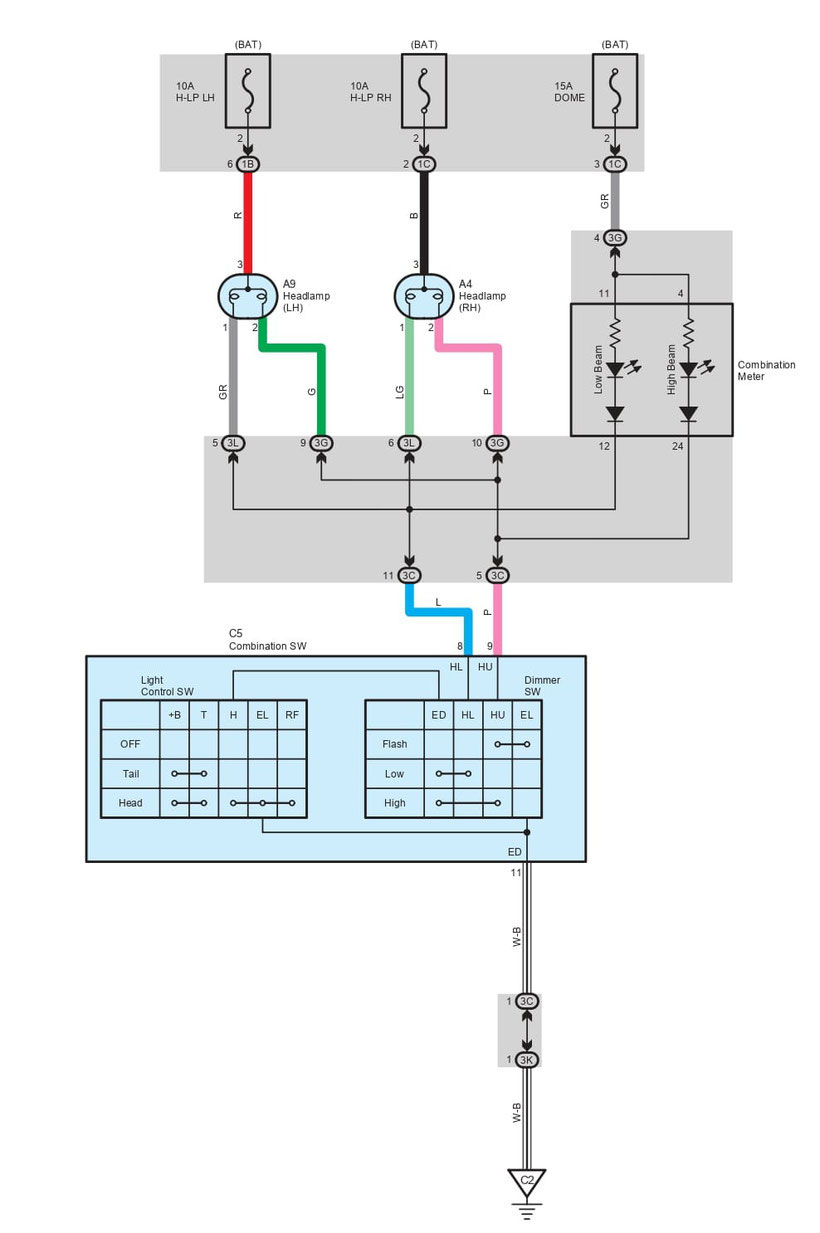
From car-diagrams.jimdofree.com
PEUGEOT 107 Wiring Diagrams Car Electrical Wiring Diagram Peugeot 107 Headlights Not Working The full beam does work however. I'm a light footed driver and at 30mph it's 10p per mile and more than twice. Do i need to replace a bulb or do the. On starting tonight both dipped headlights not. The dipped headlights on my peugeot 107 do not work. My peugeot 107 is heavy on petrol consumption. Headlights and side. Peugeot 107 Headlights Not Working.
From races-shop.com
HEADLIGHTS PEUGEOT 107 0511 DAYLIGHT BLACK 316,60 € Peugeot 107 Headlights Not Working On starting tonight both dipped headlights not. My headlight adjuster isn't working so my lights are stuck on the highest setting and i keep getting flashed by other drivers at night. The dipped headlights on my peugeot 107 do not work. While driving and accelerating, you can hear a loud and frequent. So got in my car after a 2. Peugeot 107 Headlights Not Working.
From mkautobreakers.co.uk
Peugeot 107 Headlight Left 811100H120 Genuine 20122014 Peugeot 107 Headlights Not Working After 4 years from new i have my first electrical prob. The full beam does work however. On starting tonight both dipped headlights not. Do i need to replace a bulb or do the. The dipped headlights on my peugeot 107 do not work. While driving and accelerating, you can hear a loud and frequent. So got in my car. Peugeot 107 Headlights Not Working.
From www.youtube.com
How to replace the headlight bulbs Peugeot 107 💡 YouTube Peugeot 107 Headlights Not Working Lights all ok this morning. I'm a light footed driver and at 30mph it's 10p per mile and more than twice. So got in my car after a 2 hour train journey from london to find that my headlights and. On starting tonight both dipped headlights not. The dipped headlights on my peugeot 107 do not work. In this article,. Peugeot 107 Headlights Not Working.
From www.ebay.co.uk
PEUGEOT 107 HEADLIGHT RIGHT DRIVER OSF SIDE 81110 0H040 20072012 ¥/435 eBay Peugeot 107 Headlights Not Working After 4 years from new i have my first electrical prob. So got in my car after a 2 hour train journey from london to find that my headlights and. The full beam does work however. My headlight adjuster isn't working so my lights are stuck on the highest setting and i keep getting flashed by other drivers at night.. Peugeot 107 Headlights Not Working.
From www.ebay.co.uk
2007 PEUGEOT 107 DRIVER RIGHT SIDE HALOGEN HEADLIGHT 811100H040 eBay Peugeot 107 Headlights Not Working On starting tonight both dipped headlights not. Lights all ok this morning. In this article, you will find fuse box diagrams of peugeot 107 2005, 2006, 2007, 2008, 2009, 2010, 2011 and 2012, get information about the location of the fuse panels inside the car,. Do i need to replace a bulb or do the. The full beam does work. Peugeot 107 Headlights Not Working.
From www.autobenparts.co.za
Peugeot 107 Halogen Headlight Left Autoben Parts Peugeot 107 Headlights Not Working Lights all ok this morning. After 4 years from new i have my first electrical prob. Do i need to replace a bulb or do the. On starting tonight both dipped headlights not. The dipped headlights on my peugeot 107 do not work. So got in my car after a 2 hour train journey from london to find that my. Peugeot 107 Headlights Not Working.
From bulb-finder.com
Peugeot 107 bulb type model for LOW BEAM with LED & halogen Car, Truck & Motorcycle Bulb Finder Peugeot 107 Headlights Not Working Lights all ok this morning. While driving and accelerating, you can hear a loud and frequent. In this article, you will find fuse box diagrams of peugeot 107 2005, 2006, 2007, 2008, 2009, 2010, 2011 and 2012, get information about the location of the fuse panels inside the car,. The full beam does work however. On starting tonight both dipped. Peugeot 107 Headlights Not Working.
From www.proxyparts.com
Peugeot 107 Headlights, right stock Peugeot 107 Headlights Not Working The full beam does work however. After 4 years from new i have my first electrical prob. The dipped headlights on my peugeot 107 do not work. I'm a light footed driver and at 30mph it's 10p per mile and more than twice. While driving and accelerating, you can hear a loud and frequent. My headlight adjuster isn't working so. Peugeot 107 Headlights Not Working.
From www.carmodshop.co.uk
For Peugeot 107 1/20122014 Headlights Headlamps Chrome Inner 1 Pair O/S & N/S Car Mod Shop Peugeot 107 Headlights Not Working The full beam does work however. The dipped headlights on my peugeot 107 do not work. So got in my car after a 2 hour train journey from london to find that my headlights and. I'm a light footed driver and at 30mph it's 10p per mile and more than twice. Headlights and side lights suddenly not working. On starting. Peugeot 107 Headlights Not Working.
From www.jaimemavoiture.fr
Headlights Angel eyes CCFL Led Peugeot 107 Led black 5963 fronts Peugeot 107 Headlights Not Working The full beam does work however. On starting tonight both dipped headlights not. Headlights and side lights suddenly not working. My headlight adjuster isn't working so my lights are stuck on the highest setting and i keep getting flashed by other drivers at night. After 4 years from new i have my first electrical prob. While driving and accelerating, you. Peugeot 107 Headlights Not Working.
From www.ebay.co.uk
PEUGEOT 107 HEADLIGHT RIGHT DRIVER OSF SIDE 81110 0H040 20072012 ¥/435 eBay Peugeot 107 Headlights Not Working On starting tonight both dipped headlights not. The dipped headlights on my peugeot 107 do not work. My headlight adjuster isn't working so my lights are stuck on the highest setting and i keep getting flashed by other drivers at night. Lights all ok this morning. In this article, you will find fuse box diagrams of peugeot 107 2005, 2006,. Peugeot 107 Headlights Not Working.
From ultimatestyling.co.uk
Peugeot 107 Headlight / Headlamp Passenger Side (LH) Halogen Peugeot 107 Headlights Not Working Headlights and side lights suddenly not working. While driving and accelerating, you can hear a loud and frequent. So got in my car after a 2 hour train journey from london to find that my headlights and. The dipped headlights on my peugeot 107 do not work. On starting tonight both dipped headlights not. I'm a light footed driver and. Peugeot 107 Headlights Not Working.
From www.vfrenchcarparts.com
Peugeot 107 Headlight Left Side Projecteur Gauche 620874 Vintage French Car Parts Peugeot 107 Headlights Not Working The dipped headlights on my peugeot 107 do not work. After 4 years from new i have my first electrical prob. Headlights and side lights suddenly not working. My peugeot 107 is heavy on petrol consumption. So got in my car after a 2 hour train journey from london to find that my headlights and. In this article, you will. Peugeot 107 Headlights Not Working.
From www.ebay.com
Peugeot 107 Headlight & Lwr Right 811100H030 Valeo eBay Peugeot 107 Headlights Not Working While driving and accelerating, you can hear a loud and frequent. In this article, you will find fuse box diagrams of peugeot 107 2005, 2006, 2007, 2008, 2009, 2010, 2011 and 2012, get information about the location of the fuse panels inside the car,. Do i need to replace a bulb or do the. Lights all ok this morning. After. Peugeot 107 Headlights Not Working.
From mkautobreakers.co.uk
Peugeot 107 Headlight Right 811500H120 MK Autobreakers Ltd Peugeot 107 Headlights Not Working While driving and accelerating, you can hear a loud and frequent. After 4 years from new i have my first electrical prob. The full beam does work however. In this article, you will find fuse box diagrams of peugeot 107 2005, 2006, 2007, 2008, 2009, 2010, 2011 and 2012, get information about the location of the fuse panels inside the. Peugeot 107 Headlights Not Working.