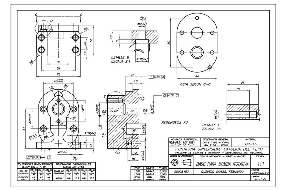
Gear Pump Body Inventor . The first picture is the model without rendering,. 2d drawing view, 2d to 3d, autodesk inventor, autodesk. Some of the parts are a bit more challenging than others, but none of. The sixth model from an exercise book for autodesk inventor is a gear pump body. Gear pump body (video tutorial) autodesk inventor 2012. Studycadcam 3d cad exercise 227 / 291 gear pump body autodesk inventor pro. Within this tutorial is an image, where you would find the exercise blueprint and dimensions. Practice with autodesk inventor (or any 3d cad package for that matter).
from www.youtube.com
The sixth model from an exercise book for autodesk inventor is a gear pump body. Practice with autodesk inventor (or any 3d cad package for that matter). 2d drawing view, 2d to 3d, autodesk inventor, autodesk. Some of the parts are a bit more challenging than others, but none of. Studycadcam 3d cad exercise 227 / 291 gear pump body autodesk inventor pro. Within this tutorial is an image, where you would find the exercise blueprint and dimensions. Gear pump body (video tutorial) autodesk inventor 2012. The first picture is the model without rendering,.
Inventory Gear Pump Body Design YouTube
Gear Pump Body Inventor The first picture is the model without rendering,. The sixth model from an exercise book for autodesk inventor is a gear pump body. Some of the parts are a bit more challenging than others, but none of. Practice with autodesk inventor (or any 3d cad package for that matter). Studycadcam 3d cad exercise 227 / 291 gear pump body autodesk inventor pro. 2d drawing view, 2d to 3d, autodesk inventor, autodesk. Gear pump body (video tutorial) autodesk inventor 2012. Within this tutorial is an image, where you would find the exercise blueprint and dimensions. The first picture is the model without rendering,.
From www.youtube.com
How does a gear pump work? YouTube Gear Pump Body Inventor The first picture is the model without rendering,. 2d drawing view, 2d to 3d, autodesk inventor, autodesk. Gear pump body (video tutorial) autodesk inventor 2012. Within this tutorial is an image, where you would find the exercise blueprint and dimensions. Some of the parts are a bit more challenging than others, but none of. The sixth model from an exercise. Gear Pump Body Inventor.
From www.youtube.com
5) Gear pump body designing in solidworks YouTube Gear Pump Body Inventor Practice with autodesk inventor (or any 3d cad package for that matter). The first picture is the model without rendering,. Gear pump body (video tutorial) autodesk inventor 2012. 2d drawing view, 2d to 3d, autodesk inventor, autodesk. Some of the parts are a bit more challenging than others, but none of. Studycadcam 3d cad exercise 227 / 291 gear pump. Gear Pump Body Inventor.
From www.youtube.com
Gear Pump (Autodesk Inventor 2016) YouTube Gear Pump Body Inventor Gear pump body (video tutorial) autodesk inventor 2012. Studycadcam 3d cad exercise 227 / 291 gear pump body autodesk inventor pro. Practice with autodesk inventor (or any 3d cad package for that matter). The sixth model from an exercise book for autodesk inventor is a gear pump body. The first picture is the model without rendering,. 2d drawing view, 2d. Gear Pump Body Inventor.
From www.youtube.com
Gear Pump Body YouTube Gear Pump Body Inventor Within this tutorial is an image, where you would find the exercise blueprint and dimensions. Gear pump body (video tutorial) autodesk inventor 2012. Some of the parts are a bit more challenging than others, but none of. 2d drawing view, 2d to 3d, autodesk inventor, autodesk. Studycadcam 3d cad exercise 227 / 291 gear pump body autodesk inventor pro. The. Gear Pump Body Inventor.
From www.youtube.com
Inventor 2020 Practice Exercise 6 Gear Pump Body YouTube Gear Pump Body Inventor Practice with autodesk inventor (or any 3d cad package for that matter). 2d drawing view, 2d to 3d, autodesk inventor, autodesk. Studycadcam 3d cad exercise 227 / 291 gear pump body autodesk inventor pro. Some of the parts are a bit more challenging than others, but none of. The sixth model from an exercise book for autodesk inventor is a. Gear Pump Body Inventor.
From www.youtube.com
Gear Pump Working, Types, Application, Advantages and Disadvantages Gear Pump Body Inventor The sixth model from an exercise book for autodesk inventor is a gear pump body. 2d drawing view, 2d to 3d, autodesk inventor, autodesk. Studycadcam 3d cad exercise 227 / 291 gear pump body autodesk inventor pro. Practice with autodesk inventor (or any 3d cad package for that matter). Within this tutorial is an image, where you would find the. Gear Pump Body Inventor.
From www.researchgate.net
Exploded view of an external gear pump (a) components of a pump Gear Pump Body Inventor 2d drawing view, 2d to 3d, autodesk inventor, autodesk. Studycadcam 3d cad exercise 227 / 291 gear pump body autodesk inventor pro. Some of the parts are a bit more challenging than others, but none of. Gear pump body (video tutorial) autodesk inventor 2012. The first picture is the model without rendering,. Within this tutorial is an image, where you. Gear Pump Body Inventor.
From www.youtube.com
Gear Pump Body Solidworks SOLIDWORKS DRAWING TUTORIAL 94 YouTube Gear Pump Body Inventor Studycadcam 3d cad exercise 227 / 291 gear pump body autodesk inventor pro. The first picture is the model without rendering,. Practice with autodesk inventor (or any 3d cad package for that matter). Some of the parts are a bit more challenging than others, but none of. 2d drawing view, 2d to 3d, autodesk inventor, autodesk. Within this tutorial is. Gear Pump Body Inventor.
From www.youtube.com
(문제도면 포함) 인벤터 연습 7/ gear pump body 만들기! / Inventor 연습 YouTube Gear Pump Body Inventor 2d drawing view, 2d to 3d, autodesk inventor, autodesk. Studycadcam 3d cad exercise 227 / 291 gear pump body autodesk inventor pro. Gear pump body (video tutorial) autodesk inventor 2012. Practice with autodesk inventor (or any 3d cad package for that matter). The sixth model from an exercise book for autodesk inventor is a gear pump body. Within this tutorial. Gear Pump Body Inventor.
From www.youtube.com
Gear Pump Body (5/20) YouTube Gear Pump Body Inventor The sixth model from an exercise book for autodesk inventor is a gear pump body. Some of the parts are a bit more challenging than others, but none of. The first picture is the model without rendering,. Practice with autodesk inventor (or any 3d cad package for that matter). Within this tutorial is an image, where you would find the. Gear Pump Body Inventor.
From www.youtube.com
Autodesk Inventor 2021 Tutorial E10 Centrifugal pump body YouTube Gear Pump Body Inventor The first picture is the model without rendering,. The sixth model from an exercise book for autodesk inventor is a gear pump body. Within this tutorial is an image, where you would find the exercise blueprint and dimensions. Some of the parts are a bit more challenging than others, but none of. Studycadcam 3d cad exercise 227 / 291 gear. Gear Pump Body Inventor.
From bezares.com
BEM/BEU Gear Pumps Mediumsized and highefficiency Gear Pump Gear Pump Body Inventor Gear pump body (video tutorial) autodesk inventor 2012. 2d drawing view, 2d to 3d, autodesk inventor, autodesk. The first picture is the model without rendering,. Studycadcam 3d cad exercise 227 / 291 gear pump body autodesk inventor pro. The sixth model from an exercise book for autodesk inventor is a gear pump body. Practice with autodesk inventor (or any 3d. Gear Pump Body Inventor.
From grabcad.com
Free CAD Designs, Files & 3D Models The GrabCAD Community Library Gear Pump Body Inventor Studycadcam 3d cad exercise 227 / 291 gear pump body autodesk inventor pro. Within this tutorial is an image, where you would find the exercise blueprint and dimensions. Gear pump body (video tutorial) autodesk inventor 2012. Some of the parts are a bit more challenging than others, but none of. Practice with autodesk inventor (or any 3d cad package for. Gear Pump Body Inventor.
From grabcad.com
New approach in designing and modelling an Oil pump using Inventor 2016 Gear Pump Body Inventor Studycadcam 3d cad exercise 227 / 291 gear pump body autodesk inventor pro. Some of the parts are a bit more challenging than others, but none of. Gear pump body (video tutorial) autodesk inventor 2012. The sixth model from an exercise book for autodesk inventor is a gear pump body. Practice with autodesk inventor (or any 3d cad package for. Gear Pump Body Inventor.
From www.youtube.com
Autodesk Inventor 2012 gear pump body tutorial YouTube Gear Pump Body Inventor The sixth model from an exercise book for autodesk inventor is a gear pump body. Within this tutorial is an image, where you would find the exercise blueprint and dimensions. 2d drawing view, 2d to 3d, autodesk inventor, autodesk. The first picture is the model without rendering,. Gear pump body (video tutorial) autodesk inventor 2012. Some of the parts are. Gear Pump Body Inventor.
From www.youtube.com
GEAR PUMP BASE in Autodesk Inventor YouTube Gear Pump Body Inventor The first picture is the model without rendering,. Studycadcam 3d cad exercise 227 / 291 gear pump body autodesk inventor pro. Practice with autodesk inventor (or any 3d cad package for that matter). Within this tutorial is an image, where you would find the exercise blueprint and dimensions. 2d drawing view, 2d to 3d, autodesk inventor, autodesk. Gear pump body. Gear Pump Body Inventor.
From www.hydraulic-calculation.com
How does a gear pump work? Gear Pump Body Inventor The sixth model from an exercise book for autodesk inventor is a gear pump body. Studycadcam 3d cad exercise 227 / 291 gear pump body autodesk inventor pro. 2d drawing view, 2d to 3d, autodesk inventor, autodesk. Within this tutorial is an image, where you would find the exercise blueprint and dimensions. Some of the parts are a bit more. Gear Pump Body Inventor.
From www.youtube.com
Gear Pump Body (Video Tutorial) Autodesk Inventor YouTube Gear Pump Body Inventor The sixth model from an exercise book for autodesk inventor is a gear pump body. Practice with autodesk inventor (or any 3d cad package for that matter). Within this tutorial is an image, where you would find the exercise blueprint and dimensions. Some of the parts are a bit more challenging than others, but none of. Studycadcam 3d cad exercise. Gear Pump Body Inventor.
From grabcad.com
How to model a Centrifugal Pump Body (Spiral construction) using Gear Pump Body Inventor The sixth model from an exercise book for autodesk inventor is a gear pump body. Some of the parts are a bit more challenging than others, but none of. Gear pump body (video tutorial) autodesk inventor 2012. Practice with autodesk inventor (or any 3d cad package for that matter). Studycadcam 3d cad exercise 227 / 291 gear pump body autodesk. Gear Pump Body Inventor.
From www.youtube.com
Gear Pump Body Practice Exercise Drawing Sheet by Creo Parametric Gear Pump Body Inventor Gear pump body (video tutorial) autodesk inventor 2012. Practice with autodesk inventor (or any 3d cad package for that matter). The sixth model from an exercise book for autodesk inventor is a gear pump body. Some of the parts are a bit more challenging than others, but none of. 2d drawing view, 2d to 3d, autodesk inventor, autodesk. Studycadcam 3d. Gear Pump Body Inventor.
From grabcad.com
Inventor 2020 Practice Exercise 6 Gear Pump Body GrabCAD Tutorials Gear Pump Body Inventor The sixth model from an exercise book for autodesk inventor is a gear pump body. Studycadcam 3d cad exercise 227 / 291 gear pump body autodesk inventor pro. The first picture is the model without rendering,. Gear pump body (video tutorial) autodesk inventor 2012. Practice with autodesk inventor (or any 3d cad package for that matter). Within this tutorial is. Gear Pump Body Inventor.
From www.youtube.com
Gear Pump Working Animation maintenance training YouTube Gear Pump Body Inventor Practice with autodesk inventor (or any 3d cad package for that matter). Studycadcam 3d cad exercise 227 / 291 gear pump body autodesk inventor pro. Within this tutorial is an image, where you would find the exercise blueprint and dimensions. 2d drawing view, 2d to 3d, autodesk inventor, autodesk. Gear pump body (video tutorial) autodesk inventor 2012. The first picture. Gear Pump Body Inventor.
From grabcad.com
Free CAD Designs, Files & 3D Models The GrabCAD Community Library Gear Pump Body Inventor Some of the parts are a bit more challenging than others, but none of. Studycadcam 3d cad exercise 227 / 291 gear pump body autodesk inventor pro. Gear pump body (video tutorial) autodesk inventor 2012. The sixth model from an exercise book for autodesk inventor is a gear pump body. The first picture is the model without rendering,. Practice with. Gear Pump Body Inventor.
From grabcad.com
Free CAD Designs, Files & 3D Models The GrabCAD Community Library Gear Pump Body Inventor Some of the parts are a bit more challenging than others, but none of. The sixth model from an exercise book for autodesk inventor is a gear pump body. Within this tutorial is an image, where you would find the exercise blueprint and dimensions. Studycadcam 3d cad exercise 227 / 291 gear pump body autodesk inventor pro. Practice with autodesk. Gear Pump Body Inventor.
From www.youtube.com
Hydraulic Gear Pump Inventor 2012 YouTube Gear Pump Body Inventor Gear pump body (video tutorial) autodesk inventor 2012. Practice with autodesk inventor (or any 3d cad package for that matter). Within this tutorial is an image, where you would find the exercise blueprint and dimensions. Some of the parts are a bit more challenging than others, but none of. 2d drawing view, 2d to 3d, autodesk inventor, autodesk. The sixth. Gear Pump Body Inventor.
From www.mr-cfd.com
Internal Gear Pump CFD Simulation, ANSYS Fluent Training MR CFD Gear Pump Body Inventor The first picture is the model without rendering,. 2d drawing view, 2d to 3d, autodesk inventor, autodesk. Within this tutorial is an image, where you would find the exercise blueprint and dimensions. Some of the parts are a bit more challenging than others, but none of. Gear pump body (video tutorial) autodesk inventor 2012. Practice with autodesk inventor (or any. Gear Pump Body Inventor.
From www.youtube.com
Autodesk inventor Tutorial for beginners how to make a gear pump body Gear Pump Body Inventor The sixth model from an exercise book for autodesk inventor is a gear pump body. Practice with autodesk inventor (or any 3d cad package for that matter). Some of the parts are a bit more challenging than others, but none of. The first picture is the model without rendering,. Studycadcam 3d cad exercise 227 / 291 gear pump body autodesk. Gear Pump Body Inventor.
From www.youtube.com
Gear Pump Body making in solidworks YouTube Gear Pump Body Inventor 2d drawing view, 2d to 3d, autodesk inventor, autodesk. Practice with autodesk inventor (or any 3d cad package for that matter). Within this tutorial is an image, where you would find the exercise blueprint and dimensions. Some of the parts are a bit more challenging than others, but none of. Gear pump body (video tutorial) autodesk inventor 2012. The first. Gear Pump Body Inventor.
From www.youtube.com
Gear Pump Body SolidEdge Tutorial YouTube Gear Pump Body Inventor Some of the parts are a bit more challenging than others, but none of. 2d drawing view, 2d to 3d, autodesk inventor, autodesk. Gear pump body (video tutorial) autodesk inventor 2012. Practice with autodesk inventor (or any 3d cad package for that matter). The first picture is the model without rendering,. The sixth model from an exercise book for autodesk. Gear Pump Body Inventor.
From www.btacia.co.th
SK001 Honor Gear Pump, Body Aluminium, Series 1AG & 2GG BTAC Gear Pump Body Inventor Within this tutorial is an image, where you would find the exercise blueprint and dimensions. Studycadcam 3d cad exercise 227 / 291 gear pump body autodesk inventor pro. The first picture is the model without rendering,. Some of the parts are a bit more challenging than others, but none of. 2d drawing view, 2d to 3d, autodesk inventor, autodesk. Gear. Gear Pump Body Inventor.
From www.youtube.com
Gear Pump Working Principle How does gear pump work? Gear Pump Gear Pump Body Inventor 2d drawing view, 2d to 3d, autodesk inventor, autodesk. Practice with autodesk inventor (or any 3d cad package for that matter). Studycadcam 3d cad exercise 227 / 291 gear pump body autodesk inventor pro. The sixth model from an exercise book for autodesk inventor is a gear pump body. The first picture is the model without rendering,. Some of the. Gear Pump Body Inventor.
From www.youtube.com
Gear Pump Body YouTube Gear Pump Body Inventor Some of the parts are a bit more challenging than others, but none of. 2d drawing view, 2d to 3d, autodesk inventor, autodesk. Gear pump body (video tutorial) autodesk inventor 2012. Practice with autodesk inventor (or any 3d cad package for that matter). The sixth model from an exercise book for autodesk inventor is a gear pump body. Studycadcam 3d. Gear Pump Body Inventor.
From www.youtube.com
Gear Pump Body in AutoCAD SparkCAD Mechanical YouTube Gear Pump Body Inventor Some of the parts are a bit more challenging than others, but none of. The sixth model from an exercise book for autodesk inventor is a gear pump body. Studycadcam 3d cad exercise 227 / 291 gear pump body autodesk inventor pro. 2d drawing view, 2d to 3d, autodesk inventor, autodesk. The first picture is the model without rendering,. Practice. Gear Pump Body Inventor.
From www.youtube.com
Inventory Gear Pump Body Design YouTube Gear Pump Body Inventor The first picture is the model without rendering,. Studycadcam 3d cad exercise 227 / 291 gear pump body autodesk inventor pro. The sixth model from an exercise book for autodesk inventor is a gear pump body. Gear pump body (video tutorial) autodesk inventor 2012. Some of the parts are a bit more challenging than others, but none of. 2d drawing. Gear Pump Body Inventor.
From www.linquip.com
QUICK GUIDE TYPES OF GEAR PUMPS Industrial Manufacturing Blog linquip Gear Pump Body Inventor 2d drawing view, 2d to 3d, autodesk inventor, autodesk. Studycadcam 3d cad exercise 227 / 291 gear pump body autodesk inventor pro. Practice with autodesk inventor (or any 3d cad package for that matter). Some of the parts are a bit more challenging than others, but none of. The first picture is the model without rendering,. Gear pump body (video. Gear Pump Body Inventor.