Wiring Outlet Brass Screw . Connect the black (hot) wire to the brass screw on the outlet. Learn how to wire up an electrical receptacle (wall plug or outlet) by connecting the black, white, and ground wires to the proper screws or clamps. Learn how to identify the hot side of an outlet by the gold screw terminals and how to wire an outlet in four simple steps. Typically, the black wire connects to the brass or darker screw, the white wire connects to the silver or lighter screw, and the green/bare wire connects to the grounding screw. Wire the secondary outlet as follows: A single cable and no load terminals to worry about, make it easier to wire. See examples of correct and incorrect wiring. The first wiring method involves connecting the power supply cable directly to a set of hot (brass) and neutral (silver) screw. Ensure the wire is wrapped clockwise around the screw for a secure connection, then tighten the screw. Connect the black wire to the brass screw on the terminal.
from schematiceremiticob8hi3.z13.web.core.windows.net
Learn how to wire up an electrical receptacle (wall plug or outlet) by connecting the black, white, and ground wires to the proper screws or clamps. Connect the black (hot) wire to the brass screw on the outlet. Wire the secondary outlet as follows: The first wiring method involves connecting the power supply cable directly to a set of hot (brass) and neutral (silver) screw. A single cable and no load terminals to worry about, make it easier to wire. Connect the black wire to the brass screw on the terminal. See examples of correct and incorrect wiring. Ensure the wire is wrapped clockwise around the screw for a secure connection, then tighten the screw. Learn how to identify the hot side of an outlet by the gold screw terminals and how to wire an outlet in four simple steps. Typically, the black wire connects to the brass or darker screw, the white wire connects to the silver or lighter screw, and the green/bare wire connects to the grounding screw.
Electrical Wiring Junction Box
Wiring Outlet Brass Screw The first wiring method involves connecting the power supply cable directly to a set of hot (brass) and neutral (silver) screw. Ensure the wire is wrapped clockwise around the screw for a secure connection, then tighten the screw. Wire the secondary outlet as follows: Connect the black wire to the brass screw on the terminal. A single cable and no load terminals to worry about, make it easier to wire. Learn how to wire up an electrical receptacle (wall plug or outlet) by connecting the black, white, and ground wires to the proper screws or clamps. The first wiring method involves connecting the power supply cable directly to a set of hot (brass) and neutral (silver) screw. See examples of correct and incorrect wiring. Learn how to identify the hot side of an outlet by the gold screw terminals and how to wire an outlet in four simple steps. Connect the black (hot) wire to the brass screw on the outlet. Typically, the black wire connects to the brass or darker screw, the white wire connects to the silver or lighter screw, and the green/bare wire connects to the grounding screw.
From boltworld.co.uk
M6 x 40mm Slotted Countersunk Machine Screw, Solid Brass, DIN 963 Wiring Outlet Brass Screw A single cable and no load terminals to worry about, make it easier to wire. Learn how to wire up an electrical receptacle (wall plug or outlet) by connecting the black, white, and ground wires to the proper screws or clamps. Wire the secondary outlet as follows: Ensure the wire is wrapped clockwise around the screw for a secure connection,. Wiring Outlet Brass Screw.
From eleccircs.com
Wiring Diagram for 4 Prong Stove Outlet Wiring Outlet Brass Screw Typically, the black wire connects to the brass or darker screw, the white wire connects to the silver or lighter screw, and the green/bare wire connects to the grounding screw. Learn how to identify the hot side of an outlet by the gold screw terminals and how to wire an outlet in four simple steps. Connect the black wire to. Wiring Outlet Brass Screw.
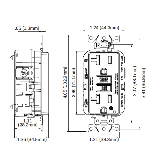
From www.leviton.com
GFNT2HFE Products Wiring Outlet Brass Screw See examples of correct and incorrect wiring. Connect the black (hot) wire to the brass screw on the outlet. Learn how to identify the hot side of an outlet by the gold screw terminals and how to wire an outlet in four simple steps. Connect the black wire to the brass screw on the terminal. A single cable and no. Wiring Outlet Brass Screw.
From www.ebay.com
Hillman Anchor Wire 1 In. 18 ga 1.5 Oz. Brass Plated Steel Escutcheon Wiring Outlet Brass Screw Connect the black wire to the brass screw on the terminal. See examples of correct and incorrect wiring. Connect the black (hot) wire to the brass screw on the outlet. Ensure the wire is wrapped clockwise around the screw for a secure connection, then tighten the screw. Learn how to wire up an electrical receptacle (wall plug or outlet) by. Wiring Outlet Brass Screw.
From printablefullbegad.z21.web.core.windows.net
Wiring A Plug From A Light Switch Wiring Outlet Brass Screw Typically, the black wire connects to the brass or darker screw, the white wire connects to the silver or lighter screw, and the green/bare wire connects to the grounding screw. A single cable and no load terminals to worry about, make it easier to wire. Connect the black wire to the brass screw on the terminal. Learn how to identify. Wiring Outlet Brass Screw.
From www.theartofdoingstuff.com
How to Replace an Electrical Outlet. Seriously, YOU can do this. Wiring Outlet Brass Screw A single cable and no load terminals to worry about, make it easier to wire. Learn how to wire up an electrical receptacle (wall plug or outlet) by connecting the black, white, and ground wires to the proper screws or clamps. Connect the black wire to the brass screw on the terminal. Wire the secondary outlet as follows: Typically, the. Wiring Outlet Brass Screw.
From schematiceremiticob8hi3.z13.web.core.windows.net
Electrical Wiring Junction Box Wiring Outlet Brass Screw See examples of correct and incorrect wiring. Ensure the wire is wrapped clockwise around the screw for a secure connection, then tighten the screw. Learn how to wire up an electrical receptacle (wall plug or outlet) by connecting the black, white, and ground wires to the proper screws or clamps. Connect the black (hot) wire to the brass screw on. Wiring Outlet Brass Screw.
From www.kyleswitchplates.com
Brass Screw Cap for Recessed Floor Receptacle Cover Allied Moulded Wiring Outlet Brass Screw The first wiring method involves connecting the power supply cable directly to a set of hot (brass) and neutral (silver) screw. Ensure the wire is wrapped clockwise around the screw for a secure connection, then tighten the screw. Learn how to identify the hot side of an outlet by the gold screw terminals and how to wire an outlet in. Wiring Outlet Brass Screw.
From www.cabtechqatar.com
Kunkle 0020D01 Bronze Safety Relief Valve Cabtech Qatar Wiring Outlet Brass Screw A single cable and no load terminals to worry about, make it easier to wire. Ensure the wire is wrapped clockwise around the screw for a secure connection, then tighten the screw. Learn how to wire up an electrical receptacle (wall plug or outlet) by connecting the black, white, and ground wires to the proper screws or clamps. The first. Wiring Outlet Brass Screw.
From richelectronics.co.uk
Electrical Outlet Screws Nickel Plated Brass M3.5x30mm 10 Pack MBE007M1 Wiring Outlet Brass Screw The first wiring method involves connecting the power supply cable directly to a set of hot (brass) and neutral (silver) screw. Typically, the black wire connects to the brass or darker screw, the white wire connects to the silver or lighter screw, and the green/bare wire connects to the grounding screw. Connect the black wire to the brass screw on. Wiring Outlet Brass Screw.
From publicism.info
Image Wiring Outlet Brass Screw Connect the black wire to the brass screw on the terminal. The first wiring method involves connecting the power supply cable directly to a set of hot (brass) and neutral (silver) screw. Connect the black (hot) wire to the brass screw on the outlet. Typically, the black wire connects to the brass or darker screw, the white wire connects to. Wiring Outlet Brass Screw.
From gioampiel.blob.core.windows.net
Power Outlet Receptacle at Jan Kiser blog Wiring Outlet Brass Screw A single cable and no load terminals to worry about, make it easier to wire. Ensure the wire is wrapped clockwise around the screw for a secure connection, then tighten the screw. The first wiring method involves connecting the power supply cable directly to a set of hot (brass) and neutral (silver) screw. Connect the black wire to the brass. Wiring Outlet Brass Screw.
From www.kyleswitchplates.com
Brass Screw Cap for Recessed Floor Receptacle Cover Allied Moulded Wiring Outlet Brass Screw Connect the black (hot) wire to the brass screw on the outlet. Learn how to identify the hot side of an outlet by the gold screw terminals and how to wire an outlet in four simple steps. Learn how to wire up an electrical receptacle (wall plug or outlet) by connecting the black, white, and ground wires to the proper. Wiring Outlet Brass Screw.
From publicism.info
Image Wiring Outlet Brass Screw Typically, the black wire connects to the brass or darker screw, the white wire connects to the silver or lighter screw, and the green/bare wire connects to the grounding screw. Ensure the wire is wrapped clockwise around the screw for a secure connection, then tighten the screw. Connect the black wire to the brass screw on the terminal. Wire the. Wiring Outlet Brass Screw.
From www.kyleswitchplates.com
4 Socket Floor Receptacles 15A Duplex Brass Cover Leviton Wiring Outlet Brass Screw Learn how to wire up an electrical receptacle (wall plug or outlet) by connecting the black, white, and ground wires to the proper screws or clamps. See examples of correct and incorrect wiring. Ensure the wire is wrapped clockwise around the screw for a secure connection, then tighten the screw. Typically, the black wire connects to the brass or darker. Wiring Outlet Brass Screw.
From www.theartofdoingstuff.com
How to Replace an Electrical Outlet. Seriously, YOU can do this. Wiring Outlet Brass Screw Connect the black (hot) wire to the brass screw on the outlet. Connect the black wire to the brass screw on the terminal. Ensure the wire is wrapped clockwise around the screw for a secure connection, then tighten the screw. See examples of correct and incorrect wiring. Wire the secondary outlet as follows: The first wiring method involves connecting the. Wiring Outlet Brass Screw.
From giojorujv.blob.core.windows.net
How To Remove An Old Outlet Box at Carol Sharkey blog Wiring Outlet Brass Screw Connect the black wire to the brass screw on the terminal. Learn how to identify the hot side of an outlet by the gold screw terminals and how to wire an outlet in four simple steps. The first wiring method involves connecting the power supply cable directly to a set of hot (brass) and neutral (silver) screw. Learn how to. Wiring Outlet Brass Screw.
From www.capitalelectricsupply.com
Arlington FLBC4580MB Recessed Concrete Floor Box Cover Kit, Low Voltage Wiring Outlet Brass Screw Connect the black wire to the brass screw on the terminal. A single cable and no load terminals to worry about, make it easier to wire. Connect the black (hot) wire to the brass screw on the outlet. The first wiring method involves connecting the power supply cable directly to a set of hot (brass) and neutral (silver) screw. Ensure. Wiring Outlet Brass Screw.
From www.theartofdoingstuff.com
How to Replace an Electrical Outlet. Seriously, YOU can do this. Wiring Outlet Brass Screw Wire the secondary outlet as follows: Learn how to wire up an electrical receptacle (wall plug or outlet) by connecting the black, white, and ground wires to the proper screws or clamps. Connect the black wire to the brass screw on the terminal. Ensure the wire is wrapped clockwise around the screw for a secure connection, then tighten the screw.. Wiring Outlet Brass Screw.
From schematicfixsecures.z21.web.core.windows.net
Receptacle Outlet Box Wiring Outlet Brass Screw Learn how to identify the hot side of an outlet by the gold screw terminals and how to wire an outlet in four simple steps. See examples of correct and incorrect wiring. Learn how to wire up an electrical receptacle (wall plug or outlet) by connecting the black, white, and ground wires to the proper screws or clamps. A single. Wiring Outlet Brass Screw.
From exyqrxyer.blob.core.windows.net
How To Run An Electrical Outlet From An Existing One at Lori Cade blog Wiring Outlet Brass Screw Learn how to wire up an electrical receptacle (wall plug or outlet) by connecting the black, white, and ground wires to the proper screws or clamps. Connect the black wire to the brass screw on the terminal. Connect the black (hot) wire to the brass screw on the outlet. The first wiring method involves connecting the power supply cable directly. Wiring Outlet Brass Screw.
From manuallistcantabank.z21.web.core.windows.net
What Is 2way Switch And 3way Switch Wiring Outlet Brass Screw Learn how to identify the hot side of an outlet by the gold screw terminals and how to wire an outlet in four simple steps. Learn how to wire up an electrical receptacle (wall plug or outlet) by connecting the black, white, and ground wires to the proper screws or clamps. Typically, the black wire connects to the brass or. Wiring Outlet Brass Screw.
From manuallistcantabank.z21.web.core.windows.net
Wiring 15 Amp 240v Electrical Outlet Wiring Outlet Brass Screw Wire the secondary outlet as follows: Connect the black wire to the brass screw on the terminal. Typically, the black wire connects to the brass or darker screw, the white wire connects to the silver or lighter screw, and the green/bare wire connects to the grounding screw. Connect the black (hot) wire to the brass screw on the outlet. The. Wiring Outlet Brass Screw.
From homestyling.guru
Wiring a MiddleofRun Electrical Outlet Homestyling Guru Wiring Outlet Brass Screw Connect the black (hot) wire to the brass screw on the outlet. Learn how to identify the hot side of an outlet by the gold screw terminals and how to wire an outlet in four simple steps. Ensure the wire is wrapped clockwise around the screw for a secure connection, then tighten the screw. See examples of correct and incorrect. Wiring Outlet Brass Screw.
From giojorujv.blob.core.windows.net
How To Remove An Old Outlet Box at Carol Sharkey blog Wiring Outlet Brass Screw Wire the secondary outlet as follows: Ensure the wire is wrapped clockwise around the screw for a secure connection, then tighten the screw. A single cable and no load terminals to worry about, make it easier to wire. Connect the black (hot) wire to the brass screw on the outlet. The first wiring method involves connecting the power supply cable. Wiring Outlet Brass Screw.
From gioampiel.blob.core.windows.net
Power Outlet Receptacle at Jan Kiser blog Wiring Outlet Brass Screw See examples of correct and incorrect wiring. Learn how to identify the hot side of an outlet by the gold screw terminals and how to wire an outlet in four simple steps. Typically, the black wire connects to the brass or darker screw, the white wire connects to the silver or lighter screw, and the green/bare wire connects to the. Wiring Outlet Brass Screw.
From exodfvabr.blob.core.windows.net
Light Switch Very Hot at Long Zavala blog Wiring Outlet Brass Screw A single cable and no load terminals to worry about, make it easier to wire. See examples of correct and incorrect wiring. Typically, the black wire connects to the brass or darker screw, the white wire connects to the silver or lighter screw, and the green/bare wire connects to the grounding screw. Connect the black (hot) wire to the brass. Wiring Outlet Brass Screw.
From www.amazon.ca
Leviton 25249CAP Replacement Screw Cap with ORing for Duplex Floor Wiring Outlet Brass Screw Learn how to identify the hot side of an outlet by the gold screw terminals and how to wire an outlet in four simple steps. The first wiring method involves connecting the power supply cable directly to a set of hot (brass) and neutral (silver) screw. See examples of correct and incorrect wiring. Connect the black (hot) wire to the. Wiring Outlet Brass Screw.
From www.techtonions.com
Screw Terminal Blocks for Electrical Wiring A Comprehensive Guide Wiring Outlet Brass Screw Learn how to wire up an electrical receptacle (wall plug or outlet) by connecting the black, white, and ground wires to the proper screws or clamps. Connect the black wire to the brass screw on the terminal. Connect the black (hot) wire to the brass screw on the outlet. Learn how to identify the hot side of an outlet by. Wiring Outlet Brass Screw.
From exyqrxyer.blob.core.windows.net
How To Run An Electrical Outlet From An Existing One at Lori Cade blog Wiring Outlet Brass Screw Typically, the black wire connects to the brass or darker screw, the white wire connects to the silver or lighter screw, and the green/bare wire connects to the grounding screw. Learn how to wire up an electrical receptacle (wall plug or outlet) by connecting the black, white, and ground wires to the proper screws or clamps. Connect the black (hot). Wiring Outlet Brass Screw.
From toolsweek.com
Which Wire Goes to The Brass Screw? (4Step Test) Wiring Outlet Brass Screw Ensure the wire is wrapped clockwise around the screw for a secure connection, then tighten the screw. Learn how to identify the hot side of an outlet by the gold screw terminals and how to wire an outlet in four simple steps. Connect the black (hot) wire to the brass screw on the outlet. Learn how to wire up an. Wiring Outlet Brass Screw.
From dokumen.tips
(PDF) How to Wire Outlets DOKUMEN.TIPS Wiring Outlet Brass Screw Connect the black wire to the brass screw on the terminal. Typically, the black wire connects to the brass or darker screw, the white wire connects to the silver or lighter screw, and the green/bare wire connects to the grounding screw. Learn how to identify the hot side of an outlet by the gold screw terminals and how to wire. Wiring Outlet Brass Screw.