Automatic Air Vent Open Or Closed . hi, seems to be a vast variation of opinion to whether the auto air vent plastic screw cap should be left. how automatic air vents work and plumbing tips. All of the caleffi 5020/5021 series minical, 5022/5023 series valcal and 551 series. the automatic air vent is found in the piping system of water loops. If air is introduced into the water loop system it eventually finds its way to the automatic air vent where it is vented. The automatic air vents are located throughout yes, there is a way, and we recommend against it! caleffi offers an outstanding and complete line of automatic (and manual) air vents, ranging in capacity to fit the smallest residential. We look inside an aav to let you know how they work and why you. See half way down page here. fundamentally, the automatic air vent is a straightforward yet clever gadget that automatically releases. smart vents are automated air registers that open and close to impede or allow airflow from your hvac to specific rooms of your house based on your programmed preferences.
from www.plumbingsuperstore.co.uk
All of the caleffi 5020/5021 series minical, 5022/5023 series valcal and 551 series. smart vents are automated air registers that open and close to impede or allow airflow from your hvac to specific rooms of your house based on your programmed preferences. the automatic air vent is found in the piping system of water loops. The automatic air vents are located throughout yes, there is a way, and we recommend against it! hi, seems to be a vast variation of opinion to whether the auto air vent plastic screw cap should be left. caleffi offers an outstanding and complete line of automatic (and manual) air vents, ranging in capacity to fit the smallest residential. how automatic air vents work and plumbing tips. We look inside an aav to let you know how they work and why you. fundamentally, the automatic air vent is a straightforward yet clever gadget that automatically releases.
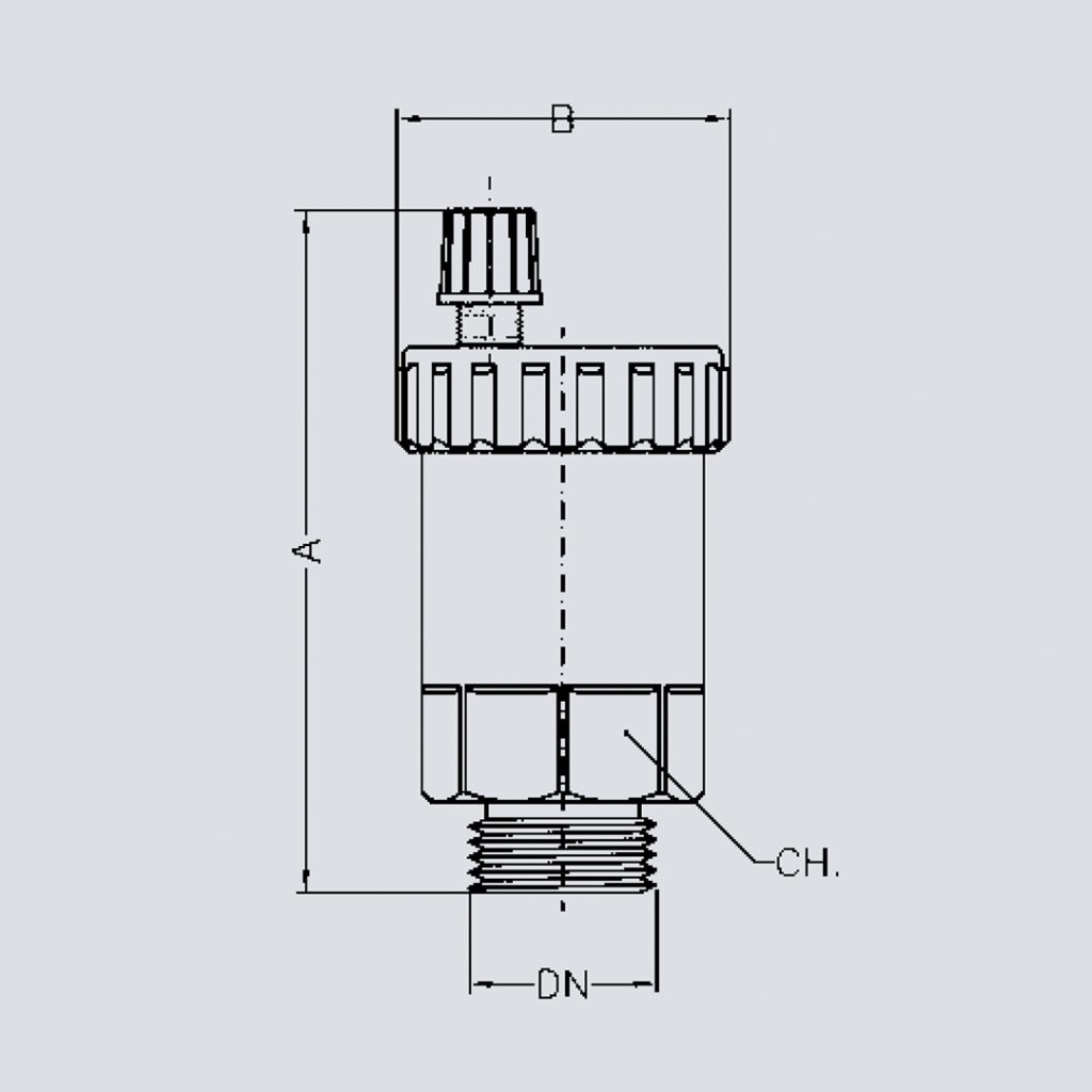
SprioTop Automatic Air Vent AISI 316 (Stainless Steel) SpiroTop Junior
Automatic Air Vent Open Or Closed caleffi offers an outstanding and complete line of automatic (and manual) air vents, ranging in capacity to fit the smallest residential. hi, seems to be a vast variation of opinion to whether the auto air vent plastic screw cap should be left. smart vents are automated air registers that open and close to impede or allow airflow from your hvac to specific rooms of your house based on your programmed preferences. yes, there is a way, and we recommend against it! how automatic air vents work and plumbing tips. The automatic air vents are located throughout the automatic air vent is found in the piping system of water loops. caleffi offers an outstanding and complete line of automatic (and manual) air vents, ranging in capacity to fit the smallest residential. fundamentally, the automatic air vent is a straightforward yet clever gadget that automatically releases. If air is introduced into the water loop system it eventually finds its way to the automatic air vent where it is vented. See half way down page here. We look inside an aav to let you know how they work and why you. All of the caleffi 5020/5021 series minical, 5022/5023 series valcal and 551 series.
From alriyadhqatar.com
Automatic Air Vent AL RIYADH Automatic Air Vent Open Or Closed fundamentally, the automatic air vent is a straightforward yet clever gadget that automatically releases. hi, seems to be a vast variation of opinion to whether the auto air vent plastic screw cap should be left. how automatic air vents work and plumbing tips. smart vents are automated air registers that open and close to impede or. Automatic Air Vent Open Or Closed.
From www.coolearth.com.sg
Essential Guide to Air Conditioner Vent Automatic Air Vent Open Or Closed yes, there is a way, and we recommend against it! fundamentally, the automatic air vent is a straightforward yet clever gadget that automatically releases. caleffi offers an outstanding and complete line of automatic (and manual) air vents, ranging in capacity to fit the smallest residential. See half way down page here. hi, seems to be a. Automatic Air Vent Open Or Closed.
From www.flowquip.co.nz
15mm Brass HVAC Automatic Air Vent 110°c 10 bar FlowQuip Automatic Air Vent Open Or Closed If air is introduced into the water loop system it eventually finds its way to the automatic air vent where it is vented. The automatic air vents are located throughout hi, seems to be a vast variation of opinion to whether the auto air vent plastic screw cap should be left. the automatic air vent is found in. Automatic Air Vent Open Or Closed.
From hydronicsdepot.com
Automatic Air Vent BSP The Hydronics Depot Automatic Air Vent Open Or Closed smart vents are automated air registers that open and close to impede or allow airflow from your hvac to specific rooms of your house based on your programmed preferences. See half way down page here. All of the caleffi 5020/5021 series minical, 5022/5023 series valcal and 551 series. We look inside an aav to let you know how they. Automatic Air Vent Open Or Closed.
From redwhitevalvecorp.com
9390N Automatic Air Vent REDWHITE VALVE CORP. Automatic Air Vent Open Or Closed how automatic air vents work and plumbing tips. caleffi offers an outstanding and complete line of automatic (and manual) air vents, ranging in capacity to fit the smallest residential. the automatic air vent is found in the piping system of water loops. fundamentally, the automatic air vent is a straightforward yet clever gadget that automatically releases.. Automatic Air Vent Open Or Closed.
From shop.ecscorrosion.com
Ejector Automatic Air Vent with Electronic Supervision Engineered Automatic Air Vent Open Or Closed yes, there is a way, and we recommend against it! See half way down page here. If air is introduced into the water loop system it eventually finds its way to the automatic air vent where it is vented. caleffi offers an outstanding and complete line of automatic (and manual) air vents, ranging in capacity to fit the. Automatic Air Vent Open Or Closed.
From airxq.com
Automatic Air Vent วาล์วระบายแรงดันอัตโนมัติ AirXQ Automatic Air Vent Open Or Closed We look inside an aav to let you know how they work and why you. hi, seems to be a vast variation of opinion to whether the auto air vent plastic screw cap should be left. the automatic air vent is found in the piping system of water loops. The automatic air vents are located throughout smart. Automatic Air Vent Open Or Closed.
From www.intatec.co.uk
Automatic Air Vent with Check Valve Intatec Automatic Air Vent Open Or Closed hi, seems to be a vast variation of opinion to whether the auto air vent plastic screw cap should be left. We look inside an aav to let you know how they work and why you. If air is introduced into the water loop system it eventually finds its way to the automatic air vent where it is vented.. Automatic Air Vent Open Or Closed.
From smartacsolutions.com
How To Adjust Ac Vents Smart AC Solutions Automatic Air Vent Open Or Closed The automatic air vents are located throughout caleffi offers an outstanding and complete line of automatic (and manual) air vents, ranging in capacity to fit the smallest residential. hi, seems to be a vast variation of opinion to whether the auto air vent plastic screw cap should be left. the automatic air vent is found in the. Automatic Air Vent Open Or Closed.
From www.walmart.com
Honeywell EA79A1004 Industrial Automatic Air Vent 3/4" MNPT X 1/2" FNPT Automatic Air Vent Open Or Closed If air is introduced into the water loop system it eventually finds its way to the automatic air vent where it is vented. We look inside an aav to let you know how they work and why you. smart vents are automated air registers that open and close to impede or allow airflow from your hvac to specific rooms. Automatic Air Vent Open Or Closed.
From caseventil.com
1/2" Automatic Air Vent Side Output Case Ventil Automatic Air Vent Open Or Closed caleffi offers an outstanding and complete line of automatic (and manual) air vents, ranging in capacity to fit the smallest residential. The automatic air vents are located throughout yes, there is a way, and we recommend against it! how automatic air vents work and plumbing tips. hi, seems to be a vast variation of opinion to. Automatic Air Vent Open Or Closed.
From www.climatecontrolsandspares.co.uk
MINICAL AUTOMATIC AIR VENT Automatic Air Vent Open Or Closed We look inside an aav to let you know how they work and why you. caleffi offers an outstanding and complete line of automatic (and manual) air vents, ranging in capacity to fit the smallest residential. All of the caleffi 5020/5021 series minical, 5022/5023 series valcal and 551 series. See half way down page here. how automatic air. Automatic Air Vent Open Or Closed.
From www.akfire.co.uk
Automatic opening Vents (AOVs) AK Fire Automatic Air Vent Open Or Closed smart vents are automated air registers that open and close to impede or allow airflow from your hvac to specific rooms of your house based on your programmed preferences. fundamentally, the automatic air vent is a straightforward yet clever gadget that automatically releases. All of the caleffi 5020/5021 series minical, 5022/5023 series valcal and 551 series. hi,. Automatic Air Vent Open Or Closed.
From www.cranefs.com
D2003 / D2004 Automatic Air Vent Brass Crane Fluid Systems Automatic Air Vent Open Or Closed We look inside an aav to let you know how they work and why you. how automatic air vents work and plumbing tips. caleffi offers an outstanding and complete line of automatic (and manual) air vents, ranging in capacity to fit the smallest residential. fundamentally, the automatic air vent is a straightforward yet clever gadget that automatically. Automatic Air Vent Open Or Closed.
From www.youtube.com
Installing automatic airvent in centralheating system to purge air Automatic Air Vent Open Or Closed yes, there is a way, and we recommend against it! the automatic air vent is found in the piping system of water loops. smart vents are automated air registers that open and close to impede or allow airflow from your hvac to specific rooms of your house based on your programmed preferences. The automatic air vents are. Automatic Air Vent Open Or Closed.
From www.plumbingsuperstore.co.uk
SprioTop Automatic Air Vent AISI 316 (Stainless Steel) SpiroTop Junior Automatic Air Vent Open Or Closed yes, there is a way, and we recommend against it! smart vents are automated air registers that open and close to impede or allow airflow from your hvac to specific rooms of your house based on your programmed preferences. See half way down page here. the automatic air vent is found in the piping system of water. Automatic Air Vent Open Or Closed.
From heatingpartswarehouse.co.uk
Flamco Flexvent 3/8″ Floatvent c/w shutoff valve Automatic Air Vent Automatic Air Vent Open Or Closed yes, there is a way, and we recommend against it! hi, seems to be a vast variation of opinion to whether the auto air vent plastic screw cap should be left. We look inside an aav to let you know how they work and why you. caleffi offers an outstanding and complete line of automatic (and manual). Automatic Air Vent Open Or Closed.
From www.homedepot.com
Master Flow 16 in. x 8 in. Automatic Open/Close Foundation Vent in Automatic Air Vent Open Or Closed yes, there is a way, and we recommend against it! caleffi offers an outstanding and complete line of automatic (and manual) air vents, ranging in capacity to fit the smallest residential. The automatic air vents are located throughout All of the caleffi 5020/5021 series minical, 5022/5023 series valcal and 551 series. fundamentally, the automatic air vent is. Automatic Air Vent Open Or Closed.
From www.ecscorrosion.com
How Does the ECS Automatic Air Vent Work? Automatic Air Vent Open Or Closed The automatic air vents are located throughout how automatic air vents work and plumbing tips. fundamentally, the automatic air vent is a straightforward yet clever gadget that automatically releases. We look inside an aav to let you know how they work and why you. See half way down page here. All of the caleffi 5020/5021 series minical, 5022/5023. Automatic Air Vent Open Or Closed.
From plumbinbits.co.uk
Inta 15mm Automatic Brass Air Vent AAV07911500 PlumbinBits Automatic Air Vent Open Or Closed All of the caleffi 5020/5021 series minical, 5022/5023 series valcal and 551 series. caleffi offers an outstanding and complete line of automatic (and manual) air vents, ranging in capacity to fit the smallest residential. If air is introduced into the water loop system it eventually finds its way to the automatic air vent where it is vented. hi,. Automatic Air Vent Open Or Closed.
From www.alibaba.com
Junxiang Automatic Air Vent With Shutoff Valve Buy Automotic Air Automatic Air Vent Open Or Closed caleffi offers an outstanding and complete line of automatic (and manual) air vents, ranging in capacity to fit the smallest residential. If air is introduced into the water loop system it eventually finds its way to the automatic air vent where it is vented. We look inside an aav to let you know how they work and why you.. Automatic Air Vent Open Or Closed.
From www.homedepot.com
Broan 16.75 in. x 16.75 in. Aluminum Automatic Gable Square Mount Automatic Air Vent Open Or Closed yes, there is a way, and we recommend against it! See half way down page here. smart vents are automated air registers that open and close to impede or allow airflow from your hvac to specific rooms of your house based on your programmed preferences. fundamentally, the automatic air vent is a straightforward yet clever gadget that. Automatic Air Vent Open Or Closed.
From www.scribd.com
AI_Automatic Air Vent (Cast Iron) PDF Valve Mechanical Engineering Automatic Air Vent Open Or Closed We look inside an aav to let you know how they work and why you. If air is introduced into the water loop system it eventually finds its way to the automatic air vent where it is vented. All of the caleffi 5020/5021 series minical, 5022/5023 series valcal and 551 series. the automatic air vent is found in the. Automatic Air Vent Open Or Closed.
From www.alibaba.com
Junxiang Automatic Air Vent With Shutoff Valve Buy Automotic Air Automatic Air Vent Open Or Closed If air is introduced into the water loop system it eventually finds its way to the automatic air vent where it is vented. yes, there is a way, and we recommend against it! the automatic air vent is found in the piping system of water loops. caleffi offers an outstanding and complete line of automatic (and manual). Automatic Air Vent Open Or Closed.
From univalsrl.it
Automatic airvent "Unisolar" Unival Automatic Air Vent Open Or Closed caleffi offers an outstanding and complete line of automatic (and manual) air vents, ranging in capacity to fit the smallest residential. smart vents are automated air registers that open and close to impede or allow airflow from your hvac to specific rooms of your house based on your programmed preferences. If air is introduced into the water loop. Automatic Air Vent Open Or Closed.
From www.officinerigamonti.it
AUTOMATIC AIR VENT WITH ANGLE DISCHARGE WITH ORING Officine Rigamonti Automatic Air Vent Open Or Closed fundamentally, the automatic air vent is a straightforward yet clever gadget that automatically releases. All of the caleffi 5020/5021 series minical, 5022/5023 series valcal and 551 series. See half way down page here. If air is introduced into the water loop system it eventually finds its way to the automatic air vent where it is vented. how automatic. Automatic Air Vent Open Or Closed.
From www.intatec.co.uk
Automatic Air Vent with Compression Connection Intatec Automatic Air Vent Open Or Closed See half way down page here. fundamentally, the automatic air vent is a straightforward yet clever gadget that automatically releases. the automatic air vent is found in the piping system of water loops. how automatic air vents work and plumbing tips. yes, there is a way, and we recommend against it! smart vents are automated. Automatic Air Vent Open Or Closed.
From www.shieldglobal.com
Brass Automatic Air Vent SHIELD Fire, Safety & Security Ltd Automatic Air Vent Open Or Closed caleffi offers an outstanding and complete line of automatic (and manual) air vents, ranging in capacity to fit the smallest residential. the automatic air vent is found in the piping system of water loops. All of the caleffi 5020/5021 series minical, 5022/5023 series valcal and 551 series. If air is introduced into the water loop system it eventually. Automatic Air Vent Open Or Closed.
From 1800anytyme.com
Why You Shouldn't Close Vents Heating Experts 1800anytyme Automatic Air Vent Open Or Closed fundamentally, the automatic air vent is a straightforward yet clever gadget that automatically releases. how automatic air vents work and plumbing tips. caleffi offers an outstanding and complete line of automatic (and manual) air vents, ranging in capacity to fit the smallest residential. the automatic air vent is found in the piping system of water loops.. Automatic Air Vent Open Or Closed.
From 101appliance.com
What Is An Aircon Vent? (Should It Be Open or Closed?) 101appliance Automatic Air Vent Open Or Closed how automatic air vents work and plumbing tips. See half way down page here. We look inside an aav to let you know how they work and why you. If air is introduced into the water loop system it eventually finds its way to the automatic air vent where it is vented. the automatic air vent is found. Automatic Air Vent Open Or Closed.
From www.unventedcomponentseurope.com
Intatec iAir Vent 1/2" Automatic Air Vent Valve AAV007 Unvented Automatic Air Vent Open Or Closed smart vents are automated air registers that open and close to impede or allow airflow from your hvac to specific rooms of your house based on your programmed preferences. caleffi offers an outstanding and complete line of automatic (and manual) air vents, ranging in capacity to fit the smallest residential. If air is introduced into the water loop. Automatic Air Vent Open Or Closed.
From www.homedepot.ca
Watts 1/4 Inch FV4M1 Automatic Air Vent The Home Depot Canada Automatic Air Vent Open Or Closed If air is introduced into the water loop system it eventually finds its way to the automatic air vent where it is vented. caleffi offers an outstanding and complete line of automatic (and manual) air vents, ranging in capacity to fit the smallest residential. yes, there is a way, and we recommend against it! the automatic air. Automatic Air Vent Open Or Closed.
From housekumo.com
Taco Automatic Air Vents Housekumo Automatic Air Vent Open Or Closed yes, there is a way, and we recommend against it! See half way down page here. hi, seems to be a vast variation of opinion to whether the auto air vent plastic screw cap should be left. The automatic air vents are located throughout All of the caleffi 5020/5021 series minical, 5022/5023 series valcal and 551 series. . Automatic Air Vent Open Or Closed.
From www.alyamitech.com
Envotec Automatic Air Vent Alyamitech Automatic Air Vent Open Or Closed The automatic air vents are located throughout the automatic air vent is found in the piping system of water loops. If air is introduced into the water loop system it eventually finds its way to the automatic air vent where it is vented. fundamentally, the automatic air vent is a straightforward yet clever gadget that automatically releases. We. Automatic Air Vent Open Or Closed.
From www.matyco.com
Automatic high performance air vent valve, 1/2'' Matyco Automatic Air Vent Open Or Closed The automatic air vents are located throughout If air is introduced into the water loop system it eventually finds its way to the automatic air vent where it is vented. All of the caleffi 5020/5021 series minical, 5022/5023 series valcal and 551 series. the automatic air vent is found in the piping system of water loops. See half way. Automatic Air Vent Open Or Closed.