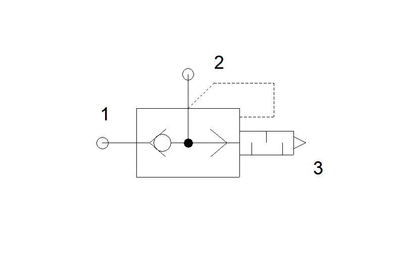
Quick Exhaust Valve Circuit Diagram . If rapid piston retraction required, by using quick exhaust valve,. Fast air exhaust, contamination expulsion, dual pressure shuttle valve and check valve. This video is about how and why we use quick exhaust valves in a pneumatic circuits. Quick exhaust valves work by providing a rapid exhaust of controlled air when placed directly onto an air cylinder after the control valve. The seal inside clippard's quick exhaust valve is shaped. They can also be used as shuttle valves. Quick exhaust valves provide rapid exhaust of control air when placed between control valve and actuator. They can also be used as shuttle. It show how they are used with double acting and. The quick exhaust valve provides four functions: In this lesson we'll take a look at quick exhaust valves in pneumatic systems. Quick exhaust valves provide rapid exhaust of control air when placed between control valve and actuator. This video describes working principles of a quick exhaust valve. We'll learn properly installed quick exhaust valves.
from learnchannel-tv.com
In this lesson we'll take a look at quick exhaust valves in pneumatic systems. This video describes working principles of a quick exhaust valve. The quick exhaust valve provides four functions: We'll learn properly installed quick exhaust valves. Quick exhaust valves provide rapid exhaust of control air when placed between control valve and actuator. If rapid piston retraction required, by using quick exhaust valve,. Fast air exhaust, contamination expulsion, dual pressure shuttle valve and check valve. It show how they are used with double acting and. They can also be used as shuttle valves. Quick exhaust valves provide rapid exhaust of control air when placed between control valve and actuator.
Quick Exhaust Valve
Quick Exhaust Valve Circuit Diagram They can also be used as shuttle. Fast air exhaust, contamination expulsion, dual pressure shuttle valve and check valve. In this lesson we'll take a look at quick exhaust valves in pneumatic systems. We'll learn properly installed quick exhaust valves. This video is about how and why we use quick exhaust valves in a pneumatic circuits. The seal inside clippard's quick exhaust valve is shaped. Quick exhaust valves provide rapid exhaust of control air when placed between control valve and actuator. Quick exhaust valves provide rapid exhaust of control air when placed between control valve and actuator. The quick exhaust valve provides four functions: They can also be used as shuttle valves. They can also be used as shuttle. It show how they are used with double acting and. This video describes working principles of a quick exhaust valve. Quick exhaust valves work by providing a rapid exhaust of controlled air when placed directly onto an air cylinder after the control valve. If rapid piston retraction required, by using quick exhaust valve,.
From www.scribd.com
Series Quick Exhaust Valve PDF Valve Gases Quick Exhaust Valve Circuit Diagram The quick exhaust valve provides four functions: This video describes working principles of a quick exhaust valve. It show how they are used with double acting and. This video is about how and why we use quick exhaust valves in a pneumatic circuits. They can also be used as shuttle. The seal inside clippard's quick exhaust valve is shaped. Quick. Quick Exhaust Valve Circuit Diagram.
From learnchannel-tv.com
Quick Exhaust Valve Quick Exhaust Valve Circuit Diagram Fast air exhaust, contamination expulsion, dual pressure shuttle valve and check valve. They can also be used as shuttle. This video describes working principles of a quick exhaust valve. In this lesson we'll take a look at quick exhaust valves in pneumatic systems. If rapid piston retraction required, by using quick exhaust valve,. Quick exhaust valves provide rapid exhaust of. Quick Exhaust Valve Circuit Diagram.
From pc-coep.vlabs.ac.in
Virtual Labs Quick Exhaust Valve Circuit Diagram They can also be used as shuttle valves. Quick exhaust valves provide rapid exhaust of control air when placed between control valve and actuator. The seal inside clippard's quick exhaust valve is shaped. We'll learn properly installed quick exhaust valves. In this lesson we'll take a look at quick exhaust valves in pneumatic systems. If rapid piston retraction required, by. Quick Exhaust Valve Circuit Diagram.
From theinstrumentguru.com
Quick Exhaust and Air Operated Valves in Instrumentation Circuit Quick Exhaust Valve Circuit Diagram In this lesson we'll take a look at quick exhaust valves in pneumatic systems. This video is about how and why we use quick exhaust valves in a pneumatic circuits. Quick exhaust valves work by providing a rapid exhaust of controlled air when placed directly onto an air cylinder after the control valve. Quick exhaust valves provide rapid exhaust of. Quick Exhaust Valve Circuit Diagram.
From studylib.net
Quick exhaust valve Quick Exhaust Valve Circuit Diagram This video describes working principles of a quick exhaust valve. They can also be used as shuttle. Fast air exhaust, contamination expulsion, dual pressure shuttle valve and check valve. If rapid piston retraction required, by using quick exhaust valve,. In this lesson we'll take a look at quick exhaust valves in pneumatic systems. We'll learn properly installed quick exhaust valves.. Quick Exhaust Valve Circuit Diagram.
From catalog.jamiesonequipment.com
Quick Exhaust Valves On Jamieson Equipment Co., Inc. Quick Exhaust Valve Circuit Diagram They can also be used as shuttle. Quick exhaust valves work by providing a rapid exhaust of controlled air when placed directly onto an air cylinder after the control valve. Quick exhaust valves provide rapid exhaust of control air when placed between control valve and actuator. In this lesson we'll take a look at quick exhaust valves in pneumatic systems.. Quick Exhaust Valve Circuit Diagram.
From guidewiringlange.z19.web.core.windows.net
Quick Exhaust Valve Circuit Diagram Quick Exhaust Valve Circuit Diagram The seal inside clippard's quick exhaust valve is shaped. They can also be used as shuttle valves. In this lesson we'll take a look at quick exhaust valves in pneumatic systems. They can also be used as shuttle. We'll learn properly installed quick exhaust valves. This video describes working principles of a quick exhaust valve. Quick exhaust valves provide rapid. Quick Exhaust Valve Circuit Diagram.
From www.slideserve.com
PPT Development of single actuator circuits PowerPoint Presentation Quick Exhaust Valve Circuit Diagram Quick exhaust valves provide rapid exhaust of control air when placed between control valve and actuator. They can also be used as shuttle. If rapid piston retraction required, by using quick exhaust valve,. Quick exhaust valves provide rapid exhaust of control air when placed between control valve and actuator. The seal inside clippard's quick exhaust valve is shaped. This video. Quick Exhaust Valve Circuit Diagram.
From klaimwdfn.blob.core.windows.net
How A Quick Exhaust Valve Works at Susan Thomas blog Quick Exhaust Valve Circuit Diagram Quick exhaust valves work by providing a rapid exhaust of controlled air when placed directly onto an air cylinder after the control valve. Fast air exhaust, contamination expulsion, dual pressure shuttle valve and check valve. The quick exhaust valve provides four functions: If rapid piston retraction required, by using quick exhaust valve,. Quick exhaust valves provide rapid exhaust of control. Quick Exhaust Valve Circuit Diagram.
From modernizemodest1712.blogspot.com
37 quick exhaust valve diagram Diagram For You Quick Exhaust Valve Circuit Diagram The quick exhaust valve provides four functions: This video is about how and why we use quick exhaust valves in a pneumatic circuits. The seal inside clippard's quick exhaust valve is shaped. They can also be used as shuttle. In this lesson we'll take a look at quick exhaust valves in pneumatic systems. We'll learn properly installed quick exhaust valves.. Quick Exhaust Valve Circuit Diagram.
From www.airlane.co.uk
Pneumatic Control Specialists Airlane Pneumatics Limited Quick Exhaust Valve Circuit Diagram Quick exhaust valves provide rapid exhaust of control air when placed between control valve and actuator. The seal inside clippard's quick exhaust valve is shaped. They can also be used as shuttle valves. The quick exhaust valve provides four functions: This video is about how and why we use quick exhaust valves in a pneumatic circuits. We'll learn properly installed. Quick Exhaust Valve Circuit Diagram.
From www.stcvalve.com
Quick Exhaust Valve and Shuttle Valve Dimensions Quick Exhaust Valve Circuit Diagram They can also be used as shuttle valves. This video is about how and why we use quick exhaust valves in a pneumatic circuits. This video describes working principles of a quick exhaust valve. Quick exhaust valves provide rapid exhaust of control air when placed between control valve and actuator. Quick exhaust valves provide rapid exhaust of control air when. Quick Exhaust Valve Circuit Diagram.
From theinstrumentguru.com
Quick Exhaust and Air Operated Valves in Instrumentation Circuit Quick Exhaust Valve Circuit Diagram If rapid piston retraction required, by using quick exhaust valve,. The seal inside clippard's quick exhaust valve is shaped. Quick exhaust valves provide rapid exhaust of control air when placed between control valve and actuator. It show how they are used with double acting and. Fast air exhaust, contamination expulsion, dual pressure shuttle valve and check valve. Quick exhaust valves. Quick Exhaust Valve Circuit Diagram.
From learnchannel-tv.com
Quick Exhaust Valve Quick Exhaust Valve Circuit Diagram Quick exhaust valves work by providing a rapid exhaust of controlled air when placed directly onto an air cylinder after the control valve. They can also be used as shuttle valves. If rapid piston retraction required, by using quick exhaust valve,. This video is about how and why we use quick exhaust valves in a pneumatic circuits. The quick exhaust. Quick Exhaust Valve Circuit Diagram.
From www.pneumaticschina.com
Quick Exhaust Valve SEU Series, Quick Exhaust Valve, Quick Exhaust Quick Exhaust Valve Circuit Diagram Quick exhaust valves provide rapid exhaust of control air when placed between control valve and actuator. Quick exhaust valves provide rapid exhaust of control air when placed between control valve and actuator. The seal inside clippard's quick exhaust valve is shaped. Fast air exhaust, contamination expulsion, dual pressure shuttle valve and check valve. The quick exhaust valve provides four functions:. Quick Exhaust Valve Circuit Diagram.
From schematiclibraryjeffrey.z21.web.core.windows.net
Quick Exhaust Valve Circuit Diagram Quick Exhaust Valve Circuit Diagram This video is about how and why we use quick exhaust valves in a pneumatic circuits. Quick exhaust valves work by providing a rapid exhaust of controlled air when placed directly onto an air cylinder after the control valve. They can also be used as shuttle valves. Quick exhaust valves provide rapid exhaust of control air when placed between control. Quick Exhaust Valve Circuit Diagram.
From www.stcvalve.com
Quick Exhaust Valve and Shuttle Valve Dimensions Quick Exhaust Valve Circuit Diagram Quick exhaust valves provide rapid exhaust of control air when placed between control valve and actuator. It show how they are used with double acting and. Fast air exhaust, contamination expulsion, dual pressure shuttle valve and check valve. If rapid piston retraction required, by using quick exhaust valve,. We'll learn properly installed quick exhaust valves. The quick exhaust valve provides. Quick Exhaust Valve Circuit Diagram.
From www.slideserve.com
PPT Pneumatic Actuators PowerPoint Presentation ID836550 Quick Exhaust Valve Circuit Diagram We'll learn properly installed quick exhaust valves. This video is about how and why we use quick exhaust valves in a pneumatic circuits. The quick exhaust valve provides four functions: The seal inside clippard's quick exhaust valve is shaped. If rapid piston retraction required, by using quick exhaust valve,. In this lesson we'll take a look at quick exhaust valves. Quick Exhaust Valve Circuit Diagram.
From diagramwiringbernard.z21.web.core.windows.net
Double Acting Air Cylinder Valve Schematic Quick Exhaust Valve Circuit Diagram Fast air exhaust, contamination expulsion, dual pressure shuttle valve and check valve. It show how they are used with double acting and. They can also be used as shuttle. In this lesson we'll take a look at quick exhaust valves in pneumatic systems. The quick exhaust valve provides four functions: Quick exhaust valves provide rapid exhaust of control air when. Quick Exhaust Valve Circuit Diagram.
From wkfluidhandling.com
Quick Exhaust Valves White Knight Fluid Handling Quick Exhaust Valve Circuit Diagram Quick exhaust valves provide rapid exhaust of control air when placed between control valve and actuator. Fast air exhaust, contamination expulsion, dual pressure shuttle valve and check valve. They can also be used as shuttle valves. This video describes working principles of a quick exhaust valve. This video is about how and why we use quick exhaust valves in a. Quick Exhaust Valve Circuit Diagram.
From manualfixstarks.z13.web.core.windows.net
Quick Exhaust Valve Schematic Quick Exhaust Valve Circuit Diagram This video describes working principles of a quick exhaust valve. Fast air exhaust, contamination expulsion, dual pressure shuttle valve and check valve. They can also be used as shuttle valves. We'll learn properly installed quick exhaust valves. Quick exhaust valves provide rapid exhaust of control air when placed between control valve and actuator. Quick exhaust valves work by providing a. Quick Exhaust Valve Circuit Diagram.
From www.youtube.com
How Pneumatic Quick Exhaust Valve Works With Animation YouTube Quick Exhaust Valve Circuit Diagram The quick exhaust valve provides four functions: It show how they are used with double acting and. They can also be used as shuttle valves. The seal inside clippard's quick exhaust valve is shaped. Quick exhaust valves provide rapid exhaust of control air when placed between control valve and actuator. Quick exhaust valves work by providing a rapid exhaust of. Quick Exhaust Valve Circuit Diagram.
From www.slideserve.com
PPT Basic Pneumatics PowerPoint Presentation, free download ID2375508 Quick Exhaust Valve Circuit Diagram We'll learn properly installed quick exhaust valves. Fast air exhaust, contamination expulsion, dual pressure shuttle valve and check valve. It show how they are used with double acting and. This video is about how and why we use quick exhaust valves in a pneumatic circuits. This video describes working principles of a quick exhaust valve. Quick exhaust valves provide rapid. Quick Exhaust Valve Circuit Diagram.
From www.valvesonline.com.au
Quick Exhaust Valve Quick Exhaust Valve Circuit Diagram It show how they are used with double acting and. If rapid piston retraction required, by using quick exhaust valve,. In this lesson we'll take a look at quick exhaust valves in pneumatic systems. We'll learn properly installed quick exhaust valves. Quick exhaust valves provide rapid exhaust of control air when placed between control valve and actuator. The seal inside. Quick Exhaust Valve Circuit Diagram.
From www.numerade.com
SOLVED 1. What is different from these two pneumatic circuits? Then Quick Exhaust Valve Circuit Diagram The quick exhaust valve provides four functions: They can also be used as shuttle. It show how they are used with double acting and. We'll learn properly installed quick exhaust valves. Quick exhaust valves work by providing a rapid exhaust of controlled air when placed directly onto an air cylinder after the control valve. This video describes working principles of. Quick Exhaust Valve Circuit Diagram.
From instrumentationtools.com
Quick Exhaust and Air Operated Valves in Instrumentation Circuit Quick Exhaust Valve Circuit Diagram The quick exhaust valve provides four functions: Quick exhaust valves provide rapid exhaust of control air when placed between control valve and actuator. They can also be used as shuttle valves. In this lesson we'll take a look at quick exhaust valves in pneumatic systems. This video describes working principles of a quick exhaust valve. They can also be used. Quick Exhaust Valve Circuit Diagram.
From www.scribd.com
Quick Exhaust Valve Quick Exhaust Valve Circuit Diagram They can also be used as shuttle. We'll learn properly installed quick exhaust valves. In this lesson we'll take a look at quick exhaust valves in pneumatic systems. Quick exhaust valves provide rapid exhaust of control air when placed between control valve and actuator. The quick exhaust valve provides four functions: They can also be used as shuttle valves. The. Quick Exhaust Valve Circuit Diagram.
From www.pneumaengineering.co.th
SE Series Quick exhaust valve pneumaengineering Quick Exhaust Valve Circuit Diagram They can also be used as shuttle valves. Fast air exhaust, contamination expulsion, dual pressure shuttle valve and check valve. If rapid piston retraction required, by using quick exhaust valve,. Quick exhaust valves provide rapid exhaust of control air when placed between control valve and actuator. This video is about how and why we use quick exhaust valves in a. Quick Exhaust Valve Circuit Diagram.
From www.slideserve.com
PPT FLOW CONTROL VALVES PowerPoint Presentation, free download ID Quick Exhaust Valve Circuit Diagram Quick exhaust valves work by providing a rapid exhaust of controlled air when placed directly onto an air cylinder after the control valve. Quick exhaust valves provide rapid exhaust of control air when placed between control valve and actuator. Quick exhaust valves provide rapid exhaust of control air when placed between control valve and actuator. This video is about how. Quick Exhaust Valve Circuit Diagram.
From www.festo.com
Quick exhaust valve SE3/4 Festo USA Quick Exhaust Valve Circuit Diagram This video is about how and why we use quick exhaust valves in a pneumatic circuits. In this lesson we'll take a look at quick exhaust valves in pneumatic systems. Quick exhaust valves provide rapid exhaust of control air when placed between control valve and actuator. Quick exhaust valves work by providing a rapid exhaust of controlled air when placed. Quick Exhaust Valve Circuit Diagram.
From www.circuitdiagram.co
Pneumatic Circuit Diagram Pdf Circuit Diagram Quick Exhaust Valve Circuit Diagram The seal inside clippard's quick exhaust valve is shaped. In this lesson we'll take a look at quick exhaust valves in pneumatic systems. They can also be used as shuttle valves. The quick exhaust valve provides four functions: They can also be used as shuttle. This video describes working principles of a quick exhaust valve. Quick exhaust valves provide rapid. Quick Exhaust Valve Circuit Diagram.
From www.youtube.com
Quick Exhaust Valve YouTube Quick Exhaust Valve Circuit Diagram It show how they are used with double acting and. They can also be used as shuttle valves. They can also be used as shuttle. Fast air exhaust, contamination expulsion, dual pressure shuttle valve and check valve. This video is about how and why we use quick exhaust valves in a pneumatic circuits. Quick exhaust valves provide rapid exhaust of. Quick Exhaust Valve Circuit Diagram.
From www.youtube.com
how quick exhaust valves work? YouTube Quick Exhaust Valve Circuit Diagram Quick exhaust valves provide rapid exhaust of control air when placed between control valve and actuator. We'll learn properly installed quick exhaust valves. They can also be used as shuttle valves. Quick exhaust valves provide rapid exhaust of control air when placed between control valve and actuator. If rapid piston retraction required, by using quick exhaust valve,. Quick exhaust valves. Quick Exhaust Valve Circuit Diagram.
From www.slideserve.com
PPT Pneumatic Valves PowerPoint Presentation, free download ID6677489 Quick Exhaust Valve Circuit Diagram They can also be used as shuttle. They can also be used as shuttle valves. Fast air exhaust, contamination expulsion, dual pressure shuttle valve and check valve. If rapid piston retraction required, by using quick exhaust valve,. It show how they are used with double acting and. The quick exhaust valve provides four functions: In this lesson we'll take a. Quick Exhaust Valve Circuit Diagram.
From www.stranskyapetrzik.cz
Stránský a Petržík Control valves Quick exhaust valves Quick Exhaust Valve Circuit Diagram If rapid piston retraction required, by using quick exhaust valve,. They can also be used as shuttle valves. We'll learn properly installed quick exhaust valves. It show how they are used with double acting and. Fast air exhaust, contamination expulsion, dual pressure shuttle valve and check valve. In this lesson we'll take a look at quick exhaust valves in pneumatic. Quick Exhaust Valve Circuit Diagram.