Shear Plate Connection Design . The most common types are the angle/plate connections,. types of shear connections. plate shear connection states: shear connection design (worked example) in this section, we will show an example of single plate shear. this paper presents the summary of a research project on the behavior and design of single plate shear connections.
from structville.com
this paper presents the summary of a research project on the behavior and design of single plate shear connections. plate shear connection states: shear connection design (worked example) in this section, we will show an example of single plate shear. The most common types are the angle/plate connections,. types of shear connections.
Structural Design of Steel Fin Plate Connection Structville
Shear Plate Connection Design The most common types are the angle/plate connections,. shear connection design (worked example) in this section, we will show an example of single plate shear. plate shear connection states: The most common types are the angle/plate connections,. types of shear connections. this paper presents the summary of a research project on the behavior and design of single plate shear connections.
From engineersviewpoint.blogspot.com
Beam To Column Connection SHEAR PLATE SUBJECT TO SHEAR & AXIAL LOAD Shear Plate Connection Design shear connection design (worked example) in this section, we will show an example of single plate shear. The most common types are the angle/plate connections,. this paper presents the summary of a research project on the behavior and design of single plate shear connections. plate shear connection states: types of shear connections. Shear Plate Connection Design.
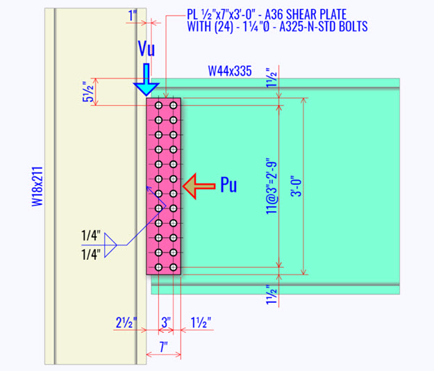
From skyciv.com
AISC Connection Design Example SkyCiv Engineering Shear Plate Connection Design plate shear connection states: shear connection design (worked example) in this section, we will show an example of single plate shear. The most common types are the angle/plate connections,. this paper presents the summary of a research project on the behavior and design of single plate shear connections. types of shear connections. Shear Plate Connection Design.
From www.youtube.com
11 AISC Steel Connection Design Shear Connection End Plate Shear Shear Plate Connection Design types of shear connections. shear connection design (worked example) in this section, we will show an example of single plate shear. this paper presents the summary of a research project on the behavior and design of single plate shear connections. plate shear connection states: The most common types are the angle/plate connections,. Shear Plate Connection Design.
From www.excelcalcs.com
Simple Shear Connection Design AISC Shear Plate Connection Design The most common types are the angle/plate connections,. types of shear connections. plate shear connection states: shear connection design (worked example) in this section, we will show an example of single plate shear. this paper presents the summary of a research project on the behavior and design of single plate shear connections. Shear Plate Connection Design.
From www.reddit.com
Accounting for torsion in beamtobeam shear connections r Shear Plate Connection Design The most common types are the angle/plate connections,. shear connection design (worked example) in this section, we will show an example of single plate shear. this paper presents the summary of a research project on the behavior and design of single plate shear connections. plate shear connection states: types of shear connections. Shear Plate Connection Design.
From asp.civilbay.com
AISC Steel Connection Design Software CISC S16 Steel Connection Design Shear Plate Connection Design shear connection design (worked example) in this section, we will show an example of single plate shear. this paper presents the summary of a research project on the behavior and design of single plate shear connections. types of shear connections. The most common types are the angle/plate connections,. plate shear connection states: Shear Plate Connection Design.
From asp.civilbay.com
AISC Steel Connection Design Software CISC S16 Steel Connection Design Shear Plate Connection Design The most common types are the angle/plate connections,. shear connection design (worked example) in this section, we will show an example of single plate shear. this paper presents the summary of a research project on the behavior and design of single plate shear connections. types of shear connections. plate shear connection states: Shear Plate Connection Design.
From www.youtube.com
Idea Statica Extended Fin Plate Shear Connection YouTube Shear Plate Connection Design The most common types are the angle/plate connections,. this paper presents the summary of a research project on the behavior and design of single plate shear connections. types of shear connections. plate shear connection states: shear connection design (worked example) in this section, we will show an example of single plate shear. Shear Plate Connection Design.
From www.youtube.com
Shear Plate Beam to beam steel connection design using Ram connection Shear Plate Connection Design The most common types are the angle/plate connections,. plate shear connection states: this paper presents the summary of a research project on the behavior and design of single plate shear connections. shear connection design (worked example) in this section, we will show an example of single plate shear. types of shear connections. Shear Plate Connection Design.
From www.bdcnetwork.com
AISC releases SpeedCore design guide for building concretefilled Shear Plate Connection Design plate shear connection states: The most common types are the angle/plate connections,. shear connection design (worked example) in this section, we will show an example of single plate shear. types of shear connections. this paper presents the summary of a research project on the behavior and design of single plate shear connections. Shear Plate Connection Design.
From engineersviewpoint.blogspot.com
Beam To HSS Column Connection SHEAR PLATE SUBJECT TO SHEAR & AXIAL Shear Plate Connection Design The most common types are the angle/plate connections,. this paper presents the summary of a research project on the behavior and design of single plate shear connections. plate shear connection states: types of shear connections. shear connection design (worked example) in this section, we will show an example of single plate shear. Shear Plate Connection Design.
From www.youtube.com
Steel connection beam to Column shear & moment connection Bolted Shear Plate Connection Design types of shear connections. plate shear connection states: shear connection design (worked example) in this section, we will show an example of single plate shear. this paper presents the summary of a research project on the behavior and design of single plate shear connections. The most common types are the angle/plate connections,. Shear Plate Connection Design.
From structville.com
Structural Design of Steel Fin Plate Connection Structville Shear Plate Connection Design plate shear connection states: this paper presents the summary of a research project on the behavior and design of single plate shear connections. types of shear connections. shear connection design (worked example) in this section, we will show an example of single plate shear. The most common types are the angle/plate connections,. Shear Plate Connection Design.
From www.ideastatica.com
Single Plate Shear Connections IDEA StatiCa Shear Plate Connection Design The most common types are the angle/plate connections,. types of shear connections. this paper presents the summary of a research project on the behavior and design of single plate shear connections. shear connection design (worked example) in this section, we will show an example of single plate shear. plate shear connection states: Shear Plate Connection Design.
From skyciv.com
Shear, Axial, and Moment Steel Connections SkyCiv Engineering Shear Plate Connection Design plate shear connection states: this paper presents the summary of a research project on the behavior and design of single plate shear connections. types of shear connections. shear connection design (worked example) in this section, we will show an example of single plate shear. The most common types are the angle/plate connections,. Shear Plate Connection Design.
From www.ideastatica.com
Single Plate Shear Connections IDEA StatiCa Shear Plate Connection Design shear connection design (worked example) in this section, we will show an example of single plate shear. types of shear connections. plate shear connection states: this paper presents the summary of a research project on the behavior and design of single plate shear connections. The most common types are the angle/plate connections,. Shear Plate Connection Design.
From www.youtube.com
Design of singleplate shear connection YouTube Shear Plate Connection Design The most common types are the angle/plate connections,. shear connection design (worked example) in this section, we will show an example of single plate shear. types of shear connections. this paper presents the summary of a research project on the behavior and design of single plate shear connections. plate shear connection states: Shear Plate Connection Design.
From www.slideshare.net
21Design of Simple Shear Connections (Steel Structural Design & Prof… Shear Plate Connection Design shear connection design (worked example) in this section, we will show an example of single plate shear. this paper presents the summary of a research project on the behavior and design of single plate shear connections. types of shear connections. The most common types are the angle/plate connections,. plate shear connection states: Shear Plate Connection Design.
From www.eng-tips.com
Shear plate of bolted connection inside or outside the web of a channel Shear Plate Connection Design this paper presents the summary of a research project on the behavior and design of single plate shear connections. shear connection design (worked example) in this section, we will show an example of single plate shear. The most common types are the angle/plate connections,. types of shear connections. plate shear connection states: Shear Plate Connection Design.
From www.steelconstruction.info
Simple connections SteelConstruction.info Shear Plate Connection Design The most common types are the angle/plate connections,. types of shear connections. plate shear connection states: shear connection design (worked example) in this section, we will show an example of single plate shear. this paper presents the summary of a research project on the behavior and design of single plate shear connections. Shear Plate Connection Design.
From www.youtube.com
How to Create Shear Plate Connection? YouTube Shear Plate Connection Design The most common types are the angle/plate connections,. shear connection design (worked example) in this section, we will show an example of single plate shear. types of shear connections. plate shear connection states: this paper presents the summary of a research project on the behavior and design of single plate shear connections. Shear Plate Connection Design.
From steeltubeinstitute.org
Deep Dive into HSS Shear and Moment Connection Examples Steel Tube Shear Plate Connection Design plate shear connection states: this paper presents the summary of a research project on the behavior and design of single plate shear connections. types of shear connections. shear connection design (worked example) in this section, we will show an example of single plate shear. The most common types are the angle/plate connections,. Shear Plate Connection Design.
From www.researchgate.net
(PDF) Design of Unstiffened Extended SinglePlate Shear Connections Shear Plate Connection Design plate shear connection states: types of shear connections. shear connection design (worked example) in this section, we will show an example of single plate shear. this paper presents the summary of a research project on the behavior and design of single plate shear connections. The most common types are the angle/plate connections,. Shear Plate Connection Design.
From asp.civilbay.com
AISC Steel Connection Design Software CISC S16 Steel Connection Design Shear Plate Connection Design The most common types are the angle/plate connections,. types of shear connections. plate shear connection states: this paper presents the summary of a research project on the behavior and design of single plate shear connections. shear connection design (worked example) in this section, we will show an example of single plate shear. Shear Plate Connection Design.
From asp.civilbay.com
AISC Steel Connection Design Software CISC S16 Steel Connection Design Shear Plate Connection Design this paper presents the summary of a research project on the behavior and design of single plate shear connections. The most common types are the angle/plate connections,. plate shear connection states: shear connection design (worked example) in this section, we will show an example of single plate shear. types of shear connections. Shear Plate Connection Design.
From www.steelconn.uk
The line of shear transfer in fin plate connections Shear Plate Connection Design this paper presents the summary of a research project on the behavior and design of single plate shear connections. plate shear connection states: shear connection design (worked example) in this section, we will show an example of single plate shear. The most common types are the angle/plate connections,. types of shear connections. Shear Plate Connection Design.
From asp.civilbay.com
AISC Steel Connection Design Software CISC S16 Steel Connection Design Shear Plate Connection Design shear connection design (worked example) in this section, we will show an example of single plate shear. this paper presents the summary of a research project on the behavior and design of single plate shear connections. plate shear connection states: types of shear connections. The most common types are the angle/plate connections,. Shear Plate Connection Design.
From www.researchgate.net
Singleplate shear connection used in the gravity frames Download Shear Plate Connection Design types of shear connections. shear connection design (worked example) in this section, we will show an example of single plate shear. plate shear connection states: The most common types are the angle/plate connections,. this paper presents the summary of a research project on the behavior and design of single plate shear connections. Shear Plate Connection Design.
From www.ideastatica.com
Shear connection get the best of it! IDEA StatiCa Shear Plate Connection Design The most common types are the angle/plate connections,. plate shear connection states: shear connection design (worked example) in this section, we will show an example of single plate shear. this paper presents the summary of a research project on the behavior and design of single plate shear connections. types of shear connections. Shear Plate Connection Design.
From www.pinterest.es
AISC Beam to Beam with directly welded flanges and shear plate Shear Plate Connection Design types of shear connections. plate shear connection states: shear connection design (worked example) in this section, we will show an example of single plate shear. The most common types are the angle/plate connections,. this paper presents the summary of a research project on the behavior and design of single plate shear connections. Shear Plate Connection Design.
From www.youtube.com
Applying a Shear Plate Moment Connection in Revit YouTube Shear Plate Connection Design plate shear connection states: The most common types are the angle/plate connections,. types of shear connections. this paper presents the summary of a research project on the behavior and design of single plate shear connections. shear connection design (worked example) in this section, we will show an example of single plate shear. Shear Plate Connection Design.
From www.eng-tips.com
Conventional Shear Plate Connection AISC Structural engineering Shear Plate Connection Design types of shear connections. shear connection design (worked example) in this section, we will show an example of single plate shear. this paper presents the summary of a research project on the behavior and design of single plate shear connections. The most common types are the angle/plate connections,. plate shear connection states: Shear Plate Connection Design.
From www.ideastatica.com
Single Plate Shear Connections IDEA StatiCa Shear Plate Connection Design shear connection design (worked example) in this section, we will show an example of single plate shear. types of shear connections. The most common types are the angle/plate connections,. plate shear connection states: this paper presents the summary of a research project on the behavior and design of single plate shear connections. Shear Plate Connection Design.
From www.researchgate.net
The main components of the new highperformance steel plate shear wall Shear Plate Connection Design plate shear connection states: The most common types are the angle/plate connections,. shear connection design (worked example) in this section, we will show an example of single plate shear. this paper presents the summary of a research project on the behavior and design of single plate shear connections. types of shear connections. Shear Plate Connection Design.
From www.youtube.com
Shear connection design between beam and column Part 5 IS 8002007 Shear Plate Connection Design types of shear connections. shear connection design (worked example) in this section, we will show an example of single plate shear. this paper presents the summary of a research project on the behavior and design of single plate shear connections. plate shear connection states: The most common types are the angle/plate connections,. Shear Plate Connection Design.