Equalization Charge Voltage . This ensures that each battery has an equal chance of delivering its full capacity before it needs to be recharged again. This high level of charge frees the sulfur ions back into the electrolyte and desulfates it.   equalizing a battery is done by applying a 10% higher voltage than the recommended charge voltage.   the difference of effective voltage causes the current unbalance and it is used for the charge equalization. The high voltage also forces the acid accumulated at the bottom of the cell to rise up and mix equally with the water. An equalizing charge is simply an intentional overcharge to eliminate sulfate crystals that accumulate What does battery equalization mean?   applying a periodic equalizing charge brings all cells to similar levels by increasing the voltage to 2.50v/cell, or 10.   the procedure of mixing the electrolyte in batteries by temporarily overcharging the batteries is known as equalization charge.
        
         
         
        from www.researchgate.net 
     
        
        What does battery equalization mean?   the procedure of mixing the electrolyte in batteries by temporarily overcharging the batteries is known as equalization charge.   applying a periodic equalizing charge brings all cells to similar levels by increasing the voltage to 2.50v/cell, or 10. The high voltage also forces the acid accumulated at the bottom of the cell to rise up and mix equally with the water. This high level of charge frees the sulfur ions back into the electrolyte and desulfates it.   equalizing a battery is done by applying a 10% higher voltage than the recommended charge voltage.   the difference of effective voltage causes the current unbalance and it is used for the charge equalization. This ensures that each battery has an equal chance of delivering its full capacity before it needs to be recharged again. An equalizing charge is simply an intentional overcharge to eliminate sulfate crystals that accumulate
    
    	
            
	
		 
	 
         
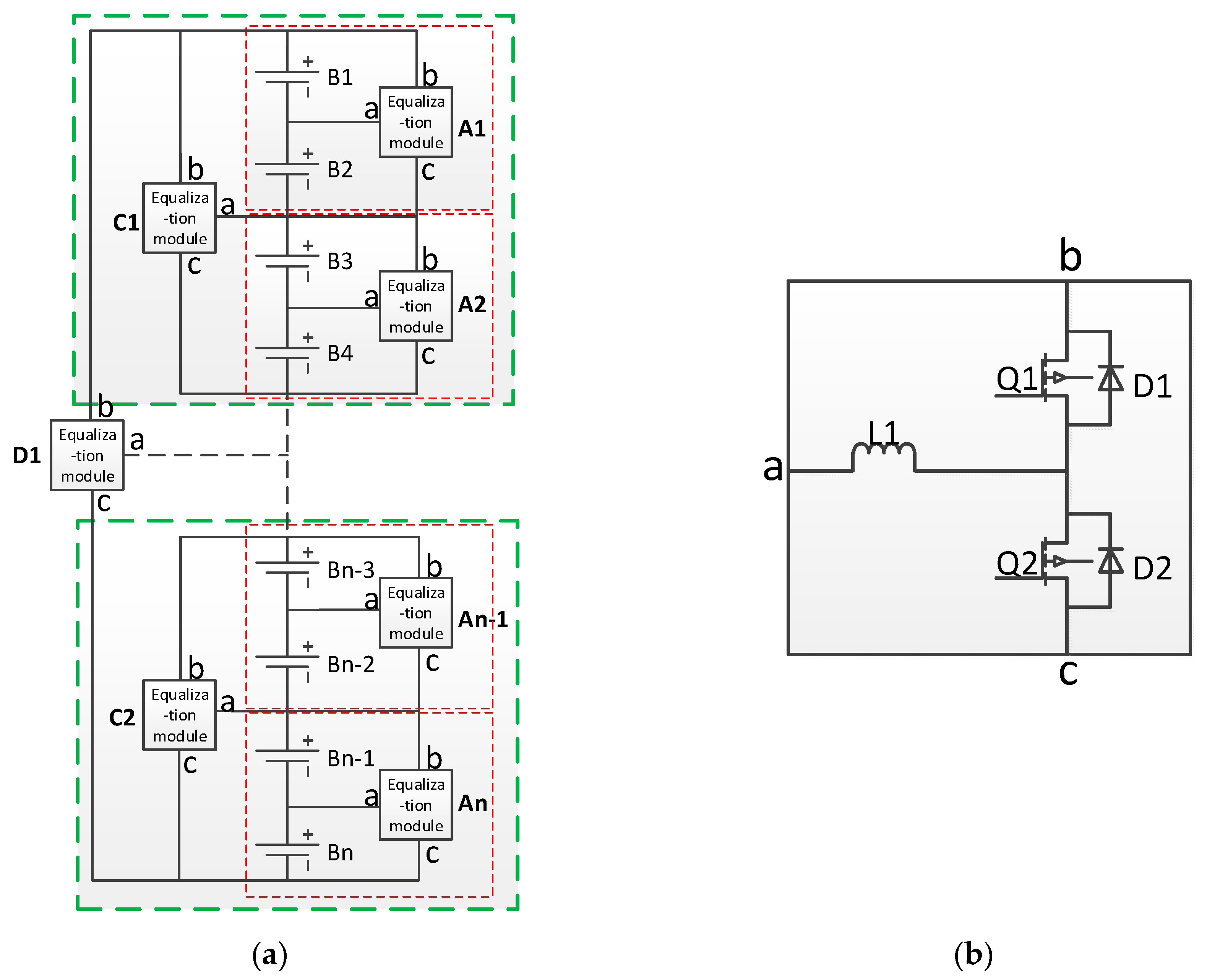
    Equivalent circuit diagram of charge equalization. (a) Stage Ⅰ, (b 
    Equalization Charge Voltage  The high voltage also forces the acid accumulated at the bottom of the cell to rise up and mix equally with the water. This ensures that each battery has an equal chance of delivering its full capacity before it needs to be recharged again.   the procedure of mixing the electrolyte in batteries by temporarily overcharging the batteries is known as equalization charge.   applying a periodic equalizing charge brings all cells to similar levels by increasing the voltage to 2.50v/cell, or 10. An equalizing charge is simply an intentional overcharge to eliminate sulfate crystals that accumulate This high level of charge frees the sulfur ions back into the electrolyte and desulfates it. The high voltage also forces the acid accumulated at the bottom of the cell to rise up and mix equally with the water.   equalizing a battery is done by applying a 10% higher voltage than the recommended charge voltage.   the difference of effective voltage causes the current unbalance and it is used for the charge equalization. What does battery equalization mean?
            
	
		 
	 
         
 
    
         
        From exypjtfjm.blob.core.windows.net 
                    Fully Charged Gel Battery Voltage at Doris blog Equalization Charge Voltage    the difference of effective voltage causes the current unbalance and it is used for the charge equalization. An equalizing charge is simply an intentional overcharge to eliminate sulfate crystals that accumulate What does battery equalization mean?   equalizing a battery is done by applying a 10% higher voltage than the recommended charge voltage. This high level of charge frees. Equalization Charge Voltage.
     
    
         
        From www.electricalvolt.com 
                    Load Equalization in Electrical Drives Equalization Charge Voltage  The high voltage also forces the acid accumulated at the bottom of the cell to rise up and mix equally with the water.   equalizing a battery is done by applying a 10% higher voltage than the recommended charge voltage. What does battery equalization mean? An equalizing charge is simply an intentional overcharge to eliminate sulfate crystals that accumulate This. Equalization Charge Voltage.
     
    
         
        From npplithium.com 
                    How to make battery equalization charge? NPP POWER Equalization Charge Voltage    the procedure of mixing the electrolyte in batteries by temporarily overcharging the batteries is known as equalization charge.   the difference of effective voltage causes the current unbalance and it is used for the charge equalization.   equalizing a battery is done by applying a 10% higher voltage than the recommended charge voltage. This ensures that each battery has. Equalization Charge Voltage.
     
    
         
        From www.semanticscholar.org 
                    Figure 10 from Optimal CCCV charging of lithiumion battery for charge Equalization Charge Voltage  This high level of charge frees the sulfur ions back into the electrolyte and desulfates it. The high voltage also forces the acid accumulated at the bottom of the cell to rise up and mix equally with the water.   equalizing a battery is done by applying a 10% higher voltage than the recommended charge voltage. This ensures that each. Equalization Charge Voltage.
     
    
         
        From www.researchgate.net 
                    Charge equalization of nbattery cells. Download Scientific Diagram Equalization Charge Voltage  An equalizing charge is simply an intentional overcharge to eliminate sulfate crystals that accumulate The high voltage also forces the acid accumulated at the bottom of the cell to rise up and mix equally with the water.   equalizing a battery is done by applying a 10% higher voltage than the recommended charge voltage. What does battery equalization mean? . Equalization Charge Voltage.
     
    
         
        From www.researchgate.net 
                    Singlelayer direct equalization voltage waveform. Download Equalization Charge Voltage  This high level of charge frees the sulfur ions back into the electrolyte and desulfates it. An equalizing charge is simply an intentional overcharge to eliminate sulfate crystals that accumulate The high voltage also forces the acid accumulated at the bottom of the cell to rise up and mix equally with the water.   the difference of effective voltage causes. Equalization Charge Voltage.
     
    
         
        From www.researchgate.net 
                    The proposed voltage equalization circuit schematic. Download Equalization Charge Voltage  What does battery equalization mean? The high voltage also forces the acid accumulated at the bottom of the cell to rise up and mix equally with the water.   the difference of effective voltage causes the current unbalance and it is used for the charge equalization. This high level of charge frees the sulfur ions back into the electrolyte and. Equalization Charge Voltage.
     
    
         
        From support.rollsbattery.com 
                    Calculating Proper Charge Settings for Rolls Flooded LeadAcid Equalization Charge Voltage  This ensures that each battery has an equal chance of delivering its full capacity before it needs to be recharged again. What does battery equalization mean?   equalizing a battery is done by applying a 10% higher voltage than the recommended charge voltage.   the difference of effective voltage causes the current unbalance and it is used for the charge. Equalization Charge Voltage.
     
    
         
        From circuitdataeugene.z21.web.core.windows.net 
                    What Is Battery Equalization Voltage Equalization Charge Voltage  This high level of charge frees the sulfur ions back into the electrolyte and desulfates it. An equalizing charge is simply an intentional overcharge to eliminate sulfate crystals that accumulate What does battery equalization mean?   the procedure of mixing the electrolyte in batteries by temporarily overcharging the batteries is known as equalization charge.   equalizing a battery is done. Equalization Charge Voltage.
     
    
         
        From www.semanticscholar.org 
                    Figure 1 from Consideration about novel cell voltage equalization Equalization Charge Voltage  The high voltage also forces the acid accumulated at the bottom of the cell to rise up and mix equally with the water.   applying a periodic equalizing charge brings all cells to similar levels by increasing the voltage to 2.50v/cell, or 10. What does battery equalization mean?   equalizing a battery is done by applying a 10% higher voltage. Equalization Charge Voltage.
     
    
         
        From www.researchgate.net 
                    Principle of equalization circuits for cells in series. Download Equalization Charge Voltage  The high voltage also forces the acid accumulated at the bottom of the cell to rise up and mix equally with the water. This high level of charge frees the sulfur ions back into the electrolyte and desulfates it.   the procedure of mixing the electrolyte in batteries by temporarily overcharging the batteries is known as equalization charge.   equalizing. Equalization Charge Voltage.
     
    
         
        From www.semanticscholar.org 
                    Figure 1 from Charge equalization of battery power modules in series Equalization Charge Voltage    the procedure of mixing the electrolyte in batteries by temporarily overcharging the batteries is known as equalization charge. This ensures that each battery has an equal chance of delivering its full capacity before it needs to be recharged again. An equalizing charge is simply an intentional overcharge to eliminate sulfate crystals that accumulate   the difference of effective voltage. Equalization Charge Voltage.
     
    
         
        From www.semanticscholar.org 
                    Figure 4 from Equalization Chargedischarge Control Strategy for Series Equalization Charge Voltage    applying a periodic equalizing charge brings all cells to similar levels by increasing the voltage to 2.50v/cell, or 10. This high level of charge frees the sulfur ions back into the electrolyte and desulfates it. What does battery equalization mean?   equalizing a battery is done by applying a 10% higher voltage than the recommended charge voltage. The high. Equalization Charge Voltage.
     
    
         
        From www.researchgate.net 
                    , topology of charge equalization by twolevel control mechanism Equalization Charge Voltage    the difference of effective voltage causes the current unbalance and it is used for the charge equalization.   applying a periodic equalizing charge brings all cells to similar levels by increasing the voltage to 2.50v/cell, or 10. What does battery equalization mean?   the procedure of mixing the electrolyte in batteries by temporarily overcharging the batteries is known as. Equalization Charge Voltage.
     
    
         
        From www.researchgate.net 
                    Circuit model of a charge equalization controller. Download Equalization Charge Voltage  This high level of charge frees the sulfur ions back into the electrolyte and desulfates it. This ensures that each battery has an equal chance of delivering its full capacity before it needs to be recharged again.   the difference of effective voltage causes the current unbalance and it is used for the charge equalization. An equalizing charge is simply. Equalization Charge Voltage.
     
    
         
        From npplithium.com 
                    How to equalization charge Lithium ion battery pack(Cell Balancing Equalization Charge Voltage  An equalizing charge is simply an intentional overcharge to eliminate sulfate crystals that accumulate What does battery equalization mean? The high voltage also forces the acid accumulated at the bottom of the cell to rise up and mix equally with the water.   equalizing a battery is done by applying a 10% higher voltage than the recommended charge voltage. This. Equalization Charge Voltage.
     
    
         
        From npplithium.com 
                    How to equalization charge Lithium ion battery pack(Cell Balancing Equalization Charge Voltage    the difference of effective voltage causes the current unbalance and it is used for the charge equalization. This ensures that each battery has an equal chance of delivering its full capacity before it needs to be recharged again. An equalizing charge is simply an intentional overcharge to eliminate sulfate crystals that accumulate This high level of charge frees the. Equalization Charge Voltage.
     
    
         
        From www.mdpi.com 
                    Electronics Free FullText A Negative Charge Pump Using Enhanced Equalization Charge Voltage  What does battery equalization mean?   the procedure of mixing the electrolyte in batteries by temporarily overcharging the batteries is known as equalization charge.   equalizing a battery is done by applying a 10% higher voltage than the recommended charge voltage.   the difference of effective voltage causes the current unbalance and it is used for the charge equalization. . Equalization Charge Voltage.
     
    
         
        From diagramsybylne.z13.web.core.windows.net 
                    Charging Voltage For 12 Volt Battery Equalization Charge Voltage    applying a periodic equalizing charge brings all cells to similar levels by increasing the voltage to 2.50v/cell, or 10. The high voltage also forces the acid accumulated at the bottom of the cell to rise up and mix equally with the water. An equalizing charge is simply an intentional overcharge to eliminate sulfate crystals that accumulate This ensures that. Equalization Charge Voltage.
     
    
         
        From www.researchgate.net 
                    (PDF) Voltage equalization circuit for retired batteries for energy Equalization Charge Voltage  An equalizing charge is simply an intentional overcharge to eliminate sulfate crystals that accumulate This high level of charge frees the sulfur ions back into the electrolyte and desulfates it. What does battery equalization mean?   the procedure of mixing the electrolyte in batteries by temporarily overcharging the batteries is known as equalization charge.   equalizing a battery is done. Equalization Charge Voltage.
     
    
         
        From wiredatajestuno.z21.web.core.windows.net 
                    What Is Equalization Charging In Batteries Equalization Charge Voltage  The high voltage also forces the acid accumulated at the bottom of the cell to rise up and mix equally with the water. An equalizing charge is simply an intentional overcharge to eliminate sulfate crystals that accumulate   equalizing a battery is done by applying a 10% higher voltage than the recommended charge voltage.   the procedure of mixing the. Equalization Charge Voltage.
     
    
         
        From beckamnugraha3.blogspot.com 
                    Chart Of Charge State Of 48 Volt Lithium Batteries / Curious Case of 50 Equalization Charge Voltage  What does battery equalization mean?   applying a periodic equalizing charge brings all cells to similar levels by increasing the voltage to 2.50v/cell, or 10. An equalizing charge is simply an intentional overcharge to eliminate sulfate crystals that accumulate   the procedure of mixing the electrolyte in batteries by temporarily overcharging the batteries is known as equalization charge.   equalizing. Equalization Charge Voltage.
     
    
         
        From www.slideserve.com 
                    PPT Charge Controllers PowerPoint Presentation, free download ID Equalization Charge Voltage    equalizing a battery is done by applying a 10% higher voltage than the recommended charge voltage. What does battery equalization mean? This ensures that each battery has an equal chance of delivering its full capacity before it needs to be recharged again.   the difference of effective voltage causes the current unbalance and it is used for the charge. Equalization Charge Voltage.
     
    
         
        From www.researchgate.net 
                    Voltage curve during equalization process. Download Scientific Diagram Equalization Charge Voltage  What does battery equalization mean?   the difference of effective voltage causes the current unbalance and it is used for the charge equalization. An equalizing charge is simply an intentional overcharge to eliminate sulfate crystals that accumulate This high level of charge frees the sulfur ions back into the electrolyte and desulfates it. This ensures that each battery has an. Equalization Charge Voltage.
     
    
         
        From www.researchgate.net 
                    Equivalent circuit diagram of charge equalization. (a) Stage Ⅰ, (b Equalization Charge Voltage    the procedure of mixing the electrolyte in batteries by temporarily overcharging the batteries is known as equalization charge.   applying a periodic equalizing charge brings all cells to similar levels by increasing the voltage to 2.50v/cell, or 10. The high voltage also forces the acid accumulated at the bottom of the cell to rise up and mix equally with. Equalization Charge Voltage.
     
    
         
        From www.youtube.com 
                    Understanding Constant Voltage and Constant Current YouTube Equalization Charge Voltage  An equalizing charge is simply an intentional overcharge to eliminate sulfate crystals that accumulate The high voltage also forces the acid accumulated at the bottom of the cell to rise up and mix equally with the water. What does battery equalization mean?   equalizing a battery is done by applying a 10% higher voltage than the recommended charge voltage. . Equalization Charge Voltage.
     
    
         
        From www.researchgate.net 
                    Proposed charge equalization converter. Download Scientific Diagram Equalization Charge Voltage    the procedure of mixing the electrolyte in batteries by temporarily overcharging the batteries is known as equalization charge.   applying a periodic equalizing charge brings all cells to similar levels by increasing the voltage to 2.50v/cell, or 10.   the difference of effective voltage causes the current unbalance and it is used for the charge equalization. This high level. Equalization Charge Voltage.
     
    
         
        From electronics.stackexchange.com 
                    batteries Inverter charger doesn't have EQUALIZATION feature for Equalization Charge Voltage  What does battery equalization mean?   the difference of effective voltage causes the current unbalance and it is used for the charge equalization.   equalizing a battery is done by applying a 10% higher voltage than the recommended charge voltage.   the procedure of mixing the electrolyte in batteries by temporarily overcharging the batteries is known as equalization charge. The. Equalization Charge Voltage.
     
    
         
        From www.researchgate.net 
                    Battery charge cutoff voltage before and after equalization Download Equalization Charge Voltage  The high voltage also forces the acid accumulated at the bottom of the cell to rise up and mix equally with the water.   applying a periodic equalizing charge brings all cells to similar levels by increasing the voltage to 2.50v/cell, or 10. This ensures that each battery has an equal chance of delivering its full capacity before it needs. Equalization Charge Voltage.
     
    
         
        From www.mdpi.com 
                    Energies Free FullText Control Strategy for Active Hierarchical Equalization Charge Voltage    the procedure of mixing the electrolyte in batteries by temporarily overcharging the batteries is known as equalization charge. This ensures that each battery has an equal chance of delivering its full capacity before it needs to be recharged again.   applying a periodic equalizing charge brings all cells to similar levels by increasing the voltage to 2.50v/cell, or 10.. Equalization Charge Voltage.
     
    
         
        From www.researchgate.net 
                    Charge equalization using ICE's. Download Scientific Diagram Equalization Charge Voltage  What does battery equalization mean? The high voltage also forces the acid accumulated at the bottom of the cell to rise up and mix equally with the water.   equalizing a battery is done by applying a 10% higher voltage than the recommended charge voltage. An equalizing charge is simply an intentional overcharge to eliminate sulfate crystals that accumulate This. Equalization Charge Voltage.
     
    
         
        From npplithium.com 
                    How to equalization charge Lithium ion battery pack(Cell Balancing Equalization Charge Voltage  What does battery equalization mean? This ensures that each battery has an equal chance of delivering its full capacity before it needs to be recharged again. The high voltage also forces the acid accumulated at the bottom of the cell to rise up and mix equally with the water.   the procedure of mixing the electrolyte in batteries by temporarily. Equalization Charge Voltage.
     
    
         
        From www.researchgate.net 
                    Cell voltages during equalization experiments. (a) Proposed equalizer Equalization Charge Voltage  The high voltage also forces the acid accumulated at the bottom of the cell to rise up and mix equally with the water. This high level of charge frees the sulfur ions back into the electrolyte and desulfates it. An equalizing charge is simply an intentional overcharge to eliminate sulfate crystals that accumulate What does battery equalization mean?   applying. Equalization Charge Voltage.
     
    
         
        From www.researchgate.net 
                    22 Schematic of the precharge/equalization circuit. Download Equalization Charge Voltage    applying a periodic equalizing charge brings all cells to similar levels by increasing the voltage to 2.50v/cell, or 10. What does battery equalization mean? The high voltage also forces the acid accumulated at the bottom of the cell to rise up and mix equally with the water.   the difference of effective voltage causes the current unbalance and it. Equalization Charge Voltage.
     
    
         
        From www.researchgate.net 
                    Diagram of the charge equalization technique used in CESs. Download Equalization Charge Voltage    equalizing a battery is done by applying a 10% higher voltage than the recommended charge voltage. The high voltage also forces the acid accumulated at the bottom of the cell to rise up and mix equally with the water.   the procedure of mixing the electrolyte in batteries by temporarily overcharging the batteries is known as equalization charge. . Equalization Charge Voltage.