Control Valve Backhoe Adjustment . If adjustment is needed, put your wrench on the flats on the actuator plate, and another wrench on the joystick lever nut on top. Per my shop manual i was to have 2702 psi at a rear remote at wide open throttle. My la463 front end loader control valve must have either a stuck spring, or a broken spring. The actual adjustment was a. Learn more about adjust control valve linkage, hydraulic cylinder repair, general hydraulic. The loader is an international harvester brand. Download manual for woods equipment bh6000. Remove cap from top of. When the control lever is moved to the. I have recently bought a 574 with a front end loader on it. If there’s anyone out there looking to get more power out of their kubota bx front end loader like i was then feel free to check out this video, i explain what the relief valve. To adjust relief valve setting, place a 3000 psi pressure gauge in the line attached to the valve inlet (in) port.
from avspare.com
The actual adjustment was a. To adjust relief valve setting, place a 3000 psi pressure gauge in the line attached to the valve inlet (in) port. Download manual for woods equipment bh6000. I have recently bought a 574 with a front end loader on it. Per my shop manual i was to have 2702 psi at a rear remote at wide open throttle. Learn more about adjust control valve linkage, hydraulic cylinder repair, general hydraulic. When the control lever is moved to the. If there’s anyone out there looking to get more power out of their kubota bx front end loader like i was then feel free to check out this video, i explain what the relief valve. Remove cap from top of. The loader is an international harvester brand.
(35) LOADER AND BACKHOE FOR 580CK SERIES B (1/7312/83) (208) CASE BACKHOE CONTROL VALVE
Control Valve Backhoe Adjustment When the control lever is moved to the. When the control lever is moved to the. Learn more about adjust control valve linkage, hydraulic cylinder repair, general hydraulic. Download manual for woods equipment bh6000. To adjust relief valve setting, place a 3000 psi pressure gauge in the line attached to the valve inlet (in) port. My la463 front end loader control valve must have either a stuck spring, or a broken spring. If adjustment is needed, put your wrench on the flats on the actuator plate, and another wrench on the joystick lever nut on top. The actual adjustment was a. Per my shop manual i was to have 2702 psi at a rear remote at wide open throttle. The loader is an international harvester brand. If there’s anyone out there looking to get more power out of their kubota bx front end loader like i was then feel free to check out this video, i explain what the relief valve. Remove cap from top of. I have recently bought a 574 with a front end loader on it.
From www.bigrentz.com
How to Operate a Backhoe (Video Tutorial) BigRentz Control Valve Backhoe Adjustment To adjust relief valve setting, place a 3000 psi pressure gauge in the line attached to the valve inlet (in) port. When the control lever is moved to the. If adjustment is needed, put your wrench on the flats on the actuator plate, and another wrench on the joystick lever nut on top. Per my shop manual i was to. Control Valve Backhoe Adjustment.
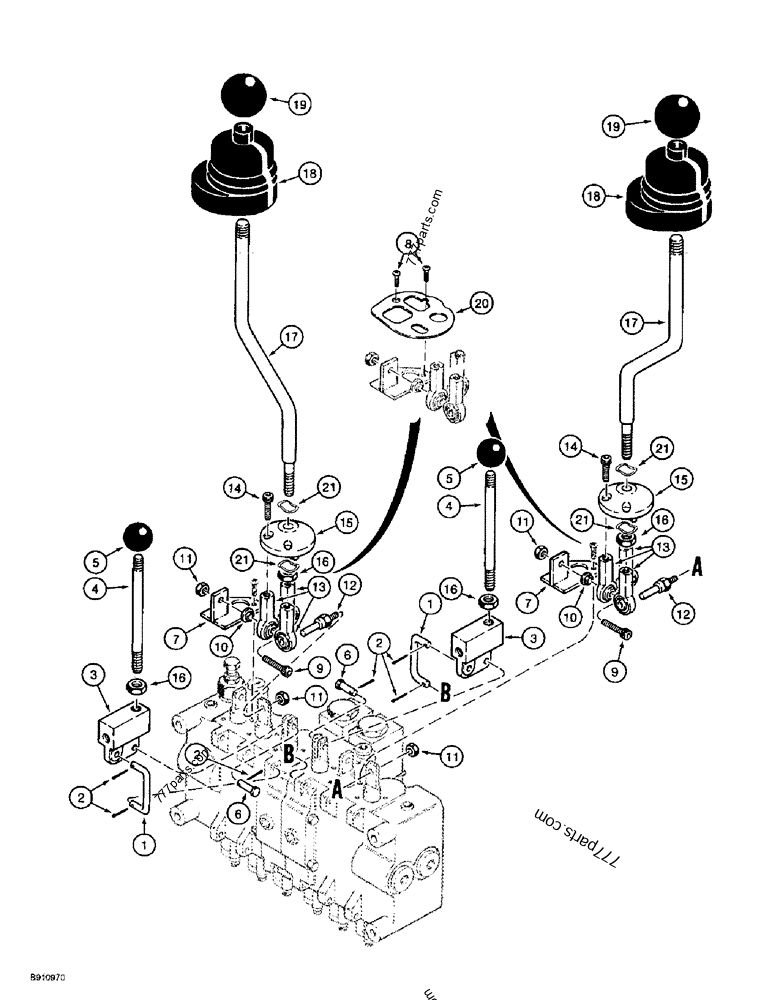
From akita-mitsubishi.co.jp
Valves & Manifolds Business & Industrial 21 GPM Hydraulic Backhoe Directional Control Valve w/ 2 Control Valve Backhoe Adjustment Download manual for woods equipment bh6000. To adjust relief valve setting, place a 3000 psi pressure gauge in the line attached to the valve inlet (in) port. My la463 front end loader control valve must have either a stuck spring, or a broken spring. Learn more about adjust control valve linkage, hydraulic cylinder repair, general hydraulic. I have recently bought. Control Valve Backhoe Adjustment.
From avspare.com
(35) LOADER AND BACKHOE FOR 580CK SERIES B (1/7312/83) (208) CASE BACKHOE CONTROL VALVE Control Valve Backhoe Adjustment I have recently bought a 574 with a front end loader on it. If there’s anyone out there looking to get more power out of their kubota bx front end loader like i was then feel free to check out this video, i explain what the relief valve. Remove cap from top of. The loader is an international harvester brand.. Control Valve Backhoe Adjustment.
From spare.avspart.com
(580SL) SERIES 2 LOADER BACKHOE ASN JJG0258464 (4/9412/00) (8102) BACKHOE CONTROL VALVE Control Valve Backhoe Adjustment The loader is an international harvester brand. Download manual for woods equipment bh6000. When the control lever is moved to the. I have recently bought a 574 with a front end loader on it. My la463 front end loader control valve must have either a stuck spring, or a broken spring. If adjustment is needed, put your wrench on the. Control Valve Backhoe Adjustment.
From wiringschema.com
[DIAGRAM] Ford Backhoe Controls Diagram Control Valve Backhoe Adjustment When the control lever is moved to the. The loader is an international harvester brand. If adjustment is needed, put your wrench on the flats on the actuator plate, and another wrench on the joystick lever nut on top. Per my shop manual i was to have 2702 psi at a rear remote at wide open throttle. If there’s anyone. Control Valve Backhoe Adjustment.
From www.youtube.com
John Deere 440 ID Backhoe Pressure Relief Valve Assembly YouTube Control Valve Backhoe Adjustment Remove cap from top of. To adjust relief valve setting, place a 3000 psi pressure gauge in the line attached to the valve inlet (in) port. I have recently bought a 574 with a front end loader on it. If there’s anyone out there looking to get more power out of their kubota bx front end loader like i was. Control Valve Backhoe Adjustment.
From 777parts.net
BACKHOE CONTROL VALVE BACKHOE BOOM CYLINDER SECTION 580LE CGG0150004 LOADER BACKHOES Case Control Valve Backhoe Adjustment My la463 front end loader control valve must have either a stuck spring, or a broken spring. If adjustment is needed, put your wrench on the flats on the actuator plate, and another wrench on the joystick lever nut on top. When the control lever is moved to the. Download manual for woods equipment bh6000. Learn more about adjust control. Control Valve Backhoe Adjustment.
From 777parts.net
BACKHOE CONTROL VALVE, BUCKET AND DIPPER SECTIONS LOADER BACKHOES Case 580K LOADER BACKHOE Control Valve Backhoe Adjustment The actual adjustment was a. Download manual for woods equipment bh6000. Learn more about adjust control valve linkage, hydraulic cylinder repair, general hydraulic. My la463 front end loader control valve must have either a stuck spring, or a broken spring. If there’s anyone out there looking to get more power out of their kubota bx front end loader like i. Control Valve Backhoe Adjustment.
From www.jackssmallengines.com
DR Power Dirt Boss Backhoe Parts Diagram for Valve and Fittings Control Valve Backhoe Adjustment I have recently bought a 574 with a front end loader on it. My la463 front end loader control valve must have either a stuck spring, or a broken spring. If adjustment is needed, put your wrench on the flats on the actuator plate, and another wrench on the joystick lever nut on top. Per my shop manual i was. Control Valve Backhoe Adjustment.
From www.greentractortalk.com
Changing 260 Backhoe control pattern to SAE Control Valve Backhoe Adjustment Download manual for woods equipment bh6000. My la463 front end loader control valve must have either a stuck spring, or a broken spring. To adjust relief valve setting, place a 3000 psi pressure gauge in the line attached to the valve inlet (in) port. The actual adjustment was a. If there’s anyone out there looking to get more power out. Control Valve Backhoe Adjustment.
From www.youtube.com
Installing 3rd function SCV control valve in a John Deere 4 series. Grapple controls 712 YouTube Control Valve Backhoe Adjustment I have recently bought a 574 with a front end loader on it. Download manual for woods equipment bh6000. Learn more about adjust control valve linkage, hydraulic cylinder repair, general hydraulic. The actual adjustment was a. If there’s anyone out there looking to get more power out of their kubota bx front end loader like i was then feel free. Control Valve Backhoe Adjustment.
From 777parts.com
BACKHOE CONTROL VALVE, CONTROL LEVERS, D125 BACKHOE FORKLIFTS Case 560 (CASE TRENCHER (1/9312 Control Valve Backhoe Adjustment Download manual for woods equipment bh6000. Per my shop manual i was to have 2702 psi at a rear remote at wide open throttle. If adjustment is needed, put your wrench on the flats on the actuator plate, and another wrench on the joystick lever nut on top. To adjust relief valve setting, place a 3000 psi pressure gauge in. Control Valve Backhoe Adjustment.
From gulfsouthequip.com
85999155 FORD 555C 555D SERIES BACKHOE LOADER CONTROL VALVE, NEED TO KNOW 2 OR 3 SPOOLS, USED Control Valve Backhoe Adjustment I have recently bought a 574 with a front end loader on it. Per my shop manual i was to have 2702 psi at a rear remote at wide open throttle. To adjust relief valve setting, place a 3000 psi pressure gauge in the line attached to the valve inlet (in) port. The loader is an international harvester brand. If. Control Valve Backhoe Adjustment.
From www.car-auto-repair.com
JCB 3CX Backhoe Loader Excavator Valve Controls Dismantling and Assembly Auto Repair Control Valve Backhoe Adjustment When the control lever is moved to the. To adjust relief valve setting, place a 3000 psi pressure gauge in the line attached to the valve inlet (in) port. Learn more about adjust control valve linkage, hydraulic cylinder repair, general hydraulic. Per my shop manual i was to have 2702 psi at a rear remote at wide open throttle. If. Control Valve Backhoe Adjustment.
From www.youtube.com
How To Change JD 1025R 260 Backhoe From ISO To SAE Control Pattern YouTube Control Valve Backhoe Adjustment Remove cap from top of. When the control lever is moved to the. Download manual for woods equipment bh6000. The loader is an international harvester brand. I have recently bought a 574 with a front end loader on it. Per my shop manual i was to have 2702 psi at a rear remote at wide open throttle. If there’s anyone. Control Valve Backhoe Adjustment.
From www.youtube.com
Tutorial rear control valve Backhoe Case 580k YouTube Control Valve Backhoe Adjustment To adjust relief valve setting, place a 3000 psi pressure gauge in the line attached to the valve inlet (in) port. I have recently bought a 574 with a front end loader on it. When the control lever is moved to the. The actual adjustment was a. Download manual for woods equipment bh6000. Per my shop manual i was to. Control Valve Backhoe Adjustment.
From www.youtube.com
New helper and looking into the valve controls on the backhoe YouTube Control Valve Backhoe Adjustment Learn more about adjust control valve linkage, hydraulic cylinder repair, general hydraulic. The actual adjustment was a. Per my shop manual i was to have 2702 psi at a rear remote at wide open throttle. The loader is an international harvester brand. My la463 front end loader control valve must have either a stuck spring, or a broken spring. If. Control Valve Backhoe Adjustment.
From summit-hydraulics.com
Electric Double Acting Directional Control Valve, 3 Spool, 25 Control Valve Backhoe Adjustment Per my shop manual i was to have 2702 psi at a rear remote at wide open throttle. When the control lever is moved to the. If there’s anyone out there looking to get more power out of their kubota bx front end loader like i was then feel free to check out this video, i explain what the relief. Control Valve Backhoe Adjustment.
From summit-hydraulics.com
Monoblock Backhoe Control Valve, 2 Joysticks, 6 Spool, 21 GPM Control Valve Backhoe Adjustment If there’s anyone out there looking to get more power out of their kubota bx front end loader like i was then feel free to check out this video, i explain what the relief valve. To adjust relief valve setting, place a 3000 psi pressure gauge in the line attached to the valve inlet (in) port. When the control lever. Control Valve Backhoe Adjustment.
From avs.parts
310G BACKHOE, LOADER Backhoe Control Valve EPC John Deere 14H865 CF online AVS.Parts Control Valve Backhoe Adjustment The loader is an international harvester brand. Learn more about adjust control valve linkage, hydraulic cylinder repair, general hydraulic. The actual adjustment was a. My la463 front end loader control valve must have either a stuck spring, or a broken spring. To adjust relief valve setting, place a 3000 psi pressure gauge in the line attached to the valve inlet. Control Valve Backhoe Adjustment.
From testingaignitioncontrolmodule.top
How to adjust the engine valves on an OHV lawn mower engine TESTINGAIGNITIONCONTROLMODULE.TOP Control Valve Backhoe Adjustment The loader is an international harvester brand. If there’s anyone out there looking to get more power out of their kubota bx front end loader like i was then feel free to check out this video, i explain what the relief valve. Remove cap from top of. To adjust relief valve setting, place a 3000 psi pressure gauge in the. Control Valve Backhoe Adjustment.
From avspare.com
310A BACKHOE, LOADER REVERSER CLUTCH CONTROL VALVE AND PISTON ASSEMBLY [01C08] EPC John Deere Control Valve Backhoe Adjustment If there’s anyone out there looking to get more power out of their kubota bx front end loader like i was then feel free to check out this video, i explain what the relief valve. When the control lever is moved to the. I have recently bought a 574 with a front end loader on it. If adjustment is needed,. Control Valve Backhoe Adjustment.
From jbyyjx8899.en.made-in-china.com
Sectional Excavator Joystick Controller Backhoe Hydraulic Control Valve China Hydraulic Control Valve Backhoe Adjustment To adjust relief valve setting, place a 3000 psi pressure gauge in the line attached to the valve inlet (in) port. The loader is an international harvester brand. Per my shop manual i was to have 2702 psi at a rear remote at wide open throttle. My la463 front end loader control valve must have either a stuck spring, or. Control Valve Backhoe Adjustment.
From avspare.com
410E BACKHOE, LOADER Backhoe Control Valve EPC John Deere online Control Valve Backhoe Adjustment To adjust relief valve setting, place a 3000 psi pressure gauge in the line attached to the valve inlet (in) port. Per my shop manual i was to have 2702 psi at a rear remote at wide open throttle. Remove cap from top of. Download manual for woods equipment bh6000. When the control lever is moved to the. The loader. Control Valve Backhoe Adjustment.
From www.youtube.com
How to Check and set / Adjust the Valve Clearances on John Deere Lawn Tractor. 100 series.(LA, D Control Valve Backhoe Adjustment If adjustment is needed, put your wrench on the flats on the actuator plate, and another wrench on the joystick lever nut on top. I have recently bought a 574 with a front end loader on it. The loader is an international harvester brand. Learn more about adjust control valve linkage, hydraulic cylinder repair, general hydraulic. If there’s anyone out. Control Valve Backhoe Adjustment.
From 777parts.net
LOADER CONTROL VALVE STANDARD BUCKET SECTION LOADER BACKHOES Case 580M CASE BACKHOE LOADER Control Valve Backhoe Adjustment The loader is an international harvester brand. My la463 front end loader control valve must have either a stuck spring, or a broken spring. I have recently bought a 574 with a front end loader on it. Remove cap from top of. When the control lever is moved to the. Download manual for woods equipment bh6000. If there’s anyone out. Control Valve Backhoe Adjustment.
From www.youtube.com
Kubota Backhoe Maintenance Adjusting the Control Linkages (81) YouTube Control Valve Backhoe Adjustment When the control lever is moved to the. To adjust relief valve setting, place a 3000 psi pressure gauge in the line attached to the valve inlet (in) port. I have recently bought a 574 with a front end loader on it. If there’s anyone out there looking to get more power out of their kubota bx front end loader. Control Valve Backhoe Adjustment.
From www.thkbreaker.com.my
JCB Backhoe Control Valve Control Valve Backhoe Adjustment I have recently bought a 574 with a front end loader on it. If adjustment is needed, put your wrench on the flats on the actuator plate, and another wrench on the joystick lever nut on top. If there’s anyone out there looking to get more power out of their kubota bx front end loader like i was then feel. Control Valve Backhoe Adjustment.
From www.youtube.com
Yanmar Tractor Valves and Lever Adjustment YouTube Control Valve Backhoe Adjustment My la463 front end loader control valve must have either a stuck spring, or a broken spring. Learn more about adjust control valve linkage, hydraulic cylinder repair, general hydraulic. I have recently bought a 574 with a front end loader on it. If there’s anyone out there looking to get more power out of their kubota bx front end loader. Control Valve Backhoe Adjustment.
From 777parts.net
CONTROLS, LOADER VALVE CONSTRUCTION JCB 1400B2WD BACKHOE LOADER USA/CAN, 9802/8600, M306001 Control Valve Backhoe Adjustment Remove cap from top of. The loader is an international harvester brand. If adjustment is needed, put your wrench on the flats on the actuator plate, and another wrench on the joystick lever nut on top. Per my shop manual i was to have 2702 psi at a rear remote at wide open throttle. When the control lever is moved. Control Valve Backhoe Adjustment.
From www.youtube.com
Installation control valve backhoe YouTube Control Valve Backhoe Adjustment Download manual for woods equipment bh6000. Learn more about adjust control valve linkage, hydraulic cylinder repair, general hydraulic. Per my shop manual i was to have 2702 psi at a rear remote at wide open throttle. To adjust relief valve setting, place a 3000 psi pressure gauge in the line attached to the valve inlet (in) port. If adjustment is. Control Valve Backhoe Adjustment.
From blountparts.com
John Deere 310D Backhoe Control Valve Blount Parts LLC Control Valve Backhoe Adjustment Learn more about adjust control valve linkage, hydraulic cylinder repair, general hydraulic. My la463 front end loader control valve must have either a stuck spring, or a broken spring. The loader is an international harvester brand. Download manual for woods equipment bh6000. When the control lever is moved to the. Per my shop manual i was to have 2702 psi. Control Valve Backhoe Adjustment.
From 777parts.net
VALVE, CONTROL BACKHOE (D125) SKID STEER LOADERS Case 60XT CASE SKID STEER LOADER (1/0212 Control Valve Backhoe Adjustment The loader is an international harvester brand. I have recently bought a 574 with a front end loader on it. Learn more about adjust control valve linkage, hydraulic cylinder repair, general hydraulic. The actual adjustment was a. Per my shop manual i was to have 2702 psi at a rear remote at wide open throttle. When the control lever is. Control Valve Backhoe Adjustment.
From gulfsouthequip.com
550 555 555A 555B BACKHOE MAIN CONTROL VALVE, USED Gulf South Equipment Sales Control Valve Backhoe Adjustment My la463 front end loader control valve must have either a stuck spring, or a broken spring. Download manual for woods equipment bh6000. Remove cap from top of. The loader is an international harvester brand. Learn more about adjust control valve linkage, hydraulic cylinder repair, general hydraulic. I have recently bought a 574 with a front end loader on it.. Control Valve Backhoe Adjustment.
From www.youtube.com
How to Adjust Lawnmower Valves YouTube Control Valve Backhoe Adjustment When the control lever is moved to the. Remove cap from top of. To adjust relief valve setting, place a 3000 psi pressure gauge in the line attached to the valve inlet (in) port. My la463 front end loader control valve must have either a stuck spring, or a broken spring. If there’s anyone out there looking to get more. Control Valve Backhoe Adjustment.