Shift Fork B Position Circuit . the p2836 code refers to the shift fork ‘b’ position circuit in the transmission. This circuit is responsible for controlling the position of. learn what shift fork 'b' position circuit range/performance means, location and how to repair? The transmission has two electric motors that. code p2837 ford description. There are two electric motors used to shift the gears in the transmission, on for gears. the p2838 code refers to a problem with the shift fork ‘b’ position circuit. how to fix p2837. the p2837 ford code indicates a problem with the shift fork 'b' position circuit range/performance in the vehicle's. Begin by conducting a thorough inspection of the shift fork 'b' position sensor and its wiring.
from www.cmsnl.com
the p2838 code refers to a problem with the shift fork ‘b’ position circuit. the p2837 ford code indicates a problem with the shift fork 'b' position circuit range/performance in the vehicle's. There are two electric motors used to shift the gears in the transmission, on for gears. code p2837 ford description. The transmission has two electric motors that. Begin by conducting a thorough inspection of the shift fork 'b' position sensor and its wiring. This circuit is responsible for controlling the position of. the p2836 code refers to the shift fork ‘b’ position circuit in the transmission. how to fix p2837. learn what shift fork 'b' position circuit range/performance means, location and how to repair?
131400066 Forkshift,input Kawasaki buy the 131400066 at CMSNL
Shift Fork B Position Circuit The transmission has two electric motors that. the p2838 code refers to a problem with the shift fork ‘b’ position circuit. the p2836 code refers to the shift fork ‘b’ position circuit in the transmission. how to fix p2837. the p2837 ford code indicates a problem with the shift fork 'b' position circuit range/performance in the vehicle's. code p2837 ford description. learn what shift fork 'b' position circuit range/performance means, location and how to repair? The transmission has two electric motors that. There are two electric motors used to shift the gears in the transmission, on for gears. This circuit is responsible for controlling the position of. Begin by conducting a thorough inspection of the shift fork 'b' position sensor and its wiring.
From hxeheeyki.blob.core.windows.net
Manual Gear Box Shift at Shelly Marston blog Shift Fork B Position Circuit The transmission has two electric motors that. code p2837 ford description. Begin by conducting a thorough inspection of the shift fork 'b' position sensor and its wiring. There are two electric motors used to shift the gears in the transmission, on for gears. how to fix p2837. the p2837 ford code indicates a problem with the shift. Shift Fork B Position Circuit.
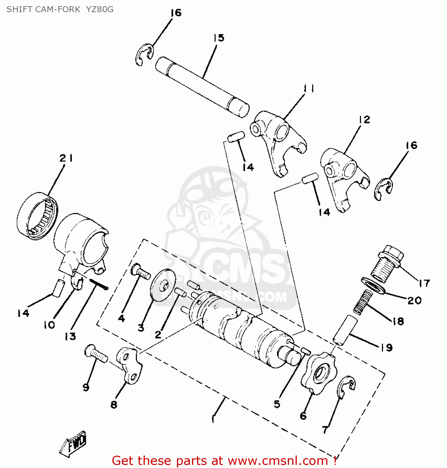
From www.inlandatv.com
SHIFT FORK 1 Shift Fork B Position Circuit the p2838 code refers to a problem with the shift fork ‘b’ position circuit. Begin by conducting a thorough inspection of the shift fork 'b' position sensor and its wiring. The transmission has two electric motors that. code p2837 ford description. how to fix p2837. the p2836 code refers to the shift fork ‘b’ position circuit. Shift Fork B Position Circuit.
From www.reddit.com
Ford Fiesta 2013 Fork A&B Position Circuit Problem r/MechanicAdvice Shift Fork B Position Circuit how to fix p2837. There are two electric motors used to shift the gears in the transmission, on for gears. learn what shift fork 'b' position circuit range/performance means, location and how to repair? The transmission has two electric motors that. This circuit is responsible for controlling the position of. code p2837 ford description. the p2837. Shift Fork B Position Circuit.
From www.cmsnl.com
2X61851200 Fork, Shift 2 Yamaha buy the 2X61851200 at CMSNL Shift Fork B Position Circuit the p2837 ford code indicates a problem with the shift fork 'b' position circuit range/performance in the vehicle's. The transmission has two electric motors that. how to fix p2837. learn what shift fork 'b' position circuit range/performance means, location and how to repair? This circuit is responsible for controlling the position of. the p2838 code refers. Shift Fork B Position Circuit.
From maktrans.net
Gear shift fork bearing DQ250 02E DSG 6 BSBG02ELA Shift Fork B Position Circuit code p2837 ford description. The transmission has two electric motors that. This circuit is responsible for controlling the position of. the p2837 ford code indicates a problem with the shift fork 'b' position circuit range/performance in the vehicle's. how to fix p2837. Begin by conducting a thorough inspection of the shift fork 'b' position sensor and its. Shift Fork B Position Circuit.
From www.cmsnl.com
24272PA9020 Shaft B, Shift Fork Honda buy the 24272PA9020 at CMSNL Shift Fork B Position Circuit Begin by conducting a thorough inspection of the shift fork 'b' position sensor and its wiring. the p2836 code refers to the shift fork ‘b’ position circuit in the transmission. There are two electric motors used to shift the gears in the transmission, on for gears. the p2838 code refers to a problem with the shift fork ‘b’. Shift Fork B Position Circuit.
From carmodnerd.com
[SOLVED] P2839 Code How To Fix High Circuit Shift Fork 'b' Position Shift Fork B Position Circuit the p2836 code refers to the shift fork ‘b’ position circuit in the transmission. the p2837 ford code indicates a problem with the shift fork 'b' position circuit range/performance in the vehicle's. There are two electric motors used to shift the gears in the transmission, on for gears. The transmission has two electric motors that. learn what. Shift Fork B Position Circuit.
From exocnupcd.blob.core.windows.net
Shift Forks Manual Transmission at Kristin Courtney blog Shift Fork B Position Circuit the p2838 code refers to a problem with the shift fork ‘b’ position circuit. There are two electric motors used to shift the gears in the transmission, on for gears. code p2837 ford description. learn what shift fork 'b' position circuit range/performance means, location and how to repair? This circuit is responsible for controlling the position of.. Shift Fork B Position Circuit.
From www.cmsnl.com
FORK, SHIFT 2 for YZ2501 COMPETITION 1999 (X) USA order at CMSNL Shift Fork B Position Circuit the p2837 ford code indicates a problem with the shift fork 'b' position circuit range/performance in the vehicle's. There are two electric motors used to shift the gears in the transmission, on for gears. learn what shift fork 'b' position circuit range/performance means, location and how to repair? The transmission has two electric motors that. Begin by conducting. Shift Fork B Position Circuit.
From custom-concepts.nl
Transmission 7DT45 shift fork position Sensor Unit for Porsche PDK Shift Fork B Position Circuit There are two electric motors used to shift the gears in the transmission, on for gears. This circuit is responsible for controlling the position of. how to fix p2837. code p2837 ford description. Begin by conducting a thorough inspection of the shift fork 'b' position sensor and its wiring. the p2837 ford code indicates a problem with. Shift Fork B Position Circuit.
From www.pinterest.com
Gear shift fork components Shift, Interlock, Pin Shift Fork B Position Circuit learn what shift fork 'b' position circuit range/performance means, location and how to repair? how to fix p2837. Begin by conducting a thorough inspection of the shift fork 'b' position sensor and its wiring. There are two electric motors used to shift the gears in the transmission, on for gears. the p2837 ford code indicates a problem. Shift Fork B Position Circuit.
From www.cmsnl.com
131400066 Forkshift,input Kawasaki buy the 131400066 at CMSNL Shift Fork B Position Circuit the p2838 code refers to a problem with the shift fork ‘b’ position circuit. The transmission has two electric motors that. Begin by conducting a thorough inspection of the shift fork 'b' position sensor and its wiring. learn what shift fork 'b' position circuit range/performance means, location and how to repair? There are two electric motors used to. Shift Fork B Position Circuit.
From tpub.com
Shift Linkage and Levers Shift Fork B Position Circuit code p2837 ford description. Begin by conducting a thorough inspection of the shift fork 'b' position sensor and its wiring. the p2838 code refers to a problem with the shift fork ‘b’ position circuit. The transmission has two electric motors that. This circuit is responsible for controlling the position of. how to fix p2837. There are two. Shift Fork B Position Circuit.
From gearsmagazine.com
Gears Magazine Diagnosing the DPS6 Knowing the Good Helps You Shift Fork B Position Circuit how to fix p2837. This circuit is responsible for controlling the position of. the p2836 code refers to the shift fork ‘b’ position circuit in the transmission. The transmission has two electric motors that. Begin by conducting a thorough inspection of the shift fork 'b' position sensor and its wiring. code p2837 ford description. the p2837. Shift Fork B Position Circuit.
From www.autozone.com
Repair Guides Manual Transaxle Adjustments Shift Fork B Position Circuit the p2838 code refers to a problem with the shift fork ‘b’ position circuit. the p2836 code refers to the shift fork ‘b’ position circuit in the transmission. Begin by conducting a thorough inspection of the shift fork 'b' position sensor and its wiring. There are two electric motors used to shift the gears in the transmission, on. Shift Fork B Position Circuit.
From www.discoveryutv.com
Discovery UTV, Shift Fork & Shift Fork Shaft1000 Shift Fork B Position Circuit There are two electric motors used to shift the gears in the transmission, on for gears. The transmission has two electric motors that. This circuit is responsible for controlling the position of. the p2836 code refers to the shift fork ‘b’ position circuit in the transmission. the p2837 ford code indicates a problem with the shift fork 'b'. Shift Fork B Position Circuit.
From maktrans.net
Shift fork (selector) position sensor 0CJ 0CK 0CL 0CK325110N 0CK325110J Shift Fork B Position Circuit learn what shift fork 'b' position circuit range/performance means, location and how to repair? Begin by conducting a thorough inspection of the shift fork 'b' position sensor and its wiring. The transmission has two electric motors that. the p2836 code refers to the shift fork ‘b’ position circuit in the transmission. how to fix p2837. This circuit. Shift Fork B Position Circuit.
From www.transmissiondigest.com
The Direct Shift Gearbox Part 2 Transmission Digest Shift Fork B Position Circuit There are two electric motors used to shift the gears in the transmission, on for gears. how to fix p2837. The transmission has two electric motors that. This circuit is responsible for controlling the position of. code p2837 ford description. the p2836 code refers to the shift fork ‘b’ position circuit in the transmission. Begin by conducting. Shift Fork B Position Circuit.
From www.cmsnl.com
4BD1851200 Fork, Shift 2 Yamaha buy the 4BD1851200 at CMSNL Shift Fork B Position Circuit There are two electric motors used to shift the gears in the transmission, on for gears. how to fix p2837. The transmission has two electric motors that. Begin by conducting a thorough inspection of the shift fork 'b' position sensor and its wiring. the p2837 ford code indicates a problem with the shift fork 'b' position circuit range/performance. Shift Fork B Position Circuit.
From wheelsmansion.com
Camshaft Position Sensor Circuit Range or Performance Shift Fork B Position Circuit learn what shift fork 'b' position circuit range/performance means, location and how to repair? the p2837 ford code indicates a problem with the shift fork 'b' position circuit range/performance in the vehicle's. code p2837 ford description. There are two electric motors used to shift the gears in the transmission, on for gears. This circuit is responsible for. Shift Fork B Position Circuit.
From www.cmsnl.com
4JG1851100 Fork, Shift 1 Yamaha buy the 4JG185110000 at CMSNL Shift Fork B Position Circuit The transmission has two electric motors that. the p2837 ford code indicates a problem with the shift fork 'b' position circuit range/performance in the vehicle's. This circuit is responsible for controlling the position of. Begin by conducting a thorough inspection of the shift fork 'b' position sensor and its wiring. learn what shift fork 'b' position circuit range/performance. Shift Fork B Position Circuit.
From www.youtube.com
Transmission Shift Fork Malfunction P283200 AskDap YouTube Shift Fork B Position Circuit the p2837 ford code indicates a problem with the shift fork 'b' position circuit range/performance in the vehicle's. This circuit is responsible for controlling the position of. There are two electric motors used to shift the gears in the transmission, on for gears. the p2836 code refers to the shift fork ‘b’ position circuit in the transmission. Begin. Shift Fork B Position Circuit.
From www.richmondgear.com
Manual Trans Shift Fork Shift Fork B Position Circuit code p2837 ford description. There are two electric motors used to shift the gears in the transmission, on for gears. how to fix p2837. the p2837 ford code indicates a problem with the shift fork 'b' position circuit range/performance in the vehicle's. This circuit is responsible for controlling the position of. learn what shift fork 'b'. Shift Fork B Position Circuit.
From www.team-bhp.com
Ford PowerShift DualClutch Transmission (DCT) A Technical Overview Shift Fork B Position Circuit There are two electric motors used to shift the gears in the transmission, on for gears. learn what shift fork 'b' position circuit range/performance means, location and how to repair? code p2837 ford description. the p2837 ford code indicates a problem with the shift fork 'b' position circuit range/performance in the vehicle's. The transmission has two electric. Shift Fork B Position Circuit.
From www.team-bhp.com
Ford PowerShift DualClutch Transmission (DCT) A Technical Overview Shift Fork B Position Circuit learn what shift fork 'b' position circuit range/performance means, location and how to repair? This circuit is responsible for controlling the position of. how to fix p2837. Begin by conducting a thorough inspection of the shift fork 'b' position sensor and its wiring. the p2838 code refers to a problem with the shift fork ‘b’ position circuit.. Shift Fork B Position Circuit.
From partsavatar.ca
PartsAvatar.ca Generic Car OBD Error Code P2840 Shift Fork B Position Circuit the p2836 code refers to the shift fork ‘b’ position circuit in the transmission. Begin by conducting a thorough inspection of the shift fork 'b' position sensor and its wiring. learn what shift fork 'b' position circuit range/performance means, location and how to repair? The transmission has two electric motors that. the p2837 ford code indicates a. Shift Fork B Position Circuit.
From www.justanswer.com
2012 Ford focus transmission wiring diagram to resolve a shift fork Shift Fork B Position Circuit how to fix p2837. This circuit is responsible for controlling the position of. learn what shift fork 'b' position circuit range/performance means, location and how to repair? Begin by conducting a thorough inspection of the shift fork 'b' position sensor and its wiring. the p2837 ford code indicates a problem with the shift fork 'b' position circuit. Shift Fork B Position Circuit.
From exydxcfbh.blob.core.windows.net
Shifting Gears How Does It Work at Frances Proulx blog Shift Fork B Position Circuit the p2838 code refers to a problem with the shift fork ‘b’ position circuit. There are two electric motors used to shift the gears in the transmission, on for gears. This circuit is responsible for controlling the position of. code p2837 ford description. The transmission has two electric motors that. learn what shift fork 'b' position circuit. Shift Fork B Position Circuit.
From herohondabikenewuae.blogspot.com
Clutch Actuator Circuit Low Ford Focus hero honda bike new uae Shift Fork B Position Circuit code p2837 ford description. learn what shift fork 'b' position circuit range/performance means, location and how to repair? the p2838 code refers to a problem with the shift fork ‘b’ position circuit. the p2837 ford code indicates a problem with the shift fork 'b' position circuit range/performance in the vehicle's. the p2836 code refers to. Shift Fork B Position Circuit.
From www.cmsnl.com
2541149200 Shaft,gear Shift Fork Suzuki buy the 2541149200 at CMSNL Shift Fork B Position Circuit There are two electric motors used to shift the gears in the transmission, on for gears. This circuit is responsible for controlling the position of. the p2838 code refers to a problem with the shift fork ‘b’ position circuit. learn what shift fork 'b' position circuit range/performance means, location and how to repair? Begin by conducting a thorough. Shift Fork B Position Circuit.
From www.gearboxoils.com
Genuine Ford Galaxy Powershift 6DCT450 Automatic Transmission Gear Shift Fork B Position Circuit how to fix p2837. the p2837 ford code indicates a problem with the shift fork 'b' position circuit range/performance in the vehicle's. learn what shift fork 'b' position circuit range/performance means, location and how to repair? the p2838 code refers to a problem with the shift fork ‘b’ position circuit. The transmission has two electric motors. Shift Fork B Position Circuit.
From avto-mekhanik.ru
Обрыв цепи селектора режима работы маз Shift Fork B Position Circuit how to fix p2837. Begin by conducting a thorough inspection of the shift fork 'b' position sensor and its wiring. The transmission has two electric motors that. the p2836 code refers to the shift fork ‘b’ position circuit in the transmission. the p2838 code refers to a problem with the shift fork ‘b’ position circuit. There are. Shift Fork B Position Circuit.
From www.freeasestudyguides.com
Manual Transmission Shift Fork Shift Fork B Position Circuit code p2837 ford description. The transmission has two electric motors that. Begin by conducting a thorough inspection of the shift fork 'b' position sensor and its wiring. There are two electric motors used to shift the gears in the transmission, on for gears. the p2837 ford code indicates a problem with the shift fork 'b' position circuit range/performance. Shift Fork B Position Circuit.
From gearsmagazine.com
Gears Magazine Diagnosing the DPS6 Knowing the Good Helps You Shift Fork B Position Circuit the p2837 ford code indicates a problem with the shift fork 'b' position circuit range/performance in the vehicle's. learn what shift fork 'b' position circuit range/performance means, location and how to repair? Begin by conducting a thorough inspection of the shift fork 'b' position sensor and its wiring. code p2837 ford description. the p2836 code refers. Shift Fork B Position Circuit.
From www.edaboard.com
Resistor network fork DC level shifter Forum for Electronics Shift Fork B Position Circuit Begin by conducting a thorough inspection of the shift fork 'b' position sensor and its wiring. the p2838 code refers to a problem with the shift fork ‘b’ position circuit. There are two electric motors used to shift the gears in the transmission, on for gears. The transmission has two electric motors that. the p2836 code refers to. Shift Fork B Position Circuit.