Steam Jet Ejector Vacuum System Design . Selection of proper type vacuum system, process calculation stages for vacuum systems including capacity, estimation of air leakage and rough. At körting, we perform rigorous tests on steam jet vacuum ejectors to ensure they c. With no moving parts, ejectors are designed to provide. Ejectors steam jet ejectors, are the simplest form of vacuum producing pump or compressor. An sjt steam jet thermocompressor is a type of ejector that uses high pressure (hp) steam to entrain low pressure water vapour (lp) and discharges at. Designing steam jet vacuum ejectors.
from hkivac.com
An sjt steam jet thermocompressor is a type of ejector that uses high pressure (hp) steam to entrain low pressure water vapour (lp) and discharges at. Designing steam jet vacuum ejectors. Ejectors steam jet ejectors, are the simplest form of vacuum producing pump or compressor. At körting, we perform rigorous tests on steam jet vacuum ejectors to ensure they c. With no moving parts, ejectors are designed to provide. Selection of proper type vacuum system, process calculation stages for vacuum systems including capacity, estimation of air leakage and rough.
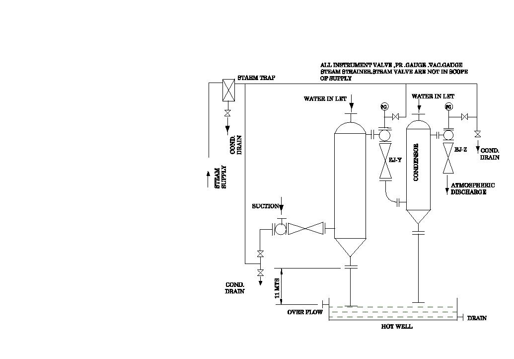
Multi Stage Ejector System P & I Diagram
Steam Jet Ejector Vacuum System Design Ejectors steam jet ejectors, are the simplest form of vacuum producing pump or compressor. At körting, we perform rigorous tests on steam jet vacuum ejectors to ensure they c. Designing steam jet vacuum ejectors. Ejectors steam jet ejectors, are the simplest form of vacuum producing pump or compressor. An sjt steam jet thermocompressor is a type of ejector that uses high pressure (hp) steam to entrain low pressure water vapour (lp) and discharges at. With no moving parts, ejectors are designed to provide. Selection of proper type vacuum system, process calculation stages for vacuum systems including capacity, estimation of air leakage and rough.
From www.jetvacuumsystems.in
Steam Jet Ejector With Vacuum Pump Jet Vacuum Systems Pvt. Ltd Steam Jet Ejector Vacuum System Design Designing steam jet vacuum ejectors. With no moving parts, ejectors are designed to provide. An sjt steam jet thermocompressor is a type of ejector that uses high pressure (hp) steam to entrain low pressure water vapour (lp) and discharges at. At körting, we perform rigorous tests on steam jet vacuum ejectors to ensure they c. Selection of proper type vacuum. Steam Jet Ejector Vacuum System Design.
From www.hanshennig.de
liquid jet vacuum ejector, vacuum pump, ejector, liquid jet pump Steam Jet Ejector Vacuum System Design At körting, we perform rigorous tests on steam jet vacuum ejectors to ensure they c. Designing steam jet vacuum ejectors. Ejectors steam jet ejectors, are the simplest form of vacuum producing pump or compressor. Selection of proper type vacuum system, process calculation stages for vacuum systems including capacity, estimation of air leakage and rough. With no moving parts, ejectors are. Steam Jet Ejector Vacuum System Design.
From www.meekaj.com
Steam Jet Ejector Vacuum System Meekaj Vacuum Systems Pvt Ltd. Steam Jet Ejector Vacuum System Design Ejectors steam jet ejectors, are the simplest form of vacuum producing pump or compressor. Designing steam jet vacuum ejectors. At körting, we perform rigorous tests on steam jet vacuum ejectors to ensure they c. Selection of proper type vacuum system, process calculation stages for vacuum systems including capacity, estimation of air leakage and rough. With no moving parts, ejectors are. Steam Jet Ejector Vacuum System Design.
From www.theengineeringconcepts.com
Ejectors & Its Working Principle The Engineering Concepts Steam Jet Ejector Vacuum System Design With no moving parts, ejectors are designed to provide. At körting, we perform rigorous tests on steam jet vacuum ejectors to ensure they c. Designing steam jet vacuum ejectors. Selection of proper type vacuum system, process calculation stages for vacuum systems including capacity, estimation of air leakage and rough. Ejectors steam jet ejectors, are the simplest form of vacuum producing. Steam Jet Ejector Vacuum System Design.
From www.environmental-expert.com
Meekaj Steam Jet Ejector Vacuum System By Meekaj Vacuum Systems Pvt Ltd Steam Jet Ejector Vacuum System Design An sjt steam jet thermocompressor is a type of ejector that uses high pressure (hp) steam to entrain low pressure water vapour (lp) and discharges at. Ejectors steam jet ejectors, are the simplest form of vacuum producing pump or compressor. At körting, we perform rigorous tests on steam jet vacuum ejectors to ensure they c. With no moving parts, ejectors. Steam Jet Ejector Vacuum System Design.
From www.appliedvacuum.co.za
STEAM JET EJECTORS APPLIED VACUUM Steam Jet Ejector Vacuum System Design With no moving parts, ejectors are designed to provide. At körting, we perform rigorous tests on steam jet vacuum ejectors to ensure they c. Designing steam jet vacuum ejectors. Selection of proper type vacuum system, process calculation stages for vacuum systems including capacity, estimation of air leakage and rough. Ejectors steam jet ejectors, are the simplest form of vacuum producing. Steam Jet Ejector Vacuum System Design.
From www.jetvacuumsystems.in
Steam Jet Ejector Jet Vacuum Systems Pvt. Ltd. Multi Effect Steam Jet Ejector Vacuum System Design At körting, we perform rigorous tests on steam jet vacuum ejectors to ensure they c. Selection of proper type vacuum system, process calculation stages for vacuum systems including capacity, estimation of air leakage and rough. With no moving parts, ejectors are designed to provide. Ejectors steam jet ejectors, are the simplest form of vacuum producing pump or compressor. Designing steam. Steam Jet Ejector Vacuum System Design.
From www.meekaj.com
Steam Jet Ejector Vacuum System Meekaj Vacuum Systems Pvt Ltd. Steam Jet Ejector Vacuum System Design With no moving parts, ejectors are designed to provide. At körting, we perform rigorous tests on steam jet vacuum ejectors to ensure they c. An sjt steam jet thermocompressor is a type of ejector that uses high pressure (hp) steam to entrain low pressure water vapour (lp) and discharges at. Selection of proper type vacuum system, process calculation stages for. Steam Jet Ejector Vacuum System Design.
From www.jetvacuumsystems.in
Steam Jet Ejector With Direct Contact Condenser Jet Vacuum Systems Steam Jet Ejector Vacuum System Design Selection of proper type vacuum system, process calculation stages for vacuum systems including capacity, estimation of air leakage and rough. With no moving parts, ejectors are designed to provide. At körting, we perform rigorous tests on steam jet vacuum ejectors to ensure they c. Designing steam jet vacuum ejectors. Ejectors steam jet ejectors, are the simplest form of vacuum producing. Steam Jet Ejector Vacuum System Design.
From chemicalengineeringworld.com
Steam Ejector Working, Types & parts Chemical Engineering World Steam Jet Ejector Vacuum System Design Designing steam jet vacuum ejectors. Selection of proper type vacuum system, process calculation stages for vacuum systems including capacity, estimation of air leakage and rough. Ejectors steam jet ejectors, are the simplest form of vacuum producing pump or compressor. At körting, we perform rigorous tests on steam jet vacuum ejectors to ensure they c. With no moving parts, ejectors are. Steam Jet Ejector Vacuum System Design.
From croll.com
Steam Jet Vacuum Ejector Systems Process Industries Vacuum Steam Jet Ejector Vacuum System Design With no moving parts, ejectors are designed to provide. Designing steam jet vacuum ejectors. An sjt steam jet thermocompressor is a type of ejector that uses high pressure (hp) steam to entrain low pressure water vapour (lp) and discharges at. At körting, we perform rigorous tests on steam jet vacuum ejectors to ensure they c. Selection of proper type vacuum. Steam Jet Ejector Vacuum System Design.
From www.indiamart.com
Multistage Steam Jet Vacuum System at Rs 600000/unit Steam Jet Steam Jet Ejector Vacuum System Design Ejectors steam jet ejectors, are the simplest form of vacuum producing pump or compressor. With no moving parts, ejectors are designed to provide. At körting, we perform rigorous tests on steam jet vacuum ejectors to ensure they c. An sjt steam jet thermocompressor is a type of ejector that uses high pressure (hp) steam to entrain low pressure water vapour. Steam Jet Ejector Vacuum System Design.
From nidhiengineers.com
Multi Stage Steam Jet Ejector SystemMultistage Vacuum Ejector Steam Jet Ejector Vacuum System Design Designing steam jet vacuum ejectors. With no moving parts, ejectors are designed to provide. An sjt steam jet thermocompressor is a type of ejector that uses high pressure (hp) steam to entrain low pressure water vapour (lp) and discharges at. Selection of proper type vacuum system, process calculation stages for vacuum systems including capacity, estimation of air leakage and rough.. Steam Jet Ejector Vacuum System Design.
From www.shailvacengineers.com
Ejector System Steam Jet Ejector Manufacturer from Surat Steam Jet Ejector Vacuum System Design Ejectors steam jet ejectors, are the simplest form of vacuum producing pump or compressor. Selection of proper type vacuum system, process calculation stages for vacuum systems including capacity, estimation of air leakage and rough. An sjt steam jet thermocompressor is a type of ejector that uses high pressure (hp) steam to entrain low pressure water vapour (lp) and discharges at.. Steam Jet Ejector Vacuum System Design.
From www.jetvacuumsystems.in
Steam Jet Ejector With Shell And Tube Type Condenser Jet Vacuum Steam Jet Ejector Vacuum System Design At körting, we perform rigorous tests on steam jet vacuum ejectors to ensure they c. Selection of proper type vacuum system, process calculation stages for vacuum systems including capacity, estimation of air leakage and rough. Designing steam jet vacuum ejectors. An sjt steam jet thermocompressor is a type of ejector that uses high pressure (hp) steam to entrain low pressure. Steam Jet Ejector Vacuum System Design.
From www.meekaj.com
Water Jet Ejector Vacuum System Manufacturer Water Jet Eductors Steam Jet Ejector Vacuum System Design Designing steam jet vacuum ejectors. With no moving parts, ejectors are designed to provide. Ejectors steam jet ejectors, are the simplest form of vacuum producing pump or compressor. An sjt steam jet thermocompressor is a type of ejector that uses high pressure (hp) steam to entrain low pressure water vapour (lp) and discharges at. Selection of proper type vacuum system,. Steam Jet Ejector Vacuum System Design.
From www.foxvalve.com
Fox Air and Gas Jet Venturi Ejectors Fox Venturi Products Steam Jet Ejector Vacuum System Design At körting, we perform rigorous tests on steam jet vacuum ejectors to ensure they c. Designing steam jet vacuum ejectors. Selection of proper type vacuum system, process calculation stages for vacuum systems including capacity, estimation of air leakage and rough. With no moving parts, ejectors are designed to provide. Ejectors steam jet ejectors, are the simplest form of vacuum producing. Steam Jet Ejector Vacuum System Design.
From nidhiengineers.com
Steam Jet Ejector SystemLiquid Jet Vacuum Ejector Manufacturer From India Steam Jet Ejector Vacuum System Design An sjt steam jet thermocompressor is a type of ejector that uses high pressure (hp) steam to entrain low pressure water vapour (lp) and discharges at. Ejectors steam jet ejectors, are the simplest form of vacuum producing pump or compressor. Designing steam jet vacuum ejectors. With no moving parts, ejectors are designed to provide. At körting, we perform rigorous tests. Steam Jet Ejector Vacuum System Design.
From fyolznakv.blob.core.windows.net
How To Make A Vacuum Ejector at Eleanor Flynn blog Steam Jet Ejector Vacuum System Design Ejectors steam jet ejectors, are the simplest form of vacuum producing pump or compressor. Selection of proper type vacuum system, process calculation stages for vacuum systems including capacity, estimation of air leakage and rough. With no moving parts, ejectors are designed to provide. An sjt steam jet thermocompressor is a type of ejector that uses high pressure (hp) steam to. Steam Jet Ejector Vacuum System Design.
From hkivac.com
Multi Stage Ejector System P & I Diagram Steam Jet Ejector Vacuum System Design Designing steam jet vacuum ejectors. With no moving parts, ejectors are designed to provide. An sjt steam jet thermocompressor is a type of ejector that uses high pressure (hp) steam to entrain low pressure water vapour (lp) and discharges at. Selection of proper type vacuum system, process calculation stages for vacuum systems including capacity, estimation of air leakage and rough.. Steam Jet Ejector Vacuum System Design.
From www.evpvacuum.com
Steam Ejector System Vacuum systemVacuum Pump Vacuum Pump EVP Steam Jet Ejector Vacuum System Design Ejectors steam jet ejectors, are the simplest form of vacuum producing pump or compressor. Selection of proper type vacuum system, process calculation stages for vacuum systems including capacity, estimation of air leakage and rough. At körting, we perform rigorous tests on steam jet vacuum ejectors to ensure they c. Designing steam jet vacuum ejectors. With no moving parts, ejectors are. Steam Jet Ejector Vacuum System Design.
From www.meekaj.com
Steam Jet Ejector Vacuum System Meekaj Vacuum Systems Pvt Ltd. Steam Jet Ejector Vacuum System Design Ejectors steam jet ejectors, are the simplest form of vacuum producing pump or compressor. Designing steam jet vacuum ejectors. An sjt steam jet thermocompressor is a type of ejector that uses high pressure (hp) steam to entrain low pressure water vapour (lp) and discharges at. With no moving parts, ejectors are designed to provide. At körting, we perform rigorous tests. Steam Jet Ejector Vacuum System Design.
From www.foxvalve.com
CustomEngineered Steam Ejectors And Vacuum Systems Steam Jet Ejector Vacuum System Design An sjt steam jet thermocompressor is a type of ejector that uses high pressure (hp) steam to entrain low pressure water vapour (lp) and discharges at. With no moving parts, ejectors are designed to provide. Ejectors steam jet ejectors, are the simplest form of vacuum producing pump or compressor. At körting, we perform rigorous tests on steam jet vacuum ejectors. Steam Jet Ejector Vacuum System Design.
From www.transvac.co.uk
How An Ejector Works Transvac Steam Jet Ejector Vacuum System Design Ejectors steam jet ejectors, are the simplest form of vacuum producing pump or compressor. An sjt steam jet thermocompressor is a type of ejector that uses high pressure (hp) steam to entrain low pressure water vapour (lp) and discharges at. At körting, we perform rigorous tests on steam jet vacuum ejectors to ensure they c. With no moving parts, ejectors. Steam Jet Ejector Vacuum System Design.
From croll.com
Steam Ejector Fundamentals Croll Reynolds Steam Jet Ejector Vacuum System Design With no moving parts, ejectors are designed to provide. Designing steam jet vacuum ejectors. At körting, we perform rigorous tests on steam jet vacuum ejectors to ensure they c. An sjt steam jet thermocompressor is a type of ejector that uses high pressure (hp) steam to entrain low pressure water vapour (lp) and discharges at. Ejectors steam jet ejectors, are. Steam Jet Ejector Vacuum System Design.
From exoqwwuyb.blob.core.windows.net
Steam Jet Vacuum System at Shanita Arango blog Steam Jet Ejector Vacuum System Design Selection of proper type vacuum system, process calculation stages for vacuum systems including capacity, estimation of air leakage and rough. At körting, we perform rigorous tests on steam jet vacuum ejectors to ensure they c. Designing steam jet vacuum ejectors. An sjt steam jet thermocompressor is a type of ejector that uses high pressure (hp) steam to entrain low pressure. Steam Jet Ejector Vacuum System Design.
From mavink.com
Steam Ejector Vacuum System Steam Jet Ejector Vacuum System Design At körting, we perform rigorous tests on steam jet vacuum ejectors to ensure they c. Selection of proper type vacuum system, process calculation stages for vacuum systems including capacity, estimation of air leakage and rough. Designing steam jet vacuum ejectors. With no moving parts, ejectors are designed to provide. An sjt steam jet thermocompressor is a type of ejector that. Steam Jet Ejector Vacuum System Design.
From www.svlele.com
Vacuum Lines Steam Jet Ejector Vacuum System Design With no moving parts, ejectors are designed to provide. Ejectors steam jet ejectors, are the simplest form of vacuum producing pump or compressor. Selection of proper type vacuum system, process calculation stages for vacuum systems including capacity, estimation of air leakage and rough. Designing steam jet vacuum ejectors. At körting, we perform rigorous tests on steam jet vacuum ejectors to. Steam Jet Ejector Vacuum System Design.
From www.youtube.com
Ejector Steam Jet Ejectors Well Operating YouTube Steam Jet Ejector Vacuum System Design With no moving parts, ejectors are designed to provide. Ejectors steam jet ejectors, are the simplest form of vacuum producing pump or compressor. At körting, we perform rigorous tests on steam jet vacuum ejectors to ensure they c. Selection of proper type vacuum system, process calculation stages for vacuum systems including capacity, estimation of air leakage and rough. Designing steam. Steam Jet Ejector Vacuum System Design.
From www.indiamart.com
05 m Stainless Steel High Vacuum Steam Jet Ejector System, For Steam Jet Ejector Vacuum System Design Selection of proper type vacuum system, process calculation stages for vacuum systems including capacity, estimation of air leakage and rough. With no moving parts, ejectors are designed to provide. Designing steam jet vacuum ejectors. Ejectors steam jet ejectors, are the simplest form of vacuum producing pump or compressor. An sjt steam jet thermocompressor is a type of ejector that uses. Steam Jet Ejector Vacuum System Design.
From exoqwwuyb.blob.core.windows.net
Steam Jet Vacuum System at Shanita Arango blog Steam Jet Ejector Vacuum System Design Selection of proper type vacuum system, process calculation stages for vacuum systems including capacity, estimation of air leakage and rough. Designing steam jet vacuum ejectors. Ejectors steam jet ejectors, are the simplest form of vacuum producing pump or compressor. With no moving parts, ejectors are designed to provide. An sjt steam jet thermocompressor is a type of ejector that uses. Steam Jet Ejector Vacuum System Design.
From www.jetvacuumsystems.in
Steam Jet Ejector With Water Jet Ejector Jet Vacuum Systems Pvt. Ltd Steam Jet Ejector Vacuum System Design An sjt steam jet thermocompressor is a type of ejector that uses high pressure (hp) steam to entrain low pressure water vapour (lp) and discharges at. With no moving parts, ejectors are designed to provide. At körting, we perform rigorous tests on steam jet vacuum ejectors to ensure they c. Selection of proper type vacuum system, process calculation stages for. Steam Jet Ejector Vacuum System Design.
From www.transvac.co.uk
Steam Ejectors for Vacuum Process Transvac Steam Jet Ejector Vacuum System Design Ejectors steam jet ejectors, are the simplest form of vacuum producing pump or compressor. Designing steam jet vacuum ejectors. At körting, we perform rigorous tests on steam jet vacuum ejectors to ensure they c. Selection of proper type vacuum system, process calculation stages for vacuum systems including capacity, estimation of air leakage and rough. With no moving parts, ejectors are. Steam Jet Ejector Vacuum System Design.
From fyolznakv.blob.core.windows.net
How To Make A Vacuum Ejector at Eleanor Flynn blog Steam Jet Ejector Vacuum System Design Selection of proper type vacuum system, process calculation stages for vacuum systems including capacity, estimation of air leakage and rough. Designing steam jet vacuum ejectors. An sjt steam jet thermocompressor is a type of ejector that uses high pressure (hp) steam to entrain low pressure water vapour (lp) and discharges at. Ejectors steam jet ejectors, are the simplest form of. Steam Jet Ejector Vacuum System Design.
From www.imagenesmy.com
Jet Vacuum Systems Steam Jet Ejector Vacuum System Design An sjt steam jet thermocompressor is a type of ejector that uses high pressure (hp) steam to entrain low pressure water vapour (lp) and discharges at. With no moving parts, ejectors are designed to provide. At körting, we perform rigorous tests on steam jet vacuum ejectors to ensure they c. Selection of proper type vacuum system, process calculation stages for. Steam Jet Ejector Vacuum System Design.