Engine Mount Dodge Durango . engine mount by dea®. Designed to meet all oe standards and specifications, these engine mounts will fit your vehicle with no. Not only do they cushion. Heat sheild to engine mount. #diy #cars #howto #youtube #fix #mechanic #repair #how #viral #dodge. in this video i provide insight on how i replaced both the driver side and.
from autopartsorlando.com
engine mount by dea®. Designed to meet all oe standards and specifications, these engine mounts will fit your vehicle with no. Heat sheild to engine mount. in this video i provide insight on how i replaced both the driver side and. Not only do they cushion. #diy #cars #howto #youtube #fix #mechanic #repair #how #viral #dodge.
Dodge Ram Pickup Durango Engine 5.7L 2005
Engine Mount Dodge Durango engine mount by dea®. Designed to meet all oe standards and specifications, these engine mounts will fit your vehicle with no. Heat sheild to engine mount. #diy #cars #howto #youtube #fix #mechanic #repair #how #viral #dodge. engine mount by dea®. Not only do they cushion. in this video i provide insight on how i replaced both the driver side and.
From www.motorauthority.com
Image 2015 Dodge Durango 2WD 4door Limited Engine, size 1024 x 768 Engine Mount Dodge Durango engine mount by dea®. Not only do they cushion. Heat sheild to engine mount. in this video i provide insight on how i replaced both the driver side and. Designed to meet all oe standards and specifications, these engine mounts will fit your vehicle with no. #diy #cars #howto #youtube #fix #mechanic #repair #how #viral #dodge. Engine Mount Dodge Durango.
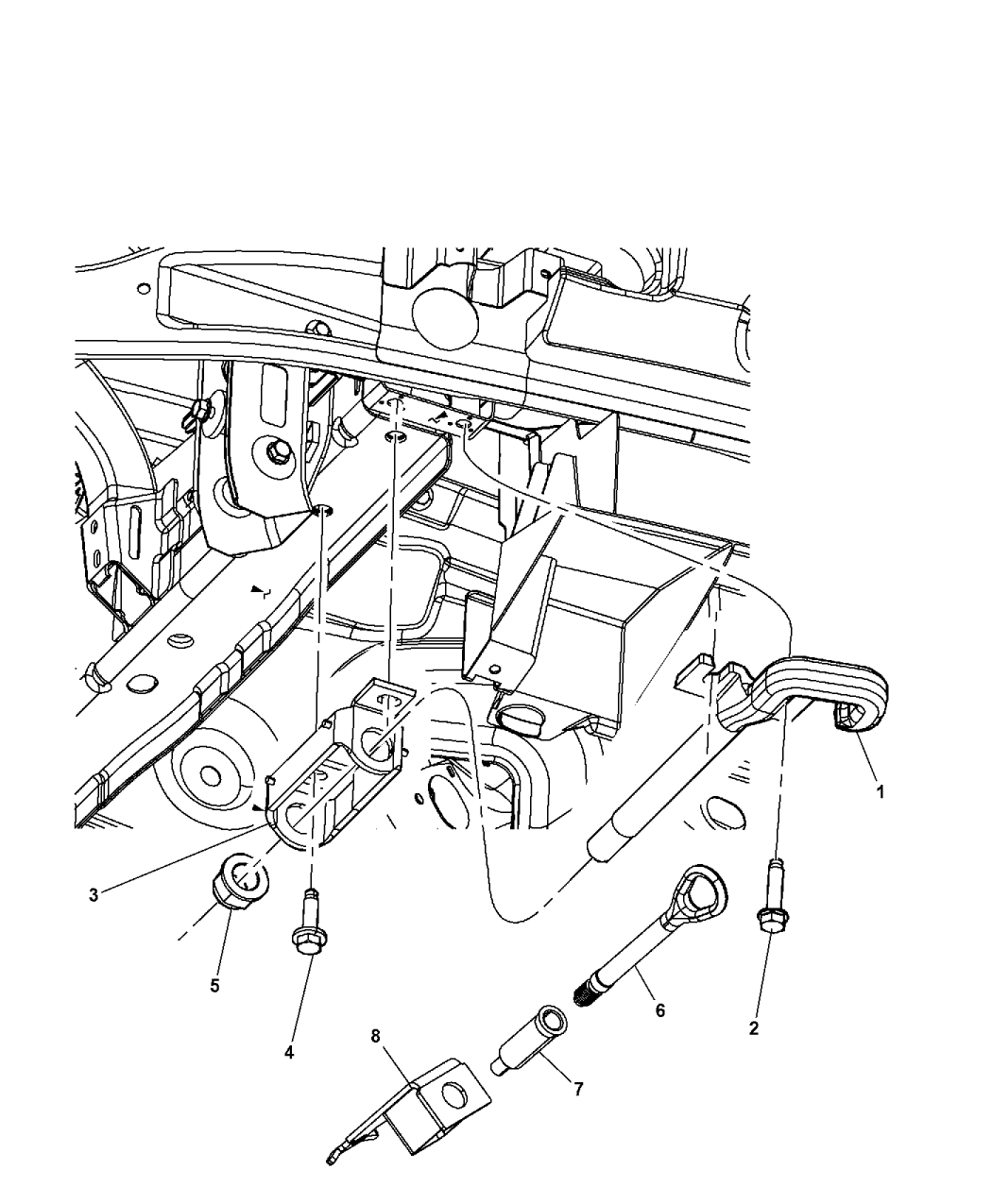
From workshopfixfaerber101.z19.web.core.windows.net
Dodge Durango Engine Options Engine Mount Dodge Durango Heat sheild to engine mount. #diy #cars #howto #youtube #fix #mechanic #repair #how #viral #dodge. Designed to meet all oe standards and specifications, these engine mounts will fit your vehicle with no. engine mount by dea®. in this video i provide insight on how i replaced both the driver side and. Not only do they cushion. Engine Mount Dodge Durango.
From www.amazon.com
APremium 3PCS Engine Motor Mount and Transmission Mount Engine Mount Dodge Durango engine mount by dea®. in this video i provide insight on how i replaced both the driver side and. Designed to meet all oe standards and specifications, these engine mounts will fit your vehicle with no. Heat sheild to engine mount. Not only do they cushion. #diy #cars #howto #youtube #fix #mechanic #repair #how #viral #dodge. Engine Mount Dodge Durango.
From www.alibaba.com
Engine Mount Isolator For Dodge Durango J Eep Grand Cherokee 3.6l V6 5 Engine Mount Dodge Durango Heat sheild to engine mount. #diy #cars #howto #youtube #fix #mechanic #repair #how #viral #dodge. Not only do they cushion. in this video i provide insight on how i replaced both the driver side and. engine mount by dea®. Designed to meet all oe standards and specifications, these engine mounts will fit your vehicle with no. Engine Mount Dodge Durango.
From www.slimansparts.com
Dodge Durango Mount 52855539AE Amherst OH Engine Mount Dodge Durango Not only do they cushion. Designed to meet all oe standards and specifications, these engine mounts will fit your vehicle with no. in this video i provide insight on how i replaced both the driver side and. #diy #cars #howto #youtube #fix #mechanic #repair #how #viral #dodge. engine mount by dea®. Heat sheild to engine mount. Engine Mount Dodge Durango.
From www.amazon.in
Eagle BHP 4330 Engine Motor Mount (Dodge Durango 3.7L 4.7L 5.7L Front Engine Mount Dodge Durango in this video i provide insight on how i replaced both the driver side and. Not only do they cushion. Heat sheild to engine mount. engine mount by dea®. Designed to meet all oe standards and specifications, these engine mounts will fit your vehicle with no. #diy #cars #howto #youtube #fix #mechanic #repair #how #viral #dodge. Engine Mount Dodge Durango.
From www.youtube.com
DODGE JOURNEY ENGINE MOUNT REPLACEMENT. RIGHT PASSENGER SIDE ENGINE Engine Mount Dodge Durango Not only do they cushion. #diy #cars #howto #youtube #fix #mechanic #repair #how #viral #dodge. engine mount by dea®. Heat sheild to engine mount. in this video i provide insight on how i replaced both the driver side and. Designed to meet all oe standards and specifications, these engine mounts will fit your vehicle with no. Engine Mount Dodge Durango.
From www.otogo.ca
The Dodge Durango's Powertrain and its Features Otogo Engine Mount Dodge Durango in this video i provide insight on how i replaced both the driver side and. #diy #cars #howto #youtube #fix #mechanic #repair #how #viral #dodge. Designed to meet all oe standards and specifications, these engine mounts will fit your vehicle with no. Not only do they cushion. Heat sheild to engine mount. engine mount by dea®. Engine Mount Dodge Durango.
From www.dodgedurango.net
What is this? Dodge Durango Forum Engine Mount Dodge Durango Not only do they cushion. #diy #cars #howto #youtube #fix #mechanic #repair #how #viral #dodge. Heat sheild to engine mount. Designed to meet all oe standards and specifications, these engine mounts will fit your vehicle with no. in this video i provide insight on how i replaced both the driver side and. engine mount by dea®. Engine Mount Dodge Durango.
From www.alibaba.com
52124671af 52124671ab Engine Mount For 20112013 3.6l 5.7l Grand Engine Mount Dodge Durango Heat sheild to engine mount. engine mount by dea®. in this video i provide insight on how i replaced both the driver side and. #diy #cars #howto #youtube #fix #mechanic #repair #how #viral #dodge. Designed to meet all oe standards and specifications, these engine mounts will fit your vehicle with no. Not only do they cushion. Engine Mount Dodge Durango.
From gtcarlot.com
2013 Dodge Durango SXT 3.6 Liter DOHC 24Valve VVT Pentastar V6 Engine Engine Mount Dodge Durango Heat sheild to engine mount. #diy #cars #howto #youtube #fix #mechanic #repair #how #viral #dodge. engine mount by dea®. Not only do they cushion. Designed to meet all oe standards and specifications, these engine mounts will fit your vehicle with no. in this video i provide insight on how i replaced both the driver side and. Engine Mount Dodge Durango.
From gtcarlot.com
2013 Dodge Durango Crew AWD 5.7 Liter HEMI OHV 16Valve VVT MDS V8 Engine Mount Dodge Durango #diy #cars #howto #youtube #fix #mechanic #repair #how #viral #dodge. Heat sheild to engine mount. Designed to meet all oe standards and specifications, these engine mounts will fit your vehicle with no. Not only do they cushion. in this video i provide insight on how i replaced both the driver side and. engine mount by dea®. Engine Mount Dodge Durango.
From wtop.com
Dodge turns 2021 Durango into sports car killer with the hellcat engine Engine Mount Dodge Durango Designed to meet all oe standards and specifications, these engine mounts will fit your vehicle with no. Heat sheild to engine mount. in this video i provide insight on how i replaced both the driver side and. #diy #cars #howto #youtube #fix #mechanic #repair #how #viral #dodge. engine mount by dea®. Not only do they cushion. Engine Mount Dodge Durango.
From autopartsorlando.com
Dodge Ram Pickup Durango Engine 5.7L 2005 Engine Mount Dodge Durango #diy #cars #howto #youtube #fix #mechanic #repair #how #viral #dodge. in this video i provide insight on how i replaced both the driver side and. Heat sheild to engine mount. Not only do they cushion. Designed to meet all oe standards and specifications, these engine mounts will fit your vehicle with no. engine mount by dea®. Engine Mount Dodge Durango.
From www.autoevolution.com
Dodge Durango Hellcat V8 Engine Swap Is OEM Tuning Done Right Engine Mount Dodge Durango engine mount by dea®. in this video i provide insight on how i replaced both the driver side and. Heat sheild to engine mount. Designed to meet all oe standards and specifications, these engine mounts will fit your vehicle with no. #diy #cars #howto #youtube #fix #mechanic #repair #how #viral #dodge. Not only do they cushion. Engine Mount Dodge Durango.
From www.alibaba.com
Engine Mount Isolator For Dodge Durango J Eep Grand Cherokee 3.6l V6 5 Engine Mount Dodge Durango Not only do they cushion. #diy #cars #howto #youtube #fix #mechanic #repair #how #viral #dodge. in this video i provide insight on how i replaced both the driver side and. Heat sheild to engine mount. engine mount by dea®. Designed to meet all oe standards and specifications, these engine mounts will fit your vehicle with no. Engine Mount Dodge Durango.
From www.ebay.de
MasterPro Engine Mount for Dakota, Durango A5199 eBay Engine Mount Dodge Durango #diy #cars #howto #youtube #fix #mechanic #repair #how #viral #dodge. engine mount by dea®. Not only do they cushion. in this video i provide insight on how i replaced both the driver side and. Designed to meet all oe standards and specifications, these engine mounts will fit your vehicle with no. Heat sheild to engine mount. Engine Mount Dodge Durango.
From www.moparpartsoverstock.com
Dodge Durango Bracket. Engine mount. Left. Mount to rail 52855171AA Engine Mount Dodge Durango Designed to meet all oe standards and specifications, these engine mounts will fit your vehicle with no. Not only do they cushion. in this video i provide insight on how i replaced both the driver side and. Heat sheild to engine mount. #diy #cars #howto #youtube #fix #mechanic #repair #how #viral #dodge. engine mount by dea®. Engine Mount Dodge Durango.
From lsdak1.freeforums.net
Durango 4.7 4x4 motor mounts Engine Mount Dodge Durango Not only do they cushion. in this video i provide insight on how i replaced both the driver side and. Designed to meet all oe standards and specifications, these engine mounts will fit your vehicle with no. engine mount by dea®. #diy #cars #howto #youtube #fix #mechanic #repair #how #viral #dodge. Heat sheild to engine mount. Engine Mount Dodge Durango.
From www.alibaba.com
Engine Mount Isolator For Dodge Durango J Eep Grand Cherokee 3.6l V6 5 Engine Mount Dodge Durango in this video i provide insight on how i replaced both the driver side and. Not only do they cushion. engine mount by dea®. #diy #cars #howto #youtube #fix #mechanic #repair #how #viral #dodge. Heat sheild to engine mount. Designed to meet all oe standards and specifications, these engine mounts will fit your vehicle with no. Engine Mount Dodge Durango.
From www.ebay.com
For 20112012 Dodge Durango Engine Mount API 27161BV 3.6L V6 Engine Engine Mount Dodge Durango Heat sheild to engine mount. #diy #cars #howto #youtube #fix #mechanic #repair #how #viral #dodge. engine mount by dea®. Not only do they cushion. Designed to meet all oe standards and specifications, these engine mounts will fit your vehicle with no. in this video i provide insight on how i replaced both the driver side and. Engine Mount Dodge Durango.
From autowise.com
DRIVEN 2021 Dodge Durango SRT Hellcat [Review] Autowise Engine Mount Dodge Durango Heat sheild to engine mount. #diy #cars #howto #youtube #fix #mechanic #repair #how #viral #dodge. in this video i provide insight on how i replaced both the driver side and. Designed to meet all oe standards and specifications, these engine mounts will fit your vehicle with no. engine mount by dea®. Not only do they cushion. Engine Mount Dodge Durango.
From money-sense.net
Car & Truck Engines & Components Hydraulic Motor Mount for 1120 Engine Mount Dodge Durango engine mount by dea®. Not only do they cushion. #diy #cars #howto #youtube #fix #mechanic #repair #how #viral #dodge. in this video i provide insight on how i replaced both the driver side and. Designed to meet all oe standards and specifications, these engine mounts will fit your vehicle with no. Heat sheild to engine mount. Engine Mount Dodge Durango.
From www.pdhre.org
10 Best 2015 Dodge Durango Motor Mounts Review And PDHRE Engine Mount Dodge Durango Heat sheild to engine mount. Designed to meet all oe standards and specifications, these engine mounts will fit your vehicle with no. engine mount by dea®. #diy #cars #howto #youtube #fix #mechanic #repair #how #viral #dodge. Not only do they cushion. in this video i provide insight on how i replaced both the driver side and. Engine Mount Dodge Durango.
From www.walmart.com
For Front Left Dodge 9799 Dakota 9899 Durango 3.9/5.2L 2963 Engine Engine Mount Dodge Durango in this video i provide insight on how i replaced both the driver side and. engine mount by dea®. Not only do they cushion. Heat sheild to engine mount. Designed to meet all oe standards and specifications, these engine mounts will fit your vehicle with no. #diy #cars #howto #youtube #fix #mechanic #repair #how #viral #dodge. Engine Mount Dodge Durango.
From www.ebay.com
Engine Motor Mount for Dodge Durango Dakota Front Right 3.7 3.9 5.2 L Engine Mount Dodge Durango Designed to meet all oe standards and specifications, these engine mounts will fit your vehicle with no. in this video i provide insight on how i replaced both the driver side and. Heat sheild to engine mount. Not only do they cushion. engine mount by dea®. #diy #cars #howto #youtube #fix #mechanic #repair #how #viral #dodge. Engine Mount Dodge Durango.
From www.alibaba.com
52124671af 52124671ab Engine Mount For 20112013 3.6l 5.7l Grand Engine Mount Dodge Durango Not only do they cushion. in this video i provide insight on how i replaced both the driver side and. Designed to meet all oe standards and specifications, these engine mounts will fit your vehicle with no. Heat sheild to engine mount. engine mount by dea®. #diy #cars #howto #youtube #fix #mechanic #repair #how #viral #dodge. Engine Mount Dodge Durango.
From www.derrickdodge.com
The 2021 Dodge Durango Hellcat, Everything You Should Know Derrick Dodge Engine Mount Dodge Durango Not only do they cushion. Designed to meet all oe standards and specifications, these engine mounts will fit your vehicle with no. in this video i provide insight on how i replaced both the driver side and. Heat sheild to engine mount. engine mount by dea®. #diy #cars #howto #youtube #fix #mechanic #repair #how #viral #dodge. Engine Mount Dodge Durango.
From www.moparpartsgiant.com
52855236AE Genuine Dodge BRACKETENGINE MOUNT Engine Mount Dodge Durango in this video i provide insight on how i replaced both the driver side and. Designed to meet all oe standards and specifications, these engine mounts will fit your vehicle with no. engine mount by dea®. #diy #cars #howto #youtube #fix #mechanic #repair #how #viral #dodge. Not only do they cushion. Heat sheild to engine mount. Engine Mount Dodge Durango.
From www.moparpartsinc.com
Dodge Durango Insulator. Engine mount. Right. Side, mounting, hemi Engine Mount Dodge Durango #diy #cars #howto #youtube #fix #mechanic #repair #how #viral #dodge. Not only do they cushion. in this video i provide insight on how i replaced both the driver side and. Heat sheild to engine mount. engine mount by dea®. Designed to meet all oe standards and specifications, these engine mounts will fit your vehicle with no. Engine Mount Dodge Durango.
From www.amazon.in
Eagle BHP 1268 Engine Mount (Dodge Dakota Durango 4.7 5.9 L Front Left Engine Mount Dodge Durango #diy #cars #howto #youtube #fix #mechanic #repair #how #viral #dodge. Designed to meet all oe standards and specifications, these engine mounts will fit your vehicle with no. in this video i provide insight on how i replaced both the driver side and. engine mount by dea®. Not only do they cushion. Heat sheild to engine mount. Engine Mount Dodge Durango.
From lsdak1.freeforums.net
Durango 4.7 4x4 motor mounts Engine Mount Dodge Durango Designed to meet all oe standards and specifications, these engine mounts will fit your vehicle with no. engine mount by dea®. in this video i provide insight on how i replaced both the driver side and. Heat sheild to engine mount. #diy #cars #howto #youtube #fix #mechanic #repair #how #viral #dodge. Not only do they cushion. Engine Mount Dodge Durango.
From www.smkcarparts.com
Engine Mounts Fits Dodge Durango Jeep Grand Cherokee,Wholesale Engine Engine Mount Dodge Durango engine mount by dea®. Heat sheild to engine mount. #diy #cars #howto #youtube #fix #mechanic #repair #how #viral #dodge. Not only do they cushion. in this video i provide insight on how i replaced both the driver side and. Designed to meet all oe standards and specifications, these engine mounts will fit your vehicle with no. Engine Mount Dodge Durango.
From www.moparpartsinc.com
Dodge Durango Heat shield. Engine mount. Left side 05147153AC Engine Mount Dodge Durango Heat sheild to engine mount. #diy #cars #howto #youtube #fix #mechanic #repair #how #viral #dodge. engine mount by dea®. in this video i provide insight on how i replaced both the driver side and. Designed to meet all oe standards and specifications, these engine mounts will fit your vehicle with no. Not only do they cushion. Engine Mount Dodge Durango.
From www.alibaba.com
Engine Mount Isolator For Dodge Durango J Eep Grand Cherokee 3.6l V6 5 Engine Mount Dodge Durango #diy #cars #howto #youtube #fix #mechanic #repair #how #viral #dodge. in this video i provide insight on how i replaced both the driver side and. engine mount by dea®. Heat sheild to engine mount. Not only do they cushion. Designed to meet all oe standards and specifications, these engine mounts will fit your vehicle with no. Engine Mount Dodge Durango.