Led Control Circuit Synchronous Sound . a few years ago (around 3 years) i've made a very basic circuit to make a led blink to the sound. i am looking for a way to control an led on a circuit board using audio input for learning purposes. this simple sound reactive leds circuit dances to the rhythm if hear sounds or music nearby. I am looking for some conceptual ideas to. this is about designing a circuit that can control multiple leds synchronized to music or sound, as simply as possible. in this instructable i will show you how you can control a number of led's with sound by means of a simple electronic circuit. i am making this very simple hobby circuit and i need help. This utilizes the sound (variations) from the device through the jack to provide light (intensity). The circuit uses zener diodes for reverse.
from theorycircuit.com
this is about designing a circuit that can control multiple leds synchronized to music or sound, as simply as possible. in this instructable i will show you how you can control a number of led's with sound by means of a simple electronic circuit. i am looking for a way to control an led on a circuit board using audio input for learning purposes. I am looking for some conceptual ideas to. The circuit uses zener diodes for reverse. i am making this very simple hobby circuit and i need help. This utilizes the sound (variations) from the device through the jack to provide light (intensity). this simple sound reactive leds circuit dances to the rhythm if hear sounds or music nearby. a few years ago (around 3 years) i've made a very basic circuit to make a led blink to the sound.
Current Control Circuit for LED
Led Control Circuit Synchronous Sound this is about designing a circuit that can control multiple leds synchronized to music or sound, as simply as possible. i am making this very simple hobby circuit and i need help. I am looking for some conceptual ideas to. a few years ago (around 3 years) i've made a very basic circuit to make a led blink to the sound. this is about designing a circuit that can control multiple leds synchronized to music or sound, as simply as possible. in this instructable i will show you how you can control a number of led's with sound by means of a simple electronic circuit. The circuit uses zener diodes for reverse. i am looking for a way to control an led on a circuit board using audio input for learning purposes. This utilizes the sound (variations) from the device through the jack to provide light (intensity). this simple sound reactive leds circuit dances to the rhythm if hear sounds or music nearby.
From www.electroschematics.com
Sound Controlled Lights Circuit Led Control Circuit Synchronous Sound in this instructable i will show you how you can control a number of led's with sound by means of a simple electronic circuit. this simple sound reactive leds circuit dances to the rhythm if hear sounds or music nearby. a few years ago (around 3 years) i've made a very basic circuit to make a led. Led Control Circuit Synchronous Sound.
From www.circuits-diy.com
Sound Activated LEDs Using CA3140 IC Led Control Circuit Synchronous Sound this simple sound reactive leds circuit dances to the rhythm if hear sounds or music nearby. I am looking for some conceptual ideas to. The circuit uses zener diodes for reverse. i am looking for a way to control an led on a circuit board using audio input for learning purposes. This utilizes the sound (variations) from the. Led Control Circuit Synchronous Sound.
From www.circuits-diy.com
Sound Activated LED Flasher Using 2N4401 Transistor Led Control Circuit Synchronous Sound I am looking for some conceptual ideas to. i am making this very simple hobby circuit and i need help. The circuit uses zener diodes for reverse. a few years ago (around 3 years) i've made a very basic circuit to make a led blink to the sound. this simple sound reactive leds circuit dances to the. Led Control Circuit Synchronous Sound.
From www.circuits-diy.com
Simple Sound Reactive LEDs Circuit Led Control Circuit Synchronous Sound in this instructable i will show you how you can control a number of led's with sound by means of a simple electronic circuit. The circuit uses zener diodes for reverse. a few years ago (around 3 years) i've made a very basic circuit to make a led blink to the sound. i am making this very. Led Control Circuit Synchronous Sound.
From www.homemade-circuits.com
Simple RGB LED Controller Circuit Homemade Circuit Projects Led Control Circuit Synchronous Sound this simple sound reactive leds circuit dances to the rhythm if hear sounds or music nearby. this is about designing a circuit that can control multiple leds synchronized to music or sound, as simply as possible. a few years ago (around 3 years) i've made a very basic circuit to make a led blink to the sound.. Led Control Circuit Synchronous Sound.
From makingcircuits.com
LED Sound Level Indicator Circuit Led Control Circuit Synchronous Sound this is about designing a circuit that can control multiple leds synchronized to music or sound, as simply as possible. I am looking for some conceptual ideas to. this simple sound reactive leds circuit dances to the rhythm if hear sounds or music nearby. The circuit uses zener diodes for reverse. i am looking for a way. Led Control Circuit Synchronous Sound.
From www.ledsmagazine.com
Linear synchronous LED driver delivers up to 350 mA LEDs Magazine Led Control Circuit Synchronous Sound i am looking for a way to control an led on a circuit board using audio input for learning purposes. in this instructable i will show you how you can control a number of led's with sound by means of a simple electronic circuit. This utilizes the sound (variations) from the device through the jack to provide light. Led Control Circuit Synchronous Sound.
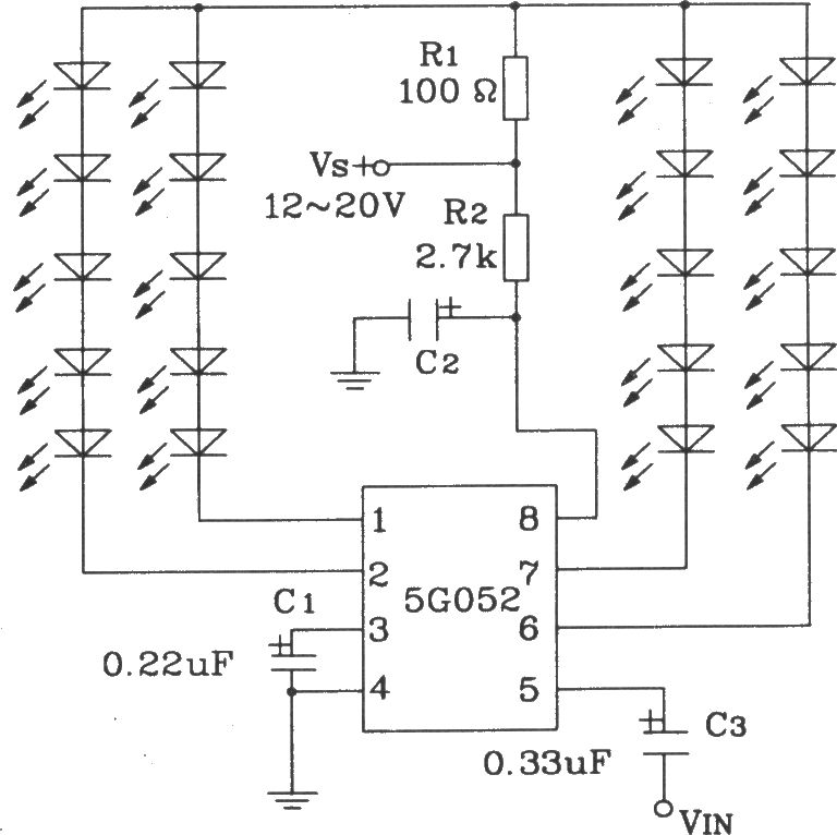
From www.seekic.com
Typical application circuit of audio synchronous color lamp control integrated circuit 5G052 Led Control Circuit Synchronous Sound in this instructable i will show you how you can control a number of led's with sound by means of a simple electronic circuit. I am looking for some conceptual ideas to. this simple sound reactive leds circuit dances to the rhythm if hear sounds or music nearby. a few years ago (around 3 years) i've made. Led Control Circuit Synchronous Sound.
From www.circuits-diy.com
Music Reactive LED Strip Arduino Project Led Control Circuit Synchronous Sound a few years ago (around 3 years) i've made a very basic circuit to make a led blink to the sound. this is about designing a circuit that can control multiple leds synchronized to music or sound, as simply as possible. in this instructable i will show you how you can control a number of led's with. Led Control Circuit Synchronous Sound.
From www.youtube.com
Arduino Music Reactive LED Strip YouTube Led Control Circuit Synchronous Sound This utilizes the sound (variations) from the device through the jack to provide light (intensity). i am making this very simple hobby circuit and i need help. this is about designing a circuit that can control multiple leds synchronized to music or sound, as simply as possible. i am looking for a way to control an led. Led Control Circuit Synchronous Sound.
From www.circuits-diy.com
Simple Basic LED Circuit Beginner Electronics Project Led Control Circuit Synchronous Sound a few years ago (around 3 years) i've made a very basic circuit to make a led blink to the sound. This utilizes the sound (variations) from the device through the jack to provide light (intensity). in this instructable i will show you how you can control a number of led's with sound by means of a simple. Led Control Circuit Synchronous Sound.
From www.circuitbasics.com
How to Control LEDs on the Arduino Circuit Basics Led Control Circuit Synchronous Sound I am looking for some conceptual ideas to. The circuit uses zener diodes for reverse. in this instructable i will show you how you can control a number of led's with sound by means of a simple electronic circuit. this is about designing a circuit that can control multiple leds synchronized to music or sound, as simply as. Led Control Circuit Synchronous Sound.
From arduinokituse.blogspot.com
Control LED By Clap Using Arduino And Sound Sensor Led Control Circuit Synchronous Sound in this instructable i will show you how you can control a number of led's with sound by means of a simple electronic circuit. this simple sound reactive leds circuit dances to the rhythm if hear sounds or music nearby. I am looking for some conceptual ideas to. this is about designing a circuit that can control. Led Control Circuit Synchronous Sound.
From www.circuits-diy.com
Sensitive Sound Activated LED with 2n4401 Transistors Led Control Circuit Synchronous Sound This utilizes the sound (variations) from the device through the jack to provide light (intensity). in this instructable i will show you how you can control a number of led's with sound by means of a simple electronic circuit. this is about designing a circuit that can control multiple leds synchronized to music or sound, as simply as. Led Control Circuit Synchronous Sound.
From theorycircuit.com
Current Control Circuit for LED Led Control Circuit Synchronous Sound i am making this very simple hobby circuit and i need help. i am looking for a way to control an led on a circuit board using audio input for learning purposes. in this instructable i will show you how you can control a number of led's with sound by means of a simple electronic circuit. This. Led Control Circuit Synchronous Sound.
From www.circuits-diy.com
Simple Sound Reactive LEDs Circuit Led Control Circuit Synchronous Sound i am making this very simple hobby circuit and i need help. this simple sound reactive leds circuit dances to the rhythm if hear sounds or music nearby. this is about designing a circuit that can control multiple leds synchronized to music or sound, as simply as possible. This utilizes the sound (variations) from the device through. Led Control Circuit Synchronous Sound.
From www.circuitdiagram.org
Sound / Audio Level LED Meter Circuit Diagram Led Control Circuit Synchronous Sound i am making this very simple hobby circuit and i need help. The circuit uses zener diodes for reverse. this is about designing a circuit that can control multiple leds synchronized to music or sound, as simply as possible. this simple sound reactive leds circuit dances to the rhythm if hear sounds or music nearby. in. Led Control Circuit Synchronous Sound.
From www.aliexpress.com
15watts Mp3 Sound Module Activated By Pir Motion Sensor Or Switch With Synchronous Load Output Led Control Circuit Synchronous Sound a few years ago (around 3 years) i've made a very basic circuit to make a led blink to the sound. this simple sound reactive leds circuit dances to the rhythm if hear sounds or music nearby. This utilizes the sound (variations) from the device through the jack to provide light (intensity). i am looking for a. Led Control Circuit Synchronous Sound.
From www.radiolocman.com
60 V, Synchronous StepDown High Current LED Driver Led Control Circuit Synchronous Sound this is about designing a circuit that can control multiple leds synchronized to music or sound, as simply as possible. this simple sound reactive leds circuit dances to the rhythm if hear sounds or music nearby. i am looking for a way to control an led on a circuit board using audio input for learning purposes. . Led Control Circuit Synchronous Sound.
From circuitdiagrams.in
WS2812B Music Reactive LED Strip Using ESP32 And WLED Led Control Circuit Synchronous Sound The circuit uses zener diodes for reverse. I am looking for some conceptual ideas to. this is about designing a circuit that can control multiple leds synchronized to music or sound, as simply as possible. This utilizes the sound (variations) from the device through the jack to provide light (intensity). this simple sound reactive leds circuit dances to. Led Control Circuit Synchronous Sound.
From www.next.gr
Sound Synchronized LED Video Tutorial under Repositorycircuits 45788 Next.gr Led Control Circuit Synchronous Sound this is about designing a circuit that can control multiple leds synchronized to music or sound, as simply as possible. a few years ago (around 3 years) i've made a very basic circuit to make a led blink to the sound. in this instructable i will show you how you can control a number of led's with. Led Control Circuit Synchronous Sound.
From archivossaltna.weebly.com
Simple Rgb Led Strip Controller Circuit Descargar Musica Led Control Circuit Synchronous Sound this is about designing a circuit that can control multiple leds synchronized to music or sound, as simply as possible. i am looking for a way to control an led on a circuit board using audio input for learning purposes. i am making this very simple hobby circuit and i need help. I am looking for some. Led Control Circuit Synchronous Sound.
From create.arduino.cc
Sound Sensor Activated LEDs with LCD for Sound Level Data! Arduino Project Hub Led Control Circuit Synchronous Sound this simple sound reactive leds circuit dances to the rhythm if hear sounds or music nearby. i am looking for a way to control an led on a circuit board using audio input for learning purposes. this is about designing a circuit that can control multiple leds synchronized to music or sound, as simply as possible. This. Led Control Circuit Synchronous Sound.
From www.powersystemsdesign.com
60VOUT, Synchronous Boost LED Controller Led Control Circuit Synchronous Sound i am looking for a way to control an led on a circuit board using audio input for learning purposes. I am looking for some conceptual ideas to. a few years ago (around 3 years) i've made a very basic circuit to make a led blink to the sound. i am making this very simple hobby circuit. Led Control Circuit Synchronous Sound.
From www.eleccircuit.com
Dancing LED with Music circuit diagram Led Control Circuit Synchronous Sound i am looking for a way to control an led on a circuit board using audio input for learning purposes. This utilizes the sound (variations) from the device through the jack to provide light (intensity). I am looking for some conceptual ideas to. in this instructable i will show you how you can control a number of led's. Led Control Circuit Synchronous Sound.
From www.seekic.com
555 sound and light synchronous touchbell metronome circuit Control_Circuit Circuit Diagram Led Control Circuit Synchronous Sound I am looking for some conceptual ideas to. i am looking for a way to control an led on a circuit board using audio input for learning purposes. i am making this very simple hobby circuit and i need help. The circuit uses zener diodes for reverse. a few years ago (around 3 years) i've made a. Led Control Circuit Synchronous Sound.
From techatronic.com
music reactive led with Arduino Arduino music reactive LED Led Control Circuit Synchronous Sound i am looking for a way to control an led on a circuit board using audio input for learning purposes. this simple sound reactive leds circuit dances to the rhythm if hear sounds or music nearby. i am making this very simple hobby circuit and i need help. this is about designing a circuit that can. Led Control Circuit Synchronous Sound.
From www.circuits-diy.com
Current Control Circuit for LED Led Control Circuit Synchronous Sound This utilizes the sound (variations) from the device through the jack to provide light (intensity). a few years ago (around 3 years) i've made a very basic circuit to make a led blink to the sound. The circuit uses zener diodes for reverse. this is about designing a circuit that can control multiple leds synchronized to music or. Led Control Circuit Synchronous Sound.
From www.circuits-diy.com
Sound Activated LED Flasher Circuit using S9014 Led Control Circuit Synchronous Sound The circuit uses zener diodes for reverse. in this instructable i will show you how you can control a number of led's with sound by means of a simple electronic circuit. I am looking for some conceptual ideas to. this is about designing a circuit that can control multiple leds synchronized to music or sound, as simply as. Led Control Circuit Synchronous Sound.
From www.hackster.io
Control LED By Clap Using Arduino and Sound Sensor Hackster.io Led Control Circuit Synchronous Sound i am looking for a way to control an led on a circuit board using audio input for learning purposes. The circuit uses zener diodes for reverse. a few years ago (around 3 years) i've made a very basic circuit to make a led blink to the sound. This utilizes the sound (variations) from the device through the. Led Control Circuit Synchronous Sound.
From www.circuits-diy.com
Simple Sound Reactive LEDs Circuit Led Control Circuit Synchronous Sound this is about designing a circuit that can control multiple leds synchronized to music or sound, as simply as possible. this simple sound reactive leds circuit dances to the rhythm if hear sounds or music nearby. i am making this very simple hobby circuit and i need help. The circuit uses zener diodes for reverse. a. Led Control Circuit Synchronous Sound.
From iskujekzschematic.z14.web.core.windows.net
Simple Led Circuit Schematics Led Control Circuit Synchronous Sound a few years ago (around 3 years) i've made a very basic circuit to make a led blink to the sound. this is about designing a circuit that can control multiple leds synchronized to music or sound, as simply as possible. I am looking for some conceptual ideas to. this simple sound reactive leds circuit dances to. Led Control Circuit Synchronous Sound.
From www.circuits-diy.com
Sound Activated LED Using LM386 Audio Amplifier IC Led Control Circuit Synchronous Sound this simple sound reactive leds circuit dances to the rhythm if hear sounds or music nearby. i am making this very simple hobby circuit and i need help. The circuit uses zener diodes for reverse. This utilizes the sound (variations) from the device through the jack to provide light (intensity). in this instructable i will show you. Led Control Circuit Synchronous Sound.
From shopee.com.my
Led Fireworks Circuit Synchronous Sound, Preload Effect Shopee Malaysia Led Control Circuit Synchronous Sound This utilizes the sound (variations) from the device through the jack to provide light (intensity). i am looking for a way to control an led on a circuit board using audio input for learning purposes. this simple sound reactive leds circuit dances to the rhythm if hear sounds or music nearby. this is about designing a circuit. Led Control Circuit Synchronous Sound.
From duino4projects.com
Sound Reactive LED Strip Use Arduino for Projects Led Control Circuit Synchronous Sound The circuit uses zener diodes for reverse. this simple sound reactive leds circuit dances to the rhythm if hear sounds or music nearby. i am making this very simple hobby circuit and i need help. this is about designing a circuit that can control multiple leds synchronized to music or sound, as simply as possible. I am. Led Control Circuit Synchronous Sound.