Booster Or Master Cylinder Problem . Most often, a bad brake booster will cause a stiff brake pedal, but if there is an internal problem, it could potentially cause a soft pedal. If your brakes are not. Leaks can also occur where the master. To test if your brake master cylinder is bad, you can follow these three steps: The brake booster is located between the brake pedal and master cylinder and uses a vacuum to overcome the fluid pressure in the brake system. The brake master cylinder sits underneath the brake fluid reservoir, and leaks usually occur where the reservoir connects to the master cylinder. Check the inside of the vacuum hose for the presence of. Visually inspect for external fluid leaks, and check brake fluid levels. In this article, we'll be explaining several simple diagnostic tests you can perform at home to make sure your booster is working properly and to help you pinpoint any potential. Check brake line fittings, sensor connections, tank seals, and the rear of the master cylinder near the vacuum brake booster. Common signs of a faulty vacuum brake booster check valve include the brake pedal being difficult to engage,.
from www.racingjunk.com
In this article, we'll be explaining several simple diagnostic tests you can perform at home to make sure your booster is working properly and to help you pinpoint any potential. Leaks can also occur where the master. To test if your brake master cylinder is bad, you can follow these three steps: Check brake line fittings, sensor connections, tank seals, and the rear of the master cylinder near the vacuum brake booster. If your brakes are not. Common signs of a faulty vacuum brake booster check valve include the brake pedal being difficult to engage,. Most often, a bad brake booster will cause a stiff brake pedal, but if there is an internal problem, it could potentially cause a soft pedal. Check the inside of the vacuum hose for the presence of. Visually inspect for external fluid leaks, and check brake fluid levels. The brake master cylinder sits underneath the brake fluid reservoir, and leaks usually occur where the reservoir connects to the master cylinder.
Finding and Fixing Problems with Master Cylinders and Brake Boosters
Booster Or Master Cylinder Problem Visually inspect for external fluid leaks, and check brake fluid levels. Most often, a bad brake booster will cause a stiff brake pedal, but if there is an internal problem, it could potentially cause a soft pedal. The brake master cylinder sits underneath the brake fluid reservoir, and leaks usually occur where the reservoir connects to the master cylinder. Check the inside of the vacuum hose for the presence of. The brake booster is located between the brake pedal and master cylinder and uses a vacuum to overcome the fluid pressure in the brake system. To test if your brake master cylinder is bad, you can follow these three steps: In this article, we'll be explaining several simple diagnostic tests you can perform at home to make sure your booster is working properly and to help you pinpoint any potential. Leaks can also occur where the master. Visually inspect for external fluid leaks, and check brake fluid levels. Common signs of a faulty vacuum brake booster check valve include the brake pedal being difficult to engage,. If your brakes are not. Check brake line fittings, sensor connections, tank seals, and the rear of the master cylinder near the vacuum brake booster.
From www.youtube.com
Master Cylinder and Brake Booster Replacement with Basic Hand Tools Booster Or Master Cylinder Problem Check brake line fittings, sensor connections, tank seals, and the rear of the master cylinder near the vacuum brake booster. Check the inside of the vacuum hose for the presence of. Most often, a bad brake booster will cause a stiff brake pedal, but if there is an internal problem, it could potentially cause a soft pedal. If your brakes. Booster Or Master Cylinder Problem.
From www.racingjunk.com
Finding and Fixing Problems with Master Cylinders and Brake Boosters Booster Or Master Cylinder Problem Check the inside of the vacuum hose for the presence of. Common signs of a faulty vacuum brake booster check valve include the brake pedal being difficult to engage,. The brake booster is located between the brake pedal and master cylinder and uses a vacuum to overcome the fluid pressure in the brake system. Leaks can also occur where the. Booster Or Master Cylinder Problem.
From gbodyforum.com
FYI Later model GM truck Stabilitrak and service brake system soon due Booster Or Master Cylinder Problem To test if your brake master cylinder is bad, you can follow these three steps: Check the inside of the vacuum hose for the presence of. Visually inspect for external fluid leaks, and check brake fluid levels. In this article, we'll be explaining several simple diagnostic tests you can perform at home to make sure your booster is working properly. Booster Or Master Cylinder Problem.
From axleaddict.com
How to Check for a Bad Brake Booster AxleAddict Booster Or Master Cylinder Problem In this article, we'll be explaining several simple diagnostic tests you can perform at home to make sure your booster is working properly and to help you pinpoint any potential. The brake master cylinder sits underneath the brake fluid reservoir, and leaks usually occur where the reservoir connects to the master cylinder. Check brake line fittings, sensor connections, tank seals,. Booster Or Master Cylinder Problem.
From www.forebodiesonly.com
About the gap between the brake booster and the master cylinder. For Booster Or Master Cylinder Problem Visually inspect for external fluid leaks, and check brake fluid levels. Check brake line fittings, sensor connections, tank seals, and the rear of the master cylinder near the vacuum brake booster. Leaks can also occur where the master. Check the inside of the vacuum hose for the presence of. Most often, a bad brake booster will cause a stiff brake. Booster Or Master Cylinder Problem.
From carfromjapan.com
How to Tell if Brake Booster or Master Cylinder is Bad? Booster Or Master Cylinder Problem Leaks can also occur where the master. Check the inside of the vacuum hose for the presence of. Common signs of a faulty vacuum brake booster check valve include the brake pedal being difficult to engage,. The brake master cylinder sits underneath the brake fluid reservoir, and leaks usually occur where the reservoir connects to the master cylinder. To test. Booster Or Master Cylinder Problem.
From www.racingjunk.com
Finding and Fixing Problems with Master Cylinders and Brake Boosters Booster Or Master Cylinder Problem To test if your brake master cylinder is bad, you can follow these three steps: Visually inspect for external fluid leaks, and check brake fluid levels. If your brakes are not. Leaks can also occur where the master. Check brake line fittings, sensor connections, tank seals, and the rear of the master cylinder near the vacuum brake booster. The brake. Booster Or Master Cylinder Problem.
From www.pro-touring.com
brake booster and master cylinder mounting problems. Booster Or Master Cylinder Problem In this article, we'll be explaining several simple diagnostic tests you can perform at home to make sure your booster is working properly and to help you pinpoint any potential. Visually inspect for external fluid leaks, and check brake fluid levels. Most often, a bad brake booster will cause a stiff brake pedal, but if there is an internal problem,. Booster Or Master Cylinder Problem.
From www.clublexus.com
How to Replace 98 GS300 Brake Master Cylnder Booster Unit ClubLexus Booster Or Master Cylinder Problem Check brake line fittings, sensor connections, tank seals, and the rear of the master cylinder near the vacuum brake booster. Common signs of a faulty vacuum brake booster check valve include the brake pedal being difficult to engage,. Leaks can also occur where the master. Visually inspect for external fluid leaks, and check brake fluid levels. The brake master cylinder. Booster Or Master Cylinder Problem.
From www.youtube.com
GM Truck Hydroboost Hydraulic Brake Booster Remove & Replace YouTube Booster Or Master Cylinder Problem The brake booster is located between the brake pedal and master cylinder and uses a vacuum to overcome the fluid pressure in the brake system. The brake master cylinder sits underneath the brake fluid reservoir, and leaks usually occur where the reservoir connects to the master cylinder. Leaks can also occur where the master. Visually inspect for external fluid leaks,. Booster Or Master Cylinder Problem.
From brakesindia.com
Booster Master Cylinder / Tandem Booster Master Cylinder Brakes India Booster Or Master Cylinder Problem Common signs of a faulty vacuum brake booster check valve include the brake pedal being difficult to engage,. The brake booster is located between the brake pedal and master cylinder and uses a vacuum to overcome the fluid pressure in the brake system. Leaks can also occur where the master. Check brake line fittings, sensor connections, tank seals, and the. Booster Or Master Cylinder Problem.
From www.racingjunk.com
Finding and Fixing Problems with Master Cylinders and Brake Boosters Booster Or Master Cylinder Problem In this article, we'll be explaining several simple diagnostic tests you can perform at home to make sure your booster is working properly and to help you pinpoint any potential. To test if your brake master cylinder is bad, you can follow these three steps: The brake master cylinder sits underneath the brake fluid reservoir, and leaks usually occur where. Booster Or Master Cylinder Problem.
From www.classiczcars.com
Frozen Master Cylinder/Booster Damage Help Me !! The Classic Zcar Club Booster Or Master Cylinder Problem Check brake line fittings, sensor connections, tank seals, and the rear of the master cylinder near the vacuum brake booster. Visually inspect for external fluid leaks, and check brake fluid levels. Common signs of a faulty vacuum brake booster check valve include the brake pedal being difficult to engage,. The brake master cylinder sits underneath the brake fluid reservoir, and. Booster Or Master Cylinder Problem.
From www.youtube.com
Brake Booster and Master Cylinder Kit Tech Talk YouTube Booster Or Master Cylinder Problem The brake master cylinder sits underneath the brake fluid reservoir, and leaks usually occur where the reservoir connects to the master cylinder. Visually inspect for external fluid leaks, and check brake fluid levels. In this article, we'll be explaining several simple diagnostic tests you can perform at home to make sure your booster is working properly and to help you. Booster Or Master Cylinder Problem.
From forum.ih8mud.com
real time brake booster/ master cylinder leaking questions? IH8MUD Forum Booster Or Master Cylinder Problem Common signs of a faulty vacuum brake booster check valve include the brake pedal being difficult to engage,. Visually inspect for external fluid leaks, and check brake fluid levels. Leaks can also occur where the master. Most often, a bad brake booster will cause a stiff brake pedal, but if there is an internal problem, it could potentially cause a. Booster Or Master Cylinder Problem.
From www.racingjunk.com
Finding and Fixing Problems with Master Cylinders and Brake Boosters Booster Or Master Cylinder Problem In this article, we'll be explaining several simple diagnostic tests you can perform at home to make sure your booster is working properly and to help you pinpoint any potential. To test if your brake master cylinder is bad, you can follow these three steps: The brake booster is located between the brake pedal and master cylinder and uses a. Booster Or Master Cylinder Problem.
From detoxicrecenze.com
Gm Master Cylinder Diagram My Wiring DIagram Booster Or Master Cylinder Problem Check the inside of the vacuum hose for the presence of. In this article, we'll be explaining several simple diagnostic tests you can perform at home to make sure your booster is working properly and to help you pinpoint any potential. The brake master cylinder sits underneath the brake fluid reservoir, and leaks usually occur where the reservoir connects to. Booster Or Master Cylinder Problem.
From axleaddict.com
3 Common Causes for a Soft Brake Pedal AxleAddict Booster Or Master Cylinder Problem Check the inside of the vacuum hose for the presence of. Visually inspect for external fluid leaks, and check brake fluid levels. Check brake line fittings, sensor connections, tank seals, and the rear of the master cylinder near the vacuum brake booster. Common signs of a faulty vacuum brake booster check valve include the brake pedal being difficult to engage,.. Booster Or Master Cylinder Problem.
From www.pelicanparts.com
Porsche Cayenne Diagnosing Brake Booster and Master Cylinder Problems Booster Or Master Cylinder Problem Most often, a bad brake booster will cause a stiff brake pedal, but if there is an internal problem, it could potentially cause a soft pedal. Leaks can also occur where the master. Visually inspect for external fluid leaks, and check brake fluid levels. If your brakes are not. Check the inside of the vacuum hose for the presence of.. Booster Or Master Cylinder Problem.
From www.pro-touring.com
brake booster and master cylinder mounting problems. Booster Or Master Cylinder Problem The brake booster is located between the brake pedal and master cylinder and uses a vacuum to overcome the fluid pressure in the brake system. Check the inside of the vacuum hose for the presence of. Leaks can also occur where the master. The brake master cylinder sits underneath the brake fluid reservoir, and leaks usually occur where the reservoir. Booster Or Master Cylinder Problem.
From brakesindia.com
Booster Master Cylinder / Tandem Booster Master Cylinder Brakes India Booster Or Master Cylinder Problem Most often, a bad brake booster will cause a stiff brake pedal, but if there is an internal problem, it could potentially cause a soft pedal. Check the inside of the vacuum hose for the presence of. Common signs of a faulty vacuum brake booster check valve include the brake pedal being difficult to engage,. Check brake line fittings, sensor. Booster Or Master Cylinder Problem.
From www.liveabout.com
Symptoms of Master Cylinder Failure Booster Or Master Cylinder Problem The brake booster is located between the brake pedal and master cylinder and uses a vacuum to overcome the fluid pressure in the brake system. If your brakes are not. Common signs of a faulty vacuum brake booster check valve include the brake pedal being difficult to engage,. Most often, a bad brake booster will cause a stiff brake pedal,. Booster Or Master Cylinder Problem.
From www.wikihow.com
How to Replace a Master Cylinder 6 Steps (with Pictures) Booster Or Master Cylinder Problem The brake booster is located between the brake pedal and master cylinder and uses a vacuum to overcome the fluid pressure in the brake system. To test if your brake master cylinder is bad, you can follow these three steps: If your brakes are not. Check brake line fittings, sensor connections, tank seals, and the rear of the master cylinder. Booster Or Master Cylinder Problem.
From www.mechanicalbooster.com
What is Master Cylinder and How It Works? Mechanical Booster Booster Or Master Cylinder Problem The brake booster is located between the brake pedal and master cylinder and uses a vacuum to overcome the fluid pressure in the brake system. Leaks can also occur where the master. To test if your brake master cylinder is bad, you can follow these three steps: Most often, a bad brake booster will cause a stiff brake pedal, but. Booster Or Master Cylinder Problem.
From www.youtube.com
How a Brake Booster and Master Cylinder Work YouTube Booster Or Master Cylinder Problem Check the inside of the vacuum hose for the presence of. The brake booster is located between the brake pedal and master cylinder and uses a vacuum to overcome the fluid pressure in the brake system. In this article, we'll be explaining several simple diagnostic tests you can perform at home to make sure your booster is working properly and. Booster Or Master Cylinder Problem.
From www.2carpros.com
Master Cylinder or Brake Booster? I Am Trying to Figure Out Booster Or Master Cylinder Problem The brake booster is located between the brake pedal and master cylinder and uses a vacuum to overcome the fluid pressure in the brake system. Check brake line fittings, sensor connections, tank seals, and the rear of the master cylinder near the vacuum brake booster. If your brakes are not. In this article, we'll be explaining several simple diagnostic tests. Booster Or Master Cylinder Problem.
From www.tundras.com
Master Cylinder leaking into Brake Booster Toyota Tundra Forum Booster Or Master Cylinder Problem Check the inside of the vacuum hose for the presence of. Visually inspect for external fluid leaks, and check brake fluid levels. Leaks can also occur where the master. The brake master cylinder sits underneath the brake fluid reservoir, and leaks usually occur where the reservoir connects to the master cylinder. Common signs of a faulty vacuum brake booster check. Booster Or Master Cylinder Problem.
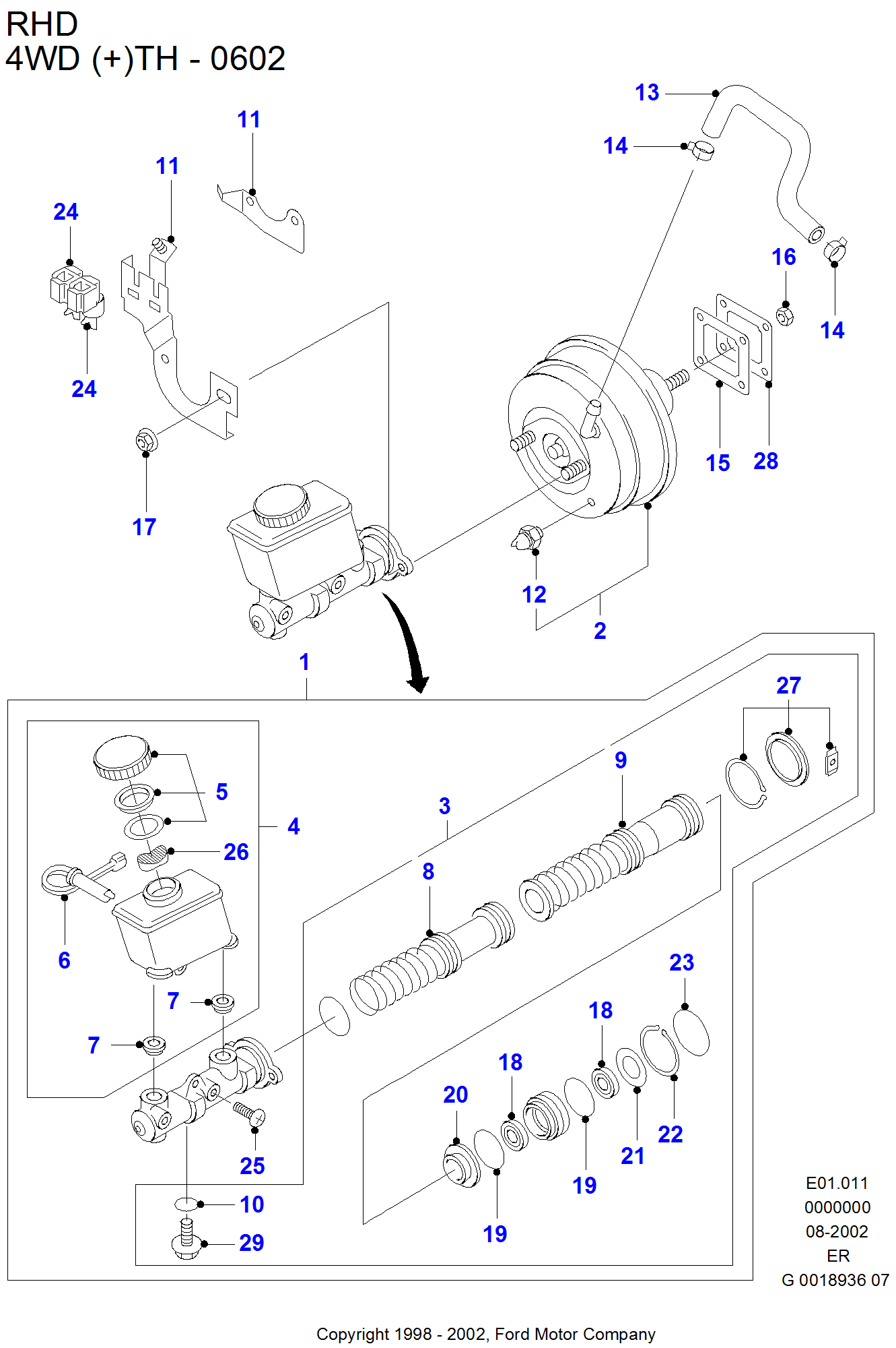
From ford.7zap.com
Master Cylinder & Brake Booster FORD Ranger 19982003 (ER) Booster Or Master Cylinder Problem Check brake line fittings, sensor connections, tank seals, and the rear of the master cylinder near the vacuum brake booster. Visually inspect for external fluid leaks, and check brake fluid levels. The brake master cylinder sits underneath the brake fluid reservoir, and leaks usually occur where the reservoir connects to the master cylinder. Check the inside of the vacuum hose. Booster Or Master Cylinder Problem.
From www.pelicanparts.com
Porsche Cayenne Diagnosing Brake Booster and Master Cylinder Problems Booster Or Master Cylinder Problem Leaks can also occur where the master. The brake booster is located between the brake pedal and master cylinder and uses a vacuum to overcome the fluid pressure in the brake system. Common signs of a faulty vacuum brake booster check valve include the brake pedal being difficult to engage,. Most often, a bad brake booster will cause a stiff. Booster Or Master Cylinder Problem.
From patcat.blogspot.com
Curiosity. Knowledge. Power. Brake boosters Booster Or Master Cylinder Problem The brake master cylinder sits underneath the brake fluid reservoir, and leaks usually occur where the reservoir connects to the master cylinder. Check brake line fittings, sensor connections, tank seals, and the rear of the master cylinder near the vacuum brake booster. To test if your brake master cylinder is bad, you can follow these three steps: The brake booster. Booster Or Master Cylinder Problem.
From www.youtube.com
How to Adjust Brake Booster to Master Cylinder Push Rod Depth YouTube Booster Or Master Cylinder Problem If your brakes are not. Common signs of a faulty vacuum brake booster check valve include the brake pedal being difficult to engage,. To test if your brake master cylinder is bad, you can follow these three steps: The brake booster is located between the brake pedal and master cylinder and uses a vacuum to overcome the fluid pressure in. Booster Or Master Cylinder Problem.
From brakesindia.com
Booster Master Cylinder / Tandem Booster Master Cylinder Brakes India Booster Or Master Cylinder Problem Leaks can also occur where the master. In this article, we'll be explaining several simple diagnostic tests you can perform at home to make sure your booster is working properly and to help you pinpoint any potential. The brake master cylinder sits underneath the brake fluid reservoir, and leaks usually occur where the reservoir connects to the master cylinder. The. Booster Or Master Cylinder Problem.
From exosdzruu.blob.core.windows.net
Seal Between Master Cylinder And Brake Booster at Scott Zamora blog Booster Or Master Cylinder Problem The brake booster is located between the brake pedal and master cylinder and uses a vacuum to overcome the fluid pressure in the brake system. Check the inside of the vacuum hose for the presence of. If your brakes are not. The brake master cylinder sits underneath the brake fluid reservoir, and leaks usually occur where the reservoir connects to. Booster Or Master Cylinder Problem.
From www.pelicanparts.com
Porsche Cayenne Diagnosing Brake Booster and Master Cylinder Problems Booster Or Master Cylinder Problem Check the inside of the vacuum hose for the presence of. If your brakes are not. Leaks can also occur where the master. The brake booster is located between the brake pedal and master cylinder and uses a vacuum to overcome the fluid pressure in the brake system. Common signs of a faulty vacuum brake booster check valve include the. Booster Or Master Cylinder Problem.
From www.racingjunk.com
Finding and Fixing Problems with Master Cylinders and Brake Boosters Booster Or Master Cylinder Problem If your brakes are not. Visually inspect for external fluid leaks, and check brake fluid levels. The brake master cylinder sits underneath the brake fluid reservoir, and leaks usually occur where the reservoir connects to the master cylinder. In this article, we'll be explaining several simple diagnostic tests you can perform at home to make sure your booster is working. Booster Or Master Cylinder Problem.