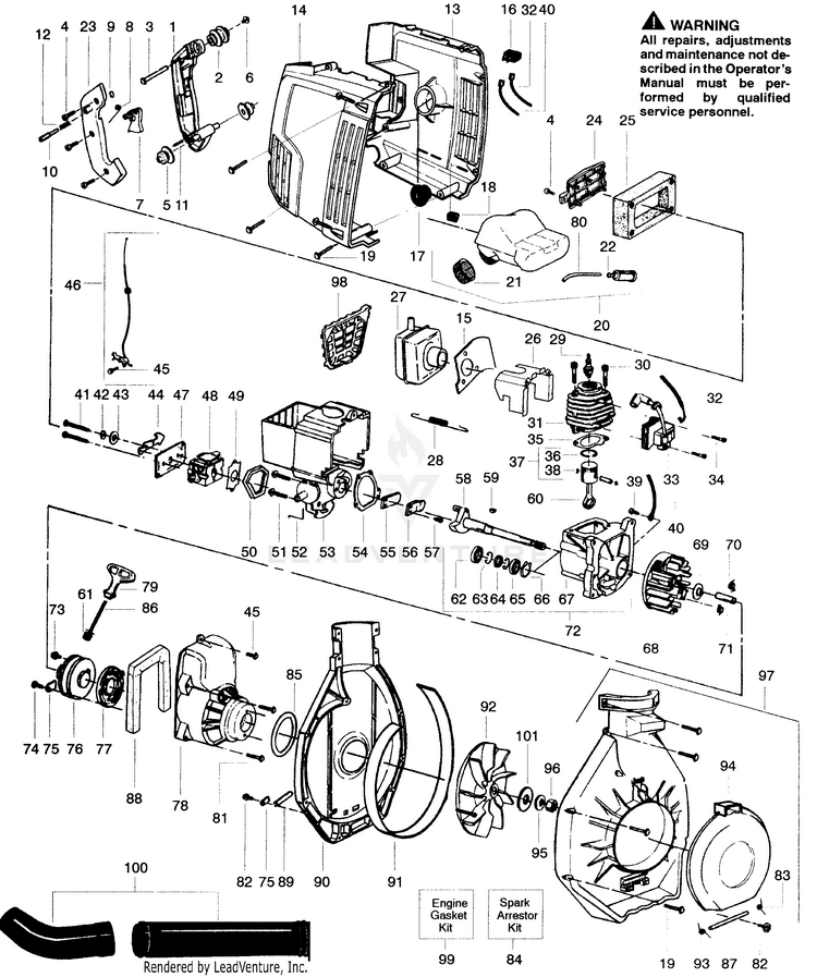
Weed Eater Leaf Blower Parts Diagram . a complete guide to your fb25 weed eater leaf blower / vacuum at partselect. find the right weed eater leaf blower model fb25/type 1 replacement parts for your repair. here are the diagrams and repair parts for official weed eater fb25 blower, as well as links to manuals and error code tables, if. weedeater leaf blower fb25 repair parts. shop oem replacement parts by symptoms or model diagrams for your weed eater fb25 handheld blower! We have model diagrams, oem parts,. The best way to find parts for weedeater leaf blower model fb25 is by clicking one of the diagrams below. poulan fb25 gas blower parts diagrams. Filter results by part category, part. partstree.com and hill country outdoor power are hcop, llc companies.
from montananaturalgascompaniesdozosai.blogspot.com
shop oem replacement parts by symptoms or model diagrams for your weed eater fb25 handheld blower! The best way to find parts for weedeater leaf blower model fb25 is by clicking one of the diagrams below. Filter results by part category, part. poulan fb25 gas blower parts diagrams. We have model diagrams, oem parts,. weedeater leaf blower fb25 repair parts. a complete guide to your fb25 weed eater leaf blower / vacuum at partselect. partstree.com and hill country outdoor power are hcop, llc companies. find the right weed eater leaf blower model fb25/type 1 replacement parts for your repair. here are the diagrams and repair parts for official weed eater fb25 blower, as well as links to manuals and error code tables, if.
Montana Natural Gas Companies Weed Eater Gas Blower Fb25 Manual
Weed Eater Leaf Blower Parts Diagram Filter results by part category, part. partstree.com and hill country outdoor power are hcop, llc companies. Filter results by part category, part. shop oem replacement parts by symptoms or model diagrams for your weed eater fb25 handheld blower! We have model diagrams, oem parts,. find the right weed eater leaf blower model fb25/type 1 replacement parts for your repair. weedeater leaf blower fb25 repair parts. The best way to find parts for weedeater leaf blower model fb25 is by clicking one of the diagrams below. poulan fb25 gas blower parts diagrams. a complete guide to your fb25 weed eater leaf blower / vacuum at partselect. here are the diagrams and repair parts for official weed eater fb25 blower, as well as links to manuals and error code tables, if.
From www.jackssmallengines.com
Poulan GBI22V Gas Blower Parts Diagram for Blower Assembly Weed Eater Leaf Blower Parts Diagram The best way to find parts for weedeater leaf blower model fb25 is by clicking one of the diagrams below. shop oem replacement parts by symptoms or model diagrams for your weed eater fb25 handheld blower! weedeater leaf blower fb25 repair parts. partstree.com and hill country outdoor power are hcop, llc companies. find the right weed. Weed Eater Leaf Blower Parts Diagram.
From www.partstree.com
Weed Eater 2560 Weed Eater Blower, Electric Electric Blower/Blower Assembly Parts Lookup with Weed Eater Leaf Blower Parts Diagram We have model diagrams, oem parts,. The best way to find parts for weedeater leaf blower model fb25 is by clicking one of the diagrams below. poulan fb25 gas blower parts diagrams. a complete guide to your fb25 weed eater leaf blower / vacuum at partselect. shop oem replacement parts by symptoms or model diagrams for your. Weed Eater Leaf Blower Parts Diagram.
From mungfali.com
Weed Eater Blower Parts Diagram Weed Eater Leaf Blower Parts Diagram a complete guide to your fb25 weed eater leaf blower / vacuum at partselect. weedeater leaf blower fb25 repair parts. Filter results by part category, part. shop oem replacement parts by symptoms or model diagrams for your weed eater fb25 handheld blower! poulan fb25 gas blower parts diagrams. partstree.com and hill country outdoor power are. Weed Eater Leaf Blower Parts Diagram.
From mungfali.com
Weed Eater Blower Parts Diagram Weed Eater Leaf Blower Parts Diagram Filter results by part category, part. find the right weed eater leaf blower model fb25/type 1 replacement parts for your repair. here are the diagrams and repair parts for official weed eater fb25 blower, as well as links to manuals and error code tables, if. poulan fb25 gas blower parts diagrams. The best way to find parts. Weed Eater Leaf Blower Parts Diagram.
From www.partstree.com
Weed Eater SV 30 Weed Eater Blower BLOWER ASSEMBLY Parts Lookup with Diagrams PartsTree Weed Eater Leaf Blower Parts Diagram poulan fb25 gas blower parts diagrams. The best way to find parts for weedeater leaf blower model fb25 is by clicking one of the diagrams below. weedeater leaf blower fb25 repair parts. find the right weed eater leaf blower model fb25/type 1 replacement parts for your repair. partstree.com and hill country outdoor power are hcop, llc. Weed Eater Leaf Blower Parts Diagram.
From www.partstree.com
Weed Eater FB 25 Weed Eater Blower Engine Type 1 Parts Lookup with Diagrams PartsTree Weed Eater Leaf Blower Parts Diagram a complete guide to your fb25 weed eater leaf blower / vacuum at partselect. Filter results by part category, part. We have model diagrams, oem parts,. find the right weed eater leaf blower model fb25/type 1 replacement parts for your repair. weedeater leaf blower fb25 repair parts. partstree.com and hill country outdoor power are hcop, llc. Weed Eater Leaf Blower Parts Diagram.
From www.partswarehouse.com
Weed Eater SB180BV Gas Blower Weed Eater Leaf Blower Parts Diagram weedeater leaf blower fb25 repair parts. Filter results by part category, part. We have model diagrams, oem parts,. partstree.com and hill country outdoor power are hcop, llc companies. find the right weed eater leaf blower model fb25/type 1 replacement parts for your repair. here are the diagrams and repair parts for official weed eater fb25 blower,. Weed Eater Leaf Blower Parts Diagram.
From www.partstree.com
Weed Eater FL 1500 LE Weed Eater Featherlite Blower, Type 1 Engine Type 1 Parts Lookup with Weed Eater Leaf Blower Parts Diagram The best way to find parts for weedeater leaf blower model fb25 is by clicking one of the diagrams below. Filter results by part category, part. here are the diagrams and repair parts for official weed eater fb25 blower, as well as links to manuals and error code tables, if. We have model diagrams, oem parts,. a complete. Weed Eater Leaf Blower Parts Diagram.
From montananaturalgascompaniesdozosai.blogspot.com
Montana Natural Gas Companies Weed Eater Gas Blower Fb25 Manual Weed Eater Leaf Blower Parts Diagram shop oem replacement parts by symptoms or model diagrams for your weed eater fb25 handheld blower! a complete guide to your fb25 weed eater leaf blower / vacuum at partselect. find the right weed eater leaf blower model fb25/type 1 replacement parts for your repair. partstree.com and hill country outdoor power are hcop, llc companies. The. Weed Eater Leaf Blower Parts Diagram.
From fixitfrequency.com
Exploring the Parts of a Weed Eater Leaf Blower Essential Diagram Weed Eater Leaf Blower Parts Diagram a complete guide to your fb25 weed eater leaf blower / vacuum at partselect. We have model diagrams, oem parts,. partstree.com and hill country outdoor power are hcop, llc companies. poulan fb25 gas blower parts diagrams. shop oem replacement parts by symptoms or model diagrams for your weed eater fb25 handheld blower! find the right. Weed Eater Leaf Blower Parts Diagram.
From www.partstree.com
Weed Eater EBV 200W Weed Eater Blower Vacuum, Electric Product Complete Parts Lookup with Weed Eater Leaf Blower Parts Diagram Filter results by part category, part. partstree.com and hill country outdoor power are hcop, llc companies. poulan fb25 gas blower parts diagrams. weedeater leaf blower fb25 repair parts. shop oem replacement parts by symptoms or model diagrams for your weed eater fb25 handheld blower! find the right weed eater leaf blower model fb25/type 1 replacement. Weed Eater Leaf Blower Parts Diagram.
From www.partstree.com
Weed Eater 2510 Weed Eater Blower, Electric Blower Assembly Parts Lookup with Diagrams PartsTree Weed Eater Leaf Blower Parts Diagram We have model diagrams, oem parts,. Filter results by part category, part. a complete guide to your fb25 weed eater leaf blower / vacuum at partselect. partstree.com and hill country outdoor power are hcop, llc companies. weedeater leaf blower fb25 repair parts. here are the diagrams and repair parts for official weed eater fb25 blower, as. Weed Eater Leaf Blower Parts Diagram.
From mungfali.com
Weed Eater Blower Parts Diagram Weed Eater Leaf Blower Parts Diagram weedeater leaf blower fb25 repair parts. find the right weed eater leaf blower model fb25/type 1 replacement parts for your repair. Filter results by part category, part. partstree.com and hill country outdoor power are hcop, llc companies. The best way to find parts for weedeater leaf blower model fb25 is by clicking one of the diagrams below.. Weed Eater Leaf Blower Parts Diagram.
From fixitfrequency.com
Exploring the Parts of a Weed Eater Leaf Blower Essential Diagram Weed Eater Leaf Blower Parts Diagram here are the diagrams and repair parts for official weed eater fb25 blower, as well as links to manuals and error code tables, if. a complete guide to your fb25 weed eater leaf blower / vacuum at partselect. Filter results by part category, part. partstree.com and hill country outdoor power are hcop, llc companies. find the. Weed Eater Leaf Blower Parts Diagram.
From www.partstree.com
Weed Eater 510 Weed Eater Blower, Electric POWER BLOWER ATTACHMENT Parts Lookup with Diagrams Weed Eater Leaf Blower Parts Diagram poulan fb25 gas blower parts diagrams. weedeater leaf blower fb25 repair parts. a complete guide to your fb25 weed eater leaf blower / vacuum at partselect. We have model diagrams, oem parts,. here are the diagrams and repair parts for official weed eater fb25 blower, as well as links to manuals and error code tables, if.. Weed Eater Leaf Blower Parts Diagram.
From www.partstree.com
Weed Eater BV 1650 Weed Eater Barracuda Blower Vacuum, Type 1 Engine Assembly Type 1 Parts Weed Eater Leaf Blower Parts Diagram weedeater leaf blower fb25 repair parts. here are the diagrams and repair parts for official weed eater fb25 blower, as well as links to manuals and error code tables, if. a complete guide to your fb25 weed eater leaf blower / vacuum at partselect. We have model diagrams, oem parts,. poulan fb25 gas blower parts diagrams.. Weed Eater Leaf Blower Parts Diagram.
From www.partstree.com
Weed Eater GBI 20 Weed Eater Blower BLOWER ASSEMBLY Parts Lookup with Diagrams PartsTree Weed Eater Leaf Blower Parts Diagram partstree.com and hill country outdoor power are hcop, llc companies. weedeater leaf blower fb25 repair parts. shop oem replacement parts by symptoms or model diagrams for your weed eater fb25 handheld blower! a complete guide to your fb25 weed eater leaf blower / vacuum at partselect. find the right weed eater leaf blower model fb25/type. Weed Eater Leaf Blower Parts Diagram.
From jumpstarterdiscount.blogspot.com
Weed Eater Blower Parts Diagram Wiring Diagram Weed Eater Leaf Blower Parts Diagram a complete guide to your fb25 weed eater leaf blower / vacuum at partselect. poulan fb25 gas blower parts diagrams. weedeater leaf blower fb25 repair parts. here are the diagrams and repair parts for official weed eater fb25 blower, as well as links to manuals and error code tables, if. Filter results by part category, part.. Weed Eater Leaf Blower Parts Diagram.
From www.partstree.com
Weed Eater GBI 22 V Weed Eater Blower Carburetor Assembly WT141A Parts Lookup with Diagrams Weed Eater Leaf Blower Parts Diagram partstree.com and hill country outdoor power are hcop, llc companies. weedeater leaf blower fb25 repair parts. a complete guide to your fb25 weed eater leaf blower / vacuum at partselect. shop oem replacement parts by symptoms or model diagrams for your weed eater fb25 handheld blower! The best way to find parts for weedeater leaf blower. Weed Eater Leaf Blower Parts Diagram.
From www.partstree.com
Weed Eater 940 Weed Eater Blower BLOWER ASSEMBLY Parts Lookup with Diagrams PartsTree Weed Eater Leaf Blower Parts Diagram shop oem replacement parts by symptoms or model diagrams for your weed eater fb25 handheld blower! The best way to find parts for weedeater leaf blower model fb25 is by clicking one of the diagrams below. find the right weed eater leaf blower model fb25/type 1 replacement parts for your repair. partstree.com and hill country outdoor power. Weed Eater Leaf Blower Parts Diagram.
From www.partstree.com
Weed Eater 920 Weed Eater Blower POWER UNIT Parts Lookup with Diagrams PartsTree Weed Eater Leaf Blower Parts Diagram partstree.com and hill country outdoor power are hcop, llc companies. find the right weed eater leaf blower model fb25/type 1 replacement parts for your repair. here are the diagrams and repair parts for official weed eater fb25 blower, as well as links to manuals and error code tables, if. We have model diagrams, oem parts,. weedeater. Weed Eater Leaf Blower Parts Diagram.
From techschematic.com
The Ultimate Guide Weed Eater Blower Parts Diagram Weed Eater Leaf Blower Parts Diagram Filter results by part category, part. find the right weed eater leaf blower model fb25/type 1 replacement parts for your repair. poulan fb25 gas blower parts diagrams. The best way to find parts for weedeater leaf blower model fb25 is by clicking one of the diagrams below. here are the diagrams and repair parts for official weed. Weed Eater Leaf Blower Parts Diagram.
From www.partstree.com
Weed Eater 2580 Weed Eater Blower, Electric Electric Blower/Blower Assembly Parts Lookup with Weed Eater Leaf Blower Parts Diagram weedeater leaf blower fb25 repair parts. The best way to find parts for weedeater leaf blower model fb25 is by clicking one of the diagrams below. shop oem replacement parts by symptoms or model diagrams for your weed eater fb25 handheld blower! find the right weed eater leaf blower model fb25/type 1 replacement parts for your repair.. Weed Eater Leaf Blower Parts Diagram.
From www.partstree.com
Weed Eater FL 1500 Weed Eater Featherlite Blower, Type 2 Service Reference Parts Lookup with Weed Eater Leaf Blower Parts Diagram Filter results by part category, part. here are the diagrams and repair parts for official weed eater fb25 blower, as well as links to manuals and error code tables, if. find the right weed eater leaf blower model fb25/type 1 replacement parts for your repair. partstree.com and hill country outdoor power are hcop, llc companies. weedeater. Weed Eater Leaf Blower Parts Diagram.
From www.partstree.com
Weed Eater 2595 Weed Eater Blower, Electric Electric Blower/Blower Assembly Parts Lookup with Weed Eater Leaf Blower Parts Diagram find the right weed eater leaf blower model fb25/type 1 replacement parts for your repair. weedeater leaf blower fb25 repair parts. The best way to find parts for weedeater leaf blower model fb25 is by clicking one of the diagrams below. Filter results by part category, part. We have model diagrams, oem parts,. poulan fb25 gas blower. Weed Eater Leaf Blower Parts Diagram.
From www.partstree.com
Weed Eater 980 Weed Eater Blower POWER UNIT Parts Lookup with Diagrams PartsTree Weed Eater Leaf Blower Parts Diagram find the right weed eater leaf blower model fb25/type 1 replacement parts for your repair. We have model diagrams, oem parts,. weedeater leaf blower fb25 repair parts. Filter results by part category, part. here are the diagrams and repair parts for official weed eater fb25 blower, as well as links to manuals and error code tables, if.. Weed Eater Leaf Blower Parts Diagram.
From www.partstree.com
Weed Eater BV 1650 Weed Eater Barracuda Blower Vacuum, Type 3 Handle, Chassis & Blower Weed Eater Leaf Blower Parts Diagram The best way to find parts for weedeater leaf blower model fb25 is by clicking one of the diagrams below. weedeater leaf blower fb25 repair parts. a complete guide to your fb25 weed eater leaf blower / vacuum at partselect. shop oem replacement parts by symptoms or model diagrams for your weed eater fb25 handheld blower! . Weed Eater Leaf Blower Parts Diagram.
From www.partstree.com
Weed Eater 900 Weed Eater Blower BLOWER ASSEMBLY Parts Lookup with Diagrams PartsTree Weed Eater Leaf Blower Parts Diagram find the right weed eater leaf blower model fb25/type 1 replacement parts for your repair. poulan fb25 gas blower parts diagrams. partstree.com and hill country outdoor power are hcop, llc companies. shop oem replacement parts by symptoms or model diagrams for your weed eater fb25 handheld blower! a complete guide to your fb25 weed eater. Weed Eater Leaf Blower Parts Diagram.
From www.repairclinic.com
Weed Eater Leaf Blower FB25/TYPE 4 Parts, Diagrams, Videos & Repair Help Repair Clinic Weed Eater Leaf Blower Parts Diagram shop oem replacement parts by symptoms or model diagrams for your weed eater fb25 handheld blower! We have model diagrams, oem parts,. here are the diagrams and repair parts for official weed eater fb25 blower, as well as links to manuals and error code tables, if. partstree.com and hill country outdoor power are hcop, llc companies. . Weed Eater Leaf Blower Parts Diagram.
From partsdiagram.netlify.app
Stihl weed eater parts diagram Weed Eater Leaf Blower Parts Diagram partstree.com and hill country outdoor power are hcop, llc companies. Filter results by part category, part. shop oem replacement parts by symptoms or model diagrams for your weed eater fb25 handheld blower! here are the diagrams and repair parts for official weed eater fb25 blower, as well as links to manuals and error code tables, if. The. Weed Eater Leaf Blower Parts Diagram.
From www.partstree.com
Weed Eater FB 25 Weed Eater Blower Housing Parts Lookup with Diagrams PartsTree Weed Eater Leaf Blower Parts Diagram shop oem replacement parts by symptoms or model diagrams for your weed eater fb25 handheld blower! The best way to find parts for weedeater leaf blower model fb25 is by clicking one of the diagrams below. poulan fb25 gas blower parts diagrams. Filter results by part category, part. We have model diagrams, oem parts,. here are the. Weed Eater Leaf Blower Parts Diagram.
From techschematic.com
The Ultimate Guide Weed Eater Blower Parts Diagram Weed Eater Leaf Blower Parts Diagram partstree.com and hill country outdoor power are hcop, llc companies. weedeater leaf blower fb25 repair parts. poulan fb25 gas blower parts diagrams. here are the diagrams and repair parts for official weed eater fb25 blower, as well as links to manuals and error code tables, if. Filter results by part category, part. shop oem replacement. Weed Eater Leaf Blower Parts Diagram.
From techschematic.com
The Ultimate Guide Weed Eater Blower Parts Diagram Weed Eater Leaf Blower Parts Diagram Filter results by part category, part. weedeater leaf blower fb25 repair parts. find the right weed eater leaf blower model fb25/type 1 replacement parts for your repair. a complete guide to your fb25 weed eater leaf blower / vacuum at partselect. We have model diagrams, oem parts,. The best way to find parts for weedeater leaf blower. Weed Eater Leaf Blower Parts Diagram.
From www.partstree.com
Weed Eater BV 165 Weed Eater Blower Vacuum BLOWER ASSEMBLY Parts Lookup with Diagrams PartsTree Weed Eater Leaf Blower Parts Diagram shop oem replacement parts by symptoms or model diagrams for your weed eater fb25 handheld blower! here are the diagrams and repair parts for official weed eater fb25 blower, as well as links to manuals and error code tables, if. poulan fb25 gas blower parts diagrams. find the right weed eater leaf blower model fb25/type 1. Weed Eater Leaf Blower Parts Diagram.
From techschematic.com
The Ultimate Guide Weed Eater Blower Parts Diagram Weed Eater Leaf Blower Parts Diagram We have model diagrams, oem parts,. shop oem replacement parts by symptoms or model diagrams for your weed eater fb25 handheld blower! The best way to find parts for weedeater leaf blower model fb25 is by clicking one of the diagrams below. poulan fb25 gas blower parts diagrams. find the right weed eater leaf blower model fb25/type. Weed Eater Leaf Blower Parts Diagram.