Dewalt Circular Saw Date Code . For the location of the date. The date code can be found engraved into the rear of the main motor housing, please see attachment for the location. Not sure of your product number? Please click the attachment to. View and download dewalt dwe575 instruction manual online. The serial number of a dewalt circular saw. The date code will usually be engraved on the bottom of the rating plate sticker, as indicated by the red arrow below. Service > dewalt > woodworking > circular saws > dcs391. Comprised of a 4 digit number followed by a 2 digit number, then. It is an 8 digit code. It is also engraved on the box. This article has the purpose of guide you on how to find the date code on your dewalt tool. A date code is the year of manufacture followed by the week. The dewalt product date code is a series of letters and numbers printed on the product’s packaging, tool, or accessory. Dwe575 saw pdf manual download.
        
        from www.lsengineers.co.uk 
     
        
        The serial number of a dewalt circular saw. For the location of the date. View and download dewalt dwe575 instruction manual online. A date code is the year of manufacture followed by the week. The date code can be found engraved into the rear of the main motor housing, please see attachment for the location. Dwe575 saw pdf manual download. It is also engraved on the box. Service > dewalt > woodworking > circular saws > dcs391. It is an 8 digit code. The date code will usually be engraved on the bottom of the rating plate sticker, as indicated by the red arrow below.
    
    	
            
	
		 
         
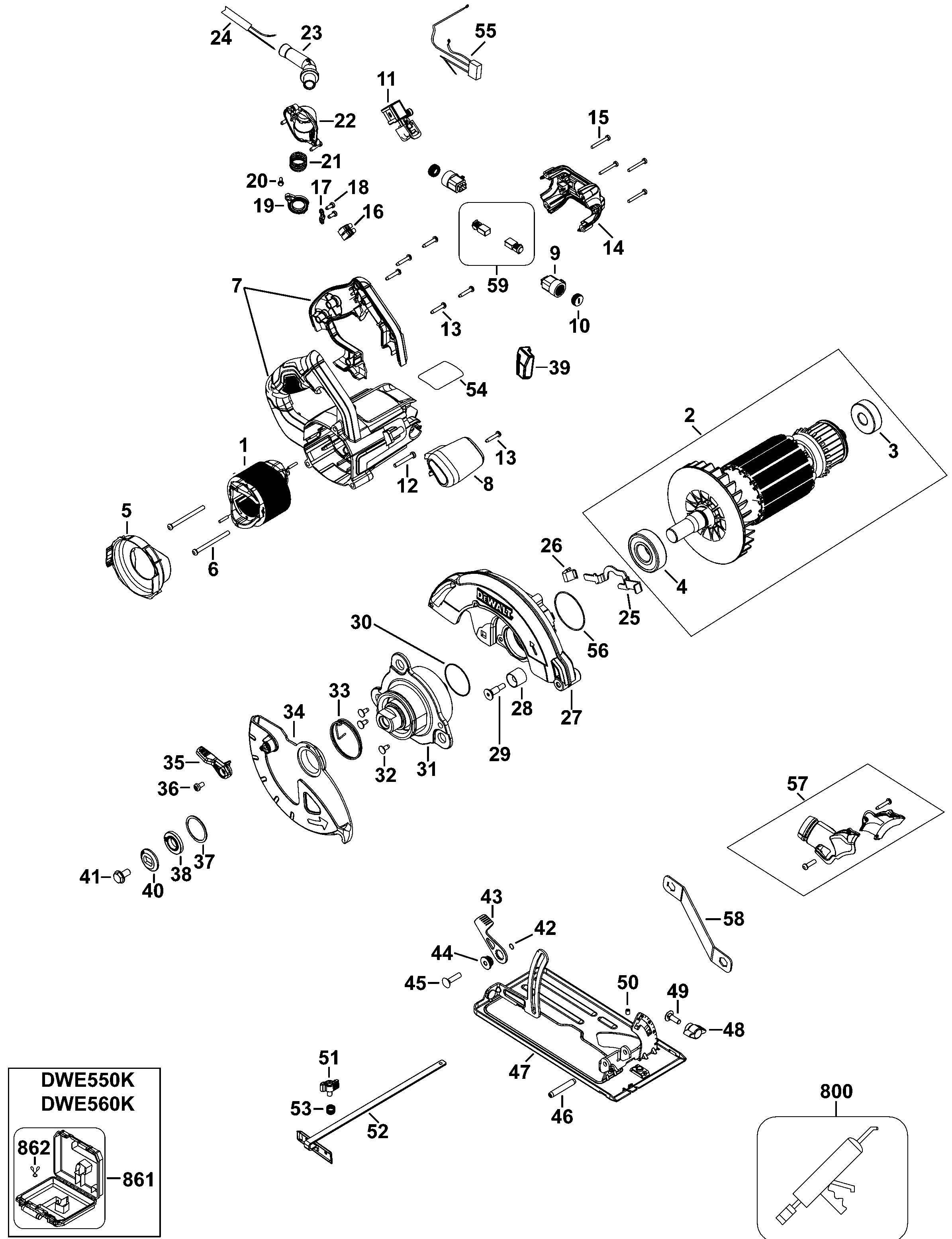
    Main Assembly for DeWalt DC300K Type 1 Circular Saw L&S Engineers 
    Dewalt Circular Saw Date Code  The serial number of a dewalt circular saw. Not sure of your product number? The serial number of a dewalt circular saw. The date code can be found engraved into the rear of the main motor housing, please see attachment for the location. This article has the purpose of guide you on how to find the date code on your dewalt tool. The date code will usually be engraved on the bottom of the rating plate sticker, as indicated by the red arrow below. Dwe575 saw pdf manual download. For the location of the date. It is an 8 digit code. A date code is the year of manufacture followed by the week. It is also engraved on the box. Please click the attachment to. Service > dewalt > woodworking > circular saws > dcs391. The dewalt product date code is a series of letters and numbers printed on the product’s packaging, tool, or accessory. Comprised of a 4 digit number followed by a 2 digit number, then. View and download dewalt dwe575 instruction manual online.
            
	
		 
         
 
    
        From www.toolsid.com 
                    DeWALT® DWE575 71/4" 120V 15.0A Corded Circular Saw Dewalt Circular Saw Date Code  View and download dewalt dwe575 instruction manual online. The dewalt product date code is a series of letters and numbers printed on the product’s packaging, tool, or accessory. The serial number of a dewalt circular saw. For the location of the date. Not sure of your product number? It is an 8 digit code. Service > dewalt > woodworking >. Dewalt Circular Saw Date Code.
     
    
        From www.toolbarn.com 
                    Dewalt Dcs575T1 Flexvolt™ 60V Max* 71/4" Circular Saw Model Dewalt Circular Saw Date Code  View and download dewalt dwe575 instruction manual online. For the location of the date. This article has the purpose of guide you on how to find the date code on your dewalt tool. The date code can be found engraved into the rear of the main motor housing, please see attachment for the location. Service > dewalt > woodworking >. Dewalt Circular Saw Date Code.
     
    
        From www.liveauctionworld.com 
                    DEWALT DW359 7 1/4" CIRCULAR SAW WITH CASE Dewalt Circular Saw Date Code  The dewalt product date code is a series of letters and numbers printed on the product’s packaging, tool, or accessory. The serial number of a dewalt circular saw. This article has the purpose of guide you on how to find the date code on your dewalt tool. A date code is the year of manufacture followed by the week. Dwe575. Dewalt Circular Saw Date Code.
     
    
        From www.powertoolworld.co.uk 
                    Dewalt DWE550 Compact Circular Saw 165mm 240v Power Tool World Dewalt Circular Saw Date Code  Not sure of your product number? Comprised of a 4 digit number followed by a 2 digit number, then. The serial number of a dewalt circular saw. It is an 8 digit code. It is also engraved on the box. Please click the attachment to. The date code can be found engraved into the rear of the main motor housing,. Dewalt Circular Saw Date Code.
     
    
        From www.lsengineers.co.uk 
                    Main Assembly for DeWalt DW352 Type 3 Circular Saw L&S Engineers Dewalt Circular Saw Date Code  It is also engraved on the box. It is an 8 digit code. For the location of the date. The date code will usually be engraved on the bottom of the rating plate sticker, as indicated by the red arrow below. The dewalt product date code is a series of letters and numbers printed on the product’s packaging, tool, or. Dewalt Circular Saw Date Code.
     
    
        From americanasac.pe 
                    DEWALT SIERRA CIRCULAR DWE575 7 1/4” 1800W 5200RPM Americana Dewalt Circular Saw Date Code  The dewalt product date code is a series of letters and numbers printed on the product’s packaging, tool, or accessory. Not sure of your product number? Please click the attachment to. The date code will usually be engraved on the bottom of the rating plate sticker, as indicated by the red arrow below. Dwe575 saw pdf manual download. It is. Dewalt Circular Saw Date Code.
     
    
        From www.aliexpress.com 
                    Dewalt Circular Saws Cordless Dewalt Circular Saw Tool Dewalt Dewalt Circular Saw Date Code  Not sure of your product number? The dewalt product date code is a series of letters and numbers printed on the product’s packaging, tool, or accessory. A date code is the year of manufacture followed by the week. The serial number of a dewalt circular saw. For the location of the date. It is an 8 digit code. Dwe575 saw. Dewalt Circular Saw Date Code.
     
    
        From www.toolstation.com 
                    DeWalt DCS571NXJ 18V XR Brushless Compact Circular Saw Body Only Dewalt Circular Saw Date Code  Please click the attachment to. Service > dewalt > woodworking > circular saws > dcs391. It is an 8 digit code. Not sure of your product number? It is also engraved on the box. The date code will usually be engraved on the bottom of the rating plate sticker, as indicated by the red arrow below. The date code can. Dewalt Circular Saw Date Code.
     
    
        From www.walmart.com 
                    DEWALT Atomic 20V MAX Brushless 41/2Inch Cordless Circular Saw Kit Dewalt Circular Saw Date Code  The date code can be found engraved into the rear of the main motor housing, please see attachment for the location. The dewalt product date code is a series of letters and numbers printed on the product’s packaging, tool, or accessory. The serial number of a dewalt circular saw. View and download dewalt dwe575 instruction manual online. For the location. Dewalt Circular Saw Date Code.
     
    
        From www.cordlesspowertools.ca 
                    DEWALT 20V MAX* Circular Saw, 61/2Inch, Cordless, Tool Only (DCS565B Dewalt Circular Saw Date Code  Please click the attachment to. Comprised of a 4 digit number followed by a 2 digit number, then. Dwe575 saw pdf manual download. The date code will usually be engraved on the bottom of the rating plate sticker, as indicated by the red arrow below. Service > dewalt > woodworking > circular saws > dcs391. The serial number of a. Dewalt Circular Saw Date Code.
     
    
        From www.toolstop.co.uk 
                    Dewalt DCS570N 18V XR Brushless Circular Saw Toolstop Dewalt Circular Saw Date Code  A date code is the year of manufacture followed by the week. This article has the purpose of guide you on how to find the date code on your dewalt tool. It is an 8 digit code. Not sure of your product number? Service > dewalt > woodworking > circular saws > dcs391. For the location of the date. The. Dewalt Circular Saw Date Code.
     
    
        From shop.usapawn.com 
                    Dewalt 20V MAX Circular Saw DCS391 USA Pawn Dewalt Circular Saw Date Code  This article has the purpose of guide you on how to find the date code on your dewalt tool. The dewalt product date code is a series of letters and numbers printed on the product’s packaging, tool, or accessory. Please click the attachment to. View and download dewalt dwe575 instruction manual online. The date code can be found engraved into. Dewalt Circular Saw Date Code.
     
    
        From www.propertyroom.com 
                    DeWalt Circular Saw Property Room Dewalt Circular Saw Date Code  View and download dewalt dwe575 instruction manual online. Please click the attachment to. The date code can be found engraved into the rear of the main motor housing, please see attachment for the location. This article has the purpose of guide you on how to find the date code on your dewalt tool. Not sure of your product number? The. Dewalt Circular Saw Date Code.
     
    
        From www.lsengineers.co.uk 
                    Main Assembly for DeWalt D23651 Type 1 Circular Saw L&S Engineers Dewalt Circular Saw Date Code  Comprised of a 4 digit number followed by a 2 digit number, then. The serial number of a dewalt circular saw. This article has the purpose of guide you on how to find the date code on your dewalt tool. A date code is the year of manufacture followed by the week. Service > dewalt > woodworking > circular saws. Dewalt Circular Saw Date Code.
     
    
        From www.amazon.com 
                    DEWALT DCS391L1 20Volt MAX LiIon 3.0 Ah Circular Saw Kit Power Dewalt Circular Saw Date Code  A date code is the year of manufacture followed by the week. Comprised of a 4 digit number followed by a 2 digit number, then. This article has the purpose of guide you on how to find the date code on your dewalt tool. Not sure of your product number? For the location of the date. View and download dewalt. Dewalt Circular Saw Date Code.
     
    
        From shop.hancocklumber.com 
                    DEWALT CORDLESS CIRCULAR SAW 71/4" FLEXVOLT ADVANTAGE 20V MAX BARE Dewalt Circular Saw Date Code  The serial number of a dewalt circular saw. View and download dewalt dwe575 instruction manual online. Service > dewalt > woodworking > circular saws > dcs391. Comprised of a 4 digit number followed by a 2 digit number, then. For the location of the date. It is also engraved on the box. Not sure of your product number? The dewalt. Dewalt Circular Saw Date Code.
     
    
        From support.dewalt.com 
                    Where is the DEWALT serial number on my cordless tool? DEWALT Dewalt Circular Saw Date Code  Service > dewalt > woodworking > circular saws > dcs391. It is an 8 digit code. It is also engraved on the box. Dwe575 saw pdf manual download. Comprised of a 4 digit number followed by a 2 digit number, then. The date code will usually be engraved on the bottom of the rating plate sticker, as indicated by the. Dewalt Circular Saw Date Code.
     
    
        From www.liveauctionworld.com 
                    DEWALT DW384 8 1/4 INCH CIRCULAR SAW Dewalt Circular Saw Date Code  It is an 8 digit code. This article has the purpose of guide you on how to find the date code on your dewalt tool. The date code can be found engraved into the rear of the main motor housing, please see attachment for the location. The date code will usually be engraved on the bottom of the rating plate. Dewalt Circular Saw Date Code.
     
    
        From support.dewalt.com 
                    How can I locate the date code on DEWALT batteries and chargers? DEWALT Dewalt Circular Saw Date Code  Service > dewalt > woodworking > circular saws > dcs391. The serial number of a dewalt circular saw. For the location of the date. This article has the purpose of guide you on how to find the date code on your dewalt tool. The dewalt product date code is a series of letters and numbers printed on the product’s packaging,. Dewalt Circular Saw Date Code.
     
    
        From www.toolstation.com 
                    DeWalt DWE560KGB 1350W 184mm Circular Saw 240V Dewalt Circular Saw Date Code  Not sure of your product number? It is an 8 digit code. Please click the attachment to. Comprised of a 4 digit number followed by a 2 digit number, then. This article has the purpose of guide you on how to find the date code on your dewalt tool. It is also engraved on the box. The date code will. Dewalt Circular Saw Date Code.
     
    
        From www.lsengineers.co.uk 
                    Main Assembly for DeWalt DC300K Type 1 Circular Saw L&S Engineers Dewalt Circular Saw Date Code  For the location of the date. Not sure of your product number? This article has the purpose of guide you on how to find the date code on your dewalt tool. Service > dewalt > woodworking > circular saws > dcs391. The serial number of a dewalt circular saw. Comprised of a 4 digit number followed by a 2 digit. Dewalt Circular Saw Date Code.
     
    
        From www.dewalt.com 
                    71/4 in. Lightweight Circular Saw DWE575SB DEWALT Dewalt Circular Saw Date Code  The date code will usually be engraved on the bottom of the rating plate sticker, as indicated by the red arrow below. The dewalt product date code is a series of letters and numbers printed on the product’s packaging, tool, or accessory. For the location of the date. This article has the purpose of guide you on how to find. Dewalt Circular Saw Date Code.
     
    
        From www.reddit.com 
                    How to read this date code? What is the “47”? r/Dewalt Dewalt Circular Saw Date Code  For the location of the date. View and download dewalt dwe575 instruction manual online. Please click the attachment to. A date code is the year of manufacture followed by the week. It is an 8 digit code. Not sure of your product number? It is also engraved on the box. The date code can be found engraved into the rear. Dewalt Circular Saw Date Code.
     
    
        From www.grainger.com 
                    DEWALT, 7 1/4 in Blade Dia., 24 Teeth, Circular Saw Blade 787PL0 Dewalt Circular Saw Date Code  It is an 8 digit code. Comprised of a 4 digit number followed by a 2 digit number, then. View and download dewalt dwe575 instruction manual online. The date code can be found engraved into the rear of the main motor housing, please see attachment for the location. Please click the attachment to. The serial number of a dewalt circular. Dewalt Circular Saw Date Code.
     
    
        From www.toolden.co.uk 
                    Dewalt DCS391M1 XR Cordless Circular Saw Toolden Dewalt Circular Saw Date Code  View and download dewalt dwe575 instruction manual online. Comprised of a 4 digit number followed by a 2 digit number, then. Please click the attachment to. The serial number of a dewalt circular saw. This article has the purpose of guide you on how to find the date code on your dewalt tool. The dewalt product date code is a. Dewalt Circular Saw Date Code.
     
    
        From www.lsengineers.co.uk 
                    Main Assembly for DeWalt DW62 Type 2 Circular Saw L&S Engineers Dewalt Circular Saw Date Code  It is also engraved on the box. The date code will usually be engraved on the bottom of the rating plate sticker, as indicated by the red arrow below. Comprised of a 4 digit number followed by a 2 digit number, then. The serial number of a dewalt circular saw. Dwe575 saw pdf manual download. It is an 8 digit. Dewalt Circular Saw Date Code.
     
    
        From www.lsengineers.co.uk 
                    Main Assembly for DeWalt DW383 Type 1 Circular Saw L&S Engineers Dewalt Circular Saw Date Code  Comprised of a 4 digit number followed by a 2 digit number, then. The serial number of a dewalt circular saw. A date code is the year of manufacture followed by the week. The date code will usually be engraved on the bottom of the rating plate sticker, as indicated by the red arrow below. It is also engraved on. Dewalt Circular Saw Date Code.
     
    
        From support.dewalt.com 
                    How to find your serial number DEWALT Dewalt Circular Saw Date Code  Comprised of a 4 digit number followed by a 2 digit number, then. Not sure of your product number? For the location of the date. This article has the purpose of guide you on how to find the date code on your dewalt tool. It is also engraved on the box. The date code will usually be engraved on the. Dewalt Circular Saw Date Code.
     
    
        From www.toolservicenet.com 
                    DWE560BR CIRCULAR SAWS WOODWORKING Dewalt null B2B Dewalt Circular Saw Date Code  The date code can be found engraved into the rear of the main motor housing, please see attachment for the location. The date code will usually be engraved on the bottom of the rating plate sticker, as indicated by the red arrow below. It is an 8 digit code. Dwe575 saw pdf manual download. A date code is the year. Dewalt Circular Saw Date Code.
     
    
        From www.factoryauthorizedoutlet.com 
                    DeWALT DCS573B 20V MAX FLEXVOLT 71/4' Cordless Circular Saw Bare Tool Dewalt Circular Saw Date Code  For the location of the date. The serial number of a dewalt circular saw. Dwe575 saw pdf manual download. Comprised of a 4 digit number followed by a 2 digit number, then. The date code will usually be engraved on the bottom of the rating plate sticker, as indicated by the red arrow below. A date code is the year. Dewalt Circular Saw Date Code.
     
    
        From www.toolbarn.com 
                    Dewalt Dw358_Type_1 71/4 Inch Circular Saw Model Schematic Parts Dewalt Circular Saw Date Code  Please click the attachment to. The serial number of a dewalt circular saw. Service > dewalt > woodworking > circular saws > dcs391. Comprised of a 4 digit number followed by a 2 digit number, then. This article has the purpose of guide you on how to find the date code on your dewalt tool. The date code will usually. Dewalt Circular Saw Date Code.
     
    
        From rhgaudion.com 
                    DeWalt DCS570 Brushless Circular Saw 184mm Bare Tool RH Gaudion Dewalt Circular Saw Date Code  The serial number of a dewalt circular saw. This article has the purpose of guide you on how to find the date code on your dewalt tool. Please click the attachment to. It is an 8 digit code. Service > dewalt > woodworking > circular saws > dcs391. It is also engraved on the box. Dwe575 saw pdf manual download.. Dewalt Circular Saw Date Code.
     
    
        From gostrapid.weebly.com 
                    Dewalt date code and serial number gostrapid Dewalt Circular Saw Date Code  It is also engraved on the box. Please click the attachment to. The date code will usually be engraved on the bottom of the rating plate sticker, as indicated by the red arrow below. This article has the purpose of guide you on how to find the date code on your dewalt tool. A date code is the year of. Dewalt Circular Saw Date Code.
     
    
        From www.liveauctionworld.com 
                    dewalt circular saw Dewalt Circular Saw Date Code  A date code is the year of manufacture followed by the week. For the location of the date. View and download dewalt dwe575 instruction manual online. Please click the attachment to. The date code will usually be engraved on the bottom of the rating plate sticker, as indicated by the red arrow below. This article has the purpose of guide. Dewalt Circular Saw Date Code.
     
    
        From www.lazada.com.ph 
                    Dewalt DWE561B1 Circular Saw Accelerant Compact DeWalt Circular Saw Dewalt Circular Saw Date Code  View and download dewalt dwe575 instruction manual online. It is an 8 digit code. Service > dewalt > woodworking > circular saws > dcs391. The dewalt product date code is a series of letters and numbers printed on the product’s packaging, tool, or accessory. Dwe575 saw pdf manual download. For the location of the date. The date code can be. Dewalt Circular Saw Date Code.