Electric Meter Transfer Switch . Buyer protection programreturns made easy Compatible with electrical services up to 200 amps, it offers flexibility for most. With 75ka per phase surge protection, this switch provides reliable protection against power surges and spikes. In this review, we’ll have a look at the price, ease of installation and the pros and cons of the generlink transfer switch. Looking for an easy, inexpensive way to connect your portable generator to your home? The switch is mounted on the. The generlink is a plug and play transfer switch that gives the. The generlink meter mounted transfer switch might just be the ticket you’re looking for. A meter mounted transfer switch, such as the generlink, allows a homeowner to connect a portable generator to their home with.
from mxelectric.org
The generlink is a plug and play transfer switch that gives the. With 75ka per phase surge protection, this switch provides reliable protection against power surges and spikes. The switch is mounted on the. Compatible with electrical services up to 200 amps, it offers flexibility for most. A meter mounted transfer switch, such as the generlink, allows a homeowner to connect a portable generator to their home with. The generlink meter mounted transfer switch might just be the ticket you’re looking for. Looking for an easy, inexpensive way to connect your portable generator to your home? Buyer protection programreturns made easy In this review, we’ll have a look at the price, ease of installation and the pros and cons of the generlink transfer switch.
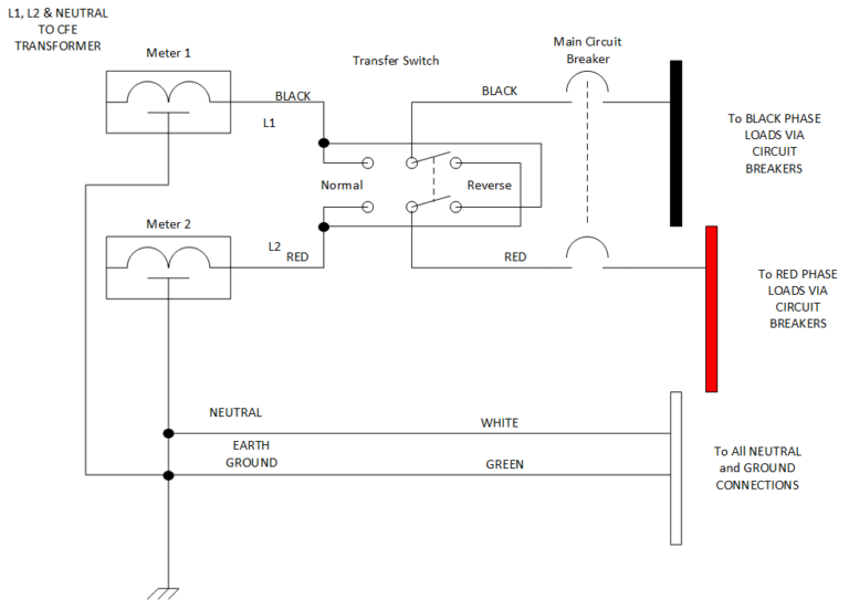
Load Balancing Using a Transfer Switch
Electric Meter Transfer Switch The generlink is a plug and play transfer switch that gives the. In this review, we’ll have a look at the price, ease of installation and the pros and cons of the generlink transfer switch. The generlink meter mounted transfer switch might just be the ticket you’re looking for. The switch is mounted on the. Buyer protection programreturns made easy The generlink is a plug and play transfer switch that gives the. A meter mounted transfer switch, such as the generlink, allows a homeowner to connect a portable generator to their home with. Looking for an easy, inexpensive way to connect your portable generator to your home? With 75ka per phase surge protection, this switch provides reliable protection against power surges and spikes. Compatible with electrical services up to 200 amps, it offers flexibility for most.
From surplus.lk
GenerLink 30 Amp Meter Mounted Transfer Switch Surplus Electric Meter Transfer Switch With 75ka per phase surge protection, this switch provides reliable protection against power surges and spikes. The generlink meter mounted transfer switch might just be the ticket you’re looking for. A meter mounted transfer switch, such as the generlink, allows a homeowner to connect a portable generator to their home with. The generlink is a plug and play transfer switch. Electric Meter Transfer Switch.
From www.lowes.com
Generac 200Amp Automatic Transfer Switch at Electric Meter Transfer Switch The switch is mounted on the. The generlink meter mounted transfer switch might just be the ticket you’re looking for. In this review, we’ll have a look at the price, ease of installation and the pros and cons of the generlink transfer switch. With 75ka per phase surge protection, this switch provides reliable protection against power surges and spikes. Compatible. Electric Meter Transfer Switch.
From www.northerntool.com
FREE SHIPPING — Generac Prewired Manual Transfer Switch — Expands to 10 Circuits, 30 Amps Electric Meter Transfer Switch Looking for an easy, inexpensive way to connect your portable generator to your home? The generlink is a plug and play transfer switch that gives the. The switch is mounted on the. In this review, we’ll have a look at the price, ease of installation and the pros and cons of the generlink transfer switch. Buyer protection programreturns made easy. Electric Meter Transfer Switch.
From www.homedepot.ca
Generac Prewired 30Amp 7500 Watt Manual Transfer Switch for 810 Circuits The Home Depot Canada Electric Meter Transfer Switch The generlink is a plug and play transfer switch that gives the. With 75ka per phase surge protection, this switch provides reliable protection against power surges and spikes. Buyer protection programreturns made easy The generlink meter mounted transfer switch might just be the ticket you’re looking for. A meter mounted transfer switch, such as the generlink, allows a homeowner to. Electric Meter Transfer Switch.
From www.youtube.com
Wiring our Generac generator transfer switch to the meter can YouTube Electric Meter Transfer Switch In this review, we’ll have a look at the price, ease of installation and the pros and cons of the generlink transfer switch. The generlink is a plug and play transfer switch that gives the. Compatible with electrical services up to 200 amps, it offers flexibility for most. With 75ka per phase surge protection, this switch provides reliable protection against. Electric Meter Transfer Switch.
From mxelectric.org
Load Balancing Using a Transfer Switch Electric Meter Transfer Switch Looking for an easy, inexpensive way to connect your portable generator to your home? Compatible with electrical services up to 200 amps, it offers flexibility for most. Buyer protection programreturns made easy The generlink meter mounted transfer switch might just be the ticket you’re looking for. In this review, we’ll have a look at the price, ease of installation and. Electric Meter Transfer Switch.
From southwestelectric.coop
MeterMounted Transfer Switch for Portable Generators Electric Meter Transfer Switch The generlink is a plug and play transfer switch that gives the. With 75ka per phase surge protection, this switch provides reliable protection against power surges and spikes. The generlink meter mounted transfer switch might just be the ticket you’re looking for. Buyer protection programreturns made easy A meter mounted transfer switch, such as the generlink, allows a homeowner to. Electric Meter Transfer Switch.
From geyaelectrical.en.made-in-china.com
Meter Double Throw for Generator Electrical 200 AMP Automatic Transfer Switch China Automatic Electric Meter Transfer Switch With 75ka per phase surge protection, this switch provides reliable protection against power surges and spikes. Buyer protection programreturns made easy Looking for an easy, inexpensive way to connect your portable generator to your home? Compatible with electrical services up to 200 amps, it offers flexibility for most. A meter mounted transfer switch, such as the generlink, allows a homeowner. Electric Meter Transfer Switch.
From diagramweb.net
Generac 200 Amp Automatic Transfer Switch With Breakers Wiring Diagram Electric Meter Transfer Switch The generlink is a plug and play transfer switch that gives the. The generlink meter mounted transfer switch might just be the ticket you’re looking for. In this review, we’ll have a look at the price, ease of installation and the pros and cons of the generlink transfer switch. Looking for an easy, inexpensive way to connect your portable generator. Electric Meter Transfer Switch.
From blog.norwall.com
Dual Power Automatic Transfer Switch Standby Generator Electric Meter Transfer Switch With 75ka per phase surge protection, this switch provides reliable protection against power surges and spikes. In this review, we’ll have a look at the price, ease of installation and the pros and cons of the generlink transfer switch. The generlink is a plug and play transfer switch that gives the. Compatible with electrical services up to 200 amps, it. Electric Meter Transfer Switch.
From smartshop.lntebg.com
Buy Enclosed Transfer Switch Fr3 4P Online at Best Prices Electric Meter Transfer Switch The generlink is a plug and play transfer switch that gives the. Compatible with electrical services up to 200 amps, it offers flexibility for most. With 75ka per phase surge protection, this switch provides reliable protection against power surges and spikes. The generlink meter mounted transfer switch might just be the ticket you’re looking for. Buyer protection programreturns made easy. Electric Meter Transfer Switch.
From www.homedepot.com
Transfer Switches Generator Accessories The Home Depot Electric Meter Transfer Switch The generlink meter mounted transfer switch might just be the ticket you’re looking for. With 75ka per phase surge protection, this switch provides reliable protection against power surges and spikes. Buyer protection programreturns made easy Looking for an easy, inexpensive way to connect your portable generator to your home? Compatible with electrical services up to 200 amps, it offers flexibility. Electric Meter Transfer Switch.
From nngenerator.com
triple 200 amp transfer switches installed by NNG in mathews NNG Automatic Standby Generators Electric Meter Transfer Switch Compatible with electrical services up to 200 amps, it offers flexibility for most. In this review, we’ll have a look at the price, ease of installation and the pros and cons of the generlink transfer switch. Looking for an easy, inexpensive way to connect your portable generator to your home? A meter mounted transfer switch, such as the generlink, allows. Electric Meter Transfer Switch.
From wiringall.com
Generac Automatic Transfer Switch Wiring Diagram Electric Meter Transfer Switch The generlink meter mounted transfer switch might just be the ticket you’re looking for. The generlink is a plug and play transfer switch that gives the. The switch is mounted on the. With 75ka per phase surge protection, this switch provides reliable protection against power surges and spikes. Compatible with electrical services up to 200 amps, it offers flexibility for. Electric Meter Transfer Switch.
From www.vrogue.co
Generac 400 Amp Transfer Switch Wiring Diagram vrogue.co Electric Meter Transfer Switch A meter mounted transfer switch, such as the generlink, allows a homeowner to connect a portable generator to their home with. Compatible with electrical services up to 200 amps, it offers flexibility for most. In this review, we’ll have a look at the price, ease of installation and the pros and cons of the generlink transfer switch. Buyer protection programreturns. Electric Meter Transfer Switch.
From www.homedepot.com
GenerLink 30 Amp Meter Mounted Transfer Switch with 75kA per Phase Surge ProtectionMA23S The Electric Meter Transfer Switch With 75ka per phase surge protection, this switch provides reliable protection against power surges and spikes. Looking for an easy, inexpensive way to connect your portable generator to your home? A meter mounted transfer switch, such as the generlink, allows a homeowner to connect a portable generator to their home with. The switch is mounted on the. In this review,. Electric Meter Transfer Switch.
From mtspowerproducts.com
400 Amp 2 Pole Automatic Transfer Switch UL Listed MTS Power Products Electric Meter Transfer Switch Looking for an easy, inexpensive way to connect your portable generator to your home? With 75ka per phase surge protection, this switch provides reliable protection against power surges and spikes. The generlink meter mounted transfer switch might just be the ticket you’re looking for. Buyer protection programreturns made easy In this review, we’ll have a look at the price, ease. Electric Meter Transfer Switch.
From www.electricallicenserenewal.com
230.82 Equipment Connected to the Supply Side of Service Disconnect. Electric Meter Transfer Switch The generlink is a plug and play transfer switch that gives the. Buyer protection programreturns made easy A meter mounted transfer switch, such as the generlink, allows a homeowner to connect a portable generator to their home with. The switch is mounted on the. Compatible with electrical services up to 200 amps, it offers flexibility for most. With 75ka per. Electric Meter Transfer Switch.
From flavored.ph
Reliance Controls 310A 30Amp 10Circuit Manual Transfer Switch/Meters Power Inlet Transfer Electric Meter Transfer Switch Looking for an easy, inexpensive way to connect your portable generator to your home? Buyer protection programreturns made easy The generlink meter mounted transfer switch might just be the ticket you’re looking for. With 75ka per phase surge protection, this switch provides reliable protection against power surges and spikes. The generlink is a plug and play transfer switch that gives. Electric Meter Transfer Switch.
From norwall.com
Generac Meter Mounted Transfer Switch w Load Center Norwall Electric Meter Transfer Switch A meter mounted transfer switch, such as the generlink, allows a homeowner to connect a portable generator to their home with. Compatible with electrical services up to 200 amps, it offers flexibility for most. The generlink is a plug and play transfer switch that gives the. With 75ka per phase surge protection, this switch provides reliable protection against power surges. Electric Meter Transfer Switch.
From bombreport.com
Unveiling the Power of Meter Transfer Switches Bomb Report Electric Meter Transfer Switch The generlink is a plug and play transfer switch that gives the. A meter mounted transfer switch, such as the generlink, allows a homeowner to connect a portable generator to their home with. Buyer protection programreturns made easy Compatible with electrical services up to 200 amps, it offers flexibility for most. With 75ka per phase surge protection, this switch provides. Electric Meter Transfer Switch.
From www.homedepot.ca
Reliance Controls 310A 30Amp 10Circuit Manual Transfer Switch/Meters, Power Inlet The Home Electric Meter Transfer Switch With 75ka per phase surge protection, this switch provides reliable protection against power surges and spikes. The switch is mounted on the. The generlink meter mounted transfer switch might just be the ticket you’re looking for. Buyer protection programreturns made easy The generlink is a plug and play transfer switch that gives the. Compatible with electrical services up to 200. Electric Meter Transfer Switch.
From www.homedepot.com
Generac 200 Amp Service Rated Automatic Smart Transfer Switch with 8 Circuit Load Center Electric Meter Transfer Switch The switch is mounted on the. The generlink meter mounted transfer switch might just be the ticket you’re looking for. The generlink is a plug and play transfer switch that gives the. Buyer protection programreturns made easy A meter mounted transfer switch, such as the generlink, allows a homeowner to connect a portable generator to their home with. Compatible with. Electric Meter Transfer Switch.
From www.hubbell.com
Series MTS Automatic Transfer Switches for MP Electric Controllers Metron/MetronEledyne Electric Meter Transfer Switch The switch is mounted on the. Looking for an easy, inexpensive way to connect your portable generator to your home? With 75ka per phase surge protection, this switch provides reliable protection against power surges and spikes. The generlink is a plug and play transfer switch that gives the. In this review, we’ll have a look at the price, ease of. Electric Meter Transfer Switch.
From www.ebay.com
GenerLink 30 Amp Meter Mounted Transfer Switch MA23N eBay Electric Meter Transfer Switch The switch is mounted on the. The generlink is a plug and play transfer switch that gives the. With 75ka per phase surge protection, this switch provides reliable protection against power surges and spikes. The generlink meter mounted transfer switch might just be the ticket you’re looking for. In this review, we’ll have a look at the price, ease of. Electric Meter Transfer Switch.
From fahrhall.com
MeteredTransferSwitch Fahrhall Home Comfort Specialists Electric Meter Transfer Switch The generlink meter mounted transfer switch might just be the ticket you’re looking for. The generlink is a plug and play transfer switch that gives the. In this review, we’ll have a look at the price, ease of installation and the pros and cons of the generlink transfer switch. Compatible with electrical services up to 200 amps, it offers flexibility. Electric Meter Transfer Switch.
From www.lowes.com
Shop Reliance ProTran2 7500Watt Generator Transfer Switch Kit at Electric Meter Transfer Switch The switch is mounted on the. Buyer protection programreturns made easy A meter mounted transfer switch, such as the generlink, allows a homeowner to connect a portable generator to their home with. The generlink is a plug and play transfer switch that gives the. In this review, we’ll have a look at the price, ease of installation and the pros. Electric Meter Transfer Switch.
From www.northerntool.com
FREE SHIPPING — Generac Generator Transfer Switch Kit — 30 Amps, Single Phase, 6 Circuits, Model Electric Meter Transfer Switch Buyer protection programreturns made easy With 75ka per phase surge protection, this switch provides reliable protection against power surges and spikes. In this review, we’ll have a look at the price, ease of installation and the pros and cons of the generlink transfer switch. The switch is mounted on the. The generlink is a plug and play transfer switch that. Electric Meter Transfer Switch.
From www.amazon.ca
Reliance Controls 31406CWK Pro/Tran 6Circuit 30 Amp Generator Transfer Switch Kit With Transfer Electric Meter Transfer Switch A meter mounted transfer switch, such as the generlink, allows a homeowner to connect a portable generator to their home with. In this review, we’ll have a look at the price, ease of installation and the pros and cons of the generlink transfer switch. The switch is mounted on the. Compatible with electrical services up to 200 amps, it offers. Electric Meter Transfer Switch.
From www.northerntool.com
Generac HomeLink Prewired Manual Transfer Switch — 30 Amps, 8 Circuits, Model 6852 Northern Electric Meter Transfer Switch Buyer protection programreturns made easy In this review, we’ll have a look at the price, ease of installation and the pros and cons of the generlink transfer switch. A meter mounted transfer switch, such as the generlink, allows a homeowner to connect a portable generator to their home with. Looking for an easy, inexpensive way to connect your portable generator. Electric Meter Transfer Switch.
From v16.imablog.net
Generator transfer switch meters Imablog Electric Meter Transfer Switch The generlink meter mounted transfer switch might just be the ticket you’re looking for. Looking for an easy, inexpensive way to connect your portable generator to your home? A meter mounted transfer switch, such as the generlink, allows a homeowner to connect a portable generator to their home with. Buyer protection programreturns made easy Compatible with electrical services up to. Electric Meter Transfer Switch.
From www.generatortransferswitches.net
510C Pro/Tran2 50Amp 10Circuit 2 Manual Transfer Switch with Watt Meters Generator Transfer Electric Meter Transfer Switch In this review, we’ll have a look at the price, ease of installation and the pros and cons of the generlink transfer switch. The generlink meter mounted transfer switch might just be the ticket you’re looking for. Buyer protection programreturns made easy The switch is mounted on the. Looking for an easy, inexpensive way to connect your portable generator to. Electric Meter Transfer Switch.
From www.walmart.com
Generac RXSW200A3 200Amp 240Volt SinglePhase Automatic Transfer Switch Electric Meter Transfer Switch The switch is mounted on the. Looking for an easy, inexpensive way to connect your portable generator to your home? Buyer protection programreturns made easy The generlink is a plug and play transfer switch that gives the. In this review, we’ll have a look at the price, ease of installation and the pros and cons of the generlink transfer switch.. Electric Meter Transfer Switch.
From roycreekranch.com
Roy Creek Ranch a Log Home in the Hill Country Electric Meter Transfer Switch Looking for an easy, inexpensive way to connect your portable generator to your home? The generlink meter mounted transfer switch might just be the ticket you’re looking for. The generlink is a plug and play transfer switch that gives the. A meter mounted transfer switch, such as the generlink, allows a homeowner to connect a portable generator to their home. Electric Meter Transfer Switch.
From www.dixonelectric.ca
Automatic, Manual, NonSurge Transfer Switch 30 A Electric Meter Transfer Switch With 75ka per phase surge protection, this switch provides reliable protection against power surges and spikes. Looking for an easy, inexpensive way to connect your portable generator to your home? The generlink meter mounted transfer switch might just be the ticket you’re looking for. In this review, we’ll have a look at the price, ease of installation and the pros. Electric Meter Transfer Switch.