Zf 4Hp22 Transmission Service Manual Pdf . Scribd is the world's largest social reading and publishing site. Zf 4hp22 transmission service repair manual | pdf. Coat all components with atf before. Click here to view special tools for this transmission. This manual provides information relevant to the servicing of zf automatic transmission units 4 hp 22 and 4 hp 24 e. Repair kits common use parts 1. Overhaul kit 1043 298 105 pan gasket 0750 112 033 stator. Filter kit 4hp22fkrr filter 1043 226 037 2. Automatic transmission zf 4hp22 repair manuals 10. Compare prices for overhaul kits, friction kits, bushings, bearing, solenoid kits, valve body, torque converters, planetary gear kits, filters,. Zf 4hp22 transmission service repair manual pdf free online.
from www.ebay.com.au
Coat all components with atf before. Compare prices for overhaul kits, friction kits, bushings, bearing, solenoid kits, valve body, torque converters, planetary gear kits, filters,. Repair kits common use parts 1. This manual provides information relevant to the servicing of zf automatic transmission units 4 hp 22 and 4 hp 24 e. Scribd is the world's largest social reading and publishing site. Automatic transmission zf 4hp22 repair manuals 10. Zf 4hp22 transmission service repair manual pdf free online. Filter kit 4hp22fkrr filter 1043 226 037 2. Click here to view special tools for this transmission. Zf 4hp22 transmission service repair manual | pdf.
ZF 4HP22 TRANSMISSION FORD JAGUAR BMW ATSG SERVICE REPAIR
Zf 4Hp22 Transmission Service Manual Pdf Compare prices for overhaul kits, friction kits, bushings, bearing, solenoid kits, valve body, torque converters, planetary gear kits, filters,. Scribd is the world's largest social reading and publishing site. Compare prices for overhaul kits, friction kits, bushings, bearing, solenoid kits, valve body, torque converters, planetary gear kits, filters,. Overhaul kit 1043 298 105 pan gasket 0750 112 033 stator. Automatic transmission zf 4hp22 repair manuals 10. Repair kits common use parts 1. Click here to view special tools for this transmission. This manual provides information relevant to the servicing of zf automatic transmission units 4 hp 22 and 4 hp 24 e. Coat all components with atf before. Zf 4hp22 transmission service repair manual | pdf. Filter kit 4hp22fkrr filter 1043 226 037 2. Zf 4hp22 transmission service repair manual pdf free online.
From pdfprof.com
transmission de la vie Zf 4Hp22 Transmission Service Manual Pdf Coat all components with atf before. Filter kit 4hp22fkrr filter 1043 226 037 2. Zf 4hp22 transmission service repair manual | pdf. Zf 4hp22 transmission service repair manual pdf free online. Click here to view special tools for this transmission. Automatic transmission zf 4hp22 repair manuals 10. Scribd is the world's largest social reading and publishing site. Repair kits common. Zf 4Hp22 Transmission Service Manual Pdf.
From www.ebay.com.au
ZF 4HP22 TRANSMISSION FORD JAGUAR BMW ATSG SERVICE REPAIR Zf 4Hp22 Transmission Service Manual Pdf Automatic transmission zf 4hp22 repair manuals 10. Repair kits common use parts 1. Zf 4hp22 transmission service repair manual | pdf. Coat all components with atf before. Zf 4hp22 transmission service repair manual pdf free online. Filter kit 4hp22fkrr filter 1043 226 037 2. Scribd is the world's largest social reading and publishing site. Click here to view special tools. Zf 4Hp22 Transmission Service Manual Pdf.
From at-manuals.com
Transmission repair manuals ZF 4HP22 / 4HP24 Instructions for rebuild Zf 4Hp22 Transmission Service Manual Pdf Click here to view special tools for this transmission. Repair kits common use parts 1. This manual provides information relevant to the servicing of zf automatic transmission units 4 hp 22 and 4 hp 24 e. Scribd is the world's largest social reading and publishing site. Coat all components with atf before. Filter kit 4hp22fkrr filter 1043 226 037 2.. Zf 4Hp22 Transmission Service Manual Pdf.
From www.ebay.com
ZF 4HP22 Transmission Service Repair Manual eBay Zf 4Hp22 Transmission Service Manual Pdf Click here to view special tools for this transmission. Scribd is the world's largest social reading and publishing site. Overhaul kit 1043 298 105 pan gasket 0750 112 033 stator. Zf 4hp22 transmission service repair manual | pdf. Repair kits common use parts 1. Zf 4hp22 transmission service repair manual pdf free online. Coat all components with atf before. Filter. Zf 4Hp22 Transmission Service Manual Pdf.
From partsnmanuals.com
ZF 4HP22 Repair Manual Buy Now at Parts&Manuals Zf 4Hp22 Transmission Service Manual Pdf Filter kit 4hp22fkrr filter 1043 226 037 2. Zf 4hp22 transmission service repair manual pdf free online. Scribd is the world's largest social reading and publishing site. Compare prices for overhaul kits, friction kits, bushings, bearing, solenoid kits, valve body, torque converters, planetary gear kits, filters,. Zf 4hp22 transmission service repair manual | pdf. Repair kits common use parts 1.. Zf 4Hp22 Transmission Service Manual Pdf.
From www.epcatalogs.com
ZF 4HP22 6HP26 5HP19 5HP24 5HP30 Transmission PDF Zf 4Hp22 Transmission Service Manual Pdf Overhaul kit 1043 298 105 pan gasket 0750 112 033 stator. Zf 4hp22 transmission service repair manual | pdf. Click here to view special tools for this transmission. Repair kits common use parts 1. Automatic transmission zf 4hp22 repair manuals 10. Compare prices for overhaul kits, friction kits, bushings, bearing, solenoid kits, valve body, torque converters, planetary gear kits, filters,.. Zf 4Hp22 Transmission Service Manual Pdf.
From www.epcatalogs.com
ZF 4 HP22 Repair Manual, repair manual, Cars Repair Manuals Zf 4Hp22 Transmission Service Manual Pdf Coat all components with atf before. Repair kits common use parts 1. Filter kit 4hp22fkrr filter 1043 226 037 2. Scribd is the world's largest social reading and publishing site. Overhaul kit 1043 298 105 pan gasket 0750 112 033 stator. Zf 4hp22 transmission service repair manual pdf free online. Zf 4hp22 transmission service repair manual | pdf. Compare prices. Zf 4Hp22 Transmission Service Manual Pdf.
From www.heydownloads.com
ZF 4HP22 Transmission Repair Manual PDF DOWNLOAD HeyDownloads Zf 4Hp22 Transmission Service Manual Pdf Zf 4hp22 transmission service repair manual pdf free online. Compare prices for overhaul kits, friction kits, bushings, bearing, solenoid kits, valve body, torque converters, planetary gear kits, filters,. Automatic transmission zf 4hp22 repair manuals 10. Scribd is the world's largest social reading and publishing site. This manual provides information relevant to the servicing of zf automatic transmission units 4 hp. Zf 4Hp22 Transmission Service Manual Pdf.
From service-workshopmanual.com
Zf 4Hp22 Transmission Ford Jaguar Bmw Atsg Gearbox Manual (CA052360 Zf 4Hp22 Transmission Service Manual Pdf Automatic transmission zf 4hp22 repair manuals 10. Scribd is the world's largest social reading and publishing site. Repair kits common use parts 1. Zf 4hp22 transmission service repair manual | pdf. Click here to view special tools for this transmission. This manual provides information relevant to the servicing of zf automatic transmission units 4 hp 22 and 4 hp 24. Zf 4Hp22 Transmission Service Manual Pdf.
From www.cardoxx.com
Service Manual ZF Transmission 4HP22 English CarDoXX Zf 4Hp22 Transmission Service Manual Pdf Zf 4hp22 transmission service repair manual | pdf. Scribd is the world's largest social reading and publishing site. Repair kits common use parts 1. Click here to view special tools for this transmission. Compare prices for overhaul kits, friction kits, bushings, bearing, solenoid kits, valve body, torque converters, planetary gear kits, filters,. Zf 4hp22 transmission service repair manual pdf free. Zf 4Hp22 Transmission Service Manual Pdf.
From krutilvertel.com
ZF 4HP22, gearbox KrutilVertel Zf 4Hp22 Transmission Service Manual Pdf Zf 4hp22 transmission service repair manual pdf free online. This manual provides information relevant to the servicing of zf automatic transmission units 4 hp 22 and 4 hp 24 e. Repair kits common use parts 1. Overhaul kit 1043 298 105 pan gasket 0750 112 033 stator. Coat all components with atf before. Automatic transmission zf 4hp22 repair manuals 10.. Zf 4Hp22 Transmission Service Manual Pdf.
From www.epcatalogs.com
ZF Transmission Repair Manual PDF Zf 4Hp22 Transmission Service Manual Pdf Automatic transmission zf 4hp22 repair manuals 10. Zf 4hp22 transmission service repair manual pdf free online. Overhaul kit 1043 298 105 pan gasket 0750 112 033 stator. Coat all components with atf before. Zf 4hp22 transmission service repair manual | pdf. Filter kit 4hp22fkrr filter 1043 226 037 2. Repair kits common use parts 1. Click here to view special. Zf 4Hp22 Transmission Service Manual Pdf.
From partsnmanuals.com
ZF 4HP22 Repair Manual Buy Now at Parts&Manuals Zf 4Hp22 Transmission Service Manual Pdf Zf 4hp22 transmission service repair manual | pdf. Coat all components with atf before. Scribd is the world's largest social reading and publishing site. This manual provides information relevant to the servicing of zf automatic transmission units 4 hp 22 and 4 hp 24 e. Automatic transmission zf 4hp22 repair manuals 10. Repair kits common use parts 1. Compare prices. Zf 4Hp22 Transmission Service Manual Pdf.
From www.epcatalogs.com
ZF 4HP22 Transmission Repair Manual PDF Zf 4Hp22 Transmission Service Manual Pdf Zf 4hp22 transmission service repair manual | pdf. Scribd is the world's largest social reading and publishing site. Compare prices for overhaul kits, friction kits, bushings, bearing, solenoid kits, valve body, torque converters, planetary gear kits, filters,. Filter kit 4hp22fkrr filter 1043 226 037 2. Repair kits common use parts 1. Click here to view special tools for this transmission.. Zf 4Hp22 Transmission Service Manual Pdf.
From www.epcatalogs.com
ZF 4HP22 Transmission Repair Manual PDF Zf 4Hp22 Transmission Service Manual Pdf Click here to view special tools for this transmission. Filter kit 4hp22fkrr filter 1043 226 037 2. Zf 4hp22 transmission service repair manual pdf free online. Automatic transmission zf 4hp22 repair manuals 10. Scribd is the world's largest social reading and publishing site. Overhaul kit 1043 298 105 pan gasket 0750 112 033 stator. Compare prices for overhaul kits, friction. Zf 4Hp22 Transmission Service Manual Pdf.
From aiostm.com
ZF Transmissions All Models Full Set Manuals AiostmAll Data Repair Zf 4Hp22 Transmission Service Manual Pdf Compare prices for overhaul kits, friction kits, bushings, bearing, solenoid kits, valve body, torque converters, planetary gear kits, filters,. Zf 4hp22 transmission service repair manual pdf free online. Automatic transmission zf 4hp22 repair manuals 10. Click here to view special tools for this transmission. Filter kit 4hp22fkrr filter 1043 226 037 2. This manual provides information relevant to the servicing. Zf 4Hp22 Transmission Service Manual Pdf.
From issuu.com
Bst zf 4hp22 6hp26 5hp19 5hp24 5hp30 transmission service manual by Zf 4Hp22 Transmission Service Manual Pdf Click here to view special tools for this transmission. Zf 4hp22 transmission service repair manual | pdf. Repair kits common use parts 1. Zf 4hp22 transmission service repair manual pdf free online. This manual provides information relevant to the servicing of zf automatic transmission units 4 hp 22 and 4 hp 24 e. Scribd is the world's largest social reading. Zf 4Hp22 Transmission Service Manual Pdf.
From www.epcatalogs.com
ZF 4HP22 6HP26 5HP19 5HP24 5HP30 Transmission PDF Zf 4Hp22 Transmission Service Manual Pdf Repair kits common use parts 1. Zf 4hp22 transmission service repair manual pdf free online. Filter kit 4hp22fkrr filter 1043 226 037 2. Overhaul kit 1043 298 105 pan gasket 0750 112 033 stator. Compare prices for overhaul kits, friction kits, bushings, bearing, solenoid kits, valve body, torque converters, planetary gear kits, filters,. Automatic transmission zf 4hp22 repair manuals 10.. Zf 4Hp22 Transmission Service Manual Pdf.
From transmissiontechnologies.com
TAT Auto & Transmission Repair Online Parts Store Zf 4Hp22 Transmission Service Manual Pdf Zf 4hp22 transmission service repair manual | pdf. Click here to view special tools for this transmission. Repair kits common use parts 1. Zf 4hp22 transmission service repair manual pdf free online. Compare prices for overhaul kits, friction kits, bushings, bearing, solenoid kits, valve body, torque converters, planetary gear kits, filters,. Coat all components with atf before. Overhaul kit 1043. Zf 4Hp22 Transmission Service Manual Pdf.
From www.epcatalogs.com
ZF 4HP22 6HP26 5HP19 5HP24 5HP30 Transmission PDF Zf 4Hp22 Transmission Service Manual Pdf Compare prices for overhaul kits, friction kits, bushings, bearing, solenoid kits, valve body, torque converters, planetary gear kits, filters,. This manual provides information relevant to the servicing of zf automatic transmission units 4 hp 22 and 4 hp 24 e. Zf 4hp22 transmission service repair manual | pdf. Zf 4hp22 transmission service repair manual pdf free online. Automatic transmission zf. Zf 4Hp22 Transmission Service Manual Pdf.
From www.scribd.com
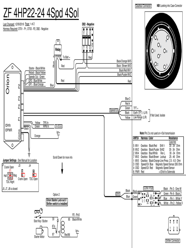
Orion ZF 4HP22 24 4Spd 4sol PDF Manual Transmission Electricity Zf 4Hp22 Transmission Service Manual Pdf Zf 4hp22 transmission service repair manual pdf free online. Automatic transmission zf 4hp22 repair manuals 10. Repair kits common use parts 1. Zf 4hp22 transmission service repair manual | pdf. Click here to view special tools for this transmission. Coat all components with atf before. Filter kit 4hp22fkrr filter 1043 226 037 2. This manual provides information relevant to the. Zf 4Hp22 Transmission Service Manual Pdf.
From www.reliable-store.com
ZF 4HP22 6HP26 5HP19 5HP24 5HP30 TRANSMISSION SERVICE MANUAL Best Manuals Zf 4Hp22 Transmission Service Manual Pdf Automatic transmission zf 4hp22 repair manuals 10. Scribd is the world's largest social reading and publishing site. Click here to view special tools for this transmission. Repair kits common use parts 1. Zf 4hp22 transmission service repair manual | pdf. Coat all components with atf before. This manual provides information relevant to the servicing of zf automatic transmission units 4. Zf 4Hp22 Transmission Service Manual Pdf.
From www.epcatalogs.com
ZF 4HP22 6HP26 5HP19 5HP24 5HP30 Transmission PDF Zf 4Hp22 Transmission Service Manual Pdf Overhaul kit 1043 298 105 pan gasket 0750 112 033 stator. Zf 4hp22 transmission service repair manual | pdf. Repair kits common use parts 1. Zf 4hp22 transmission service repair manual pdf free online. Compare prices for overhaul kits, friction kits, bushings, bearing, solenoid kits, valve body, torque converters, planetary gear kits, filters,. Click here to view special tools for. Zf 4Hp22 Transmission Service Manual Pdf.
From www.ebay.com.au
ZF 4HP22 TRANSMISSION FORD JAGUAR BMW ATSG SERVICE REPAIR Zf 4Hp22 Transmission Service Manual Pdf Automatic transmission zf 4hp22 repair manuals 10. Click here to view special tools for this transmission. This manual provides information relevant to the servicing of zf automatic transmission units 4 hp 22 and 4 hp 24 e. Filter kit 4hp22fkrr filter 1043 226 037 2. Zf 4hp22 transmission service repair manual | pdf. Coat all components with atf before. Scribd. Zf 4Hp22 Transmission Service Manual Pdf.
From www.scribd.com
ZF 4HP22 Transmission Service Repair Manual PDF Zf 4Hp22 Transmission Service Manual Pdf Repair kits common use parts 1. Compare prices for overhaul kits, friction kits, bushings, bearing, solenoid kits, valve body, torque converters, planetary gear kits, filters,. Coat all components with atf before. Zf 4hp22 transmission service repair manual pdf free online. Overhaul kit 1043 298 105 pan gasket 0750 112 033 stator. This manual provides information relevant to the servicing of. Zf 4Hp22 Transmission Service Manual Pdf.
From www.epcatalogs.com
ZF 4HP22 6HP26 5HP19 5HP24 5HP30 Transmission PDF Zf 4Hp22 Transmission Service Manual Pdf Compare prices for overhaul kits, friction kits, bushings, bearing, solenoid kits, valve body, torque converters, planetary gear kits, filters,. Overhaul kit 1043 298 105 pan gasket 0750 112 033 stator. Scribd is the world's largest social reading and publishing site. Automatic transmission zf 4hp22 repair manuals 10. This manual provides information relevant to the servicing of zf automatic transmission units. Zf 4Hp22 Transmission Service Manual Pdf.
From reviewmotors.co
Zf Transmission Replacement Parts Catalog Pdf Reviewmotors.co Zf 4Hp22 Transmission Service Manual Pdf Repair kits common use parts 1. Compare prices for overhaul kits, friction kits, bushings, bearing, solenoid kits, valve body, torque converters, planetary gear kits, filters,. Coat all components with atf before. This manual provides information relevant to the servicing of zf automatic transmission units 4 hp 22 and 4 hp 24 e. Scribd is the world's largest social reading and. Zf 4Hp22 Transmission Service Manual Pdf.
From partsnmanuals.com
ZF 4HP22 Repair Manual Buy Now at Parts&Manuals Zf 4Hp22 Transmission Service Manual Pdf Filter kit 4hp22fkrr filter 1043 226 037 2. Automatic transmission zf 4hp22 repair manuals 10. Coat all components with atf before. Overhaul kit 1043 298 105 pan gasket 0750 112 033 stator. Zf 4hp22 transmission service repair manual pdf free online. Click here to view special tools for this transmission. Repair kits common use parts 1. This manual provides information. Zf 4Hp22 Transmission Service Manual Pdf.
From partsnmanuals.com
ZF 4HP22 Repair Manual Buy Now at Parts&Manuals Zf 4Hp22 Transmission Service Manual Pdf Automatic transmission zf 4hp22 repair manuals 10. Coat all components with atf before. Zf 4hp22 transmission service repair manual | pdf. Zf 4hp22 transmission service repair manual pdf free online. Compare prices for overhaul kits, friction kits, bushings, bearing, solenoid kits, valve body, torque converters, planetary gear kits, filters,. Overhaul kit 1043 298 105 pan gasket 0750 112 033 stator.. Zf 4Hp22 Transmission Service Manual Pdf.
From www.epcatalogs.com
ZF 4HP22 Transmission Repair Manual PDF Zf 4Hp22 Transmission Service Manual Pdf Zf 4hp22 transmission service repair manual | pdf. Filter kit 4hp22fkrr filter 1043 226 037 2. Compare prices for overhaul kits, friction kits, bushings, bearing, solenoid kits, valve body, torque converters, planetary gear kits, filters,. Scribd is the world's largest social reading and publishing site. Click here to view special tools for this transmission. This manual provides information relevant to. Zf 4Hp22 Transmission Service Manual Pdf.
From partsnmanuals.com
ZF 4HP22 Repair Manual Buy Now at Parts&Manuals Zf 4Hp22 Transmission Service Manual Pdf Zf 4hp22 transmission service repair manual pdf free online. Scribd is the world's largest social reading and publishing site. Filter kit 4hp22fkrr filter 1043 226 037 2. Overhaul kit 1043 298 105 pan gasket 0750 112 033 stator. This manual provides information relevant to the servicing of zf automatic transmission units 4 hp 22 and 4 hp 24 e. Compare. Zf 4Hp22 Transmission Service Manual Pdf.
From at-manuals.com
Transmission repair manuals ZF 4HP22 / 4HP24 Instructions for rebuild Zf 4Hp22 Transmission Service Manual Pdf Overhaul kit 1043 298 105 pan gasket 0750 112 033 stator. Automatic transmission zf 4hp22 repair manuals 10. Scribd is the world's largest social reading and publishing site. Zf 4hp22 transmission service repair manual pdf free online. Compare prices for overhaul kits, friction kits, bushings, bearing, solenoid kits, valve body, torque converters, planetary gear kits, filters,. This manual provides information. Zf 4Hp22 Transmission Service Manual Pdf.
From selokids.ru
4HP22 VALVE BODY PDF Zf 4Hp22 Transmission Service Manual Pdf Coat all components with atf before. This manual provides information relevant to the servicing of zf automatic transmission units 4 hp 22 and 4 hp 24 e. Scribd is the world's largest social reading and publishing site. Click here to view special tools for this transmission. Compare prices for overhaul kits, friction kits, bushings, bearing, solenoid kits, valve body, torque. Zf 4Hp22 Transmission Service Manual Pdf.
From www.epcatalogs.com
ZF Transmission Repair Manual PDF Zf 4Hp22 Transmission Service Manual Pdf Zf 4hp22 transmission service repair manual | pdf. Coat all components with atf before. Scribd is the world's largest social reading and publishing site. This manual provides information relevant to the servicing of zf automatic transmission units 4 hp 22 and 4 hp 24 e. Click here to view special tools for this transmission. Filter kit 4hp22fkrr filter 1043 226. Zf 4Hp22 Transmission Service Manual Pdf.
From www.epcatalogs.com
ZF Transmission Repair Manual PDF Zf 4Hp22 Transmission Service Manual Pdf Compare prices for overhaul kits, friction kits, bushings, bearing, solenoid kits, valve body, torque converters, planetary gear kits, filters,. Repair kits common use parts 1. Filter kit 4hp22fkrr filter 1043 226 037 2. Click here to view special tools for this transmission. Overhaul kit 1043 298 105 pan gasket 0750 112 033 stator. Zf 4hp22 transmission service repair manual pdf. Zf 4Hp22 Transmission Service Manual Pdf.