What Is A Gauge Control Module . During the procedure, we do a readout step. The can system contains the gauge control module. The two can systems distribute information along several engine control units (ecus) in your car. You will need to have the gauge control module replaced at the dealer. Disconnect the 12p connector (b) from the gauge control module. To allow both systems to share information, the gauge control module. The automobile fault code u1281 indicates a problem with the gauge control module, which can cause the engine light to turn on. Remove the three screws from the gauge control module (speedo) (a). Obtain a new gauge control module before starting the rewriting process. Only new gauges can be rewritten. The cause of this issue could be a faulty module, an open or shorted harness, or a poor electrical connection. So with the gauge cluster still in the vehicle, we will use. The beeper drive circuit check.
from www.scribd.com
The two can systems distribute information along several engine control units (ecus) in your car. The beeper drive circuit check. The cause of this issue could be a faulty module, an open or shorted harness, or a poor electrical connection. The can system contains the gauge control module. During the procedure, we do a readout step. To allow both systems to share information, the gauge control module. Remove the three screws from the gauge control module (speedo) (a). Only new gauges can be rewritten. The automobile fault code u1281 indicates a problem with the gauge control module, which can cause the engine light to turn on. You will need to have the gauge control module replaced at the dealer.
Gauge Control Module Replacement PDF
What Is A Gauge Control Module Only new gauges can be rewritten. So with the gauge cluster still in the vehicle, we will use. To allow both systems to share information, the gauge control module. The two can systems distribute information along several engine control units (ecus) in your car. The cause of this issue could be a faulty module, an open or shorted harness, or a poor electrical connection. During the procedure, we do a readout step. Only new gauges can be rewritten. The can system contains the gauge control module. Remove the three screws from the gauge control module (speedo) (a). Obtain a new gauge control module before starting the rewriting process. Disconnect the 12p connector (b) from the gauge control module. The automobile fault code u1281 indicates a problem with the gauge control module, which can cause the engine light to turn on. You will need to have the gauge control module replaced at the dealer. The beeper drive circuit check.
From www.ebay.com
4838 ULVAC TORR GAUGE CONTROL MODULE (NEW) GP1SRY eBay What Is A Gauge Control Module The two can systems distribute information along several engine control units (ecus) in your car. The beeper drive circuit check. To allow both systems to share information, the gauge control module. So with the gauge cluster still in the vehicle, we will use. Only new gauges can be rewritten. The cause of this issue could be a faulty module, an. What Is A Gauge Control Module.
From www.j316gallery.com
12384 ULVAC TORR GAUGE CONTROL MODULE GP1SRY J316Gallery What Is A Gauge Control Module To allow both systems to share information, the gauge control module. The beeper drive circuit check. The can system contains the gauge control module. The cause of this issue could be a faulty module, an open or shorted harness, or a poor electrical connection. So with the gauge cluster still in the vehicle, we will use. Remove the three screws. What Is A Gauge Control Module.
From mestaa.blogspot.com
WPF and C with PLC. HMI Controls for WPF Gauge What Is A Gauge Control Module The two can systems distribute information along several engine control units (ecus) in your car. The automobile fault code u1281 indicates a problem with the gauge control module, which can cause the engine light to turn on. Obtain a new gauge control module before starting the rewriting process. Only new gauges can be rewritten. Disconnect the 12p connector (b) from. What Is A Gauge Control Module.
From warrperformance.com
Holley EFI Interface Module for Dakota Digital Gauges BIM012HLLY What Is A Gauge Control Module Only new gauges can be rewritten. So with the gauge cluster still in the vehicle, we will use. Obtain a new gauge control module before starting the rewriting process. To allow both systems to share information, the gauge control module. The automobile fault code u1281 indicates a problem with the gauge control module, which can cause the engine light to. What Is A Gauge Control Module.
From www.scribd.com
Gauge Control Module Replacement PDF What Is A Gauge Control Module Only new gauges can be rewritten. To allow both systems to share information, the gauge control module. Remove the three screws from the gauge control module (speedo) (a). The automobile fault code u1281 indicates a problem with the gauge control module, which can cause the engine light to turn on. The beeper drive circuit check. During the procedure, we do. What Is A Gauge Control Module.
From www.youtube.com
Building a strain gauge module for learning purposes YouTube What Is A Gauge Control Module The beeper drive circuit check. You will need to have the gauge control module replaced at the dealer. The can system contains the gauge control module. Disconnect the 12p connector (b) from the gauge control module. Only new gauges can be rewritten. The cause of this issue could be a faulty module, an open or shorted harness, or a poor. What Is A Gauge Control Module.
From www.j316gallery.com
12384 ULVAC TORR GAUGE CONTROL MODULE GP1SRY J316Gallery What Is A Gauge Control Module During the procedure, we do a readout step. The can system contains the gauge control module. To allow both systems to share information, the gauge control module. Remove the three screws from the gauge control module (speedo) (a). The automobile fault code u1281 indicates a problem with the gauge control module, which can cause the engine light to turn on.. What Is A Gauge Control Module.
From www.j316gallery.com
12384 ULVAC TORR GAUGE CONTROL MODULE GP1SRY J316Gallery What Is A Gauge Control Module So with the gauge cluster still in the vehicle, we will use. Disconnect the 12p connector (b) from the gauge control module. The two can systems distribute information along several engine control units (ecus) in your car. Obtain a new gauge control module before starting the rewriting process. Only new gauges can be rewritten. The automobile fault code u1281 indicates. What Is A Gauge Control Module.
From www.scribd.com
Jazz GD3 Gauge Control Module PDF What Is A Gauge Control Module Only new gauges can be rewritten. During the procedure, we do a readout step. The can system contains the gauge control module. The cause of this issue could be a faulty module, an open or shorted harness, or a poor electrical connection. The automobile fault code u1281 indicates a problem with the gauge control module, which can cause the engine. What Is A Gauge Control Module.
From www.hondaaccordforum.com
2004 Honda Accord Instrument Cluster Wiring Honda Accord Forum What Is A Gauge Control Module During the procedure, we do a readout step. The cause of this issue could be a faulty module, an open or shorted harness, or a poor electrical connection. Disconnect the 12p connector (b) from the gauge control module. The can system contains the gauge control module. To allow both systems to share information, the gauge control module. Remove the three. What Is A Gauge Control Module.
From civic.hondafitjazz.com
Gauge Control Module Connectors What Is A Gauge Control Module Obtain a new gauge control module before starting the rewriting process. Disconnect the 12p connector (b) from the gauge control module. The automobile fault code u1281 indicates a problem with the gauge control module, which can cause the engine light to turn on. So with the gauge cluster still in the vehicle, we will use. The cause of this issue. What Is A Gauge Control Module.
From www.tsxclub.com
Gauge Control Module Location? Acura TSX Forum What Is A Gauge Control Module The can system contains the gauge control module. Only new gauges can be rewritten. Obtain a new gauge control module before starting the rewriting process. The cause of this issue could be a faulty module, an open or shorted harness, or a poor electrical connection. The two can systems distribute information along several engine control units (ecus) in your car.. What Is A Gauge Control Module.
From www.j316gallery.com
12384 ULVAC TORR GAUGE CONTROL MODULE GP1SRY J316Gallery What Is A Gauge Control Module The cause of this issue could be a faulty module, an open or shorted harness, or a poor electrical connection. During the procedure, we do a readout step. The can system contains the gauge control module. To allow both systems to share information, the gauge control module. The beeper drive circuit check. The two can systems distribute information along several. What Is A Gauge Control Module.
From www.filtech.com
Thermocouple Gauge, Controller Digital, With TC531 Tube and Cables What Is A Gauge Control Module So with the gauge cluster still in the vehicle, we will use. During the procedure, we do a readout step. Disconnect the 12p connector (b) from the gauge control module. You will need to have the gauge control module replaced at the dealer. The can system contains the gauge control module. The cause of this issue could be a faulty. What Is A Gauge Control Module.
From www.youtube.com
CR V Gauge Control Module Self Test YouTube What Is A Gauge Control Module The automobile fault code u1281 indicates a problem with the gauge control module, which can cause the engine light to turn on. The can system contains the gauge control module. Remove the three screws from the gauge control module (speedo) (a). You will need to have the gauge control module replaced at the dealer. The two can systems distribute information. What Is A Gauge Control Module.
From civic.hondafitjazz.com
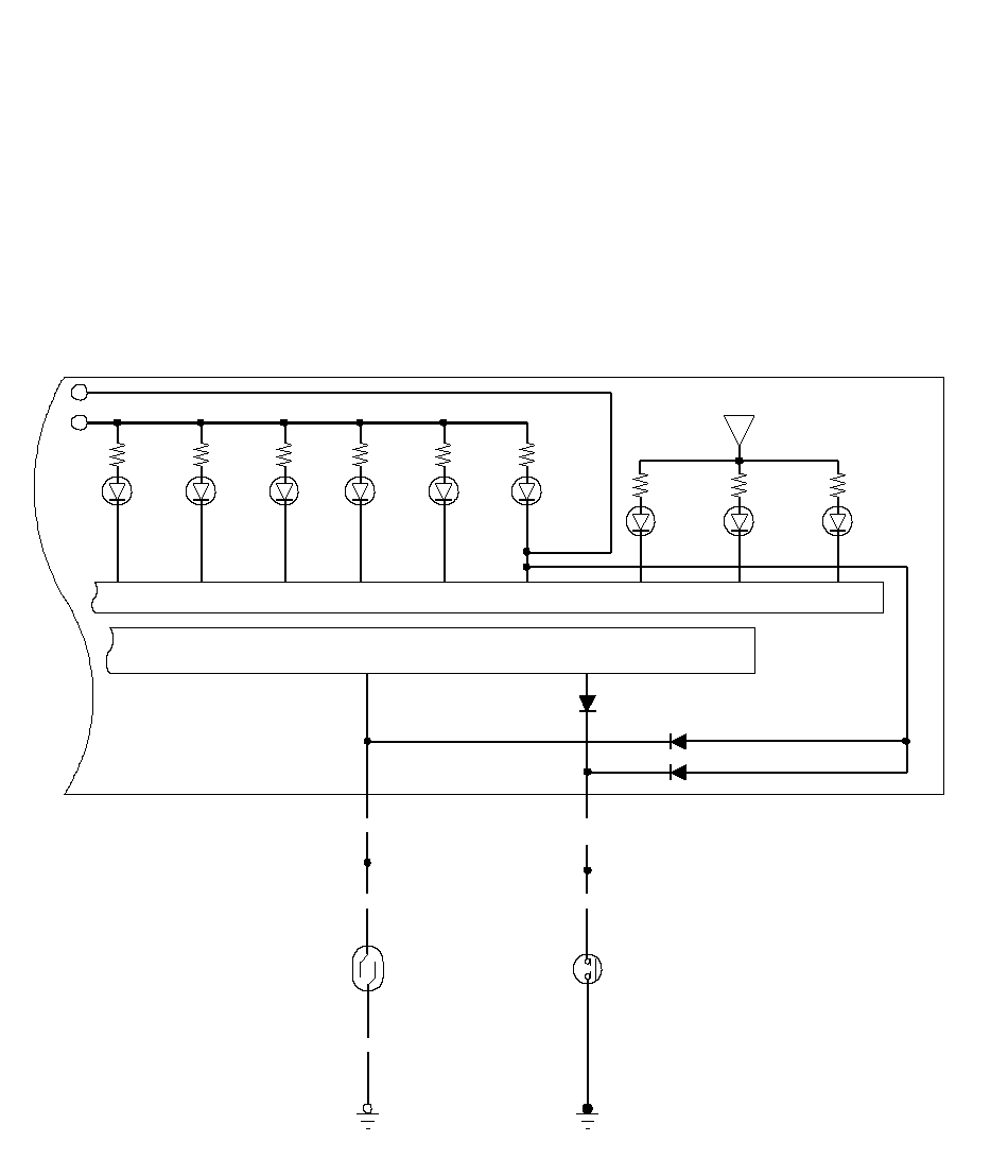
Gauges Circuit Diagram Gauge Control Module Tach What Is A Gauge Control Module Remove the three screws from the gauge control module (speedo) (a). Obtain a new gauge control module before starting the rewriting process. Disconnect the 12p connector (b) from the gauge control module. You will need to have the gauge control module replaced at the dealer. The can system contains the gauge control module. So with the gauge cluster still in. What Is A Gauge Control Module.
From www.chevyhardcore.com
The Digital Age Updating Your Gauges For An LS Swap What Is A Gauge Control Module You will need to have the gauge control module replaced at the dealer. The cause of this issue could be a faulty module, an open or shorted harness, or a poor electrical connection. The can system contains the gauge control module. During the procedure, we do a readout step. To allow both systems to share information, the gauge control module.. What Is A Gauge Control Module.
From androidcontrol.blogspot.com
Android Arduino Control Android Gauge View Example Code What Is A Gauge Control Module The can system contains the gauge control module. Remove the three screws from the gauge control module (speedo) (a). The cause of this issue could be a faulty module, an open or shorted harness, or a poor electrical connection. During the procedure, we do a readout step. So with the gauge cluster still in the vehicle, we will use. Only. What Is A Gauge Control Module.
From www.youtube.com
How to Change the Digital Gauge Layout 2022 Acura MDX SHAWD ASpec What Is A Gauge Control Module During the procedure, we do a readout step. The two can systems distribute information along several engine control units (ecus) in your car. Obtain a new gauge control module before starting the rewriting process. Disconnect the 12p connector (b) from the gauge control module. So with the gauge cluster still in the vehicle, we will use. Only new gauges can. What Is A Gauge Control Module.
From www.ebay.com
4838 ULVAC TORR GAUGE CONTROL MODULE (NEW) GP1SRY eBay What Is A Gauge Control Module Remove the three screws from the gauge control module (speedo) (a). Only new gauges can be rewritten. The can system contains the gauge control module. You will need to have the gauge control module replaced at the dealer. The cause of this issue could be a faulty module, an open or shorted harness, or a poor electrical connection. The automobile. What Is A Gauge Control Module.
From www.haccord.org
Honda Accord Component Location Index Gauges Body Electrical What Is A Gauge Control Module The beeper drive circuit check. During the procedure, we do a readout step. You will need to have the gauge control module replaced at the dealer. Only new gauges can be rewritten. The two can systems distribute information along several engine control units (ecus) in your car. To allow both systems to share information, the gauge control module. So with. What Is A Gauge Control Module.
From www.summitracing.com
AutoMeter DL1410U AutoMeter DashControl OBDII Gauge Controllers What Is A Gauge Control Module The can system contains the gauge control module. You will need to have the gauge control module replaced at the dealer. The cause of this issue could be a faulty module, an open or shorted harness, or a poor electrical connection. Remove the three screws from the gauge control module (speedo) (a). The two can systems distribute information along several. What Is A Gauge Control Module.
From www.tacomaworld.com
Aftermarket gauge cluster World What Is A Gauge Control Module Only new gauges can be rewritten. Disconnect the 12p connector (b) from the gauge control module. The beeper drive circuit check. You will need to have the gauge control module replaced at the dealer. The automobile fault code u1281 indicates a problem with the gauge control module, which can cause the engine light to turn on. So with the gauge. What Is A Gauge Control Module.
From dalhems.com
Gauge Control Module, Interface Module, Holley, Sniper, Dominator, EFI What Is A Gauge Control Module Obtain a new gauge control module before starting the rewriting process. The automobile fault code u1281 indicates a problem with the gauge control module, which can cause the engine light to turn on. Remove the three screws from the gauge control module (speedo) (a). The cause of this issue could be a faulty module, an open or shorted harness, or. What Is A Gauge Control Module.
From www.youtube.com
Gauge control module problems in my Honda civic type r fd2 2007 need What Is A Gauge Control Module Obtain a new gauge control module before starting the rewriting process. The two can systems distribute information along several engine control units (ecus) in your car. During the procedure, we do a readout step. The can system contains the gauge control module. The beeper drive circuit check. The automobile fault code u1281 indicates a problem with the gauge control module,. What Is A Gauge Control Module.
From www.newprotest.org
by jovial_cynic What Is A Gauge Control Module The can system contains the gauge control module. Only new gauges can be rewritten. To allow both systems to share information, the gauge control module. Disconnect the 12p connector (b) from the gauge control module. The automobile fault code u1281 indicates a problem with the gauge control module, which can cause the engine light to turn on. The beeper drive. What Is A Gauge Control Module.
From www.j316gallery.com
12384 ULVAC TORR GAUGE CONTROL MODULE GP1SRY J316Gallery What Is A Gauge Control Module Disconnect the 12p connector (b) from the gauge control module. The two can systems distribute information along several engine control units (ecus) in your car. Remove the three screws from the gauge control module (speedo) (a). The cause of this issue could be a faulty module, an open or shorted harness, or a poor electrical connection. The automobile fault code. What Is A Gauge Control Module.
From www.chevyhardcore.com
The Truth About Mechanical, Electrical, and StepperMotor Gauges What Is A Gauge Control Module During the procedure, we do a readout step. To allow both systems to share information, the gauge control module. Disconnect the 12p connector (b) from the gauge control module. Remove the three screws from the gauge control module (speedo) (a). So with the gauge cluster still in the vehicle, we will use. Only new gauges can be rewritten. You will. What Is A Gauge Control Module.
From www.electroschematics.com
Strain Gauge Sensor Module Intro What Is A Gauge Control Module You will need to have the gauge control module replaced at the dealer. Obtain a new gauge control module before starting the rewriting process. The beeper drive circuit check. The automobile fault code u1281 indicates a problem with the gauge control module, which can cause the engine light to turn on. To allow both systems to share information, the gauge. What Is A Gauge Control Module.
From www.civicx.com
Gauge Control Module 2016+ Honda Civic Forum (10th Gen) Type R What Is A Gauge Control Module So with the gauge cluster still in the vehicle, we will use. Disconnect the 12p connector (b) from the gauge control module. The can system contains the gauge control module. The beeper drive circuit check. During the procedure, we do a readout step. The automobile fault code u1281 indicates a problem with the gauge control module, which can cause the. What Is A Gauge Control Module.
From www.youtube.com
Honda CRV Gauge Control Module Issue YouTube What Is A Gauge Control Module Disconnect the 12p connector (b) from the gauge control module. The beeper drive circuit check. Only new gauges can be rewritten. To allow both systems to share information, the gauge control module. Remove the three screws from the gauge control module (speedo) (a). You will need to have the gauge control module replaced at the dealer. The two can systems. What Is A Gauge Control Module.
From www.ebay.com
4838 ULVAC TORR GAUGE CONTROL MODULE (NEW) GP1SRY eBay What Is A Gauge Control Module The two can systems distribute information along several engine control units (ecus) in your car. Disconnect the 12p connector (b) from the gauge control module. The automobile fault code u1281 indicates a problem with the gauge control module, which can cause the engine light to turn on. Remove the three screws from the gauge control module (speedo) (a). So with. What Is A Gauge Control Module.
From www.j316gallery.com
4838 ULVAC TORR GAUGE CONTROL MODULE (NEW) GP1SRY J316Gallery What Is A Gauge Control Module The beeper drive circuit check. Remove the three screws from the gauge control module (speedo) (a). During the procedure, we do a readout step. The two can systems distribute information along several engine control units (ecus) in your car. You will need to have the gauge control module replaced at the dealer. So with the gauge cluster still in the. What Is A Gauge Control Module.
From www.speedwaymotors.com
Cooling Fan Control for Mechanical Gauges What Is A Gauge Control Module The two can systems distribute information along several engine control units (ecus) in your car. The automobile fault code u1281 indicates a problem with the gauge control module, which can cause the engine light to turn on. During the procedure, we do a readout step. Obtain a new gauge control module before starting the rewriting process. The beeper drive circuit. What Is A Gauge Control Module.
From zinref.ru
Honda Civic. Manual part 699 What Is A Gauge Control Module Only new gauges can be rewritten. To allow both systems to share information, the gauge control module. The automobile fault code u1281 indicates a problem with the gauge control module, which can cause the engine light to turn on. The can system contains the gauge control module. You will need to have the gauge control module replaced at the dealer.. What Is A Gauge Control Module.