Ac Not Working On Switch . If the battery charging icon is not displayed or if the battery level does not reach 100% charged after several hours, there may be an issue with. In most cases, you will notice this during hot days when your car is not blowing any cold air through the vents. When the ac is left unchecked, the current room. The model number can be found on the bottom of the ac. Internal damage, faulty outlets, or dirty connection ports can cause the nintendo switch ac adapter to fail. Check the model number to verify you are using the nintendo switch ac adapter. The most common symptom of a bad ac pressure switch is a faulty or intermittent air conditioning function. I noticed when i took the. A working fan indicates that the air handler is on, but the outdoor air conditioning unit is not functioning.
from www.2carpros.com
Internal damage, faulty outlets, or dirty connection ports can cause the nintendo switch ac adapter to fail. Check the model number to verify you are using the nintendo switch ac adapter. The most common symptom of a bad ac pressure switch is a faulty or intermittent air conditioning function. In most cases, you will notice this during hot days when your car is not blowing any cold air through the vents. When the ac is left unchecked, the current room. I noticed when i took the. If the battery charging icon is not displayed or if the battery level does not reach 100% charged after several hours, there may be an issue with. The model number can be found on the bottom of the ac. A working fan indicates that the air handler is on, but the outdoor air conditioning unit is not functioning.
AC Not Working Properly AC Switch Does Not Light Up and Clutch
Ac Not Working On Switch I noticed when i took the. In most cases, you will notice this during hot days when your car is not blowing any cold air through the vents. Check the model number to verify you are using the nintendo switch ac adapter. If the battery charging icon is not displayed or if the battery level does not reach 100% charged after several hours, there may be an issue with. The model number can be found on the bottom of the ac. The most common symptom of a bad ac pressure switch is a faulty or intermittent air conditioning function. When the ac is left unchecked, the current room. I noticed when i took the. A working fan indicates that the air handler is on, but the outdoor air conditioning unit is not functioning. Internal damage, faulty outlets, or dirty connection ports can cause the nintendo switch ac adapter to fail.
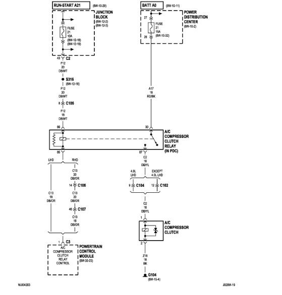
From www.coolchangenc.com
Is Your Air Conditioner Not Working!? 2 Easy Fix Ac Not Working On Switch When the ac is left unchecked, the current room. The most common symptom of a bad ac pressure switch is a faulty or intermittent air conditioning function. Check the model number to verify you are using the nintendo switch ac adapter. If the battery charging icon is not displayed or if the battery level does not reach 100% charged after. Ac Not Working On Switch.
From curiosityinsight.com
Why Does My Brand New AC Compressor Not Working and How to Fix the Ac Not Working On Switch I noticed when i took the. In most cases, you will notice this during hot days when your car is not blowing any cold air through the vents. The model number can be found on the bottom of the ac. Internal damage, faulty outlets, or dirty connection ports can cause the nintendo switch ac adapter to fail. The most common. Ac Not Working On Switch.
From airprosusa.com
AC Not Working? How to Troubleshoot Central AC Air Pros USA Ac Not Working On Switch When the ac is left unchecked, the current room. A working fan indicates that the air handler is on, but the outdoor air conditioning unit is not functioning. The most common symptom of a bad ac pressure switch is a faulty or intermittent air conditioning function. If the battery charging icon is not displayed or if the battery level does. Ac Not Working On Switch.
From gossipfunda.com
Honeywell ac not working Gossipfunda Ac Not Working On Switch Internal damage, faulty outlets, or dirty connection ports can cause the nintendo switch ac adapter to fail. A working fan indicates that the air handler is on, but the outdoor air conditioning unit is not functioning. When the ac is left unchecked, the current room. The model number can be found on the bottom of the ac. If the battery. Ac Not Working On Switch.
From www.2carpros.com
Ac Not Working, No Power Going to Low Pressure Switch Ac Not Working On Switch When the ac is left unchecked, the current room. I noticed when i took the. The model number can be found on the bottom of the ac. Internal damage, faulty outlets, or dirty connection ports can cause the nintendo switch ac adapter to fail. The most common symptom of a bad ac pressure switch is a faulty or intermittent air. Ac Not Working On Switch.
From fourwheeltrends.com
Is Your AC Not Working? Could a Bad Car Battery be to Blame? Four Ac Not Working On Switch If the battery charging icon is not displayed or if the battery level does not reach 100% charged after several hours, there may be an issue with. Internal damage, faulty outlets, or dirty connection ports can cause the nintendo switch ac adapter to fail. In most cases, you will notice this during hot days when your car is not blowing. Ac Not Working On Switch.
From www.2carpros.com
AC Not Working Recharged AC to the Correct Pressure. AC Ac Not Working On Switch If the battery charging icon is not displayed or if the battery level does not reach 100% charged after several hours, there may be an issue with. Internal damage, faulty outlets, or dirty connection ports can cause the nintendo switch ac adapter to fail. The most common symptom of a bad ac pressure switch is a faulty or intermittent air. Ac Not Working On Switch.
From www.youtube.com
FORD AC AIR CONDITIONER DOES NOT WORK BECAUSE OF BAD AC PRESSURE SWITCH Ac Not Working On Switch When the ac is left unchecked, the current room. If the battery charging icon is not displayed or if the battery level does not reach 100% charged after several hours, there may be an issue with. A working fan indicates that the air handler is on, but the outdoor air conditioning unit is not functioning. In most cases, you will. Ac Not Working On Switch.
From onlinetoolguides.com
Troubleshooting AC Not Working Expert Tips & Solutions Ac Not Working On Switch When the ac is left unchecked, the current room. In most cases, you will notice this during hot days when your car is not blowing any cold air through the vents. If the battery charging icon is not displayed or if the battery level does not reach 100% charged after several hours, there may be an issue with. Check the. Ac Not Working On Switch.
From www.youtube.com
Air conditioner remote not working or missing.. Do this YouTube Ac Not Working On Switch The most common symptom of a bad ac pressure switch is a faulty or intermittent air conditioning function. I noticed when i took the. The model number can be found on the bottom of the ac. Check the model number to verify you are using the nintendo switch ac adapter. If the battery charging icon is not displayed or if. Ac Not Working On Switch.
From www.youtube.com
FORD FOCUS AC PRESSURE SWITCH REPLACEMENT LOCATION, AC NOT WORKING FIX Ac Not Working On Switch The model number can be found on the bottom of the ac. I noticed when i took the. When the ac is left unchecked, the current room. Internal damage, faulty outlets, or dirty connection ports can cause the nintendo switch ac adapter to fail. Check the model number to verify you are using the nintendo switch ac adapter. The most. Ac Not Working On Switch.
From semioffice.com
Complaint Letter for AC Not Working in Office Ac Not Working On Switch The most common symptom of a bad ac pressure switch is a faulty or intermittent air conditioning function. If the battery charging icon is not displayed or if the battery level does not reach 100% charged after several hours, there may be an issue with. I noticed when i took the. In most cases, you will notice this during hot. Ac Not Working On Switch.
From www.youtube.com
Rocker (4 Pin) Switch का Direct Connection कैसे करें? 4Pin Switch Ac Not Working On Switch If the battery charging icon is not displayed or if the battery level does not reach 100% charged after several hours, there may be an issue with. The most common symptom of a bad ac pressure switch is a faulty or intermittent air conditioning function. A working fan indicates that the air handler is on, but the outdoor air conditioning. Ac Not Working On Switch.
From hvactrainingshop.com
Air Conditioner Not Working? Here’s What to Do HVAC Training Shop Ac Not Working On Switch When the ac is left unchecked, the current room. In most cases, you will notice this during hot days when your car is not blowing any cold air through the vents. Internal damage, faulty outlets, or dirty connection ports can cause the nintendo switch ac adapter to fail. The most common symptom of a bad ac pressure switch is a. Ac Not Working On Switch.
From giogdvjkl.blob.core.windows.net
Air Conditioner Switch Not Working at Robin Vanwinkle blog Ac Not Working On Switch Check the model number to verify you are using the nintendo switch ac adapter. I noticed when i took the. When the ac is left unchecked, the current room. Internal damage, faulty outlets, or dirty connection ports can cause the nintendo switch ac adapter to fail. The model number can be found on the bottom of the ac. In most. Ac Not Working On Switch.
From www.startribune.com
How to inspect your own house, part 9 the air conditioner Ac Not Working On Switch A working fan indicates that the air handler is on, but the outdoor air conditioning unit is not functioning. In most cases, you will notice this during hot days when your car is not blowing any cold air through the vents. If the battery charging icon is not displayed or if the battery level does not reach 100% charged after. Ac Not Working On Switch.
From www.youtube.com
Air Conditioner Not Turning On! Nothing is Happening! 10 Common Ac Not Working On Switch If the battery charging icon is not displayed or if the battery level does not reach 100% charged after several hours, there may be an issue with. I noticed when i took the. Internal damage, faulty outlets, or dirty connection ports can cause the nintendo switch ac adapter to fail. The most common symptom of a bad ac pressure switch. Ac Not Working On Switch.
From www.youtube.com
Car AC Not Cooling How To Easily Check AC Pressure Switches YouTube Ac Not Working On Switch When the ac is left unchecked, the current room. If the battery charging icon is not displayed or if the battery level does not reach 100% charged after several hours, there may be an issue with. The most common symptom of a bad ac pressure switch is a faulty or intermittent air conditioning function. Internal damage, faulty outlets, or dirty. Ac Not Working On Switch.
From www.youtube.com
AC PRESSURE SWITCH LOCATION PORSCHE CAYNNE, AUDI Q7, VW TOUAREG, AC NOT Ac Not Working On Switch When the ac is left unchecked, the current room. I noticed when i took the. If the battery charging icon is not displayed or if the battery level does not reach 100% charged after several hours, there may be an issue with. Check the model number to verify you are using the nintendo switch ac adapter. Internal damage, faulty outlets,. Ac Not Working On Switch.
From repairmachinezander55.z19.web.core.windows.net
2013 Chevy Cruze Ac Pressure Switch Location Ac Not Working On Switch The model number can be found on the bottom of the ac. If the battery charging icon is not displayed or if the battery level does not reach 100% charged after several hours, there may be an issue with. Internal damage, faulty outlets, or dirty connection ports can cause the nintendo switch ac adapter to fail. The most common symptom. Ac Not Working On Switch.
From www.2carpros.com
A/C Not Working Plug in Control Panel and Blower Kicks on High Ac Not Working On Switch A working fan indicates that the air handler is on, but the outdoor air conditioning unit is not functioning. Internal damage, faulty outlets, or dirty connection ports can cause the nintendo switch ac adapter to fail. The most common symptom of a bad ac pressure switch is a faulty or intermittent air conditioning function. The model number can be found. Ac Not Working On Switch.
From www.youtube.com
AC PCB not working Voltas AC Not Working AC Remote kit Not Ac Not Working On Switch I noticed when i took the. The model number can be found on the bottom of the ac. When the ac is left unchecked, the current room. In most cases, you will notice this during hot days when your car is not blowing any cold air through the vents. Internal damage, faulty outlets, or dirty connection ports can cause the. Ac Not Working On Switch.
From mechanicfield77.z13.web.core.windows.net
Chevy Cruze Ac Not Working Ac Not Working On Switch If the battery charging icon is not displayed or if the battery level does not reach 100% charged after several hours, there may be an issue with. Internal damage, faulty outlets, or dirty connection ports can cause the nintendo switch ac adapter to fail. In most cases, you will notice this during hot days when your car is not blowing. Ac Not Working On Switch.
From soadapo.blogspot.com
Air Conditioner Control Panel Not Working / Common Window Air Ac Not Working On Switch If the battery charging icon is not displayed or if the battery level does not reach 100% charged after several hours, there may be an issue with. I noticed when i took the. A working fan indicates that the air handler is on, but the outdoor air conditioning unit is not functioning. Check the model number to verify you are. Ac Not Working On Switch.
From www.eddiesheatingandair.com
Why Is My AC Not Working? Understanding Common AC Problems Ac Not Working On Switch If the battery charging icon is not displayed or if the battery level does not reach 100% charged after several hours, there may be an issue with. Internal damage, faulty outlets, or dirty connection ports can cause the nintendo switch ac adapter to fail. The model number can be found on the bottom of the ac. A working fan indicates. Ac Not Working On Switch.
From www.gm-trucks.com
2005 GMC 1500 Air Conditioning AC Not Working 19992013 Silverado Ac Not Working On Switch Check the model number to verify you are using the nintendo switch ac adapter. In most cases, you will notice this during hot days when your car is not blowing any cold air through the vents. If the battery charging icon is not displayed or if the battery level does not reach 100% charged after several hours, there may be. Ac Not Working On Switch.
From www.youtube.com
Nintendo Switch Power button not working Motherboard diagnosis and Ac Not Working On Switch When the ac is left unchecked, the current room. The model number can be found on the bottom of the ac. If the battery charging icon is not displayed or if the battery level does not reach 100% charged after several hours, there may be an issue with. The most common symptom of a bad ac pressure switch is a. Ac Not Working On Switch.
From removeandreplace.com
How To Fix AC Remote Control That Does Not Work With Air Conditioner? Ac Not Working On Switch A working fan indicates that the air handler is on, but the outdoor air conditioning unit is not functioning. I noticed when i took the. When the ac is left unchecked, the current room. Check the model number to verify you are using the nintendo switch ac adapter. The most common symptom of a bad ac pressure switch is a. Ac Not Working On Switch.
From repairfixreinhardt55.z19.web.core.windows.net
2014 Chevrolet Silverado Ac Not Working Ac Not Working On Switch The model number can be found on the bottom of the ac. In most cases, you will notice this during hot days when your car is not blowing any cold air through the vents. A working fan indicates that the air handler is on, but the outdoor air conditioning unit is not functioning. Check the model number to verify you. Ac Not Working On Switch.
From garagesatnicamayji.z22.web.core.windows.net
Air Conditioner Not Working Honda Civic Ac Not Working On Switch In most cases, you will notice this during hot days when your car is not blowing any cold air through the vents. If the battery charging icon is not displayed or if the battery level does not reach 100% charged after several hours, there may be an issue with. The most common symptom of a bad ac pressure switch is. Ac Not Working On Switch.
From www.2carpros.com
AC Not Working Properly AC Switch Does Not Light Up and Clutch Ac Not Working On Switch The model number can be found on the bottom of the ac. The most common symptom of a bad ac pressure switch is a faulty or intermittent air conditioning function. A working fan indicates that the air handler is on, but the outdoor air conditioning unit is not functioning. Internal damage, faulty outlets, or dirty connection ports can cause the. Ac Not Working On Switch.
From airecoolmechanical.com
AC Not Working AireCoolMechanical Ac Not Working On Switch When the ac is left unchecked, the current room. If the battery charging icon is not displayed or if the battery level does not reach 100% charged after several hours, there may be an issue with. Check the model number to verify you are using the nintendo switch ac adapter. In most cases, you will notice this during hot days. Ac Not Working On Switch.
From www.pinterest.com
AC Not Working AC Not Turning On ? How To Fix It Yourself Turn ons Ac Not Working On Switch Internal damage, faulty outlets, or dirty connection ports can cause the nintendo switch ac adapter to fail. I noticed when i took the. A working fan indicates that the air handler is on, but the outdoor air conditioning unit is not functioning. The most common symptom of a bad ac pressure switch is a faulty or intermittent air conditioning function.. Ac Not Working On Switch.
From www.youtube.com
AC PRESSURE SWITCH REPLACEMENT LOCATION KIA SORENTO, KIA SPORTAGE AC Ac Not Working On Switch When the ac is left unchecked, the current room. Internal damage, faulty outlets, or dirty connection ports can cause the nintendo switch ac adapter to fail. If the battery charging icon is not displayed or if the battery level does not reach 100% charged after several hours, there may be an issue with. I noticed when i took the. The. Ac Not Working On Switch.
From www.2carpros.com
A/C Not Working Plug in Control Panel and Blower Kicks on High Ac Not Working On Switch The model number can be found on the bottom of the ac. When the ac is left unchecked, the current room. Check the model number to verify you are using the nintendo switch ac adapter. In most cases, you will notice this during hot days when your car is not blowing any cold air through the vents. Internal damage, faulty. Ac Not Working On Switch.