Common Mode Voltage In Lvds . learn about the functional diagrams, pin configurations, and interface methods of low voltage differential. learn how to interface different logic levels used in modern telecom and datacom systems, such as lvpecl, vml, cml and lvds.
from www.thine.co.jp
learn how to interface different logic levels used in modern telecom and datacom systems, such as lvpecl, vml, cml and lvds. learn about the functional diagrams, pin configurations, and interface methods of low voltage differential.
LVDS SerDesDeep dive about the Basic Principle and Features|THine
Common Mode Voltage In Lvds learn how to interface different logic levels used in modern telecom and datacom systems, such as lvpecl, vml, cml and lvds. learn about the functional diagrams, pin configurations, and interface methods of low voltage differential. learn how to interface different logic levels used in modern telecom and datacom systems, such as lvpecl, vml, cml and lvds.
From filipinoengineer.com
Common Mode Voltages Causes, Effects and Mitigation Filipino Engineer Common Mode Voltage In Lvds learn about the functional diagrams, pin configurations, and interface methods of low voltage differential. learn how to interface different logic levels used in modern telecom and datacom systems, such as lvpecl, vml, cml and lvds. Common Mode Voltage In Lvds.
From mavink.com
Lvds Voltage Levels Common Mode Voltage In Lvds learn how to interface different logic levels used in modern telecom and datacom systems, such as lvpecl, vml, cml and lvds. learn about the functional diagrams, pin configurations, and interface methods of low voltage differential. Common Mode Voltage In Lvds.
From present5.com
Telefunken LVDS MLVDS as an alternative to RS485 422 Common Mode Voltage In Lvds learn how to interface different logic levels used in modern telecom and datacom systems, such as lvpecl, vml, cml and lvds. learn about the functional diagrams, pin configurations, and interface methods of low voltage differential. Common Mode Voltage In Lvds.
From www.researchgate.net
Simplified new voltagemode LVDS driver. Download Scientific Diagram Common Mode Voltage In Lvds learn how to interface different logic levels used in modern telecom and datacom systems, such as lvpecl, vml, cml and lvds. learn about the functional diagrams, pin configurations, and interface methods of low voltage differential. Common Mode Voltage In Lvds.
From www.researchgate.net
An example of the common mode voltage and the circulating current Common Mode Voltage In Lvds learn how to interface different logic levels used in modern telecom and datacom systems, such as lvpecl, vml, cml and lvds. learn about the functional diagrams, pin configurations, and interface methods of low voltage differential. Common Mode Voltage In Lvds.
From www.mdpi.com
Electronics Free FullText A 2.5 Gbps, 10Lane, LowPower, LVDS Common Mode Voltage In Lvds learn about the functional diagrams, pin configurations, and interface methods of low voltage differential. learn how to interface different logic levels used in modern telecom and datacom systems, such as lvpecl, vml, cml and lvds. Common Mode Voltage In Lvds.
From electronics.stackexchange.com
Input common mode voltage of AC coupled differential pair Electrical Common Mode Voltage In Lvds learn about the functional diagrams, pin configurations, and interface methods of low voltage differential. learn how to interface different logic levels used in modern telecom and datacom systems, such as lvpecl, vml, cml and lvds. Common Mode Voltage In Lvds.
From www.eeweb.com
Commonmode Voltage EE Common Mode Voltage In Lvds learn about the functional diagrams, pin configurations, and interface methods of low voltage differential. learn how to interface different logic levels used in modern telecom and datacom systems, such as lvpecl, vml, cml and lvds. Common Mode Voltage In Lvds.
From e2e.ti.com
DS90C385A DS90C385A connect with LVDS screen Interface forum Common Mode Voltage In Lvds learn how to interface different logic levels used in modern telecom and datacom systems, such as lvpecl, vml, cml and lvds. learn about the functional diagrams, pin configurations, and interface methods of low voltage differential. Common Mode Voltage In Lvds.
From www.researchgate.net
Commonmode and differentialmode DCS LVDS driver output waveforms with Common Mode Voltage In Lvds learn how to interface different logic levels used in modern telecom and datacom systems, such as lvpecl, vml, cml and lvds. learn about the functional diagrams, pin configurations, and interface methods of low voltage differential. Common Mode Voltage In Lvds.
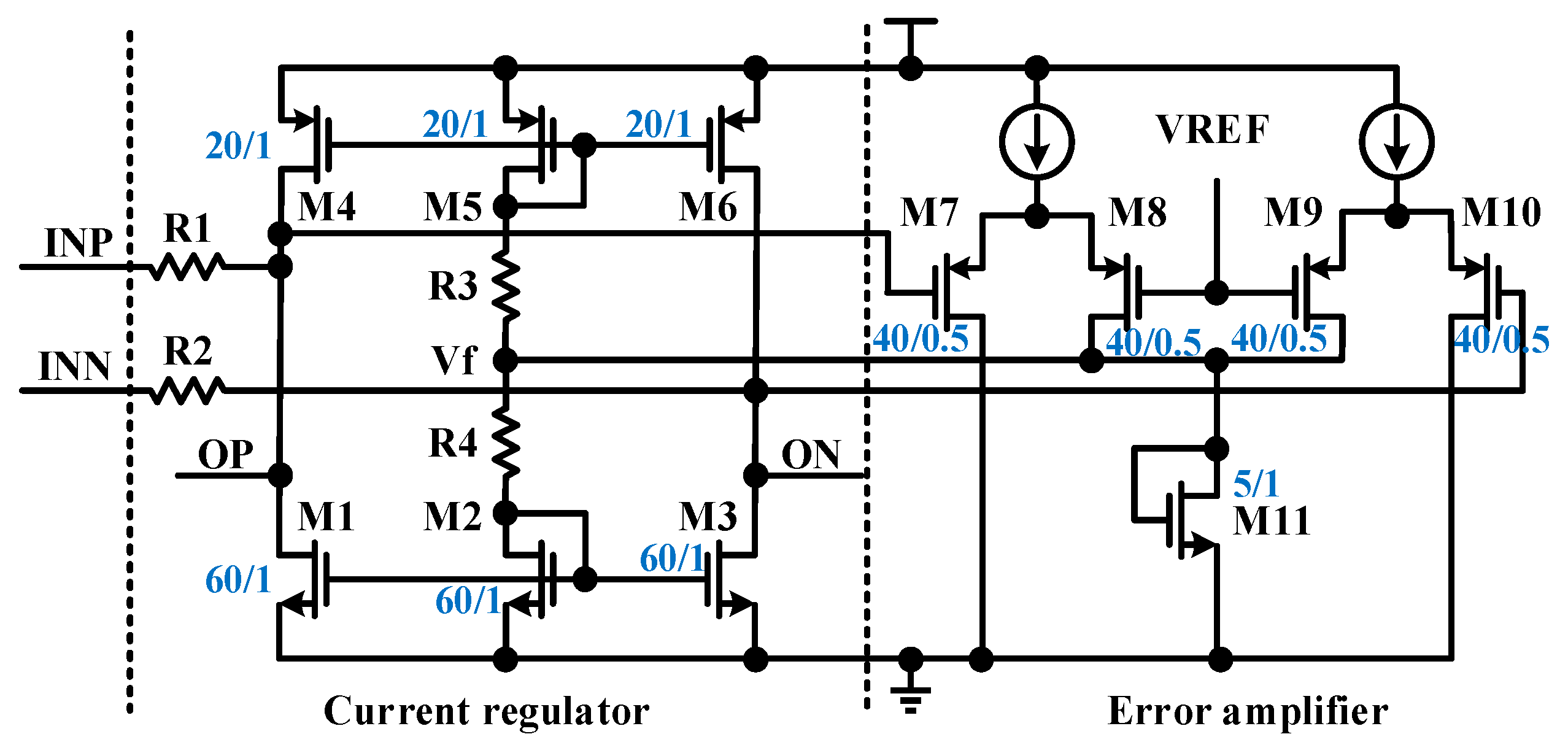
From www.edaboard.com
Analysing the LVDS CMFB feedback circuits Common Mode Voltage In Lvds learn how to interface different logic levels used in modern telecom and datacom systems, such as lvpecl, vml, cml and lvds. learn about the functional diagrams, pin configurations, and interface methods of low voltage differential. Common Mode Voltage In Lvds.
From www.slideserve.com
PPT Fully Understanding CMRR in DAs, IAs, and OAs PowerPoint Common Mode Voltage In Lvds learn about the functional diagrams, pin configurations, and interface methods of low voltage differential. learn how to interface different logic levels used in modern telecom and datacom systems, such as lvpecl, vml, cml and lvds. Common Mode Voltage In Lvds.
From present5.com
Telefunken LVDS MLVDS as an alternative to RS485 422 Common Mode Voltage In Lvds learn about the functional diagrams, pin configurations, and interface methods of low voltage differential. learn how to interface different logic levels used in modern telecom and datacom systems, such as lvpecl, vml, cml and lvds. Common Mode Voltage In Lvds.
From toshiba.semicon-storage.com
What is the commonmode input voltage of an opamp? Toshiba Common Mode Voltage In Lvds learn about the functional diagrams, pin configurations, and interface methods of low voltage differential. learn how to interface different logic levels used in modern telecom and datacom systems, such as lvpecl, vml, cml and lvds. Common Mode Voltage In Lvds.
From www.researchgate.net
Commonmode and differentialmode DCS LVDS driver output waveforms with Common Mode Voltage In Lvds learn how to interface different logic levels used in modern telecom and datacom systems, such as lvpecl, vml, cml and lvds. learn about the functional diagrams, pin configurations, and interface methods of low voltage differential. Common Mode Voltage In Lvds.
From www.researchgate.net
Common mode voltage (a), voltage accumulation on the electric machine Common Mode Voltage In Lvds learn how to interface different logic levels used in modern telecom and datacom systems, such as lvpecl, vml, cml and lvds. learn about the functional diagrams, pin configurations, and interface methods of low voltage differential. Common Mode Voltage In Lvds.
From slideplayer.com
Product Engineering Dept. ppt download Common Mode Voltage In Lvds learn how to interface different logic levels used in modern telecom and datacom systems, such as lvpecl, vml, cml and lvds. learn about the functional diagrams, pin configurations, and interface methods of low voltage differential. Common Mode Voltage In Lvds.
From kamaka.de
Space IC Quad LVDS Line Receiver with Extended Common Mode Common Mode Voltage In Lvds learn about the functional diagrams, pin configurations, and interface methods of low voltage differential. learn how to interface different logic levels used in modern telecom and datacom systems, such as lvpecl, vml, cml and lvds. Common Mode Voltage In Lvds.
From cpes.vt.edu
Low Frequency Common Mode Voltage Control for Systems Interconnected Common Mode Voltage In Lvds learn about the functional diagrams, pin configurations, and interface methods of low voltage differential. learn how to interface different logic levels used in modern telecom and datacom systems, such as lvpecl, vml, cml and lvds. Common Mode Voltage In Lvds.
From www.slideserve.com
PPT CommonMode Voltage PowerPoint Presentation, free download ID Common Mode Voltage In Lvds learn how to interface different logic levels used in modern telecom and datacom systems, such as lvpecl, vml, cml and lvds. learn about the functional diagrams, pin configurations, and interface methods of low voltage differential. Common Mode Voltage In Lvds.
From www.researchgate.net
Generic structure of a LVDS driver and its relevant electric variables Common Mode Voltage In Lvds learn about the functional diagrams, pin configurations, and interface methods of low voltage differential. learn how to interface different logic levels used in modern telecom and datacom systems, such as lvpecl, vml, cml and lvds. Common Mode Voltage In Lvds.
From electronics.stackexchange.com
differential How to send logic low to LVDS? Electrical Engineering Common Mode Voltage In Lvds learn about the functional diagrams, pin configurations, and interface methods of low voltage differential. learn how to interface different logic levels used in modern telecom and datacom systems, such as lvpecl, vml, cml and lvds. Common Mode Voltage In Lvds.
From www.researchgate.net
Commonmode and differentialmode DCS LVDS driver output waveforms with Common Mode Voltage In Lvds learn about the functional diagrams, pin configurations, and interface methods of low voltage differential. learn how to interface different logic levels used in modern telecom and datacom systems, such as lvpecl, vml, cml and lvds. Common Mode Voltage In Lvds.
From www.researchgate.net
Commonmode and differentialmode DCS LVDS driver output waveforms with Common Mode Voltage In Lvds learn about the functional diagrams, pin configurations, and interface methods of low voltage differential. learn how to interface different logic levels used in modern telecom and datacom systems, such as lvpecl, vml, cml and lvds. Common Mode Voltage In Lvds.
From www.researchgate.net
Generic structure of a LVDS receiver and its relevant electric Common Mode Voltage In Lvds learn how to interface different logic levels used in modern telecom and datacom systems, such as lvpecl, vml, cml and lvds. learn about the functional diagrams, pin configurations, and interface methods of low voltage differential. Common Mode Voltage In Lvds.
From e2e.ti.com
SN65LVEP11 reducing common mode output voltage Clock & timing forum Common Mode Voltage In Lvds learn about the functional diagrams, pin configurations, and interface methods of low voltage differential. learn how to interface different logic levels used in modern telecom and datacom systems, such as lvpecl, vml, cml and lvds. Common Mode Voltage In Lvds.
From present5.com
Telefunken LVDS MLVDS as an alternative to RS485 422 Common Mode Voltage In Lvds learn about the functional diagrams, pin configurations, and interface methods of low voltage differential. learn how to interface different logic levels used in modern telecom and datacom systems, such as lvpecl, vml, cml and lvds. Common Mode Voltage In Lvds.
From www.reddit.com
Output commonmode voltage in fully differential amp and LVDS r Common Mode Voltage In Lvds learn how to interface different logic levels used in modern telecom and datacom systems, such as lvpecl, vml, cml and lvds. learn about the functional diagrams, pin configurations, and interface methods of low voltage differential. Common Mode Voltage In Lvds.
From www.researchgate.net
Commonmode and differentialmode DCS LVDS driver output waveforms with Common Mode Voltage In Lvds learn about the functional diagrams, pin configurations, and interface methods of low voltage differential. learn how to interface different logic levels used in modern telecom and datacom systems, such as lvpecl, vml, cml and lvds. Common Mode Voltage In Lvds.
From www.reddit.com
What determines the limits of the Common Mode voltage in a MOS Common Mode Voltage In Lvds learn about the functional diagrams, pin configurations, and interface methods of low voltage differential. learn how to interface different logic levels used in modern telecom and datacom systems, such as lvpecl, vml, cml and lvds. Common Mode Voltage In Lvds.
From www.youtube.com
Differential and Common Mode Signals YouTube Common Mode Voltage In Lvds learn about the functional diagrams, pin configurations, and interface methods of low voltage differential. learn how to interface different logic levels used in modern telecom and datacom systems, such as lvpecl, vml, cml and lvds. Common Mode Voltage In Lvds.
From www.semanticscholar.org
Table III from Wide Common Mode LVDS Receiver Architecture Design and Common Mode Voltage In Lvds learn about the functional diagrams, pin configurations, and interface methods of low voltage differential. learn how to interface different logic levels used in modern telecom and datacom systems, such as lvpecl, vml, cml and lvds. Common Mode Voltage In Lvds.
From www.thine.co.jp
LVDS SerDesDeep dive about the Basic Principle and Features|THine Common Mode Voltage In Lvds learn how to interface different logic levels used in modern telecom and datacom systems, such as lvpecl, vml, cml and lvds. learn about the functional diagrams, pin configurations, and interface methods of low voltage differential. Common Mode Voltage In Lvds.
From present5.com
Telefunken LVDS MLVDS as an alternative to RS485 422 Common Mode Voltage In Lvds learn about the functional diagrams, pin configurations, and interface methods of low voltage differential. learn how to interface different logic levels used in modern telecom and datacom systems, such as lvpecl, vml, cml and lvds. Common Mode Voltage In Lvds.
From mavink.com
Lvds Voltage Levels Common Mode Voltage In Lvds learn about the functional diagrams, pin configurations, and interface methods of low voltage differential. learn how to interface different logic levels used in modern telecom and datacom systems, such as lvpecl, vml, cml and lvds. Common Mode Voltage In Lvds.