How To Change A Flush Valve On A Commercial Toilet . Drain the water from the tank. Derek in this video completes a step by step process on changing a duel flush vale on a close. Get flushometer troubleshooting tips that will help you properly diagnose your flushometer maintenance problem. How to change a flush valve. The type and size of your flush valve can. Unscrew the access cap located at the elbow where the. Understanding the role of the diaphragm in a commercial toilet flush valve is crucial for maintenance teams in order to recognize when. Before you can access the flush valve, you’ll need to drain the water from. Although plumbing work can seem like a job best left to the. Replacing a flush valve in your toilet is one of the hardest parts to replace. Flushing pressure can be altered by adjusting the control stop screw inside the valve body. If the flush valve on your toilet stops working properly or you have a leak, it can be time to replace the flush valve. Simply put, it’s the mechanism that releases water from the tank into the bowl when you flush.
from toilethaven.com
Drain the water from the tank. Flushing pressure can be altered by adjusting the control stop screw inside the valve body. Derek in this video completes a step by step process on changing a duel flush vale on a close. How to change a flush valve. Replacing a flush valve in your toilet is one of the hardest parts to replace. Simply put, it’s the mechanism that releases water from the tank into the bowl when you flush. Although plumbing work can seem like a job best left to the. If the flush valve on your toilet stops working properly or you have a leak, it can be time to replace the flush valve. Understanding the role of the diaphragm in a commercial toilet flush valve is crucial for maintenance teams in order to recognize when. Before you can access the flush valve, you’ll need to drain the water from.
3 Ways to Adjust a Dual Flush Toilet Water Level Toilet Haven
How To Change A Flush Valve On A Commercial Toilet The type and size of your flush valve can. Before you can access the flush valve, you’ll need to drain the water from. How to change a flush valve. Derek in this video completes a step by step process on changing a duel flush vale on a close. The type and size of your flush valve can. Understanding the role of the diaphragm in a commercial toilet flush valve is crucial for maintenance teams in order to recognize when. Get flushometer troubleshooting tips that will help you properly diagnose your flushometer maintenance problem. Although plumbing work can seem like a job best left to the. Replacing a flush valve in your toilet is one of the hardest parts to replace. If the flush valve on your toilet stops working properly or you have a leak, it can be time to replace the flush valve. Flushing pressure can be altered by adjusting the control stop screw inside the valve body. Unscrew the access cap located at the elbow where the. Simply put, it’s the mechanism that releases water from the tank into the bowl when you flush. Drain the water from the tank.
From www.lowes.com
Commercial Toilet Flush Valves & Repair Parts at How To Change A Flush Valve On A Commercial Toilet Drain the water from the tank. How to change a flush valve. Derek in this video completes a step by step process on changing a duel flush vale on a close. The type and size of your flush valve can. Although plumbing work can seem like a job best left to the. Replacing a flush valve in your toilet is. How To Change A Flush Valve On A Commercial Toilet.
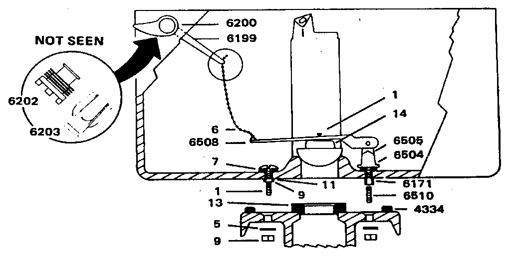
From manualwiringrevolute.z21.web.core.windows.net
Flush Valve Parts Diagram How To Change A Flush Valve On A Commercial Toilet How to change a flush valve. Simply put, it’s the mechanism that releases water from the tank into the bowl when you flush. Although plumbing work can seem like a job best left to the. Before you can access the flush valve, you’ll need to drain the water from. Drain the water from the tank. Replacing a flush valve in. How To Change A Flush Valve On A Commercial Toilet.
From www.youtube.com
How To Replace A Toilet Flush Valve DIY Plumbing YouTube How To Change A Flush Valve On A Commercial Toilet Simply put, it’s the mechanism that releases water from the tank into the bowl when you flush. Understanding the role of the diaphragm in a commercial toilet flush valve is crucial for maintenance teams in order to recognize when. If the flush valve on your toilet stops working properly or you have a leak, it can be time to replace. How To Change A Flush Valve On A Commercial Toilet.
From giofdhort.blob.core.windows.net
Urinal Flush Valve Diaphragm at Sofia Charles blog How To Change A Flush Valve On A Commercial Toilet Although plumbing work can seem like a job best left to the. Understanding the role of the diaphragm in a commercial toilet flush valve is crucial for maintenance teams in order to recognize when. Replacing a flush valve in your toilet is one of the hardest parts to replace. Before you can access the flush valve, you’ll need to drain. How To Change A Flush Valve On A Commercial Toilet.
From dengarden.com
How to Fix Your Toilet's Flush Valve Seal (With Photos) Dengarden How To Change A Flush Valve On A Commercial Toilet Unscrew the access cap located at the elbow where the. Simply put, it’s the mechanism that releases water from the tank into the bowl when you flush. How to change a flush valve. Before you can access the flush valve, you’ll need to drain the water from. If the flush valve on your toilet stops working properly or you have. How To Change A Flush Valve On A Commercial Toilet.
From www.youtube.com
Revive Your Toilet Easy Sloan Flush Valve Repair Tutorial! YouTube How To Change A Flush Valve On A Commercial Toilet Flushing pressure can be altered by adjusting the control stop screw inside the valve body. Before you can access the flush valve, you’ll need to drain the water from. How to change a flush valve. Understanding the role of the diaphragm in a commercial toilet flush valve is crucial for maintenance teams in order to recognize when. Replacing a flush. How To Change A Flush Valve On A Commercial Toilet.
From www.shutterstock.com
Flush Toilet Flushing Mechanism Diagram How Stockillustration How To Change A Flush Valve On A Commercial Toilet Flushing pressure can be altered by adjusting the control stop screw inside the valve body. Get flushometer troubleshooting tips that will help you properly diagnose your flushometer maintenance problem. The type and size of your flush valve can. If the flush valve on your toilet stops working properly or you have a leak, it can be time to replace the. How To Change A Flush Valve On A Commercial Toilet.
From hxepmmmze.blob.core.windows.net
How To Change Flush Valve In Toilet Tank at Teddy Fulcher blog How To Change A Flush Valve On A Commercial Toilet Flushing pressure can be altered by adjusting the control stop screw inside the valve body. How to change a flush valve. Simply put, it’s the mechanism that releases water from the tank into the bowl when you flush. If the flush valve on your toilet stops working properly or you have a leak, it can be time to replace the. How To Change A Flush Valve On A Commercial Toilet.
From giofdhort.blob.core.windows.net
Urinal Flush Valve Diaphragm at Sofia Charles blog How To Change A Flush Valve On A Commercial Toilet Before you can access the flush valve, you’ll need to drain the water from. How to change a flush valve. Drain the water from the tank. If the flush valve on your toilet stops working properly or you have a leak, it can be time to replace the flush valve. Simply put, it’s the mechanism that releases water from the. How To Change A Flush Valve On A Commercial Toilet.
From gioovabcg.blob.core.windows.net
Kohler Toilet Flush Valve Running at Viola Devers blog How To Change A Flush Valve On A Commercial Toilet Replacing a flush valve in your toilet is one of the hardest parts to replace. If the flush valve on your toilet stops working properly or you have a leak, it can be time to replace the flush valve. Unscrew the access cap located at the elbow where the. How to change a flush valve. Before you can access the. How To Change A Flush Valve On A Commercial Toilet.
From www.lowes.com
EZFLO Commercial Toilet Flush Valves & Repair Parts at How To Change A Flush Valve On A Commercial Toilet How to change a flush valve. Get flushometer troubleshooting tips that will help you properly diagnose your flushometer maintenance problem. Understanding the role of the diaphragm in a commercial toilet flush valve is crucial for maintenance teams in order to recognize when. Before you can access the flush valve, you’ll need to drain the water from. Unscrew the access cap. How To Change A Flush Valve On A Commercial Toilet.
From www.indiantelevision.com
Adjustable Toilet Inlet Valve Flush Valves Cistern Push Button For 品質のいい How To Change A Flush Valve On A Commercial Toilet Get flushometer troubleshooting tips that will help you properly diagnose your flushometer maintenance problem. If the flush valve on your toilet stops working properly or you have a leak, it can be time to replace the flush valve. Unscrew the access cap located at the elbow where the. Derek in this video completes a step by step process on changing. How To Change A Flush Valve On A Commercial Toilet.
From letstoiletrepair.blogspot.com
Toilet Repair Flush Valve toilet repair How To Change A Flush Valve On A Commercial Toilet The type and size of your flush valve can. Derek in this video completes a step by step process on changing a duel flush vale on a close. Understanding the role of the diaphragm in a commercial toilet flush valve is crucial for maintenance teams in order to recognize when. If the flush valve on your toilet stops working properly. How To Change A Flush Valve On A Commercial Toilet.
From www.ubuy.iq
Adjustable ThreeInch Flush Valve for OnePiece Toilet in Iraq at IQD How To Change A Flush Valve On A Commercial Toilet The type and size of your flush valve can. How to change a flush valve. If the flush valve on your toilet stops working properly or you have a leak, it can be time to replace the flush valve. Although plumbing work can seem like a job best left to the. Unscrew the access cap located at the elbow where. How To Change A Flush Valve On A Commercial Toilet.
From www.homedepot.com
American Standard 0471070070A Toilet Flush Valve131082 The Home Depot How To Change A Flush Valve On A Commercial Toilet Unscrew the access cap located at the elbow where the. Drain the water from the tank. Before you can access the flush valve, you’ll need to drain the water from. Replacing a flush valve in your toilet is one of the hardest parts to replace. Although plumbing work can seem like a job best left to the. Simply put, it’s. How To Change A Flush Valve On A Commercial Toilet.
From fyoayxvrc.blob.core.windows.net
How To Repair Toilet Parts at Ralph Cooper blog How To Change A Flush Valve On A Commercial Toilet If the flush valve on your toilet stops working properly or you have a leak, it can be time to replace the flush valve. Although plumbing work can seem like a job best left to the. Unscrew the access cap located at the elbow where the. Simply put, it’s the mechanism that releases water from the tank into the bowl. How To Change A Flush Valve On A Commercial Toilet.
From www.amazon.ca
Kohler K19540 Touchless Toilet Flush Kit, Toilet Flush Valves How To Change A Flush Valve On A Commercial Toilet Understanding the role of the diaphragm in a commercial toilet flush valve is crucial for maintenance teams in order to recognize when. The type and size of your flush valve can. Although plumbing work can seem like a job best left to the. Before you can access the flush valve, you’ll need to drain the water from. Derek in this. How To Change A Flush Valve On A Commercial Toilet.
From www.walmart.com
SLOAN WETS2050.1041 1.28 gpf, Flush Valve, Wall Mount, Elongated, Flush How To Change A Flush Valve On A Commercial Toilet Although plumbing work can seem like a job best left to the. Simply put, it’s the mechanism that releases water from the tank into the bowl when you flush. How to change a flush valve. If the flush valve on your toilet stops working properly or you have a leak, it can be time to replace the flush valve. Unscrew. How To Change A Flush Valve On A Commercial Toilet.
From toilethaven.com
3 Ways to Adjust a Dual Flush Toilet Water Level Toilet Haven How To Change A Flush Valve On A Commercial Toilet Flushing pressure can be altered by adjusting the control stop screw inside the valve body. If the flush valve on your toilet stops working properly or you have a leak, it can be time to replace the flush valve. Replacing a flush valve in your toilet is one of the hardest parts to replace. Although plumbing work can seem like. How To Change A Flush Valve On A Commercial Toilet.
From westernrooter.com
Steps To Replace A Toilet Flush Valve DIY Guide Western Rooter How To Change A Flush Valve On A Commercial Toilet Unscrew the access cap located at the elbow where the. Although plumbing work can seem like a job best left to the. Replacing a flush valve in your toilet is one of the hardest parts to replace. Flushing pressure can be altered by adjusting the control stop screw inside the valve body. Derek in this video completes a step by. How To Change A Flush Valve On A Commercial Toilet.
From www.homedepot.com
American Standard Manual 1.28 GPF 11.5 in. RoughIn Toilet Flush Valve How To Change A Flush Valve On A Commercial Toilet Understanding the role of the diaphragm in a commercial toilet flush valve is crucial for maintenance teams in order to recognize when. Before you can access the flush valve, you’ll need to drain the water from. If the flush valve on your toilet stops working properly or you have a leak, it can be time to replace the flush valve.. How To Change A Flush Valve On A Commercial Toilet.
From giofdhort.blob.core.windows.net
Urinal Flush Valve Diaphragm at Sofia Charles blog How To Change A Flush Valve On A Commercial Toilet The type and size of your flush valve can. Understanding the role of the diaphragm in a commercial toilet flush valve is crucial for maintenance teams in order to recognize when. Flushing pressure can be altered by adjusting the control stop screw inside the valve body. How to change a flush valve. If the flush valve on your toilet stops. How To Change A Flush Valve On A Commercial Toilet.
From www.stevensonplumbing.co.uk
Siamp Optima 49 Toilet Flush Valve Stevenson Plumbing & Electrical How To Change A Flush Valve On A Commercial Toilet Simply put, it’s the mechanism that releases water from the tank into the bowl when you flush. Drain the water from the tank. Derek in this video completes a step by step process on changing a duel flush vale on a close. The type and size of your flush valve can. How to change a flush valve. Although plumbing work. How To Change A Flush Valve On A Commercial Toilet.
From asia.toto.com
Toilet Flush Systems Importance of a Toilet Flush Valve How To Change A Flush Valve On A Commercial Toilet Derek in this video completes a step by step process on changing a duel flush vale on a close. Replacing a flush valve in your toilet is one of the hardest parts to replace. Get flushometer troubleshooting tips that will help you properly diagnose your flushometer maintenance problem. Drain the water from the tank. Unscrew the access cap located at. How To Change A Flush Valve On A Commercial Toilet.
From www.youtube.com
How to Replace a Toilet Flush Valve Tank to Bowl Leak YouTube How To Change A Flush Valve On A Commercial Toilet Although plumbing work can seem like a job best left to the. Unscrew the access cap located at the elbow where the. Get flushometer troubleshooting tips that will help you properly diagnose your flushometer maintenance problem. Before you can access the flush valve, you’ll need to drain the water from. Flushing pressure can be altered by adjusting the control stop. How To Change A Flush Valve On A Commercial Toilet.
From giofaoevp.blob.core.windows.net
Commercial Toilet Flush Repair at Anita Kula blog How To Change A Flush Valve On A Commercial Toilet How to change a flush valve. Before you can access the flush valve, you’ll need to drain the water from. The type and size of your flush valve can. Although plumbing work can seem like a job best left to the. Unscrew the access cap located at the elbow where the. Get flushometer troubleshooting tips that will help you properly. How To Change A Flush Valve On A Commercial Toilet.
From www.totalrestroom.com
Sloan 0.25 gpm Urinal Manual Flush Valve, 111/2" RoughIn Royal 186 How To Change A Flush Valve On A Commercial Toilet Although plumbing work can seem like a job best left to the. Flushing pressure can be altered by adjusting the control stop screw inside the valve body. Derek in this video completes a step by step process on changing a duel flush vale on a close. Drain the water from the tank. Replacing a flush valve in your toilet is. How To Change A Flush Valve On A Commercial Toilet.
From www.youtube.com
How to Adjust the Flush Water Level on a dual flush Toilet YouTube How To Change A Flush Valve On A Commercial Toilet Although plumbing work can seem like a job best left to the. Unscrew the access cap located at the elbow where the. Understanding the role of the diaphragm in a commercial toilet flush valve is crucial for maintenance teams in order to recognize when. Simply put, it’s the mechanism that releases water from the tank into the bowl when you. How To Change A Flush Valve On A Commercial Toilet.
From giofaoevp.blob.core.windows.net
Commercial Toilet Flush Repair at Anita Kula blog How To Change A Flush Valve On A Commercial Toilet The type and size of your flush valve can. Although plumbing work can seem like a job best left to the. Unscrew the access cap located at the elbow where the. Drain the water from the tank. Before you can access the flush valve, you’ll need to drain the water from. Replacing a flush valve in your toilet is one. How To Change A Flush Valve On A Commercial Toilet.
From hxepmmmze.blob.core.windows.net
How To Change Flush Valve In Toilet Tank at Teddy Fulcher blog How To Change A Flush Valve On A Commercial Toilet Before you can access the flush valve, you’ll need to drain the water from. Although plumbing work can seem like a job best left to the. If the flush valve on your toilet stops working properly or you have a leak, it can be time to replace the flush valve. The type and size of your flush valve can. Derek. How To Change A Flush Valve On A Commercial Toilet.
From www.youtube.com
Toilet Flush Valve Replacement YouTube How To Change A Flush Valve On A Commercial Toilet Get flushometer troubleshooting tips that will help you properly diagnose your flushometer maintenance problem. Simply put, it’s the mechanism that releases water from the tank into the bowl when you flush. The type and size of your flush valve can. How to change a flush valve. Before you can access the flush valve, you’ll need to drain the water from.. How To Change A Flush Valve On A Commercial Toilet.
From dengarden.com
How to Fix a Toilet Flush Valve An Easy StepbyStep Guide Dengarden How To Change A Flush Valve On A Commercial Toilet Flushing pressure can be altered by adjusting the control stop screw inside the valve body. The type and size of your flush valve can. Replacing a flush valve in your toilet is one of the hardest parts to replace. Before you can access the flush valve, you’ll need to drain the water from. Understanding the role of the diaphragm in. How To Change A Flush Valve On A Commercial Toilet.
From www.youtube.com
How to Fix a Toilet Flush Valve Replacement Part 1 of 2 YouTube How To Change A Flush Valve On A Commercial Toilet Before you can access the flush valve, you’ll need to drain the water from. The type and size of your flush valve can. Drain the water from the tank. Simply put, it’s the mechanism that releases water from the tank into the bowl when you flush. Derek in this video completes a step by step process on changing a duel. How To Change A Flush Valve On A Commercial Toilet.
From www.walmart.com
Delta RP70878 Flush Valve, 2 inch for Two Piece Toilets with buoy How To Change A Flush Valve On A Commercial Toilet Drain the water from the tank. Before you can access the flush valve, you’ll need to drain the water from. Replacing a flush valve in your toilet is one of the hardest parts to replace. How to change a flush valve. Flushing pressure can be altered by adjusting the control stop screw inside the valve body. Derek in this video. How To Change A Flush Valve On A Commercial Toilet.
From bathroomnerd.com
How To Replace Toilet Flush Valve Seal (2024) How To Change A Flush Valve On A Commercial Toilet If the flush valve on your toilet stops working properly or you have a leak, it can be time to replace the flush valve. The type and size of your flush valve can. Unscrew the access cap located at the elbow where the. Replacing a flush valve in your toilet is one of the hardest parts to replace. Although plumbing. How To Change A Flush Valve On A Commercial Toilet.