Hdmi Esd Protection . The esd224 is capable of providing the necessary esd clamping protection for sensitive hdmi 2.0 redrivers, retimers, and chipsets. The hdmi plug is frequently exposed to electrostatic discharge (esd) directly from the user or cable discharge (cde) from hot plug. Many common misunderstandings about esd (electrostatic discharge) protection components can be easily avoided in your next. The tpdxe05u06 is a family of unidirectional transient voltage suppressor (tvs) based electrostatic discharge (esd) protection diodes.
from www.youtube.com
The esd224 is capable of providing the necessary esd clamping protection for sensitive hdmi 2.0 redrivers, retimers, and chipsets. Many common misunderstandings about esd (electrostatic discharge) protection components can be easily avoided in your next. The hdmi plug is frequently exposed to electrostatic discharge (esd) directly from the user or cable discharge (cde) from hot plug. The tpdxe05u06 is a family of unidirectional transient voltage suppressor (tvs) based electrostatic discharge (esd) protection diodes.
ESD Protection of HDMI 2.0 YouTube
Hdmi Esd Protection The hdmi plug is frequently exposed to electrostatic discharge (esd) directly from the user or cable discharge (cde) from hot plug. The tpdxe05u06 is a family of unidirectional transient voltage suppressor (tvs) based electrostatic discharge (esd) protection diodes. The hdmi plug is frequently exposed to electrostatic discharge (esd) directly from the user or cable discharge (cde) from hot plug. The esd224 is capable of providing the necessary esd clamping protection for sensitive hdmi 2.0 redrivers, retimers, and chipsets. Many common misunderstandings about esd (electrostatic discharge) protection components can be easily avoided in your next.
From kasynparts.com
Xbox One S HDMI ESD Protection signal booster U8B1 HDMI2C45F2 kasynparts Hdmi Esd Protection Many common misunderstandings about esd (electrostatic discharge) protection components can be easily avoided in your next. The esd224 is capable of providing the necessary esd clamping protection for sensitive hdmi 2.0 redrivers, retimers, and chipsets. The hdmi plug is frequently exposed to electrostatic discharge (esd) directly from the user or cable discharge (cde) from hot plug. The tpdxe05u06 is a. Hdmi Esd Protection.
From www.aliexpress.com
Mini Portable HDMI HDMI Male Female Surge Protector ESD Protection For Lightning Surge LD456in Hdmi Esd Protection Many common misunderstandings about esd (electrostatic discharge) protection components can be easily avoided in your next. The tpdxe05u06 is a family of unidirectional transient voltage suppressor (tvs) based electrostatic discharge (esd) protection diodes. The esd224 is capable of providing the necessary esd clamping protection for sensitive hdmi 2.0 redrivers, retimers, and chipsets. The hdmi plug is frequently exposed to electrostatic. Hdmi Esd Protection.
From www.aliexpress.com
HDMI 2060p ESD Protector 4K60Hz HDMI ESD Surge EFT Lighting Protector Support 4K 3D Full HD Hdmi Esd Protection The hdmi plug is frequently exposed to electrostatic discharge (esd) directly from the user or cable discharge (cde) from hot plug. The tpdxe05u06 is a family of unidirectional transient voltage suppressor (tvs) based electrostatic discharge (esd) protection diodes. Many common misunderstandings about esd (electrostatic discharge) protection components can be easily avoided in your next. The esd224 is capable of providing. Hdmi Esd Protection.
From pixy.org
Andoer Mini Portable HDMI Surge Protector ESD Protection Surge Protection N6 free image download Hdmi Esd Protection The esd224 is capable of providing the necessary esd clamping protection for sensitive hdmi 2.0 redrivers, retimers, and chipsets. The tpdxe05u06 is a family of unidirectional transient voltage suppressor (tvs) based electrostatic discharge (esd) protection diodes. Many common misunderstandings about esd (electrostatic discharge) protection components can be easily avoided in your next. The hdmi plug is frequently exposed to electrostatic. Hdmi Esd Protection.
From www.aliexpress.com
HDmatters HDMI Surge Protector Protection HDMI protector Against ESD Power Surge Lightning EFT Hdmi Esd Protection The hdmi plug is frequently exposed to electrostatic discharge (esd) directly from the user or cable discharge (cde) from hot plug. The esd224 is capable of providing the necessary esd clamping protection for sensitive hdmi 2.0 redrivers, retimers, and chipsets. Many common misunderstandings about esd (electrostatic discharge) protection components can be easily avoided in your next. The tpdxe05u06 is a. Hdmi Esd Protection.
From www.alibaba.com
Hdmi Surge Protector 4k Esd Lightning Surge Eft Protection Buy Hdmi Protector,Hdmi Surge Hdmi Esd Protection The hdmi plug is frequently exposed to electrostatic discharge (esd) directly from the user or cable discharge (cde) from hot plug. The esd224 is capable of providing the necessary esd clamping protection for sensitive hdmi 2.0 redrivers, retimers, and chipsets. Many common misunderstandings about esd (electrostatic discharge) protection components can be easily avoided in your next. The tpdxe05u06 is a. Hdmi Esd Protection.
From www.snapdeal.com
Mini Portable HDMI Surge Protector ESD Protection Lightning Surge Buy Mini Portable HDMI Surge Hdmi Esd Protection The tpdxe05u06 is a family of unidirectional transient voltage suppressor (tvs) based electrostatic discharge (esd) protection diodes. Many common misunderstandings about esd (electrostatic discharge) protection components can be easily avoided in your next. The esd224 is capable of providing the necessary esd clamping protection for sensitive hdmi 2.0 redrivers, retimers, and chipsets. The hdmi plug is frequently exposed to electrostatic. Hdmi Esd Protection.
From www.danbit.dk
Transient HDMI, ESD protection. With DC input to 5VDC for improved pin18 supply Hdmi Esd Protection The hdmi plug is frequently exposed to electrostatic discharge (esd) directly from the user or cable discharge (cde) from hot plug. Many common misunderstandings about esd (electrostatic discharge) protection components can be easily avoided in your next. The esd224 is capable of providing the necessary esd clamping protection for sensitive hdmi 2.0 redrivers, retimers, and chipsets. The tpdxe05u06 is a. Hdmi Esd Protection.
From cellavgf.blob.core.windows.net
Hdmi Esd Protection Diode at Linda Haas blog Hdmi Esd Protection Many common misunderstandings about esd (electrostatic discharge) protection components can be easily avoided in your next. The hdmi plug is frequently exposed to electrostatic discharge (esd) directly from the user or cable discharge (cde) from hot plug. The esd224 is capable of providing the necessary esd clamping protection for sensitive hdmi 2.0 redrivers, retimers, and chipsets. The tpdxe05u06 is a. Hdmi Esd Protection.
From www.eenewseurope.com
HDMI signalconditioning IC offers transmission line ESD protection for HDMI transmitters Hdmi Esd Protection The tpdxe05u06 is a family of unidirectional transient voltage suppressor (tvs) based electrostatic discharge (esd) protection diodes. The hdmi plug is frequently exposed to electrostatic discharge (esd) directly from the user or cable discharge (cde) from hot plug. Many common misunderstandings about esd (electrostatic discharge) protection components can be easily avoided in your next. The esd224 is capable of providing. Hdmi Esd Protection.
From www.aliexpress.com
Original 20PCS TPD12S016PWR pn016 IC HDMI ESD PROT 24TSSOP HDMI, I squared C buffer, ESD Hdmi Esd Protection The hdmi plug is frequently exposed to electrostatic discharge (esd) directly from the user or cable discharge (cde) from hot plug. The tpdxe05u06 is a family of unidirectional transient voltage suppressor (tvs) based electrostatic discharge (esd) protection diodes. Many common misunderstandings about esd (electrostatic discharge) protection components can be easily avoided in your next. The esd224 is capable of providing. Hdmi Esd Protection.
From www.aliexpress.com
HDMISurgeProtectorHDMIESDprotectorProtectionAgainstESDPowerSurgeLightningfull Hdmi Esd Protection The tpdxe05u06 is a family of unidirectional transient voltage suppressor (tvs) based electrostatic discharge (esd) protection diodes. The esd224 is capable of providing the necessary esd clamping protection for sensitive hdmi 2.0 redrivers, retimers, and chipsets. The hdmi plug is frequently exposed to electrostatic discharge (esd) directly from the user or cable discharge (cde) from hot plug. Many common misunderstandings. Hdmi Esd Protection.
From www.eeweb.com
HDMI Interface with ESD Protection EE Hdmi Esd Protection The tpdxe05u06 is a family of unidirectional transient voltage suppressor (tvs) based electrostatic discharge (esd) protection diodes. The hdmi plug is frequently exposed to electrostatic discharge (esd) directly from the user or cable discharge (cde) from hot plug. The esd224 is capable of providing the necessary esd clamping protection for sensitive hdmi 2.0 redrivers, retimers, and chipsets. Many common misunderstandings. Hdmi Esd Protection.
From pixy.org
Andoer Mini Portable HDMI Surge Protector ESD Protection Surge Protection free image download Hdmi Esd Protection Many common misunderstandings about esd (electrostatic discharge) protection components can be easily avoided in your next. The tpdxe05u06 is a family of unidirectional transient voltage suppressor (tvs) based electrostatic discharge (esd) protection diodes. The esd224 is capable of providing the necessary esd clamping protection for sensitive hdmi 2.0 redrivers, retimers, and chipsets. The hdmi plug is frequently exposed to electrostatic. Hdmi Esd Protection.
From www.youtube.com
ESD Protection of HDMI 2.0 YouTube Hdmi Esd Protection The tpdxe05u06 is a family of unidirectional transient voltage suppressor (tvs) based electrostatic discharge (esd) protection diodes. The hdmi plug is frequently exposed to electrostatic discharge (esd) directly from the user or cable discharge (cde) from hot plug. Many common misunderstandings about esd (electrostatic discharge) protection components can be easily avoided in your next. The esd224 is capable of providing. Hdmi Esd Protection.
From cablematic.com
Protector descargas eléctricas HDMI ESD EFT SP008 Cablematic Hdmi Esd Protection The hdmi plug is frequently exposed to electrostatic discharge (esd) directly from the user or cable discharge (cde) from hot plug. Many common misunderstandings about esd (electrostatic discharge) protection components can be easily avoided in your next. The esd224 is capable of providing the necessary esd clamping protection for sensitive hdmi 2.0 redrivers, retimers, and chipsets. The tpdxe05u06 is a. Hdmi Esd Protection.
From cablematic.com
HDMI ESD protective shock EFT SP008 Cablematic Hdmi Esd Protection The tpdxe05u06 is a family of unidirectional transient voltage suppressor (tvs) based electrostatic discharge (esd) protection diodes. The hdmi plug is frequently exposed to electrostatic discharge (esd) directly from the user or cable discharge (cde) from hot plug. Many common misunderstandings about esd (electrostatic discharge) protection components can be easily avoided in your next. The esd224 is capable of providing. Hdmi Esd Protection.
From www.aliexpress.com
HDMI Surge Protector ESD Protection Against Electrostatic /Cable Discharge Multifunctional Hdmi Esd Protection Many common misunderstandings about esd (electrostatic discharge) protection components can be easily avoided in your next. The hdmi plug is frequently exposed to electrostatic discharge (esd) directly from the user or cable discharge (cde) from hot plug. The esd224 is capable of providing the necessary esd clamping protection for sensitive hdmi 2.0 redrivers, retimers, and chipsets. The tpdxe05u06 is a. Hdmi Esd Protection.
From pixy.org
Andoer Mini Portable HDMI Surge Protector ESD Protection Surge Protection N5 free image download Hdmi Esd Protection The hdmi plug is frequently exposed to electrostatic discharge (esd) directly from the user or cable discharge (cde) from hot plug. The tpdxe05u06 is a family of unidirectional transient voltage suppressor (tvs) based electrostatic discharge (esd) protection diodes. Many common misunderstandings about esd (electrostatic discharge) protection components can be easily avoided in your next. The esd224 is capable of providing. Hdmi Esd Protection.
From components101.com
Low Clamping Bidirectional ESD Protection Diode with TrEOS technology Intended for Use with Both Hdmi Esd Protection Many common misunderstandings about esd (electrostatic discharge) protection components can be easily avoided in your next. The tpdxe05u06 is a family of unidirectional transient voltage suppressor (tvs) based electrostatic discharge (esd) protection diodes. The esd224 is capable of providing the necessary esd clamping protection for sensitive hdmi 2.0 redrivers, retimers, and chipsets. The hdmi plug is frequently exposed to electrostatic. Hdmi Esd Protection.
From pixy.org
Andoer Mini Portable HDMI Surge Protector ESD Protection Surge Protection N7 free image download Hdmi Esd Protection The hdmi plug is frequently exposed to electrostatic discharge (esd) directly from the user or cable discharge (cde) from hot plug. The tpdxe05u06 is a family of unidirectional transient voltage suppressor (tvs) based electrostatic discharge (esd) protection diodes. Many common misunderstandings about esd (electrostatic discharge) protection components can be easily avoided in your next. The esd224 is capable of providing. Hdmi Esd Protection.
From cablematic.com
Protector descargas eléctricas HDMI ESD EFT SP008 Cablematic Hdmi Esd Protection The tpdxe05u06 is a family of unidirectional transient voltage suppressor (tvs) based electrostatic discharge (esd) protection diodes. The hdmi plug is frequently exposed to electrostatic discharge (esd) directly from the user or cable discharge (cde) from hot plug. Many common misunderstandings about esd (electrostatic discharge) protection components can be easily avoided in your next. The esd224 is capable of providing. Hdmi Esd Protection.
From blog.semtech.com
Circuit Protection for HDMISDI/SDIHDMI Converters Hdmi Esd Protection The hdmi plug is frequently exposed to electrostatic discharge (esd) directly from the user or cable discharge (cde) from hot plug. The esd224 is capable of providing the necessary esd clamping protection for sensitive hdmi 2.0 redrivers, retimers, and chipsets. Many common misunderstandings about esd (electrostatic discharge) protection components can be easily avoided in your next. The tpdxe05u06 is a. Hdmi Esd Protection.
From pixy.org
Andoer Mini Portable HDMI Surge Protector ESD Protection Surge Protection N8 free image download Hdmi Esd Protection The tpdxe05u06 is a family of unidirectional transient voltage suppressor (tvs) based electrostatic discharge (esd) protection diodes. Many common misunderstandings about esd (electrostatic discharge) protection components can be easily avoided in your next. The esd224 is capable of providing the necessary esd clamping protection for sensitive hdmi 2.0 redrivers, retimers, and chipsets. The hdmi plug is frequently exposed to electrostatic. Hdmi Esd Protection.
From pixy.org
Andoer Mini Portable HDMI Surge Protector ESD Protection Surge Protection N4 free image download Hdmi Esd Protection Many common misunderstandings about esd (electrostatic discharge) protection components can be easily avoided in your next. The esd224 is capable of providing the necessary esd clamping protection for sensitive hdmi 2.0 redrivers, retimers, and chipsets. The tpdxe05u06 is a family of unidirectional transient voltage suppressor (tvs) based electrostatic discharge (esd) protection diodes. The hdmi plug is frequently exposed to electrostatic. Hdmi Esd Protection.
From www.10kya.com
Advanced HDMI Surge Protector Against ESD Power Surge/Lightning EFT with Earthing Wire HDMI 1 Hdmi Esd Protection The hdmi plug is frequently exposed to electrostatic discharge (esd) directly from the user or cable discharge (cde) from hot plug. Many common misunderstandings about esd (electrostatic discharge) protection components can be easily avoided in your next. The tpdxe05u06 is a family of unidirectional transient voltage suppressor (tvs) based electrostatic discharge (esd) protection diodes. The esd224 is capable of providing. Hdmi Esd Protection.
From www.walmart.com.mx
Entrada Y Salida HDMI Protección Contra Sobretensiones HDMI, Protector Contra Sobretensiones Hdmi Esd Protection The hdmi plug is frequently exposed to electrostatic discharge (esd) directly from the user or cable discharge (cde) from hot plug. The esd224 is capable of providing the necessary esd clamping protection for sensitive hdmi 2.0 redrivers, retimers, and chipsets. The tpdxe05u06 is a family of unidirectional transient voltage suppressor (tvs) based electrostatic discharge (esd) protection diodes. Many common misunderstandings. Hdmi Esd Protection.
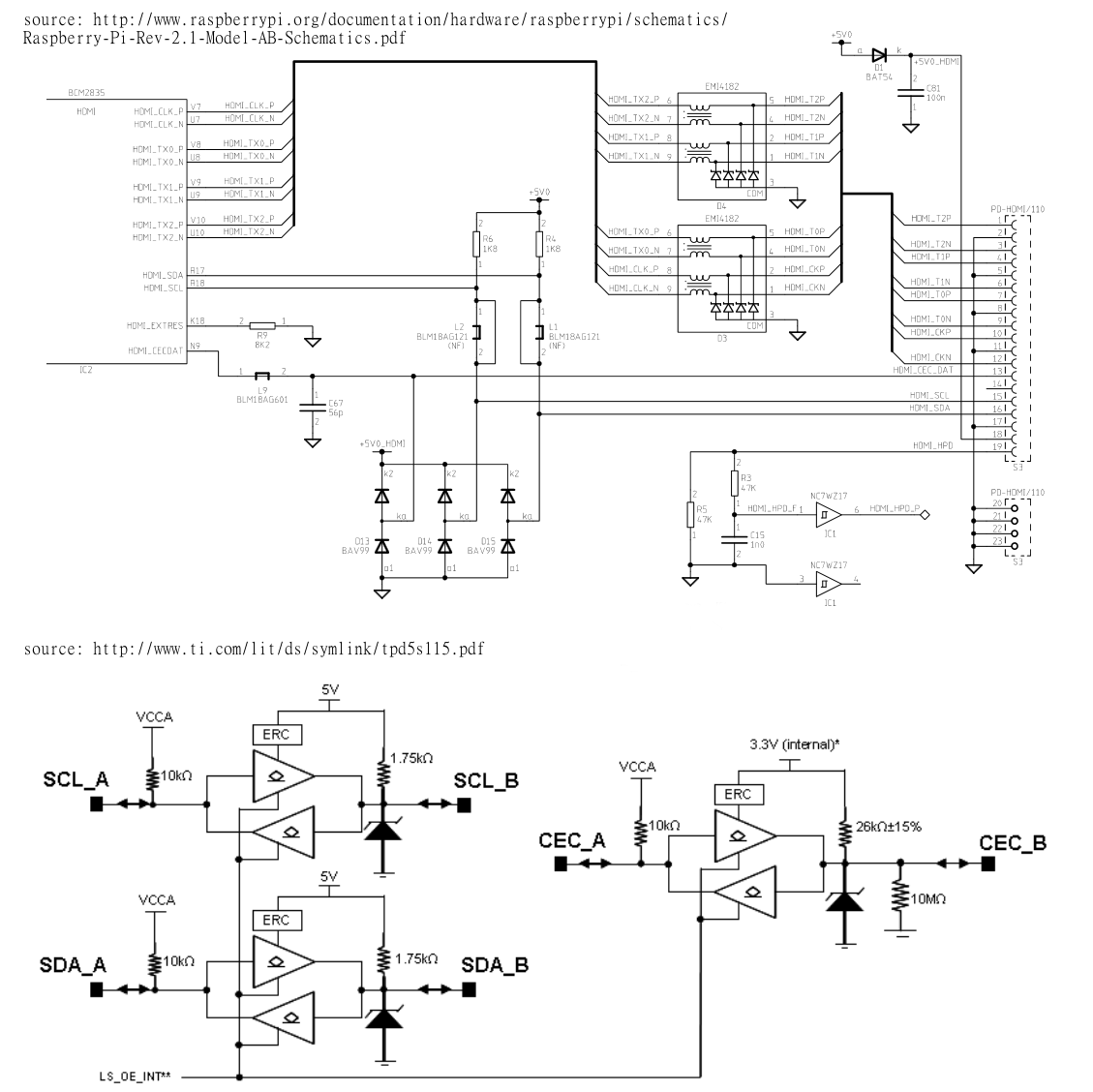
From itecnotes.com
Electronic How to fix RaspberryPi HDMIDDC/CEC issue while keeping ESD protection Valuable Hdmi Esd Protection Many common misunderstandings about esd (electrostatic discharge) protection components can be easily avoided in your next. The tpdxe05u06 is a family of unidirectional transient voltage suppressor (tvs) based electrostatic discharge (esd) protection diodes. The esd224 is capable of providing the necessary esd clamping protection for sensitive hdmi 2.0 redrivers, retimers, and chipsets. The hdmi plug is frequently exposed to electrostatic. Hdmi Esd Protection.
From pixy.org
Andoer Mini Portable HDMI Surge Protector ESD Protection Surge Protection N2 free image download Hdmi Esd Protection The tpdxe05u06 is a family of unidirectional transient voltage suppressor (tvs) based electrostatic discharge (esd) protection diodes. The hdmi plug is frequently exposed to electrostatic discharge (esd) directly from the user or cable discharge (cde) from hot plug. The esd224 is capable of providing the necessary esd clamping protection for sensitive hdmi 2.0 redrivers, retimers, and chipsets. Many common misunderstandings. Hdmi Esd Protection.
From www.aliexpress.com
Buy HDV HP01 Mini Portable HDMI Surge Protector ESD Surge Protection support Hdmi Esd Protection The hdmi plug is frequently exposed to electrostatic discharge (esd) directly from the user or cable discharge (cde) from hot plug. The tpdxe05u06 is a family of unidirectional transient voltage suppressor (tvs) based electrostatic discharge (esd) protection diodes. Many common misunderstandings about esd (electrostatic discharge) protection components can be easily avoided in your next. The esd224 is capable of providing. Hdmi Esd Protection.
From www.autoware-group.com
0524p ESD0524p ESD 5V 0.35PF Dfn Tvs Array 4Lines Protection Electrostatic Discharge Devices Hdmi Esd Protection The esd224 is capable of providing the necessary esd clamping protection for sensitive hdmi 2.0 redrivers, retimers, and chipsets. The hdmi plug is frequently exposed to electrostatic discharge (esd) directly from the user or cable discharge (cde) from hot plug. Many common misunderstandings about esd (electrostatic discharge) protection components can be easily avoided in your next. The tpdxe05u06 is a. Hdmi Esd Protection.
From www.lazada.com.ph
HDMI ESD Protector Devices Black HDMI Surge Protector for Electrostatic Discharge Lazada PH Hdmi Esd Protection Many common misunderstandings about esd (electrostatic discharge) protection components can be easily avoided in your next. The esd224 is capable of providing the necessary esd clamping protection for sensitive hdmi 2.0 redrivers, retimers, and chipsets. The hdmi plug is frequently exposed to electrostatic discharge (esd) directly from the user or cable discharge (cde) from hot plug. The tpdxe05u06 is a. Hdmi Esd Protection.
From www.youtube.com
Protector descargas eléctricas HDMI ESD EFT SP008 distribuido por CABLEMATIC ® YouTube Hdmi Esd Protection The esd224 is capable of providing the necessary esd clamping protection for sensitive hdmi 2.0 redrivers, retimers, and chipsets. Many common misunderstandings about esd (electrostatic discharge) protection components can be easily avoided in your next. The tpdxe05u06 is a family of unidirectional transient voltage suppressor (tvs) based electrostatic discharge (esd) protection diodes. The hdmi plug is frequently exposed to electrostatic. Hdmi Esd Protection.
From pixy.org
Andoer Mini Portable HDMI Surge Protector ESD Protection Surge Protection N3 free image download Hdmi Esd Protection Many common misunderstandings about esd (electrostatic discharge) protection components can be easily avoided in your next. The esd224 is capable of providing the necessary esd clamping protection for sensitive hdmi 2.0 redrivers, retimers, and chipsets. The hdmi plug is frequently exposed to electrostatic discharge (esd) directly from the user or cable discharge (cde) from hot plug. The tpdxe05u06 is a. Hdmi Esd Protection.
From blog.semtech.com
ESD Protection for HDMI 2.0 Hdmi Esd Protection The esd224 is capable of providing the necessary esd clamping protection for sensitive hdmi 2.0 redrivers, retimers, and chipsets. Many common misunderstandings about esd (electrostatic discharge) protection components can be easily avoided in your next. The tpdxe05u06 is a family of unidirectional transient voltage suppressor (tvs) based electrostatic discharge (esd) protection diodes. The hdmi plug is frequently exposed to electrostatic. Hdmi Esd Protection.