Audi A3 Cooling Fan Relay Location . Ok, i found the engine compartment fuse/relay box; Video example about the locations. For audi a3 2003, 2004, 2005, 2006, 2007, 2008, 2009, 2010, 2011, 2012, 2013 model year. 2002, 2003, 2004, 2005, 2006,. Here you will find fuse box diagrams of audi a3 and s3 1997, 1998, 1999, 2000, 2001, and 2002, get information about the location of the fuse. Locations of boxes of elements. Its under the ecm, which is under the washer fluid reservoir, which is under the plenum chamber cover. Fuse box in engine compartment. Here you will find fuse box diagrams of audi a3 and s3 2004, 2005, 2006, and 2007, get information about the location of the fuse panels inside the car, and learn about the. Detailed description of fuse and relay for audi a3 8p with designation of diagrams and boxes. Description of fuse and relay diagram for audi a3 8v / (s3) sportback. Here you will find fuse box diagrams of audi a3 and s3 2013, 2015, 2016, 2017, 2018, 2019, and 2020 get information about the location of the fuse panels inside the car, and learn about the. Our article provides information on the locations of the audi a3 8v fuse boxes with. In this material, we will analyze in detail the fuse diagrams of the audi a3 2nd generation (8p): Fuses and relay audi a3 8p.
from www.qualitycarparts.com.au
For audi a3 2003, 2004, 2005, 2006, 2007, 2008, 2009, 2010, 2011, 2012, 2013 model year. In this material, we will analyze in detail the fuse diagrams of the audi a3 2nd generation (8p): Fuses and relay audi a3 8p. Our article provides information on the locations of the audi a3 8v fuse boxes with. Detailed description of fuse and relay for audi a3 8p with designation of diagrams and boxes. Here you will find fuse box diagrams of audi a3 and s3 2004, 2005, 2006, and 2007, get information about the location of the fuse panels inside the car, and learn about the. Ok, i found the engine compartment fuse/relay box; Fuse box in engine compartment. Its under the ecm, which is under the washer fluid reservoir, which is under the plenum chamber cover. Here you will find fuse box diagrams of audi a3 and s3 2013, 2015, 2016, 2017, 2018, 2019, and 2020 get information about the location of the fuse panels inside the car, and learn about the.
Radiator Cooling Fan Control Relay Module for AUDI A3 TT SEAT VW Polo Golf German Made
Audi A3 Cooling Fan Relay Location Video example about the locations. Fuse box in engine compartment. Ok, i found the engine compartment fuse/relay box; Video example about the locations. Here you will find fuse box diagrams of audi a3 and s3 2004, 2005, 2006, and 2007, get information about the location of the fuse panels inside the car, and learn about the. For audi a3 2003, 2004, 2005, 2006, 2007, 2008, 2009, 2010, 2011, 2012, 2013 model year. Our article provides information on the locations of the audi a3 8v fuse boxes with. Locations of boxes of elements. Fuses and relay audi a3 8p. Detailed description of fuse and relay for audi a3 8p with designation of diagrams and boxes. Its under the ecm, which is under the washer fluid reservoir, which is under the plenum chamber cover. In this material, we will analyze in detail the fuse diagrams of the audi a3 2nd generation (8p): Here you will find fuse box diagrams of audi a3 and s3 2013, 2015, 2016, 2017, 2018, 2019, and 2020 get information about the location of the fuse panels inside the car, and learn about the. 2002, 2003, 2004, 2005, 2006,. Description of fuse and relay diagram for audi a3 8v / (s3) sportback. Here you will find fuse box diagrams of audi a3 and s3 1997, 1998, 1999, 2000, 2001, and 2002, get information about the location of the fuse.
From www.audi-sport.net
audi a3 8l air con relay? Audi A3 Cooling Fan Relay Location Fuse box in engine compartment. Video example about the locations. Ok, i found the engine compartment fuse/relay box; Fuses and relay audi a3 8p. Its under the ecm, which is under the washer fluid reservoir, which is under the plenum chamber cover. For audi a3 2003, 2004, 2005, 2006, 2007, 2008, 2009, 2010, 2011, 2012, 2013 model year. Locations of. Audi A3 Cooling Fan Relay Location.
From www.aliexpress.com
Radiator Cooling Fan Control Switch Relay For Audi A3 TT Seat Toledo Inca Cordoba Leon Audi A3 Cooling Fan Relay Location Fuse box in engine compartment. Here you will find fuse box diagrams of audi a3 and s3 2013, 2015, 2016, 2017, 2018, 2019, and 2020 get information about the location of the fuse panels inside the car, and learn about the. Fuses and relay audi a3 8p. Video example about the locations. In this material, we will analyze in detail. Audi A3 Cooling Fan Relay Location.
From www.audiworld.com
Radiator Fan Relay location AudiWorld Forums Audi A3 Cooling Fan Relay Location Ok, i found the engine compartment fuse/relay box; For audi a3 2003, 2004, 2005, 2006, 2007, 2008, 2009, 2010, 2011, 2012, 2013 model year. Here you will find fuse box diagrams of audi a3 and s3 1997, 1998, 1999, 2000, 2001, and 2002, get information about the location of the fuse. Fuses and relay audi a3 8p. Locations of boxes. Audi A3 Cooling Fan Relay Location.
From fuseandrelay.com
Fuse box diagram Audi A3 2003 2012 and relay with assignment and location Audi A3 Cooling Fan Relay Location Here you will find fuse box diagrams of audi a3 and s3 2004, 2005, 2006, and 2007, get information about the location of the fuse panels inside the car, and learn about the. Video example about the locations. Fuse box in engine compartment. Locations of boxes of elements. Detailed description of fuse and relay for audi a3 8p with designation. Audi A3 Cooling Fan Relay Location.
From www.qualitycarparts.com.au
Radiator Cooling Fan Control Relay Module for AUDI A3 TT SEAT VW Polo Golf German Made Audi A3 Cooling Fan Relay Location For audi a3 2003, 2004, 2005, 2006, 2007, 2008, 2009, 2010, 2011, 2012, 2013 model year. In this material, we will analyze in detail the fuse diagrams of the audi a3 2nd generation (8p): Description of fuse and relay diagram for audi a3 8v / (s3) sportback. Here you will find fuse box diagrams of audi a3 and s3 2013,. Audi A3 Cooling Fan Relay Location.
From www.audiworld.com
AudiWorld Tech Articles Audi A3 Cooling Fan Relay Location For audi a3 2003, 2004, 2005, 2006, 2007, 2008, 2009, 2010, 2011, 2012, 2013 model year. 2002, 2003, 2004, 2005, 2006,. Our article provides information on the locations of the audi a3 8v fuse boxes with. Ok, i found the engine compartment fuse/relay box; Fuse box in engine compartment. Detailed description of fuse and relay for audi a3 8p with. Audi A3 Cooling Fan Relay Location.
From circuitdbpatiently.z19.web.core.windows.net
Audi A3 Cooling System Diagram Audi A3 Cooling Fan Relay Location Fuse box in engine compartment. Detailed description of fuse and relay for audi a3 8p with designation of diagrams and boxes. Here you will find fuse box diagrams of audi a3 and s3 2013, 2015, 2016, 2017, 2018, 2019, and 2020 get information about the location of the fuse panels inside the car, and learn about the. 2002, 2003, 2004,. Audi A3 Cooling Fan Relay Location.
From www.audiworld.com
Location of cooling fan fuse(s)? Page 3 AudiWorld Forums Audi A3 Cooling Fan Relay Location Here you will find fuse box diagrams of audi a3 and s3 1997, 1998, 1999, 2000, 2001, and 2002, get information about the location of the fuse. Ok, i found the engine compartment fuse/relay box; Description of fuse and relay diagram for audi a3 8v / (s3) sportback. For audi a3 2003, 2004, 2005, 2006, 2007, 2008, 2009, 2010, 2011,. Audi A3 Cooling Fan Relay Location.
From www.partsallin.com
Cooling Fan Control Module Relay for Audi A3 TT Volkswagen CC Jetta GTI Passat Audi A3 Cooling Fan Relay Location Locations of boxes of elements. Here you will find fuse box diagrams of audi a3 and s3 2013, 2015, 2016, 2017, 2018, 2019, and 2020 get information about the location of the fuse panels inside the car, and learn about the. Detailed description of fuse and relay for audi a3 8p with designation of diagrams and boxes. Fuse box in. Audi A3 Cooling Fan Relay Location.
From www.aliexpress.com
Cooling Fan Control Switch Relay For Audi A3 TT Seat Arosa Toledo Leon Skoda Octavia 1.4 1.6 1.8 Audi A3 Cooling Fan Relay Location Video example about the locations. Fuse box in engine compartment. Its under the ecm, which is under the washer fluid reservoir, which is under the plenum chamber cover. Ok, i found the engine compartment fuse/relay box; Here you will find fuse box diagrams of audi a3 and s3 1997, 1998, 1999, 2000, 2001, and 2002, get information about the location. Audi A3 Cooling Fan Relay Location.
From www.audiworld.com
Radiator Fan Relay location AudiWorld Forums Audi A3 Cooling Fan Relay Location Here you will find fuse box diagrams of audi a3 and s3 2013, 2015, 2016, 2017, 2018, 2019, and 2020 get information about the location of the fuse panels inside the car, and learn about the. In this material, we will analyze in detail the fuse diagrams of the audi a3 2nd generation (8p): Detailed description of fuse and relay. Audi A3 Cooling Fan Relay Location.
From www.youtube.com
How to Service the cooling system on the Audi A3 2008 to 2012 YouTube Audi A3 Cooling Fan Relay Location Locations of boxes of elements. Fuse box in engine compartment. Its under the ecm, which is under the washer fluid reservoir, which is under the plenum chamber cover. Video example about the locations. 2002, 2003, 2004, 2005, 2006,. Ok, i found the engine compartment fuse/relay box; Fuses and relay audi a3 8p. Here you will find fuse box diagrams of. Audi A3 Cooling Fan Relay Location.
From www.youtube.com
Audi A4 Relay Panel Location and partial diagram commentary YouTube Audi A3 Cooling Fan Relay Location Here you will find fuse box diagrams of audi a3 and s3 1997, 1998, 1999, 2000, 2001, and 2002, get information about the location of the fuse. Here you will find fuse box diagrams of audi a3 and s3 2004, 2005, 2006, and 2007, get information about the location of the fuse panels inside the car, and learn about the.. Audi A3 Cooling Fan Relay Location.
From www.wiringdigital.com
Audi A3 8p Wiring Diagram Pdf » Wiring Digital And Schematic Audi A3 Cooling Fan Relay Location Locations of boxes of elements. 2002, 2003, 2004, 2005, 2006,. In this material, we will analyze in detail the fuse diagrams of the audi a3 2nd generation (8p): Description of fuse and relay diagram for audi a3 8v / (s3) sportback. Video example about the locations. Here you will find fuse box diagrams of audi a3 and s3 2013, 2015,. Audi A3 Cooling Fan Relay Location.
From workshop-manuals.com
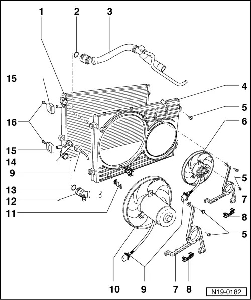
Audi Manuals > A3 Mk1 > Power unit > 4Cylinder engine (2valve), Mechanics > Engine Audi A3 Cooling Fan Relay Location Fuses and relay audi a3 8p. Its under the ecm, which is under the washer fluid reservoir, which is under the plenum chamber cover. Here you will find fuse box diagrams of audi a3 and s3 2013, 2015, 2016, 2017, 2018, 2019, and 2020 get information about the location of the fuse panels inside the car, and learn about the.. Audi A3 Cooling Fan Relay Location.
From goodbosetriport.blogspot.com
Audi Fan Control Module Wiring Good Bose triport Audi A3 Cooling Fan Relay Location 2002, 2003, 2004, 2005, 2006,. Description of fuse and relay diagram for audi a3 8v / (s3) sportback. Ok, i found the engine compartment fuse/relay box; For audi a3 2003, 2004, 2005, 2006, 2007, 2008, 2009, 2010, 2011, 2012, 2013 model year. Its under the ecm, which is under the washer fluid reservoir, which is under the plenum chamber cover.. Audi A3 Cooling Fan Relay Location.
From www.youtube.com
Weak AC Diagnostic and Cooling Fan Replacement Audi A3 (8PA) YouTube Audi A3 Cooling Fan Relay Location In this material, we will analyze in detail the fuse diagrams of the audi a3 2nd generation (8p): Here you will find fuse box diagrams of audi a3 and s3 2013, 2015, 2016, 2017, 2018, 2019, and 2020 get information about the location of the fuse panels inside the car, and learn about the. Detailed description of fuse and relay. Audi A3 Cooling Fan Relay Location.
From carinfohut.com
Why is My Audi Fan Keeps Running Car Info Hut Audi A3 Cooling Fan Relay Location Ok, i found the engine compartment fuse/relay box; Here you will find fuse box diagrams of audi a3 and s3 1997, 1998, 1999, 2000, 2001, and 2002, get information about the location of the fuse. In this material, we will analyze in detail the fuse diagrams of the audi a3 2nd generation (8p): 2002, 2003, 2004, 2005, 2006,. Fuses and. Audi A3 Cooling Fan Relay Location.
From www.qualitycarparts.com.au
Radiator Cooling Fan Control Relay Module for AUDI A3 TT SEAT VW Polo Golf German Made Audi A3 Cooling Fan Relay Location Ok, i found the engine compartment fuse/relay box; Here you will find fuse box diagrams of audi a3 and s3 2013, 2015, 2016, 2017, 2018, 2019, and 2020 get information about the location of the fuse panels inside the car, and learn about the. Video example about the locations. For audi a3 2003, 2004, 2005, 2006, 2007, 2008, 2009, 2010,. Audi A3 Cooling Fan Relay Location.
From fusesdiagram.com
Fuse box Audi A3 8P Audi A3 Cooling Fan Relay Location Here you will find fuse box diagrams of audi a3 and s3 2004, 2005, 2006, and 2007, get information about the location of the fuse panels inside the car, and learn about the. Locations of boxes of elements. In this material, we will analyze in detail the fuse diagrams of the audi a3 2nd generation (8p): Description of fuse and. Audi A3 Cooling Fan Relay Location.
From www.ebay.com
NEW AUDI A3 8L RADIATOR COOLING FAN RELAY 1J0919506M OEM eBay Audi A3 Cooling Fan Relay Location Video example about the locations. Detailed description of fuse and relay for audi a3 8p with designation of diagrams and boxes. Here you will find fuse box diagrams of audi a3 and s3 2004, 2005, 2006, and 2007, get information about the location of the fuse panels inside the car, and learn about the. Fuse box in engine compartment. In. Audi A3 Cooling Fan Relay Location.
From www.yourmechanic.com
How to Replace a Cooling Fan Relay on Most Vehicles YourMechanic Advice Audi A3 Cooling Fan Relay Location Detailed description of fuse and relay for audi a3 8p with designation of diagrams and boxes. For audi a3 2003, 2004, 2005, 2006, 2007, 2008, 2009, 2010, 2011, 2012, 2013 model year. Description of fuse and relay diagram for audi a3 8v / (s3) sportback. In this material, we will analyze in detail the fuse diagrams of the audi a3. Audi A3 Cooling Fan Relay Location.
From wiringdiagram.2bitboer.com
Cooling Fan Relay Wiring Diagram Wiring Diagram Audi A3 Cooling Fan Relay Location In this material, we will analyze in detail the fuse diagrams of the audi a3 2nd generation (8p): For audi a3 2003, 2004, 2005, 2006, 2007, 2008, 2009, 2010, 2011, 2012, 2013 model year. Here you will find fuse box diagrams of audi a3 and s3 1997, 1998, 1999, 2000, 2001, and 2002, get information about the location of the. Audi A3 Cooling Fan Relay Location.
From www.youtube.com
Where are fuses and relays in Audi A3 8L (cabin and engine fuse box location) YouTube Audi A3 Cooling Fan Relay Location Locations of boxes of elements. Our article provides information on the locations of the audi a3 8v fuse boxes with. Fuses and relay audi a3 8p. Detailed description of fuse and relay for audi a3 8p with designation of diagrams and boxes. For audi a3 2003, 2004, 2005, 2006, 2007, 2008, 2009, 2010, 2011, 2012, 2013 model year. Here you. Audi A3 Cooling Fan Relay Location.
From workshop-manuals.com
Audi Service and Repair Manuals > A3 Quattro V63.2L (BUB) (2008) > Heating and Air Audi A3 Cooling Fan Relay Location Ok, i found the engine compartment fuse/relay box; Its under the ecm, which is under the washer fluid reservoir, which is under the plenum chamber cover. Fuses and relay audi a3 8p. 2002, 2003, 2004, 2005, 2006,. Video example about the locations. Fuse box in engine compartment. Detailed description of fuse and relay for audi a3 8p with designation of. Audi A3 Cooling Fan Relay Location.
From www.youtube.com
VW/Audi Fan Relay Cooling Fan Control Unit Module Relay YouTube Audi A3 Cooling Fan Relay Location For audi a3 2003, 2004, 2005, 2006, 2007, 2008, 2009, 2010, 2011, 2012, 2013 model year. Here you will find fuse box diagrams of audi a3 and s3 2004, 2005, 2006, and 2007, get information about the location of the fuse panels inside the car, and learn about the. Video example about the locations. Description of fuse and relay diagram. Audi A3 Cooling Fan Relay Location.
From www.youtube.com
Audi A3 TDI 2010 Fuse Box & Relays Location YouTube Audi A3 Cooling Fan Relay Location For audi a3 2003, 2004, 2005, 2006, 2007, 2008, 2009, 2010, 2011, 2012, 2013 model year. 2002, 2003, 2004, 2005, 2006,. Its under the ecm, which is under the washer fluid reservoir, which is under the plenum chamber cover. Here you will find fuse box diagrams of audi a3 and s3 2004, 2005, 2006, and 2007, get information about the. Audi A3 Cooling Fan Relay Location.
From workshop-manuals.com
Audi Manuals > A3 Mk2 > Power unit > TDI injection and glow plug system (4cyl. 2.0 ltr Audi A3 Cooling Fan Relay Location Here you will find fuse box diagrams of audi a3 and s3 2013, 2015, 2016, 2017, 2018, 2019, and 2020 get information about the location of the fuse panels inside the car, and learn about the. Fuses and relay audi a3 8p. Our article provides information on the locations of the audi a3 8v fuse boxes with. Detailed description of. Audi A3 Cooling Fan Relay Location.
From www.yourmechanic.com
How to Replace a Cooling Fan Relay on Most Vehicles YourMechanic Advice Audi A3 Cooling Fan Relay Location Here you will find fuse box diagrams of audi a3 and s3 1997, 1998, 1999, 2000, 2001, and 2002, get information about the location of the fuse. Fuses and relay audi a3 8p. Locations of boxes of elements. Our article provides information on the locations of the audi a3 8v fuse boxes with. Ok, i found the engine compartment fuse/relay. Audi A3 Cooling Fan Relay Location.
From www.yourmechanic.com
How to Replace a Cooling Fan Relay on Most Vehicles YourMechanic Advice Audi A3 Cooling Fan Relay Location Its under the ecm, which is under the washer fluid reservoir, which is under the plenum chamber cover. Fuses and relay audi a3 8p. Fuse box in engine compartment. Here you will find fuse box diagrams of audi a3 and s3 2013, 2015, 2016, 2017, 2018, 2019, and 2020 get information about the location of the fuse panels inside the. Audi A3 Cooling Fan Relay Location.
From www.audiworld.com
Location of cooling fan fuse(s)? AudiWorld Forums Audi A3 Cooling Fan Relay Location Locations of boxes of elements. Its under the ecm, which is under the washer fluid reservoir, which is under the plenum chamber cover. Here you will find fuse box diagrams of audi a3 and s3 2004, 2005, 2006, and 2007, get information about the location of the fuse panels inside the car, and learn about the. Description of fuse and. Audi A3 Cooling Fan Relay Location.
From fixmachinelibretti.z13.web.core.windows.net
Audi A3 Relay Location Audi A3 Cooling Fan Relay Location Here you will find fuse box diagrams of audi a3 and s3 2004, 2005, 2006, and 2007, get information about the location of the fuse panels inside the car, and learn about the. Fuse box in engine compartment. Here you will find fuse box diagrams of audi a3 and s3 2013, 2015, 2016, 2017, 2018, 2019, and 2020 get information. Audi A3 Cooling Fan Relay Location.
From www.aliexpress.com
Cooling Fan Control Switch Relay For Audi A3 TT Seat Arosa Toledo Leon Skoda Octavia 1.4 1.6 1.8 Audi A3 Cooling Fan Relay Location Fuses and relay audi a3 8p. Its under the ecm, which is under the washer fluid reservoir, which is under the plenum chamber cover. Locations of boxes of elements. Here you will find fuse box diagrams of audi a3 and s3 2004, 2005, 2006, and 2007, get information about the location of the fuse panels inside the car, and learn. Audi A3 Cooling Fan Relay Location.
From www.qualitycarparts.com.au
Radiator Cooling Fan Control Relay Module for AUDI A3 TT SEAT VW Polo Golf German Made Audi A3 Cooling Fan Relay Location Fuses and relay audi a3 8p. 2002, 2003, 2004, 2005, 2006,. Locations of boxes of elements. Here you will find fuse box diagrams of audi a3 and s3 2013, 2015, 2016, 2017, 2018, 2019, and 2020 get information about the location of the fuse panels inside the car, and learn about the. Here you will find fuse box diagrams of. Audi A3 Cooling Fan Relay Location.
From pinterest.com
Audi A3 Cooling System Diagram Audi Pinterest Audi, Audi a3 and Cars Audi A3 Cooling Fan Relay Location Here you will find fuse box diagrams of audi a3 and s3 2004, 2005, 2006, and 2007, get information about the location of the fuse panels inside the car, and learn about the. Our article provides information on the locations of the audi a3 8v fuse boxes with. Video example about the locations. Ok, i found the engine compartment fuse/relay. Audi A3 Cooling Fan Relay Location.