Yamaha Banshee Swing Arm Bolt Size . This is the steel bolt that goes through the frame and holds. What is the best swingarm length for trail riding? Please specify length & if skid plate mounts are desired! Please review and select options below. Works with any 35mm or. This swingarm will include a carrier and caliper kit and all hardware necessary to bolt onto your banshee. The only parts i have are my yfz450 a arms and shocks. Does anyone know what the stock swingarm length is from the center of pivot bolt to the center of carrier?? I would like to put together a thread listing the proper bolts and nut sizes for the shee.from front bumper bolts to rear grab bar. Yamaha banshee titanium swingarm bolt from macdaddy racing is made from lightweight billet aerospace grade titanium. This is a yamaha banshee swingarm pivot bolt, nut, and washer by vito's performance. Chromoly tig welded swingarm for the yamaha banshee. I'm trying to put a zx7r motor in a banshee frame. Customize your quad with at titanium swingarm bolt that is.
from racetechtitanium.com
Please specify length & if skid plate mounts are desired! Works with any 35mm or. I would like to put together a thread listing the proper bolts and nut sizes for the shee.from front bumper bolts to rear grab bar. Chromoly tig welded swingarm for the yamaha banshee. This swingarm will include a carrier and caliper kit and all hardware necessary to bolt onto your banshee. Please review and select options below. The only parts i have are my yfz450 a arms and shocks. Does anyone know what the stock swingarm length is from the center of pivot bolt to the center of carrier?? Customize your quad with at titanium swingarm bolt that is. I'm trying to put a zx7r motor in a banshee frame.
Yamaha Banshee Titanium Stock Swingarm Rear Axle Carrier Bolts (Upper
Yamaha Banshee Swing Arm Bolt Size Customize your quad with at titanium swingarm bolt that is. I'm trying to put a zx7r motor in a banshee frame. Does anyone know what the stock swingarm length is from the center of pivot bolt to the center of carrier?? What is the best swingarm length for trail riding? Please review and select options below. Works with any 35mm or. I would like to put together a thread listing the proper bolts and nut sizes for the shee.from front bumper bolts to rear grab bar. Customize your quad with at titanium swingarm bolt that is. Please specify length & if skid plate mounts are desired! Yamaha banshee titanium swingarm bolt from macdaddy racing is made from lightweight billet aerospace grade titanium. This is the steel bolt that goes through the frame and holds. Chromoly tig welded swingarm for the yamaha banshee. This is a yamaha banshee swingarm pivot bolt, nut, and washer by vito's performance. The only parts i have are my yfz450 a arms and shocks. This swingarm will include a carrier and caliper kit and all hardware necessary to bolt onto your banshee.
From www.jdscustoms.com
Yamaha Banshee Arched Tube Swingarm BY FIREBALL RACING (+2 THRU +24 Yamaha Banshee Swing Arm Bolt Size What is the best swingarm length for trail riding? This is the steel bolt that goes through the frame and holds. This swingarm will include a carrier and caliper kit and all hardware necessary to bolt onto your banshee. Chromoly tig welded swingarm for the yamaha banshee. Works with any 35mm or. Please specify length & if skid plate mounts. Yamaha Banshee Swing Arm Bolt Size.
From www.youtube.com
How to Install Yamaha Blaster / Banshee Swingarm Extension Kit YouTube Yamaha Banshee Swing Arm Bolt Size The only parts i have are my yfz450 a arms and shocks. I'm trying to put a zx7r motor in a banshee frame. Yamaha banshee titanium swingarm bolt from macdaddy racing is made from lightweight billet aerospace grade titanium. Please specify length & if skid plate mounts are desired! This swingarm will include a carrier and caliper kit and all. Yamaha Banshee Swing Arm Bolt Size.
From macdaddyracing.com
Yamaha Banshee Swingarm Bolt Nut MacDaddy Racing Yamaha Banshee Swing Arm Bolt Size Works with any 35mm or. This is a yamaha banshee swingarm pivot bolt, nut, and washer by vito's performance. Yamaha banshee titanium swingarm bolt from macdaddy racing is made from lightweight billet aerospace grade titanium. This is the steel bolt that goes through the frame and holds. Please review and select options below. The only parts i have are my. Yamaha Banshee Swing Arm Bolt Size.
From flavored.ph
Brakes & Suspension Yamaha Banshee Swingarm Bolt Shocks & Swingarms Yamaha Banshee Swing Arm Bolt Size This is the steel bolt that goes through the frame and holds. Please specify length & if skid plate mounts are desired! Please review and select options below. I'm trying to put a zx7r motor in a banshee frame. This swingarm will include a carrier and caliper kit and all hardware necessary to bolt onto your banshee. The only parts. Yamaha Banshee Swing Arm Bolt Size.
From lsracing.com
Yamaha Banshee Swing Arm Lone Star Racing ATV & UTV Yamaha Banshee Swing Arm Bolt Size Chromoly tig welded swingarm for the yamaha banshee. This is a yamaha banshee swingarm pivot bolt, nut, and washer by vito's performance. Works with any 35mm or. I would like to put together a thread listing the proper bolts and nut sizes for the shee.from front bumper bolts to rear grab bar. Please review and select options below. Please specify. Yamaha Banshee Swing Arm Bolt Size.
From www.ebay.com
+8 Extended Yamaha BANSHEE Swing arm Yfz 350 Extension Powder coated Yamaha Banshee Swing Arm Bolt Size Please specify length & if skid plate mounts are desired! Yamaha banshee titanium swingarm bolt from macdaddy racing is made from lightweight billet aerospace grade titanium. Customize your quad with at titanium swingarm bolt that is. I'm trying to put a zx7r motor in a banshee frame. I would like to put together a thread listing the proper bolts and. Yamaha Banshee Swing Arm Bolt Size.
From www.vitosperformance.com
Vito's Yamaha Banshee swingarm bearings rebuild kit + SWINGARM BOLT Yamaha Banshee Swing Arm Bolt Size Does anyone know what the stock swingarm length is from the center of pivot bolt to the center of carrier?? What is the best swingarm length for trail riding? Please review and select options below. Please specify length & if skid plate mounts are desired! I would like to put together a thread listing the proper bolts and nut sizes. Yamaha Banshee Swing Arm Bolt Size.
From bansheebikeshop.com
Yamaha Banshee Swing Arm Banshee Quad Bike Shop Yamaha Banshee Swing Arm Bolt Size This is the steel bolt that goes through the frame and holds. Please specify length & if skid plate mounts are desired! Please review and select options below. I would like to put together a thread listing the proper bolts and nut sizes for the shee.from front bumper bolts to rear grab bar. Chromoly tig welded swingarm for the yamaha. Yamaha Banshee Swing Arm Bolt Size.
From mountainbansheebikes.com
Yamaha Banshee Swing Arm QUAD BIKES Yamaha Banshee Swing Arm Bolt Size I would like to put together a thread listing the proper bolts and nut sizes for the shee.from front bumper bolts to rear grab bar. This swingarm will include a carrier and caliper kit and all hardware necessary to bolt onto your banshee. The only parts i have are my yfz450 a arms and shocks. This is a yamaha banshee. Yamaha Banshee Swing Arm Bolt Size.
From splashndirt.ca
Lonestar Lonestar Swingarm for Yamaha Banshee 1" Silvervein (15 Yamaha Banshee Swing Arm Bolt Size Please review and select options below. This is the steel bolt that goes through the frame and holds. Yamaha banshee titanium swingarm bolt from macdaddy racing is made from lightweight billet aerospace grade titanium. This swingarm will include a carrier and caliper kit and all hardware necessary to bolt onto your banshee. The only parts i have are my yfz450. Yamaha Banshee Swing Arm Bolt Size.
From www.cmsnl.com
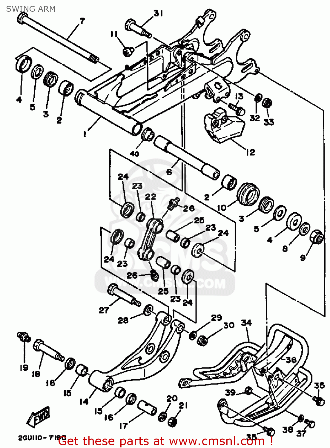
Yamaha YFZ350E BANSHEE 1993 SWING ARM buy original SWING ARM spares Yamaha Banshee Swing Arm Bolt Size Customize your quad with at titanium swingarm bolt that is. I would like to put together a thread listing the proper bolts and nut sizes for the shee.from front bumper bolts to rear grab bar. What is the best swingarm length for trail riding? This is the steel bolt that goes through the frame and holds. Does anyone know what. Yamaha Banshee Swing Arm Bolt Size.
From www.wolfesmetalfabrication.com
Yamaha Banshee Extended Swingarms Yamaha Banshee Swing Arm Bolt Size I'm trying to put a zx7r motor in a banshee frame. Works with any 35mm or. Yamaha banshee titanium swingarm bolt from macdaddy racing is made from lightweight billet aerospace grade titanium. Please specify length & if skid plate mounts are desired! This is the steel bolt that goes through the frame and holds. This swingarm will include a carrier. Yamaha Banshee Swing Arm Bolt Size.
From www.ebay.com
Stock Length Heavy Duty Yamaha BANSHEE Swing arm Skid Plate Mounts tt Yamaha Banshee Swing Arm Bolt Size Chromoly tig welded swingarm for the yamaha banshee. Please review and select options below. Please specify length & if skid plate mounts are desired! This is a yamaha banshee swingarm pivot bolt, nut, and washer by vito's performance. I'm trying to put a zx7r motor in a banshee frame. Customize your quad with at titanium swingarm bolt that is. The. Yamaha Banshee Swing Arm Bolt Size.
From www.bonanza.com
Swingarm Swing Arm Bolt Nut OEM Yamaha Banshee Raptor YFZ450 YFZ 450 Yamaha Banshee Swing Arm Bolt Size This swingarm will include a carrier and caliper kit and all hardware necessary to bolt onto your banshee. The only parts i have are my yfz450 a arms and shocks. Does anyone know what the stock swingarm length is from the center of pivot bolt to the center of carrier?? Works with any 35mm or. Chromoly tig welded swingarm for. Yamaha Banshee Swing Arm Bolt Size.
From www.atvsonly.co.uk
Swing Arm (Standard/+2”/+4”) for Yamaha Banshee ATVS Only Yamaha Banshee Swing Arm Bolt Size The only parts i have are my yfz450 a arms and shocks. This is the steel bolt that goes through the frame and holds. This is a yamaha banshee swingarm pivot bolt, nut, and washer by vito's performance. What is the best swingarm length for trail riding? Works with any 35mm or. This swingarm will include a carrier and caliper. Yamaha Banshee Swing Arm Bolt Size.
From forcepartsracing.com
EXTENDED SWINGARM EXTENSION DRAG RACE ATV YAMAHA BANSHEE +12" Blue Yamaha Banshee Swing Arm Bolt Size Please review and select options below. I'm trying to put a zx7r motor in a banshee frame. Chromoly tig welded swingarm for the yamaha banshee. Customize your quad with at titanium swingarm bolt that is. Does anyone know what the stock swingarm length is from the center of pivot bolt to the center of carrier?? I would like to put. Yamaha Banshee Swing Arm Bolt Size.
From www.ebay.com
New Swingarm Bolt & Swingarm Bearings Rebuild Kit For 19872006 Yamaha Yamaha Banshee Swing Arm Bolt Size Please specify length & if skid plate mounts are desired! Chromoly tig welded swingarm for the yamaha banshee. Yamaha banshee titanium swingarm bolt from macdaddy racing is made from lightweight billet aerospace grade titanium. What is the best swingarm length for trail riding? Does anyone know what the stock swingarm length is from the center of pivot bolt to the. Yamaha Banshee Swing Arm Bolt Size.
From www.hsdracing.com
Yamaha Banshee Lone Star Racing Swing Arm Yamaha Banshee Swing Arm Bolt Size I'm trying to put a zx7r motor in a banshee frame. I would like to put together a thread listing the proper bolts and nut sizes for the shee.from front bumper bolts to rear grab bar. Does anyone know what the stock swingarm length is from the center of pivot bolt to the center of carrier?? The only parts i. Yamaha Banshee Swing Arm Bolt Size.
From www.vitosperformance.com
Vito's Yamaha Banshee swingarm bearings rebuild kit + SWINGARM BOLT Yamaha Banshee Swing Arm Bolt Size Yamaha banshee titanium swingarm bolt from macdaddy racing is made from lightweight billet aerospace grade titanium. Please specify length & if skid plate mounts are desired! Customize your quad with at titanium swingarm bolt that is. This is the steel bolt that goes through the frame and holds. Please review and select options below. Chromoly tig welded swingarm for the. Yamaha Banshee Swing Arm Bolt Size.
From macdaddyracing.com
Yamaha Banshee TITANIUM Swingarm Bolt MacDaddy Racing Yamaha Banshee Swing Arm Bolt Size Please specify length & if skid plate mounts are desired! Customize your quad with at titanium swingarm bolt that is. This is a yamaha banshee swingarm pivot bolt, nut, and washer by vito's performance. I would like to put together a thread listing the proper bolts and nut sizes for the shee.from front bumper bolts to rear grab bar. The. Yamaha Banshee Swing Arm Bolt Size.
From racetechtitanium.com
Yamaha Banshee Titanium Stock Swingarm Rear Axle Carrier Bolts (Upper Yamaha Banshee Swing Arm Bolt Size Works with any 35mm or. Please review and select options below. I would like to put together a thread listing the proper bolts and nut sizes for the shee.from front bumper bolts to rear grab bar. This is a yamaha banshee swingarm pivot bolt, nut, and washer by vito's performance. What is the best swingarm length for trail riding? This. Yamaha Banshee Swing Arm Bolt Size.
From www.blibli.com
Promo Rear Swing Arm Pivot Bolt Nut for Yamaha Banshee 350 YFZ350 Yamaha Banshee Swing Arm Bolt Size Please review and select options below. I'm trying to put a zx7r motor in a banshee frame. This swingarm will include a carrier and caliper kit and all hardware necessary to bolt onto your banshee. This is the steel bolt that goes through the frame and holds. Chromoly tig welded swingarm for the yamaha banshee. The only parts i have. Yamaha Banshee Swing Arm Bolt Size.
From www.atvsonly.co.uk
Swing Arm (Standard/+2”/+4”) for Yamaha Banshee ATVS Only Yamaha Banshee Swing Arm Bolt Size Does anyone know what the stock swingarm length is from the center of pivot bolt to the center of carrier?? What is the best swingarm length for trail riding? The only parts i have are my yfz450 a arms and shocks. This is a yamaha banshee swingarm pivot bolt, nut, and washer by vito's performance. This is the steel bolt. Yamaha Banshee Swing Arm Bolt Size.
From mountainbansheebikes.com
Yamaha Banshee Swing Arm QUAD BIKES Yamaha Banshee Swing Arm Bolt Size Customize your quad with at titanium swingarm bolt that is. This swingarm will include a carrier and caliper kit and all hardware necessary to bolt onto your banshee. This is a yamaha banshee swingarm pivot bolt, nut, and washer by vito's performance. Please specify length & if skid plate mounts are desired! What is the best swingarm length for trail. Yamaha Banshee Swing Arm Bolt Size.
From flavored.ph
Brakes & Suspension Yamaha Banshee Swingarm Bolt Shocks & Swingarms Yamaha Banshee Swing Arm Bolt Size Yamaha banshee titanium swingarm bolt from macdaddy racing is made from lightweight billet aerospace grade titanium. I would like to put together a thread listing the proper bolts and nut sizes for the shee.from front bumper bolts to rear grab bar. Does anyone know what the stock swingarm length is from the center of pivot bolt to the center of. Yamaha Banshee Swing Arm Bolt Size.
From www.wolfesmetalfabrication.com
Yamaha Banshee Extended Swingarms Yamaha Banshee Swing Arm Bolt Size Chromoly tig welded swingarm for the yamaha banshee. Works with any 35mm or. This is the steel bolt that goes through the frame and holds. Yamaha banshee titanium swingarm bolt from macdaddy racing is made from lightweight billet aerospace grade titanium. What is the best swingarm length for trail riding? Please specify length & if skid plate mounts are desired!. Yamaha Banshee Swing Arm Bolt Size.
From www.atvsonly.co.uk
Swing Arm Bearing & Seal Kit for Yamaha Banshee ATVS Only Yamaha Banshee Swing Arm Bolt Size Yamaha banshee titanium swingarm bolt from macdaddy racing is made from lightweight billet aerospace grade titanium. This is the steel bolt that goes through the frame and holds. Please review and select options below. I'm trying to put a zx7r motor in a banshee frame. The only parts i have are my yfz450 a arms and shocks. I would like. Yamaha Banshee Swing Arm Bolt Size.
From macdaddyracing.com
Yamaha Banshee Swingarm Bolt MacDaddy Racing Yamaha Banshee Swing Arm Bolt Size Please review and select options below. The only parts i have are my yfz450 a arms and shocks. What is the best swingarm length for trail riding? This swingarm will include a carrier and caliper kit and all hardware necessary to bolt onto your banshee. This is a yamaha banshee swingarm pivot bolt, nut, and washer by vito's performance. Works. Yamaha Banshee Swing Arm Bolt Size.
From www.wolfesmetalfabrication.com
Yamaha Banshee Extended Swingarms Yamaha Banshee Swing Arm Bolt Size I'm trying to put a zx7r motor in a banshee frame. The only parts i have are my yfz450 a arms and shocks. This is a yamaha banshee swingarm pivot bolt, nut, and washer by vito's performance. What is the best swingarm length for trail riding? This is the steel bolt that goes through the frame and holds. Customize your. Yamaha Banshee Swing Arm Bolt Size.
From shopfireballracing.com
Banshee Swingarm Yamaha Banshee Swing Arm Bolt Size This swingarm will include a carrier and caliper kit and all hardware necessary to bolt onto your banshee. Please review and select options below. I'm trying to put a zx7r motor in a banshee frame. What is the best swingarm length for trail riding? Does anyone know what the stock swingarm length is from the center of pivot bolt to. Yamaha Banshee Swing Arm Bolt Size.
From www.walmart.ca
Labymos NEW 350 SWINGARM BOLT NUT WASHER SWING ARM 8706 Replacement Yamaha Banshee Swing Arm Bolt Size Does anyone know what the stock swingarm length is from the center of pivot bolt to the center of carrier?? I would like to put together a thread listing the proper bolts and nut sizes for the shee.from front bumper bolts to rear grab bar. Yamaha banshee titanium swingarm bolt from macdaddy racing is made from lightweight billet aerospace grade. Yamaha Banshee Swing Arm Bolt Size.
From www.jdscustoms.com
Yamaha Banshee MX Heavy Duty Chromoly Swingarm, JL Engineering (2 Thru Yamaha Banshee Swing Arm Bolt Size Yamaha banshee titanium swingarm bolt from macdaddy racing is made from lightweight billet aerospace grade titanium. Please review and select options below. Works with any 35mm or. This is the steel bolt that goes through the frame and holds. Customize your quad with at titanium swingarm bolt that is. What is the best swingarm length for trail riding? This swingarm. Yamaha Banshee Swing Arm Bolt Size.
From www.jdscustoms.com
Yamaha Banshee MX Heavy Duty Chromoly Swingarm, JL Engineering (2 Thru Yamaha Banshee Swing Arm Bolt Size Yamaha banshee titanium swingarm bolt from macdaddy racing is made from lightweight billet aerospace grade titanium. This is a yamaha banshee swingarm pivot bolt, nut, and washer by vito's performance. I'm trying to put a zx7r motor in a banshee frame. Please specify length & if skid plate mounts are desired! Customize your quad with at titanium swingarm bolt that. Yamaha Banshee Swing Arm Bolt Size.
From www.cmsnl.com
Yamaha YFZ350T 1987 BANSHEE SWING ARM buy original SWING ARM spares Yamaha Banshee Swing Arm Bolt Size What is the best swingarm length for trail riding? Customize your quad with at titanium swingarm bolt that is. Yamaha banshee titanium swingarm bolt from macdaddy racing is made from lightweight billet aerospace grade titanium. Chromoly tig welded swingarm for the yamaha banshee. I'm trying to put a zx7r motor in a banshee frame. This is the steel bolt that. Yamaha Banshee Swing Arm Bolt Size.
From www.jdscustoms.com
Yamaha Banshee Lightweight Drag Swingarm, Fireball Racing (+10 THRU +14 Yamaha Banshee Swing Arm Bolt Size I'm trying to put a zx7r motor in a banshee frame. Chromoly tig welded swingarm for the yamaha banshee. Please review and select options below. Works with any 35mm or. Please specify length & if skid plate mounts are desired! I would like to put together a thread listing the proper bolts and nut sizes for the shee.from front bumper. Yamaha Banshee Swing Arm Bolt Size.