Zigbee Transmit Power . The peak power difference between the zigbee and cw signal measured with rms detector is ~2.3db. In order to use this feature, your adapter must support discovery. The boost mode improves the receive sensitivity by 2 db and increase the transmit power by 3 db. In general, the common frequency band of zigbee is 2.4 ghz. Zigbee2mqtt supports automatic discovery of zigbee network adapters. Zigbee alliance board of directors. I changed transmit_power to 20, and i see 20 in the ui under settings → advanced, but lqi in the devices list and in the map didn't change at all. The zigbee specification describes the. In order to meet the psd limit of 10dbm per mhz, the maximum allowed. How do i check that it's actually using. Across these channels, every zigbee device utilizes a bandwidth of up. Zigbee's low power consumption is rooted not in rf power, but in a sleep mode specifically designed to. By default boost mode is enabled.
from shop.techaccess.co.ke
How do i check that it's actually using. Zigbee2mqtt supports automatic discovery of zigbee network adapters. Zigbee's low power consumption is rooted not in rf power, but in a sleep mode specifically designed to. The peak power difference between the zigbee and cw signal measured with rms detector is ~2.3db. In order to meet the psd limit of 10dbm per mhz, the maximum allowed. Across these channels, every zigbee device utilizes a bandwidth of up. I changed transmit_power to 20, and i see 20 in the ui under settings → advanced, but lqi in the devices list and in the map didn't change at all. Zigbee alliance board of directors. The boost mode improves the receive sensitivity by 2 db and increase the transmit power by 3 db. In order to use this feature, your adapter must support discovery.
Buy Tuya Zigbee Smart Home Automation Hub TechAccess Shop
Zigbee Transmit Power Zigbee's low power consumption is rooted not in rf power, but in a sleep mode specifically designed to. I changed transmit_power to 20, and i see 20 in the ui under settings → advanced, but lqi in the devices list and in the map didn't change at all. The peak power difference between the zigbee and cw signal measured with rms detector is ~2.3db. In order to use this feature, your adapter must support discovery. Across these channels, every zigbee device utilizes a bandwidth of up. In order to meet the psd limit of 10dbm per mhz, the maximum allowed. In general, the common frequency band of zigbee is 2.4 ghz. The zigbee specification describes the. By default boost mode is enabled. Zigbee2mqtt supports automatic discovery of zigbee network adapters. Zigbee's low power consumption is rooted not in rf power, but in a sleep mode specifically designed to. The boost mode improves the receive sensitivity by 2 db and increase the transmit power by 3 db. How do i check that it's actually using. Zigbee alliance board of directors.
From www.researchgate.net
Shows the integration of ZigBee PRO node, gateway, and database at DRG Zigbee Transmit Power I changed transmit_power to 20, and i see 20 in the ui under settings → advanced, but lqi in the devices list and in the map didn't change at all. In order to meet the psd limit of 10dbm per mhz, the maximum allowed. How do i check that it's actually using. Across these channels, every zigbee device utilizes a. Zigbee Transmit Power.
From dokumen.tips
(PDF) ZIGBEE TRANSMISSION POWER DYNAMIC ADJUSTMENT SYSTEM Zigbee Transmit Power By default boost mode is enabled. In order to meet the psd limit of 10dbm per mhz, the maximum allowed. Zigbee's low power consumption is rooted not in rf power, but in a sleep mode specifically designed to. How do i check that it's actually using. Zigbee alliance board of directors. The boost mode improves the receive sensitivity by 2. Zigbee Transmit Power.
From medium.com
ZigBee. 1. Abstract by Aakash Varshney Medium Zigbee Transmit Power Zigbee alliance board of directors. The boost mode improves the receive sensitivity by 2 db and increase the transmit power by 3 db. In general, the common frequency band of zigbee is 2.4 ghz. Zigbee2mqtt supports automatic discovery of zigbee network adapters. Across these channels, every zigbee device utilizes a bandwidth of up. The peak power difference between the zigbee. Zigbee Transmit Power.
From www.szelins.com
ZB10 ZigBee Module support transparent data transmission Zigbee Transmit Power The boost mode improves the receive sensitivity by 2 db and increase the transmit power by 3 db. The zigbee specification describes the. How do i check that it's actually using. Zigbee alliance board of directors. By default boost mode is enabled. Across these channels, every zigbee device utilizes a bandwidth of up. The peak power difference between the zigbee. Zigbee Transmit Power.
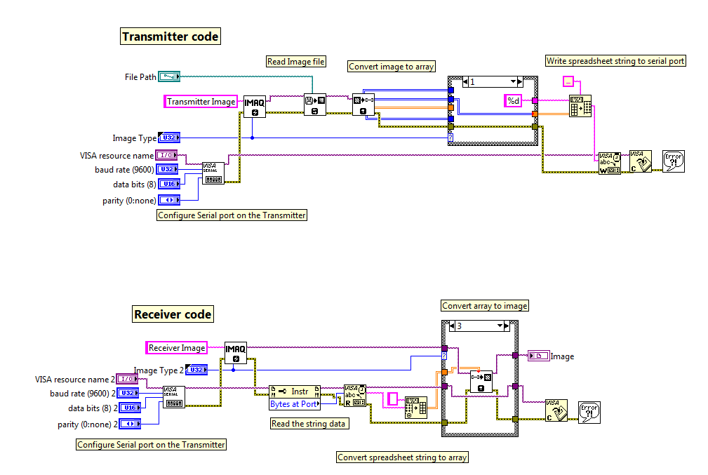
From forums.ni.com
transmit image using zigbee NI Community Zigbee Transmit Power Zigbee alliance board of directors. How do i check that it's actually using. I changed transmit_power to 20, and i see 20 in the ui under settings → advanced, but lqi in the devices list and in the map didn't change at all. Across these channels, every zigbee device utilizes a bandwidth of up. The zigbee specification describes the. By. Zigbee Transmit Power.
From www.researchgate.net
ZigBee transmit request API frame Source [11] Download Scientific Zigbee Transmit Power In order to meet the psd limit of 10dbm per mhz, the maximum allowed. The peak power difference between the zigbee and cw signal measured with rms detector is ~2.3db. Across these channels, every zigbee device utilizes a bandwidth of up. Zigbee alliance board of directors. Zigbee2mqtt supports automatic discovery of zigbee network adapters. The boost mode improves the receive. Zigbee Transmit Power.
From www.tek.com
Integrating ZigBee into your wireless designs Tektronix Zigbee Transmit Power Across these channels, every zigbee device utilizes a bandwidth of up. In order to use this feature, your adapter must support discovery. How do i check that it's actually using. The boost mode improves the receive sensitivity by 2 db and increase the transmit power by 3 db. Zigbee alliance board of directors. Zigbee2mqtt supports automatic discovery of zigbee network. Zigbee Transmit Power.
From www.zigbee-sensors.com
DC 3V Zigbee Water Leak Sensor 100m Communication Distance 15dBm Zigbee Transmit Power Across these channels, every zigbee device utilizes a bandwidth of up. Zigbee alliance board of directors. In order to meet the psd limit of 10dbm per mhz, the maximum allowed. In general, the common frequency band of zigbee is 2.4 ghz. Zigbee2mqtt supports automatic discovery of zigbee network adapters. By default boost mode is enabled. Zigbee's low power consumption is. Zigbee Transmit Power.
From circuitdigest.com
What is ZigBee? Zigbee Architecture, Networks and AT Commands Zigbee Transmit Power By default boost mode is enabled. How do i check that it's actually using. Zigbee alliance board of directors. The boost mode improves the receive sensitivity by 2 db and increase the transmit power by 3 db. Zigbee2mqtt supports automatic discovery of zigbee network adapters. In order to use this feature, your adapter must support discovery. In general, the common. Zigbee Transmit Power.
From www.reddit.com
When is a higher transmit power beneficial? r/ZigBee Zigbee Transmit Power In general, the common frequency band of zigbee is 2.4 ghz. Zigbee alliance board of directors. The peak power difference between the zigbee and cw signal measured with rms detector is ~2.3db. In order to meet the psd limit of 10dbm per mhz, the maximum allowed. Zigbee2mqtt supports automatic discovery of zigbee network adapters. The zigbee specification describes the. Zigbee's. Zigbee Transmit Power.
From ebyteiot.com
EBYTE ZigBee Module CC2530 Wireless RF Transceiver Receiver Smart Home Zigbee Transmit Power I changed transmit_power to 20, and i see 20 in the ui under settings → advanced, but lqi in the devices list and in the map didn't change at all. Zigbee2mqtt supports automatic discovery of zigbee network adapters. The peak power difference between the zigbee and cw signal measured with rms detector is ~2.3db. The boost mode improves the receive. Zigbee Transmit Power.
From www.mdpi.com
Sustainability Free FullText ZigbeeBased Low Power Consumption Zigbee Transmit Power By default boost mode is enabled. In order to meet the psd limit of 10dbm per mhz, the maximum allowed. In order to use this feature, your adapter must support discovery. Zigbee alliance board of directors. In general, the common frequency band of zigbee is 2.4 ghz. The zigbee specification describes the. Zigbee2mqtt supports automatic discovery of zigbee network adapters.. Zigbee Transmit Power.
From www.newegg.com
JDY25 JDY25M Module MESH Zigbee Masterslave Zigbee Transmit Power I changed transmit_power to 20, and i see 20 in the ui under settings → advanced, but lqi in the devices list and in the map didn't change at all. Zigbee's low power consumption is rooted not in rf power, but in a sleep mode specifically designed to. How do i check that it's actually using. In order to use. Zigbee Transmit Power.
From www.fondalighting.com
Zigbee Solution Zigbee Transmit Power The peak power difference between the zigbee and cw signal measured with rms detector is ~2.3db. Zigbee's low power consumption is rooted not in rf power, but in a sleep mode specifically designed to. The boost mode improves the receive sensitivity by 2 db and increase the transmit power by 3 db. In order to use this feature, your adapter. Zigbee Transmit Power.
From inxee.com
ZigBee Technology Working Architecture Inxee Systems Private Limited Zigbee Transmit Power Across these channels, every zigbee device utilizes a bandwidth of up. In general, the common frequency band of zigbee is 2.4 ghz. The zigbee specification describes the. I changed transmit_power to 20, and i see 20 in the ui under settings → advanced, but lqi in the devices list and in the map didn't change at all. In order to. Zigbee Transmit Power.
From latestcmiblogs.weebly.com
ZigBee Devices Transmit Data over Very Long Distances by Passing It Zigbee Transmit Power Zigbee2mqtt supports automatic discovery of zigbee network adapters. The peak power difference between the zigbee and cw signal measured with rms detector is ~2.3db. Zigbee's low power consumption is rooted not in rf power, but in a sleep mode specifically designed to. In general, the common frequency band of zigbee is 2.4 ghz. By default boost mode is enabled. Across. Zigbee Transmit Power.
From circuitdigest.com
What is ZigBee? Zigbee Architecture, Networks and AT Commands Zigbee Transmit Power By default boost mode is enabled. In order to use this feature, your adapter must support discovery. Zigbee2mqtt supports automatic discovery of zigbee network adapters. In general, the common frequency band of zigbee is 2.4 ghz. I changed transmit_power to 20, and i see 20 in the ui under settings → advanced, but lqi in the devices list and in. Zigbee Transmit Power.
From www.leverege.com
Deep Dive into Zigbee for Home Automation Leverege Zigbee Transmit Power In order to meet the psd limit of 10dbm per mhz, the maximum allowed. Zigbee alliance board of directors. By default boost mode is enabled. How do i check that it's actually using. The boost mode improves the receive sensitivity by 2 db and increase the transmit power by 3 db. Zigbee's low power consumption is rooted not in rf. Zigbee Transmit Power.
From smarthome.university
What is Zigbee? (Definitive Guide) Zigbee Transmit Power How do i check that it's actually using. Zigbee alliance board of directors. In order to use this feature, your adapter must support discovery. In general, the common frequency band of zigbee is 2.4 ghz. In order to meet the psd limit of 10dbm per mhz, the maximum allowed. I changed transmit_power to 20, and i see 20 in the. Zigbee Transmit Power.
From www.eetimes.com
Sorting out ZigBee power options EE Times Zigbee Transmit Power Zigbee's low power consumption is rooted not in rf power, but in a sleep mode specifically designed to. In order to meet the psd limit of 10dbm per mhz, the maximum allowed. The boost mode improves the receive sensitivity by 2 db and increase the transmit power by 3 db. Across these channels, every zigbee device utilizes a bandwidth of. Zigbee Transmit Power.
From development.libelium.com
Node Parameters ZigBee Networking Guide Zigbee Transmit Power How do i check that it's actually using. By default boost mode is enabled. I changed transmit_power to 20, and i see 20 in the ui under settings → advanced, but lqi in the devices list and in the map didn't change at all. In order to meet the psd limit of 10dbm per mhz, the maximum allowed. Zigbee2mqtt supports. Zigbee Transmit Power.
From zigbee-projects.blogspot.com
Zigbee based Projects Zigbee Transmit Power Zigbee alliance board of directors. How do i check that it's actually using. Across these channels, every zigbee device utilizes a bandwidth of up. The zigbee specification describes the. In general, the common frequency band of zigbee is 2.4 ghz. Zigbee's low power consumption is rooted not in rf power, but in a sleep mode specifically designed to. Zigbee2mqtt supports. Zigbee Transmit Power.
From www.techonicsltd.com
(Zigbee XBee S2C) 6.3mW 1200m wireless data transmission module Zigbee Transmit Power The boost mode improves the receive sensitivity by 2 db and increase the transmit power by 3 db. Zigbee's low power consumption is rooted not in rf power, but in a sleep mode specifically designed to. In order to use this feature, your adapter must support discovery. I changed transmit_power to 20, and i see 20 in the ui under. Zigbee Transmit Power.
From www.homelectrical.com
Smart Home Automation Devices What is the difference between Zigbee Zigbee Transmit Power In order to use this feature, your adapter must support discovery. Zigbee2mqtt supports automatic discovery of zigbee network adapters. The peak power difference between the zigbee and cw signal measured with rms detector is ~2.3db. In order to meet the psd limit of 10dbm per mhz, the maximum allowed. The zigbee specification describes the. By default boost mode is enabled.. Zigbee Transmit Power.
From www.microchip.com
Industry’s First ‘zigbee PRO with Green Power Certified Platform Zigbee Transmit Power I changed transmit_power to 20, and i see 20 in the ui under settings → advanced, but lqi in the devices list and in the map didn't change at all. In order to meet the psd limit of 10dbm per mhz, the maximum allowed. In general, the common frequency band of zigbee is 2.4 ghz. Across these channels, every zigbee. Zigbee Transmit Power.
From automationcommunity.com
Zigbee Communication Protocol Questions and Answers Zigbee Transmit Power Zigbee alliance board of directors. I changed transmit_power to 20, and i see 20 in the ui under settings → advanced, but lqi in the devices list and in the map didn't change at all. Zigbee2mqtt supports automatic discovery of zigbee network adapters. By default boost mode is enabled. In order to meet the psd limit of 10dbm per mhz,. Zigbee Transmit Power.
From shop.techaccess.co.ke
Buy Tuya Zigbee Smart Home Automation Hub TechAccess Shop Zigbee Transmit Power In general, the common frequency band of zigbee is 2.4 ghz. How do i check that it's actually using. The boost mode improves the receive sensitivity by 2 db and increase the transmit power by 3 db. Zigbee alliance board of directors. I changed transmit_power to 20, and i see 20 in the ui under settings → advanced, but lqi. Zigbee Transmit Power.
From community.st.com
Solved RF transmit power on STM32WB with Zigbee stack Zigbee Transmit Power Across these channels, every zigbee device utilizes a bandwidth of up. In general, the common frequency band of zigbee is 2.4 ghz. In order to meet the psd limit of 10dbm per mhz, the maximum allowed. Zigbee alliance board of directors. In order to use this feature, your adapter must support discovery. How do i check that it's actually using.. Zigbee Transmit Power.
From www.techonicsltd.com
(Zigbee XBee S2C) 6.3mW 1200m wireless data transmission module Zigbee Transmit Power Zigbee2mqtt supports automatic discovery of zigbee network adapters. Zigbee alliance board of directors. The zigbee specification describes the. By default boost mode is enabled. Across these channels, every zigbee device utilizes a bandwidth of up. I changed transmit_power to 20, and i see 20 in the ui under settings → advanced, but lqi in the devices list and in the. Zigbee Transmit Power.
From iot-industrial-devices.com
ZigBee Mesh used in endpoint IoT devices IoT Industrial Devices Zigbee Transmit Power The peak power difference between the zigbee and cw signal measured with rms detector is ~2.3db. The zigbee specification describes the. By default boost mode is enabled. The boost mode improves the receive sensitivity by 2 db and increase the transmit power by 3 db. In order to use this feature, your adapter must support discovery. Across these channels, every. Zigbee Transmit Power.
From www.fourfaith.com
Introduction to ZigBee Wireless Communication FourFaith Zigbee Transmit Power I changed transmit_power to 20, and i see 20 in the ui under settings → advanced, but lqi in the devices list and in the map didn't change at all. Across these channels, every zigbee device utilizes a bandwidth of up. In order to use this feature, your adapter must support discovery. The zigbee specification describes the. The boost mode. Zigbee Transmit Power.
From www.icpdas.com
home > product > solutions > industrial wireless communication > ZigBee Zigbee Transmit Power In general, the common frequency band of zigbee is 2.4 ghz. The boost mode improves the receive sensitivity by 2 db and increase the transmit power by 3 db. In order to meet the psd limit of 10dbm per mhz, the maximum allowed. I changed transmit_power to 20, and i see 20 in the ui under settings → advanced, but. Zigbee Transmit Power.
From hvsprojects.blogspot.com
HVS Technologies Hub for Versatile Science Zigbee controlled Boat Zigbee Transmit Power In order to meet the psd limit of 10dbm per mhz, the maximum allowed. In general, the common frequency band of zigbee is 2.4 ghz. How do i check that it's actually using. Zigbee's low power consumption is rooted not in rf power, but in a sleep mode specifically designed to. By default boost mode is enabled. The peak power. Zigbee Transmit Power.
From www.researchgate.net
Proposed hardware for ZigBee CAN data transmission Download Zigbee Transmit Power The zigbee specification describes the. In order to use this feature, your adapter must support discovery. Zigbee2mqtt supports automatic discovery of zigbee network adapters. By default boost mode is enabled. In order to meet the psd limit of 10dbm per mhz, the maximum allowed. Across these channels, every zigbee device utilizes a bandwidth of up. The boost mode improves the. Zigbee Transmit Power.
From www.techonicsltd.com
(Zigbee XBee S2C) 6.3mW 1200m wireless data transmission module Zigbee Transmit Power How do i check that it's actually using. In order to use this feature, your adapter must support discovery. In general, the common frequency band of zigbee is 2.4 ghz. Zigbee2mqtt supports automatic discovery of zigbee network adapters. The boost mode improves the receive sensitivity by 2 db and increase the transmit power by 3 db. The peak power difference. Zigbee Transmit Power.