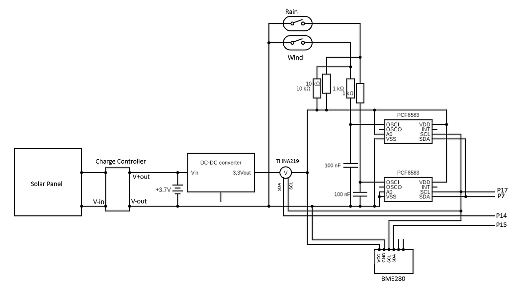
Zigbee Weather Station Home Assistant . — i wanted to build a simple zigbee based weather station with easily available components. I needed it to be battery. Zigbee, wifi, or 433 mhz. — intégration à home assistant. With the mqtt add on, it's a great way to integrate your weather. Une intégration ecowitt est disponible, cependant il faudra passer par hacs pour installer « ecowitt weather station » qui permettra à votre station météo d’être pleinement compatible. — first of all, this is a variation of diy zigbee weather station which is a zigbee weather station but requiring a power supply. Perfect would be a direct wifi integration, but using a. — the protocols that would work for my home assistant setup would be: — the weather station is not requred to run of batteries, i can provide 230v within 1,5 m. As an esphome project, it can display virtually anything from your home assistant setup. weewx supports a number of different weather stations and has a number of themes and add ons. — weather station (home assistant) transmit and record outdoor sensor readings to view on home assistant.
from community.home-assistant.io
weewx supports a number of different weather stations and has a number of themes and add ons. — i wanted to build a simple zigbee based weather station with easily available components. — first of all, this is a variation of diy zigbee weather station which is a zigbee weather station but requiring a power supply. — the protocols that would work for my home assistant setup would be: As an esphome project, it can display virtually anything from your home assistant setup. — intégration à home assistant. Une intégration ecowitt est disponible, cependant il faudra passer par hacs pour installer « ecowitt weather station » qui permettra à votre station météo d’être pleinement compatible. I needed it to be battery. — weather station (home assistant) transmit and record outdoor sensor readings to view on home assistant. Perfect would be a direct wifi integration, but using a.
DIY Zigbee weather station Share your Projects! Home Assistant
Zigbee Weather Station Home Assistant Perfect would be a direct wifi integration, but using a. With the mqtt add on, it's a great way to integrate your weather. — first of all, this is a variation of diy zigbee weather station which is a zigbee weather station but requiring a power supply. I needed it to be battery. — intégration à home assistant. weewx supports a number of different weather stations and has a number of themes and add ons. — i wanted to build a simple zigbee based weather station with easily available components. — weather station (home assistant) transmit and record outdoor sensor readings to view on home assistant. Zigbee, wifi, or 433 mhz. — the weather station is not requred to run of batteries, i can provide 230v within 1,5 m. As an esphome project, it can display virtually anything from your home assistant setup. Perfect would be a direct wifi integration, but using a. — the protocols that would work for my home assistant setup would be: Une intégration ecowitt est disponible, cependant il faudra passer par hacs pour installer « ecowitt weather station » qui permettra à votre station météo d’être pleinement compatible.
From einvoice.fpt.com.vn
DIY Zigbee Weather Station Share Your Projects! Home, 51 OFF Zigbee Weather Station Home Assistant — the protocols that would work for my home assistant setup would be: Zigbee, wifi, or 433 mhz. — i wanted to build a simple zigbee based weather station with easily available components. weewx supports a number of different weather stations and has a number of themes and add ons. — first of all, this is. Zigbee Weather Station Home Assistant.
From nachbelichtet.com
Home Assistant und ZigBee ZHA, DeConz oder ZigBee2MQTT? Zigbee Weather Station Home Assistant Une intégration ecowitt est disponible, cependant il faudra passer par hacs pour installer « ecowitt weather station » qui permettra à votre station météo d’être pleinement compatible. — intégration à home assistant. As an esphome project, it can display virtually anything from your home assistant setup. — the weather station is not requred to run of batteries, i. Zigbee Weather Station Home Assistant.
From community.home-assistant.io
DIY Battery/Solar Powered Zigbee weather station Share your Projects Zigbee Weather Station Home Assistant I needed it to be battery. Une intégration ecowitt est disponible, cependant il faudra passer par hacs pour installer « ecowitt weather station » qui permettra à votre station météo d’être pleinement compatible. As an esphome project, it can display virtually anything from your home assistant setup. — i wanted to build a simple zigbee based weather station with. Zigbee Weather Station Home Assistant.
From www.youtube.com
Sonoff Zigbee Bridge with Home Assistant using Tasmota NO Soldering Zigbee Weather Station Home Assistant weewx supports a number of different weather stations and has a number of themes and add ons. — first of all, this is a variation of diy zigbee weather station which is a zigbee weather station but requiring a power supply. — the protocols that would work for my home assistant setup would be: — intégration. Zigbee Weather Station Home Assistant.
From smarthomescene.com
How To Bridge Zigbee With Home Assistant SmartHomeScene Zigbee Weather Station Home Assistant weewx supports a number of different weather stations and has a number of themes and add ons. — intégration à home assistant. Une intégration ecowitt est disponible, cependant il faudra passer par hacs pour installer « ecowitt weather station » qui permettra à votre station météo d’être pleinement compatible. Perfect would be a direct wifi integration, but using. Zigbee Weather Station Home Assistant.
From www.youtube.com
How to set up ZigBee with Home Assistant? YouTube Zigbee Weather Station Home Assistant weewx supports a number of different weather stations and has a number of themes and add ons. — i wanted to build a simple zigbee based weather station with easily available components. — the protocols that would work for my home assistant setup would be: Perfect would be a direct wifi integration, but using a. —. Zigbee Weather Station Home Assistant.
From www.mostlychris.com
Playing with Home Assistant SkyConnect and Migrating Zigbee Zigbee Weather Station Home Assistant — the protocols that would work for my home assistant setup would be: With the mqtt add on, it's a great way to integrate your weather. — the weather station is not requred to run of batteries, i can provide 230v within 1,5 m. weewx supports a number of different weather stations and has a number of. Zigbee Weather Station Home Assistant.
From community.home-assistant.io
DIY Battery/Solar Powered Zigbee weather station Share your Projects Zigbee Weather Station Home Assistant Une intégration ecowitt est disponible, cependant il faudra passer par hacs pour installer « ecowitt weather station » qui permettra à votre station météo d’être pleinement compatible. Zigbee, wifi, or 433 mhz. — the protocols that would work for my home assistant setup would be: — weather station (home assistant) transmit and record outdoor sensor readings to view. Zigbee Weather Station Home Assistant.
From community.home-assistant.io
DIY Battery/Solar Powered Zigbee weather station Share your Projects Zigbee Weather Station Home Assistant — i wanted to build a simple zigbee based weather station with easily available components. — the weather station is not requred to run of batteries, i can provide 230v within 1,5 m. Zigbee, wifi, or 433 mhz. weewx supports a number of different weather stations and has a number of themes and add ons. —. Zigbee Weather Station Home Assistant.
From www.youtube.com
Make your own Zigbee remote for Home Assistant 820 buttons YouTube Zigbee Weather Station Home Assistant — i wanted to build a simple zigbee based weather station with easily available components. With the mqtt add on, it's a great way to integrate your weather. — the protocols that would work for my home assistant setup would be: I needed it to be battery. — the weather station is not requred to run of. Zigbee Weather Station Home Assistant.
From community.home-assistant.io
DIY Zigbee weather station Share your Projects! Home Assistant Zigbee Weather Station Home Assistant Zigbee, wifi, or 433 mhz. — weather station (home assistant) transmit and record outdoor sensor readings to view on home assistant. — intégration à home assistant. Perfect would be a direct wifi integration, but using a. With the mqtt add on, it's a great way to integrate your weather. weewx supports a number of different weather stations. Zigbee Weather Station Home Assistant.
From www.youtube.com
Set up Zigbee with Home Assistant ZHA Integration guide YouTube Zigbee Weather Station Home Assistant Zigbee, wifi, or 433 mhz. — weather station (home assistant) transmit and record outdoor sensor readings to view on home assistant. I needed it to be battery. As an esphome project, it can display virtually anything from your home assistant setup. Perfect would be a direct wifi integration, but using a. Une intégration ecowitt est disponible, cependant il faudra. Zigbee Weather Station Home Assistant.
From community.home-assistant.io
DIY Zigbee weather station Share your Projects! Home Assistant Zigbee Weather Station Home Assistant — the protocols that would work for my home assistant setup would be: — the weather station is not requred to run of batteries, i can provide 230v within 1,5 m. — i wanted to build a simple zigbee based weather station with easily available components. I needed it to be battery. weewx supports a number. Zigbee Weather Station Home Assistant.
From community.home-assistant.io
DIY Zigbee weather station Share your Projects! Home Assistant Zigbee Weather Station Home Assistant With the mqtt add on, it's a great way to integrate your weather. I needed it to be battery. weewx supports a number of different weather stations and has a number of themes and add ons. Une intégration ecowitt est disponible, cependant il faudra passer par hacs pour installer « ecowitt weather station » qui permettra à votre station. Zigbee Weather Station Home Assistant.
From www.cnx-software.com
ZBMINI Extreme Zigbee smart switch review with Home Assistant CNX Zigbee Weather Station Home Assistant — the protocols that would work for my home assistant setup would be: — intégration à home assistant. Une intégration ecowitt est disponible, cependant il faudra passer par hacs pour installer « ecowitt weather station » qui permettra à votre station météo d’être pleinement compatible. — i wanted to build a simple zigbee based weather station with. Zigbee Weather Station Home Assistant.
From community.home-assistant.io
DIY Battery/Solar Powered Zigbee weather station Share your Projects Zigbee Weather Station Home Assistant — intégration à home assistant. — first of all, this is a variation of diy zigbee weather station which is a zigbee weather station but requiring a power supply. Zigbee, wifi, or 433 mhz. As an esphome project, it can display virtually anything from your home assistant setup. I needed it to be battery. Une intégration ecowitt est. Zigbee Weather Station Home Assistant.
From robert.stadsbygd.net
Home Assistant Zigbee Robert Andresen Zigbee Weather Station Home Assistant — intégration à home assistant. — i wanted to build a simple zigbee based weather station with easily available components. As an esphome project, it can display virtually anything from your home assistant setup. — weather station (home assistant) transmit and record outdoor sensor readings to view on home assistant. weewx supports a number of different. Zigbee Weather Station Home Assistant.
From smarthomedirect.com.au
Best Smart Home Weather Stations Energy Saving Smart Home Devices In Zigbee Weather Station Home Assistant — the protocols that would work for my home assistant setup would be: With the mqtt add on, it's a great way to integrate your weather. — the weather station is not requred to run of batteries, i can provide 230v within 1,5 m. Une intégration ecowitt est disponible, cependant il faudra passer par hacs pour installer «. Zigbee Weather Station Home Assistant.
From www.youtube.com
Howto ZigBee in Home Assistant YouTube Zigbee Weather Station Home Assistant As an esphome project, it can display virtually anything from your home assistant setup. With the mqtt add on, it's a great way to integrate your weather. Zigbee, wifi, or 433 mhz. Perfect would be a direct wifi integration, but using a. — intégration à home assistant. I needed it to be battery. — i wanted to build. Zigbee Weather Station Home Assistant.
From community.home-assistant.io
DIY Zigbee weather station Share your Projects! Home Assistant Zigbee Weather Station Home Assistant — weather station (home assistant) transmit and record outdoor sensor readings to view on home assistant. — the protocols that would work for my home assistant setup would be: As an esphome project, it can display virtually anything from your home assistant setup. weewx supports a number of different weather stations and has a number of themes. Zigbee Weather Station Home Assistant.
From einvoice.fpt.com.vn
DIY Zigbee Weather Station Share Your Projects! Home, 51 OFF Zigbee Weather Station Home Assistant weewx supports a number of different weather stations and has a number of themes and add ons. — i wanted to build a simple zigbee based weather station with easily available components. — first of all, this is a variation of diy zigbee weather station which is a zigbee weather station but requiring a power supply. . Zigbee Weather Station Home Assistant.
From community.home-assistant.io
DIY Zigbee weather station Share your Projects! Home Assistant Zigbee Weather Station Home Assistant Une intégration ecowitt est disponible, cependant il faudra passer par hacs pour installer « ecowitt weather station » qui permettra à votre station météo d’être pleinement compatible. — the protocols that would work for my home assistant setup would be: — first of all, this is a variation of diy zigbee weather station which is a zigbee weather. Zigbee Weather Station Home Assistant.
From www.youtube.com
Zigbee Based Wireless Remote Weather Station Monitoring System Using Zigbee Weather Station Home Assistant With the mqtt add on, it's a great way to integrate your weather. — weather station (home assistant) transmit and record outdoor sensor readings to view on home assistant. As an esphome project, it can display virtually anything from your home assistant setup. — the weather station is not requred to run of batteries, i can provide 230v. Zigbee Weather Station Home Assistant.
From community.home-assistant.io
MOES Zigbee Smart Brightness Thermometer Realtime Light Sensitive Zigbee Weather Station Home Assistant Perfect would be a direct wifi integration, but using a. Zigbee, wifi, or 433 mhz. With the mqtt add on, it's a great way to integrate your weather. — i wanted to build a simple zigbee based weather station with easily available components. — weather station (home assistant) transmit and record outdoor sensor readings to view on home. Zigbee Weather Station Home Assistant.
From community.home-assistant.io
DIY Battery/Solar Powered Zigbee weather station Share your Projects Zigbee Weather Station Home Assistant As an esphome project, it can display virtually anything from your home assistant setup. Une intégration ecowitt est disponible, cependant il faudra passer par hacs pour installer « ecowitt weather station » qui permettra à votre station météo d’être pleinement compatible. — the protocols that would work for my home assistant setup would be: Zigbee, wifi, or 433 mhz.. Zigbee Weather Station Home Assistant.
From domoticzfaq.ru
Home assistant raspberry pi zigbee Zigbee Weather Station Home Assistant Zigbee, wifi, or 433 mhz. With the mqtt add on, it's a great way to integrate your weather. Perfect would be a direct wifi integration, but using a. As an esphome project, it can display virtually anything from your home assistant setup. — intégration à home assistant. I needed it to be battery. — the protocols that would. Zigbee Weather Station Home Assistant.
From community.home-assistant.io
DIY Zigbee weather station Share your Projects! Home Assistant Zigbee Weather Station Home Assistant I needed it to be battery. — the weather station is not requred to run of batteries, i can provide 230v within 1,5 m. — i wanted to build a simple zigbee based weather station with easily available components. — first of all, this is a variation of diy zigbee weather station which is a zigbee weather. Zigbee Weather Station Home Assistant.
From www.youtube.com
How to create your own Weather Station in Home Assistant! YouTube Zigbee Weather Station Home Assistant weewx supports a number of different weather stations and has a number of themes and add ons. Zigbee, wifi, or 433 mhz. — weather station (home assistant) transmit and record outdoor sensor readings to view on home assistant. With the mqtt add on, it's a great way to integrate your weather. I needed it to be battery. As. Zigbee Weather Station Home Assistant.
From www.raspberrylovers.com
Home Assistant Raspberry Pi 3 Zigbee Raspberry Zigbee Weather Station Home Assistant — i wanted to build a simple zigbee based weather station with easily available components. As an esphome project, it can display virtually anything from your home assistant setup. — first of all, this is a variation of diy zigbee weather station which is a zigbee weather station but requiring a power supply. — intégration à home. Zigbee Weather Station Home Assistant.
From community.home-assistant.io
DIY Zigbee weather station Share your Projects! Home Assistant Zigbee Weather Station Home Assistant — intégration à home assistant. With the mqtt add on, it's a great way to integrate your weather. I needed it to be battery. As an esphome project, it can display virtually anything from your home assistant setup. — first of all, this is a variation of diy zigbee weather station which is a zigbee weather station but. Zigbee Weather Station Home Assistant.
From community.home-assistant.io
DIY Zigbee weather station Share your Projects! Home Assistant Zigbee Weather Station Home Assistant With the mqtt add on, it's a great way to integrate your weather. weewx supports a number of different weather stations and has a number of themes and add ons. — weather station (home assistant) transmit and record outdoor sensor readings to view on home assistant. I needed it to be battery. Zigbee, wifi, or 433 mhz. . Zigbee Weather Station Home Assistant.
From einvoice.fpt.com.vn
DIY Zigbee Weather Station Share Your Projects! Home, 51 OFF Zigbee Weather Station Home Assistant Zigbee, wifi, or 433 mhz. weewx supports a number of different weather stations and has a number of themes and add ons. — the weather station is not requred to run of batteries, i can provide 230v within 1,5 m. Perfect would be a direct wifi integration, but using a. As an esphome project, it can display virtually. Zigbee Weather Station Home Assistant.
From www.youtube.com
How I made an IP65 Zigbee Sensor for Home Assistant YouTube Zigbee Weather Station Home Assistant — i wanted to build a simple zigbee based weather station with easily available components. Perfect would be a direct wifi integration, but using a. With the mqtt add on, it's a great way to integrate your weather. — intégration à home assistant. Zigbee, wifi, or 433 mhz. Une intégration ecowitt est disponible, cependant il faudra passer par. Zigbee Weather Station Home Assistant.
From einvoice.fpt.com.vn
DIY Zigbee Weather Station Share Your Projects! Home, 51 OFF Zigbee Weather Station Home Assistant With the mqtt add on, it's a great way to integrate your weather. — the protocols that would work for my home assistant setup would be: weewx supports a number of different weather stations and has a number of themes and add ons. — first of all, this is a variation of diy zigbee weather station which. Zigbee Weather Station Home Assistant.
From community.home-assistant.io
DIY Zigbee weather station Share your Projects! Home Assistant Zigbee Weather Station Home Assistant Zigbee, wifi, or 433 mhz. I needed it to be battery. Une intégration ecowitt est disponible, cependant il faudra passer par hacs pour installer « ecowitt weather station » qui permettra à votre station météo d’être pleinement compatible. — the weather station is not requred to run of batteries, i can provide 230v within 1,5 m. — the. Zigbee Weather Station Home Assistant.