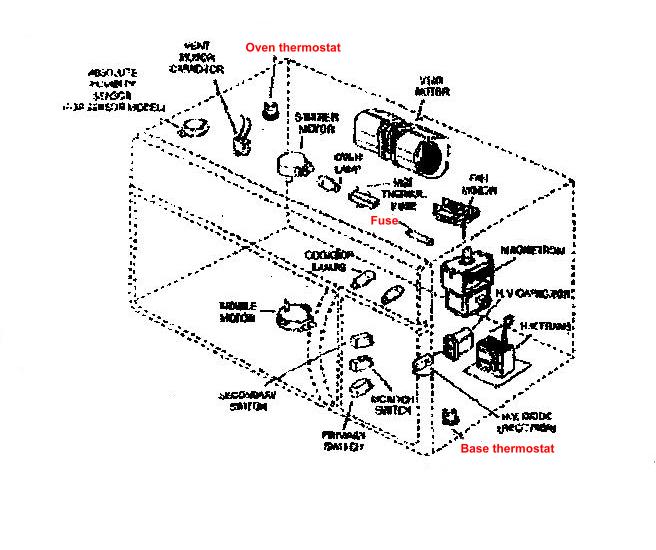
Where Is The Fuse Located On A Kitchenaid Microwave . The easiest way to fix a kitchenaid microwave when the display is not working is to do a soft restart. To begin our quest, we first need to identify where the fuse is located in a microwave. This is done by disconnecting the microwave from power for a full minute before powering it back up again. Open the microwave door and look for a. Using the screwdriver, carefully unscrew the screws around. The thermal fuse cuts off power to the microwave if the microwave overheats. To determine if the thermal fuse has blown, use a multimeter to test. The location of the fuse in a kitchenaid microwave can vary depending on the model. The most common reason for replacing the line fuse is if the microwave will. To access the fuse, you will need to remove the outer cover of the microwave. You can unplug the microwave or turn it off at the circuit breaker.
from wowtutorial.org
The easiest way to fix a kitchenaid microwave when the display is not working is to do a soft restart. The thermal fuse cuts off power to the microwave if the microwave overheats. Open the microwave door and look for a. To begin our quest, we first need to identify where the fuse is located in a microwave. You can unplug the microwave or turn it off at the circuit breaker. To access the fuse, you will need to remove the outer cover of the microwave. This is done by disconnecting the microwave from power for a full minute before powering it back up again. Using the screwdriver, carefully unscrew the screws around. The most common reason for replacing the line fuse is if the microwave will. The location of the fuse in a kitchenaid microwave can vary depending on the model.
Kitchenaid Microwave Parts Manual Wow Blog
Where Is The Fuse Located On A Kitchenaid Microwave The easiest way to fix a kitchenaid microwave when the display is not working is to do a soft restart. This is done by disconnecting the microwave from power for a full minute before powering it back up again. Open the microwave door and look for a. To begin our quest, we first need to identify where the fuse is located in a microwave. You can unplug the microwave or turn it off at the circuit breaker. The most common reason for replacing the line fuse is if the microwave will. To access the fuse, you will need to remove the outer cover of the microwave. The easiest way to fix a kitchenaid microwave when the display is not working is to do a soft restart. The location of the fuse in a kitchenaid microwave can vary depending on the model. Using the screwdriver, carefully unscrew the screws around. To determine if the thermal fuse has blown, use a multimeter to test. The thermal fuse cuts off power to the microwave if the microwave overheats.
From www.justanswer.com
Appliance kitchenaid kmhs120ess microwave no power to it, where is the Where Is The Fuse Located On A Kitchenaid Microwave To begin our quest, we first need to identify where the fuse is located in a microwave. Open the microwave door and look for a. This is done by disconnecting the microwave from power for a full minute before powering it back up again. To determine if the thermal fuse has blown, use a multimeter to test. Using the screwdriver,. Where Is The Fuse Located On A Kitchenaid Microwave.
From homeapricot.com
Kitchenaid Microwave Not Heating Why & How to Fix? HomeApricot Where Is The Fuse Located On A Kitchenaid Microwave The most common reason for replacing the line fuse is if the microwave will. Open the microwave door and look for a. To begin our quest, we first need to identify where the fuse is located in a microwave. To determine if the thermal fuse has blown, use a multimeter to test. You can unplug the microwave or turn it. Where Is The Fuse Located On A Kitchenaid Microwave.
From www.justanswer.com
Appliance kitchenaid kmhs120ess microwave no power to it, where is the Where Is The Fuse Located On A Kitchenaid Microwave The most common reason for replacing the line fuse is if the microwave will. The location of the fuse in a kitchenaid microwave can vary depending on the model. Using the screwdriver, carefully unscrew the screws around. To access the fuse, you will need to remove the outer cover of the microwave. To determine if the thermal fuse has blown,. Where Is The Fuse Located On A Kitchenaid Microwave.
From www.fuseservice.com
Microwave & Oven Combo KitchenAid Fuse HVAC, Refrigeration Where Is The Fuse Located On A Kitchenaid Microwave Open the microwave door and look for a. The most common reason for replacing the line fuse is if the microwave will. To begin our quest, we first need to identify where the fuse is located in a microwave. To access the fuse, you will need to remove the outer cover of the microwave. The location of the fuse in. Where Is The Fuse Located On A Kitchenaid Microwave.
From www.appliancefactoryparts.com
Kitchenaid KCMS1555RSS Parts Microwaves Where Is The Fuse Located On A Kitchenaid Microwave You can unplug the microwave or turn it off at the circuit breaker. To determine if the thermal fuse has blown, use a multimeter to test. The thermal fuse cuts off power to the microwave if the microwave overheats. The most common reason for replacing the line fuse is if the microwave will. Using the screwdriver, carefully unscrew the screws. Where Is The Fuse Located On A Kitchenaid Microwave.
From www.manualslib.com
KITCHENAID KBHS179BSS00 INSTALLATION INSTRUCTIONS MANUAL Pdf Download Where Is The Fuse Located On A Kitchenaid Microwave Using the screwdriver, carefully unscrew the screws around. The most common reason for replacing the line fuse is if the microwave will. The easiest way to fix a kitchenaid microwave when the display is not working is to do a soft restart. To access the fuse, you will need to remove the outer cover of the microwave. The location of. Where Is The Fuse Located On A Kitchenaid Microwave.
From www.teachyourson.com
How to Replace a Thermal Fuse on a KitchenAid Dishwasher Where Is The Fuse Located On A Kitchenaid Microwave This is done by disconnecting the microwave from power for a full minute before powering it back up again. You can unplug the microwave or turn it off at the circuit breaker. The most common reason for replacing the line fuse is if the microwave will. To determine if the thermal fuse has blown, use a multimeter to test. The. Where Is The Fuse Located On A Kitchenaid Microwave.
From kitchenaidmicrowavenakanse.blogspot.com
Kitchenaid Microwave Kitchenaid Microwave Parts Canada Where Is The Fuse Located On A Kitchenaid Microwave The thermal fuse cuts off power to the microwave if the microwave overheats. Using the screwdriver, carefully unscrew the screws around. This is done by disconnecting the microwave from power for a full minute before powering it back up again. The easiest way to fix a kitchenaid microwave when the display is not working is to do a soft restart.. Where Is The Fuse Located On A Kitchenaid Microwave.
From kitchenaidmicrowavenakanse.blogspot.com
Kitchenaid Microwave Kitchenaid Microwave Parts List Where Is The Fuse Located On A Kitchenaid Microwave The most common reason for replacing the line fuse is if the microwave will. The thermal fuse cuts off power to the microwave if the microwave overheats. This is done by disconnecting the microwave from power for a full minute before powering it back up again. Using the screwdriver, carefully unscrew the screws around. To begin our quest, we first. Where Is The Fuse Located On A Kitchenaid Microwave.
From www.youtube.com
KitchenAid Microwave Fuse Holder Replacement W10245194 YouTube Where Is The Fuse Located On A Kitchenaid Microwave The most common reason for replacing the line fuse is if the microwave will. To access the fuse, you will need to remove the outer cover of the microwave. To begin our quest, we first need to identify where the fuse is located in a microwave. Open the microwave door and look for a. To determine if the thermal fuse. Where Is The Fuse Located On A Kitchenaid Microwave.
From hourgett.weebly.com
Kitchenaid Superba Microwave Repair Manual hourgett Where Is The Fuse Located On A Kitchenaid Microwave Using the screwdriver, carefully unscrew the screws around. The thermal fuse cuts off power to the microwave if the microwave overheats. To determine if the thermal fuse has blown, use a multimeter to test. To begin our quest, we first need to identify where the fuse is located in a microwave. You can unplug the microwave or turn it off. Where Is The Fuse Located On A Kitchenaid Microwave.
From kitchenaidmicrowavenakanse.blogspot.com
Kitchenaid Microwave Kitchenaid Microwave Parts List Where Is The Fuse Located On A Kitchenaid Microwave The easiest way to fix a kitchenaid microwave when the display is not working is to do a soft restart. The most common reason for replacing the line fuse is if the microwave will. Using the screwdriver, carefully unscrew the screws around. You can unplug the microwave or turn it off at the circuit breaker. The thermal fuse cuts off. Where Is The Fuse Located On A Kitchenaid Microwave.
From www.youtube.com
How To Whirlpool/KitchenAid/Maytag Thermal Fuse 675813 YouTube Where Is The Fuse Located On A Kitchenaid Microwave The most common reason for replacing the line fuse is if the microwave will. You can unplug the microwave or turn it off at the circuit breaker. This is done by disconnecting the microwave from power for a full minute before powering it back up again. The easiest way to fix a kitchenaid microwave when the display is not working. Where Is The Fuse Located On A Kitchenaid Microwave.
From www.youtube.com
Oven Thermal Fuse Testing & Replacement Repair & Replace YouTube Where Is The Fuse Located On A Kitchenaid Microwave You can unplug the microwave or turn it off at the circuit breaker. Using the screwdriver, carefully unscrew the screws around. The location of the fuse in a kitchenaid microwave can vary depending on the model. This is done by disconnecting the microwave from power for a full minute before powering it back up again. The thermal fuse cuts off. Where Is The Fuse Located On A Kitchenaid Microwave.
From www.fix.com
OEM KitchenAid W10402110 Thermal Fuse Where Is The Fuse Located On A Kitchenaid Microwave To begin our quest, we first need to identify where the fuse is located in a microwave. To access the fuse, you will need to remove the outer cover of the microwave. This is done by disconnecting the microwave from power for a full minute before powering it back up again. The easiest way to fix a kitchenaid microwave when. Where Is The Fuse Located On A Kitchenaid Microwave.
From www.appliancefactoryparts.com
Kitchenaid KCMS1555SSS Parts Microwaves Where Is The Fuse Located On A Kitchenaid Microwave Using the screwdriver, carefully unscrew the screws around. Open the microwave door and look for a. This is done by disconnecting the microwave from power for a full minute before powering it back up again. The location of the fuse in a kitchenaid microwave can vary depending on the model. To begin our quest, we first need to identify where. Where Is The Fuse Located On A Kitchenaid Microwave.
From kitchenaidmicrowavenakanse.blogspot.com
Kitchenaid Microwave Kitchenaid Microwave Parts List Where Is The Fuse Located On A Kitchenaid Microwave The most common reason for replacing the line fuse is if the microwave will. The location of the fuse in a kitchenaid microwave can vary depending on the model. To access the fuse, you will need to remove the outer cover of the microwave. To determine if the thermal fuse has blown, use a multimeter to test. The easiest way. Where Is The Fuse Located On A Kitchenaid Microwave.
From www.manualslib.com
KitchenAid KOCE500ESS Electric Microwave Oven Control Guide ManualsLib Where Is The Fuse Located On A Kitchenaid Microwave Using the screwdriver, carefully unscrew the screws around. The location of the fuse in a kitchenaid microwave can vary depending on the model. You can unplug the microwave or turn it off at the circuit breaker. To determine if the thermal fuse has blown, use a multimeter to test. The most common reason for replacing the line fuse is if. Where Is The Fuse Located On A Kitchenaid Microwave.
From www.ebay.com
NEW GENUINE KITCHENAID MICROWAVE OVEN KMCC5015GSS0 THERMAL FUSE KSD1 90 Where Is The Fuse Located On A Kitchenaid Microwave To begin our quest, we first need to identify where the fuse is located in a microwave. Using the screwdriver, carefully unscrew the screws around. The most common reason for replacing the line fuse is if the microwave will. Open the microwave door and look for a. The thermal fuse cuts off power to the microwave if the microwave overheats.. Where Is The Fuse Located On A Kitchenaid Microwave.
From www.appliancefactoryparts.com
Parts for KCMS185JSS Kitchenaid Microwaves Where Is The Fuse Located On A Kitchenaid Microwave To access the fuse, you will need to remove the outer cover of the microwave. Open the microwave door and look for a. The easiest way to fix a kitchenaid microwave when the display is not working is to do a soft restart. To begin our quest, we first need to identify where the fuse is located in a microwave.. Where Is The Fuse Located On A Kitchenaid Microwave.
From www.tepte.com
Where is the fuse located in a microwave? How many fuses are in a Where Is The Fuse Located On A Kitchenaid Microwave You can unplug the microwave or turn it off at the circuit breaker. The location of the fuse in a kitchenaid microwave can vary depending on the model. Using the screwdriver, carefully unscrew the screws around. The thermal fuse cuts off power to the microwave if the microwave overheats. Open the microwave door and look for a. To access the. Where Is The Fuse Located On A Kitchenaid Microwave.
From www.youtube.com
SOLVED**Microwave stopped working. Loose or bad Thermal Fuse! YouTube Where Is The Fuse Located On A Kitchenaid Microwave This is done by disconnecting the microwave from power for a full minute before powering it back up again. The easiest way to fix a kitchenaid microwave when the display is not working is to do a soft restart. The most common reason for replacing the line fuse is if the microwave will. The thermal fuse cuts off power to. Where Is The Fuse Located On A Kitchenaid Microwave.
From www.justanswer.com
How do I find the location of the internal fuse in the Bosch Where Is The Fuse Located On A Kitchenaid Microwave To begin our quest, we first need to identify where the fuse is located in a microwave. The thermal fuse cuts off power to the microwave if the microwave overheats. The location of the fuse in a kitchenaid microwave can vary depending on the model. You can unplug the microwave or turn it off at the circuit breaker. This is. Where Is The Fuse Located On A Kitchenaid Microwave.
From parts.sears.com
KITCHENAID MICROWAVECOUNTERTOP Parts Model KCMC155JSS0 Sears Where Is The Fuse Located On A Kitchenaid Microwave The easiest way to fix a kitchenaid microwave when the display is not working is to do a soft restart. Open the microwave door and look for a. You can unplug the microwave or turn it off at the circuit breaker. This is done by disconnecting the microwave from power for a full minute before powering it back up again.. Where Is The Fuse Located On A Kitchenaid Microwave.
From www.appliancefactoryparts.com
Kitchenaid KCMS2055SSS1 Parts Microwaves Where Is The Fuse Located On A Kitchenaid Microwave The location of the fuse in a kitchenaid microwave can vary depending on the model. Open the microwave door and look for a. To begin our quest, we first need to identify where the fuse is located in a microwave. This is done by disconnecting the microwave from power for a full minute before powering it back up again. The. Where Is The Fuse Located On A Kitchenaid Microwave.
From www.repairclinic.com
Kitchenaid Microwave Line Fuse Replacement W11188752 Repair Clinic Where Is The Fuse Located On A Kitchenaid Microwave To determine if the thermal fuse has blown, use a multimeter to test. The most common reason for replacing the line fuse is if the microwave will. To begin our quest, we first need to identify where the fuse is located in a microwave. The location of the fuse in a kitchenaid microwave can vary depending on the model. Using. Where Is The Fuse Located On A Kitchenaid Microwave.
From enginediagrammitchell.z6.web.core.windows.net
Kitchenaid Microwave Wiring Diagram Where Is The Fuse Located On A Kitchenaid Microwave This is done by disconnecting the microwave from power for a full minute before powering it back up again. You can unplug the microwave or turn it off at the circuit breaker. To access the fuse, you will need to remove the outer cover of the microwave. The easiest way to fix a kitchenaid microwave when the display is not. Where Is The Fuse Located On A Kitchenaid Microwave.
From applianceexpresstx.com
Microwave Not Working Fuse is blown Appliance Express Where Is The Fuse Located On A Kitchenaid Microwave To determine if the thermal fuse has blown, use a multimeter to test. The location of the fuse in a kitchenaid microwave can vary depending on the model. This is done by disconnecting the microwave from power for a full minute before powering it back up again. The easiest way to fix a kitchenaid microwave when the display is not. Where Is The Fuse Located On A Kitchenaid Microwave.
From wiringdatateresa.z21.web.core.windows.net
Kitchenaid Microwave Wiring Diagram Where Is The Fuse Located On A Kitchenaid Microwave You can unplug the microwave or turn it off at the circuit breaker. The most common reason for replacing the line fuse is if the microwave will. To determine if the thermal fuse has blown, use a multimeter to test. The location of the fuse in a kitchenaid microwave can vary depending on the model. Using the screwdriver, carefully unscrew. Where Is The Fuse Located On A Kitchenaid Microwave.
From www.appliancefactoryparts.com
Kitchenaid KCMS1555SSS Parts Microwaves Where Is The Fuse Located On A Kitchenaid Microwave Using the screwdriver, carefully unscrew the screws around. You can unplug the microwave or turn it off at the circuit breaker. Open the microwave door and look for a. To determine if the thermal fuse has blown, use a multimeter to test. To begin our quest, we first need to identify where the fuse is located in a microwave. The. Where Is The Fuse Located On A Kitchenaid Microwave.
From wowtutorial.org
Kitchenaid Microwave Parts Manual Wow Blog Where Is The Fuse Located On A Kitchenaid Microwave The thermal fuse cuts off power to the microwave if the microwave overheats. Open the microwave door and look for a. To begin our quest, we first need to identify where the fuse is located in a microwave. Using the screwdriver, carefully unscrew the screws around. This is done by disconnecting the microwave from power for a full minute before. Where Is The Fuse Located On A Kitchenaid Microwave.
From ambrosiabaking.com
How To Replace A Kitchenaid Dishwasher Thermal Fuse A StepbyStep Where Is The Fuse Located On A Kitchenaid Microwave Open the microwave door and look for a. You can unplug the microwave or turn it off at the circuit breaker. The location of the fuse in a kitchenaid microwave can vary depending on the model. This is done by disconnecting the microwave from power for a full minute before powering it back up again. The thermal fuse cuts off. Where Is The Fuse Located On A Kitchenaid Microwave.
From wowtutorial.org
Kitchenaid Microwave Parts Manual Wow Blog Where Is The Fuse Located On A Kitchenaid Microwave Open the microwave door and look for a. The easiest way to fix a kitchenaid microwave when the display is not working is to do a soft restart. This is done by disconnecting the microwave from power for a full minute before powering it back up again. The location of the fuse in a kitchenaid microwave can vary depending on. Where Is The Fuse Located On A Kitchenaid Microwave.
From www.youtube.com
Replacing Microwave Fuse YouTube Where Is The Fuse Located On A Kitchenaid Microwave You can unplug the microwave or turn it off at the circuit breaker. The most common reason for replacing the line fuse is if the microwave will. The location of the fuse in a kitchenaid microwave can vary depending on the model. This is done by disconnecting the microwave from power for a full minute before powering it back up. Where Is The Fuse Located On A Kitchenaid Microwave.
From kitchenaidmicrowavenakanse.blogspot.com
Kitchenaid Microwave December 2016 Where Is The Fuse Located On A Kitchenaid Microwave You can unplug the microwave or turn it off at the circuit breaker. To begin our quest, we first need to identify where the fuse is located in a microwave. Open the microwave door and look for a. The location of the fuse in a kitchenaid microwave can vary depending on the model. To access the fuse, you will need. Where Is The Fuse Located On A Kitchenaid Microwave.