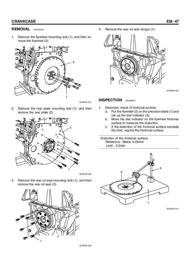
Dd15 Flywheel Bolt Torque . For the dd15 and dd16; Flywheel mounting bolts 100 lb.ft rear engine mounting bracket 80 lb.ft fuel filter housing cap 18 lb.ft fuel injector hold down 30 lb.ft injection. Install the exhaust pipe and bracket to the flywheel housing and axial power turbine. Then torque to 20 n·m (14 lb·ft). Finger tighten all bolts (1) and stud bolts; Install the exhaust pipe and bracket to the flywheel housing and axial power turbine. [a] 150 n·m (110 lb·ft) [b] 250 n·m (184 lb·ft) [c] 1st 90° torque turn [d] 2nd 90° torque turn note: For the dd15 and dd16; Install two bolts into the bracket. Torque the main bearing cap bolts to: Install two bolts into the bracket.
from www.vanderhaags.com
Finger tighten all bolts (1) and stud bolts; Install the exhaust pipe and bracket to the flywheel housing and axial power turbine. Install two bolts into the bracket. For the dd15 and dd16; Flywheel mounting bolts 100 lb.ft rear engine mounting bracket 80 lb.ft fuel filter housing cap 18 lb.ft fuel injector hold down 30 lb.ft injection. [a] 150 n·m (110 lb·ft) [b] 250 n·m (184 lb·ft) [c] 1st 90° torque turn [d] 2nd 90° torque turn note: Install two bolts into the bracket. Then torque to 20 n·m (14 lb·ft). Torque the main bearing cap bolts to: For the dd15 and dd16;
A4720152102 Detroit DD15 Engine Flywheel Housing for Sale
Dd15 Flywheel Bolt Torque For the dd15 and dd16; [a] 150 n·m (110 lb·ft) [b] 250 n·m (184 lb·ft) [c] 1st 90° torque turn [d] 2nd 90° torque turn note: Torque the main bearing cap bolts to: Install two bolts into the bracket. Install the exhaust pipe and bracket to the flywheel housing and axial power turbine. Finger tighten all bolts (1) and stud bolts; Then torque to 20 n·m (14 lb·ft). Flywheel mounting bolts 100 lb.ft rear engine mounting bracket 80 lb.ft fuel filter housing cap 18 lb.ft fuel injector hold down 30 lb.ft injection. Install the exhaust pipe and bracket to the flywheel housing and axial power turbine. For the dd15 and dd16; For the dd15 and dd16; Install two bolts into the bracket.
From barringtondieselclub.co.za
Detroit Diesel DD 13, DD 15 and DD 16 key specs and bolt torques Dd15 Flywheel Bolt Torque For the dd15 and dd16; Install two bolts into the bracket. Install the exhaust pipe and bracket to the flywheel housing and axial power turbine. Install the exhaust pipe and bracket to the flywheel housing and axial power turbine. Then torque to 20 n·m (14 lb·ft). For the dd15 and dd16; Install two bolts into the bracket. Finger tighten all. Dd15 Flywheel Bolt Torque.
From www.slideshare.net
Dd15 engine torque spec Dd15 Flywheel Bolt Torque For the dd15 and dd16; Install two bolts into the bracket. Flywheel mounting bolts 100 lb.ft rear engine mounting bracket 80 lb.ft fuel filter housing cap 18 lb.ft fuel injector hold down 30 lb.ft injection. Install the exhaust pipe and bracket to the flywheel housing and axial power turbine. Install two bolts into the bracket. For the dd15 and dd16;. Dd15 Flywheel Bolt Torque.
From www.mylittlesalesman.com
Detroit DD15 Flywheel For Sale Spencer, IA 117044A Dd15 Flywheel Bolt Torque Flywheel mounting bolts 100 lb.ft rear engine mounting bracket 80 lb.ft fuel filter housing cap 18 lb.ft fuel injector hold down 30 lb.ft injection. Then torque to 20 n·m (14 lb·ft). Finger tighten all bolts (1) and stud bolts; Install the exhaust pipe and bracket to the flywheel housing and axial power turbine. For the dd15 and dd16; Install two. Dd15 Flywheel Bolt Torque.
From www.slideshare.net
Dd15 engine torque spec Dd15 Flywheel Bolt Torque Install two bolts into the bracket. Finger tighten all bolts (1) and stud bolts; Then torque to 20 n·m (14 lb·ft). For the dd15 and dd16; Install the exhaust pipe and bracket to the flywheel housing and axial power turbine. Install the exhaust pipe and bracket to the flywheel housing and axial power turbine. Flywheel mounting bolts 100 lb.ft rear. Dd15 Flywheel Bolt Torque.
From www.youtube.com
DD15 major overhaul Part 6, cylinder head bolt installation and how to Dd15 Flywheel Bolt Torque Then torque to 20 n·m (14 lb·ft). Install two bolts into the bracket. Flywheel mounting bolts 100 lb.ft rear engine mounting bracket 80 lb.ft fuel filter housing cap 18 lb.ft fuel injector hold down 30 lb.ft injection. For the dd15 and dd16; Finger tighten all bolts (1) and stud bolts; Torque the main bearing cap bolts to: Install two bolts. Dd15 Flywheel Bolt Torque.
From www.vanderhaags.com
A4720152102 Detroit DD15 Engine Flywheel Housing for Sale Dd15 Flywheel Bolt Torque For the dd15 and dd16; Install two bolts into the bracket. Finger tighten all bolts (1) and stud bolts; Flywheel mounting bolts 100 lb.ft rear engine mounting bracket 80 lb.ft fuel filter housing cap 18 lb.ft fuel injector hold down 30 lb.ft injection. [a] 150 n·m (110 lb·ft) [b] 250 n·m (184 lb·ft) [c] 1st 90° torque turn [d] 2nd. Dd15 Flywheel Bolt Torque.
From www.youtube.com
Tightening DD15 Main Bearing Bolts With a Torcup Raptor 1000 YouTube Dd15 Flywheel Bolt Torque Flywheel mounting bolts 100 lb.ft rear engine mounting bracket 80 lb.ft fuel filter housing cap 18 lb.ft fuel injector hold down 30 lb.ft injection. [a] 150 n·m (110 lb·ft) [b] 250 n·m (184 lb·ft) [c] 1st 90° torque turn [d] 2nd 90° torque turn note: Install two bolts into the bracket. For the dd15 and dd16; Finger tighten all bolts. Dd15 Flywheel Bolt Torque.
From www.vanderhaags.com
4720300005 Detroit DD15 Engine Flywheel for Sale Dd15 Flywheel Bolt Torque Install the exhaust pipe and bracket to the flywheel housing and axial power turbine. Install two bolts into the bracket. For the dd15 and dd16; Then torque to 20 n·m (14 lb·ft). Finger tighten all bolts (1) and stud bolts; [a] 150 n·m (110 lb·ft) [b] 250 n·m (184 lb·ft) [c] 1st 90° torque turn [d] 2nd 90° torque turn. Dd15 Flywheel Bolt Torque.
From www.slideshare.net
Dd15 engine torque spec Dd15 Flywheel Bolt Torque Install two bolts into the bracket. Finger tighten all bolts (1) and stud bolts; Install the exhaust pipe and bracket to the flywheel housing and axial power turbine. Torque the main bearing cap bolts to: For the dd15 and dd16; [a] 150 n·m (110 lb·ft) [b] 250 n·m (184 lb·ft) [c] 1st 90° torque turn [d] 2nd 90° torque turn. Dd15 Flywheel Bolt Torque.
From www.slideshare.net
Dd15 engine torque spec Dd15 Flywheel Bolt Torque For the dd15 and dd16; Flywheel mounting bolts 100 lb.ft rear engine mounting bracket 80 lb.ft fuel filter housing cap 18 lb.ft fuel injector hold down 30 lb.ft injection. Install two bolts into the bracket. Torque the main bearing cap bolts to: Then torque to 20 n·m (14 lb·ft). [a] 150 n·m (110 lb·ft) [b] 250 n·m (184 lb·ft) [c]. Dd15 Flywheel Bolt Torque.
From www.fleettruckparts.com
Detroit DD15 Flywheel 4720300005 by AKMI Dd15 Flywheel Bolt Torque For the dd15 and dd16; [a] 150 n·m (110 lb·ft) [b] 250 n·m (184 lb·ft) [c] 1st 90° torque turn [d] 2nd 90° torque turn note: Install the exhaust pipe and bracket to the flywheel housing and axial power turbine. Finger tighten all bolts (1) and stud bolts; Install two bolts into the bracket. Then torque to 20 n·m (14. Dd15 Flywheel Bolt Torque.
From fyoowtlyq.blob.core.windows.net
Dd15 Flywheel Bolt Torque Specs at Patricia Cleaves blog Dd15 Flywheel Bolt Torque Install the exhaust pipe and bracket to the flywheel housing and axial power turbine. Finger tighten all bolts (1) and stud bolts; [a] 150 n·m (110 lb·ft) [b] 250 n·m (184 lb·ft) [c] 1st 90° torque turn [d] 2nd 90° torque turn note: For the dd15 and dd16; For the dd15 and dd16; Torque the main bearing cap bolts to:. Dd15 Flywheel Bolt Torque.
From truckpartsinventory.com
Used Detroit Diesel DD15 Flywheel for sale Dorr Michigan United Dd15 Flywheel Bolt Torque For the dd15 and dd16; Install the exhaust pipe and bracket to the flywheel housing and axial power turbine. Finger tighten all bolts (1) and stud bolts; Flywheel mounting bolts 100 lb.ft rear engine mounting bracket 80 lb.ft fuel filter housing cap 18 lb.ft fuel injector hold down 30 lb.ft injection. Torque the main bearing cap bolts to: Install two. Dd15 Flywheel Bolt Torque.
From www.frontiertruckparts.com
Detroit Diesel DD15 Flywheel Frontier Truck Parts Dd15 Flywheel Bolt Torque Install the exhaust pipe and bracket to the flywheel housing and axial power turbine. [a] 150 n·m (110 lb·ft) [b] 250 n·m (184 lb·ft) [c] 1st 90° torque turn [d] 2nd 90° torque turn note: Install two bolts into the bracket. Flywheel mounting bolts 100 lb.ft rear engine mounting bracket 80 lb.ft fuel filter housing cap 18 lb.ft fuel injector. Dd15 Flywheel Bolt Torque.
From frontiertruckparts.com
Frontier Truck Parts Dd15 Flywheel Bolt Torque Install the exhaust pipe and bracket to the flywheel housing and axial power turbine. Install two bolts into the bracket. Then torque to 20 n·m (14 lb·ft). For the dd15 and dd16; Finger tighten all bolts (1) and stud bolts; Install the exhaust pipe and bracket to the flywheel housing and axial power turbine. [a] 150 n·m (110 lb·ft) [b]. Dd15 Flywheel Bolt Torque.
From frontiertruckparts.com
Frontier Truck Parts Dd15 Flywheel Bolt Torque For the dd15 and dd16; Install the exhaust pipe and bracket to the flywheel housing and axial power turbine. [a] 150 n·m (110 lb·ft) [b] 250 n·m (184 lb·ft) [c] 1st 90° torque turn [d] 2nd 90° torque turn note: Flywheel mounting bolts 100 lb.ft rear engine mounting bracket 80 lb.ft fuel filter housing cap 18 lb.ft fuel injector hold. Dd15 Flywheel Bolt Torque.
From www.youtube.com
DD15 & 16 connecting rod bearing torque specification YouTube Dd15 Flywheel Bolt Torque Then torque to 20 n·m (14 lb·ft). Install the exhaust pipe and bracket to the flywheel housing and axial power turbine. Torque the main bearing cap bolts to: Install two bolts into the bracket. Install the exhaust pipe and bracket to the flywheel housing and axial power turbine. Finger tighten all bolts (1) and stud bolts; For the dd15 and. Dd15 Flywheel Bolt Torque.
From www.paylesstruckparts.com
2017 Detroit DD15 Flywheel Payless Truck Parts Dd15 Flywheel Bolt Torque [a] 150 n·m (110 lb·ft) [b] 250 n·m (184 lb·ft) [c] 1st 90° torque turn [d] 2nd 90° torque turn note: Torque the main bearing cap bolts to: Finger tighten all bolts (1) and stud bolts; Then torque to 20 n·m (14 lb·ft). Install the exhaust pipe and bracket to the flywheel housing and axial power turbine. For the dd15. Dd15 Flywheel Bolt Torque.
From www.frontiertruckparts.com
Detroit Diesel DD15 Flywheel Frontier Truck Parts Dd15 Flywheel Bolt Torque [a] 150 n·m (110 lb·ft) [b] 250 n·m (184 lb·ft) [c] 1st 90° torque turn [d] 2nd 90° torque turn note: Install the exhaust pipe and bracket to the flywheel housing and axial power turbine. For the dd15 and dd16; For the dd15 and dd16; Then torque to 20 n·m (14 lb·ft). Install two bolts into the bracket. Install the. Dd15 Flywheel Bolt Torque.
From frontiertruckparts.com
Frontier Truck Parts Dd15 Flywheel Bolt Torque Torque the main bearing cap bolts to: For the dd15 and dd16; Install two bolts into the bracket. Install the exhaust pipe and bracket to the flywheel housing and axial power turbine. [a] 150 n·m (110 lb·ft) [b] 250 n·m (184 lb·ft) [c] 1st 90° torque turn [d] 2nd 90° torque turn note: Install the exhaust pipe and bracket to. Dd15 Flywheel Bolt Torque.
From www.slideshare.net
Dd15 engine torque spec Dd15 Flywheel Bolt Torque Install two bolts into the bracket. Flywheel mounting bolts 100 lb.ft rear engine mounting bracket 80 lb.ft fuel filter housing cap 18 lb.ft fuel injector hold down 30 lb.ft injection. Torque the main bearing cap bolts to: For the dd15 and dd16; Install the exhaust pipe and bracket to the flywheel housing and axial power turbine. Then torque to 20. Dd15 Flywheel Bolt Torque.
From frontiertruckparts.com
Detroit Diesel DD15 Flywheel Frontier Truck Parts Dd15 Flywheel Bolt Torque For the dd15 and dd16; Flywheel mounting bolts 100 lb.ft rear engine mounting bracket 80 lb.ft fuel filter housing cap 18 lb.ft fuel injector hold down 30 lb.ft injection. Finger tighten all bolts (1) and stud bolts; Install the exhaust pipe and bracket to the flywheel housing and axial power turbine. Install two bolts into the bracket. [a] 150 n·m. Dd15 Flywheel Bolt Torque.
From guidediagrampostponers.z14.web.core.windows.net
Flywheel Bolt Torque Specs Dd15 Flywheel Bolt Torque Install the exhaust pipe and bracket to the flywheel housing and axial power turbine. [a] 150 n·m (110 lb·ft) [b] 250 n·m (184 lb·ft) [c] 1st 90° torque turn [d] 2nd 90° torque turn note: Finger tighten all bolts (1) and stud bolts; Install two bolts into the bracket. For the dd15 and dd16; Torque the main bearing cap bolts. Dd15 Flywheel Bolt Torque.
From www.manminchurch.se
Bolt Torque Chart Showing Suggested Torque Values And Corresponding Dd15 Flywheel Bolt Torque Flywheel mounting bolts 100 lb.ft rear engine mounting bracket 80 lb.ft fuel filter housing cap 18 lb.ft fuel injector hold down 30 lb.ft injection. Install the exhaust pipe and bracket to the flywheel housing and axial power turbine. For the dd15 and dd16; Install two bolts into the bracket. [a] 150 n·m (110 lb·ft) [b] 250 n·m (184 lb·ft) [c]. Dd15 Flywheel Bolt Torque.
From truckpartsinventory.com
Used Detroit DD15 Flywheel for sale Bradford Ontario Canada Dd15 Flywheel Bolt Torque [a] 150 n·m (110 lb·ft) [b] 250 n·m (184 lb·ft) [c] 1st 90° torque turn [d] 2nd 90° torque turn note: Install the exhaust pipe and bracket to the flywheel housing and axial power turbine. For the dd15 and dd16; Torque the main bearing cap bolts to: Install two bolts into the bracket. Finger tighten all bolts (1) and stud. Dd15 Flywheel Bolt Torque.
From www.mylittlesalesman.com
2012 Detroit DD15 Flywheel for a Freightliner CASCADIA For Sale Dd15 Flywheel Bolt Torque Install two bolts into the bracket. Then torque to 20 n·m (14 lb·ft). Install the exhaust pipe and bracket to the flywheel housing and axial power turbine. For the dd15 and dd16; Torque the main bearing cap bolts to: Finger tighten all bolts (1) and stud bolts; [a] 150 n·m (110 lb·ft) [b] 250 n·m (184 lb·ft) [c] 1st 90°. Dd15 Flywheel Bolt Torque.
From truckpartsuperstore.com.au
DD15 Flywheel 19.175" Dd15 Flywheel Bolt Torque Then torque to 20 n·m (14 lb·ft). Install the exhaust pipe and bracket to the flywheel housing and axial power turbine. For the dd15 and dd16; Flywheel mounting bolts 100 lb.ft rear engine mounting bracket 80 lb.ft fuel filter housing cap 18 lb.ft fuel injector hold down 30 lb.ft injection. For the dd15 and dd16; Install two bolts into the. Dd15 Flywheel Bolt Torque.
From www.heavytruckparts.net
DETROIT DD15 Flywheel OEM A4710323101 in Abbotsford, BRITISH COLUMBIA Dd15 Flywheel Bolt Torque For the dd15 and dd16; Then torque to 20 n·m (14 lb·ft). Install the exhaust pipe and bracket to the flywheel housing and axial power turbine. [a] 150 n·m (110 lb·ft) [b] 250 n·m (184 lb·ft) [c] 1st 90° torque turn [d] 2nd 90° torque turn note: Install the exhaust pipe and bracket to the flywheel housing and axial power. Dd15 Flywheel Bolt Torque.
From www.slideshare.net
инструкция по двигателю D4 dd Dd15 Flywheel Bolt Torque Install the exhaust pipe and bracket to the flywheel housing and axial power turbine. Finger tighten all bolts (1) and stud bolts; Torque the main bearing cap bolts to: [a] 150 n·m (110 lb·ft) [b] 250 n·m (184 lb·ft) [c] 1st 90° torque turn [d] 2nd 90° torque turn note: Then torque to 20 n·m (14 lb·ft). Install the exhaust. Dd15 Flywheel Bolt Torque.
From frontiertruckparts.com
Detroit Diesel DD15 Flywheel Frontier Truck Parts Dd15 Flywheel Bolt Torque For the dd15 and dd16; Torque the main bearing cap bolts to: Install two bolts into the bracket. Finger tighten all bolts (1) and stud bolts; Install two bolts into the bracket. Install the exhaust pipe and bracket to the flywheel housing and axial power turbine. [a] 150 n·m (110 lb·ft) [b] 250 n·m (184 lb·ft) [c] 1st 90° torque. Dd15 Flywheel Bolt Torque.
From frontiertruckparts.com
Frontier Truck Parts Dd15 Flywheel Bolt Torque Install two bolts into the bracket. Finger tighten all bolts (1) and stud bolts; For the dd15 and dd16; Flywheel mounting bolts 100 lb.ft rear engine mounting bracket 80 lb.ft fuel filter housing cap 18 lb.ft fuel injector hold down 30 lb.ft injection. [a] 150 n·m (110 lb·ft) [b] 250 n·m (184 lb·ft) [c] 1st 90° torque turn [d] 2nd. Dd15 Flywheel Bolt Torque.
From www.vanderhaags.com
A4720320701 Detroit DD15 Engine Flywheel for Sale Dd15 Flywheel Bolt Torque Torque the main bearing cap bolts to: Install the exhaust pipe and bracket to the flywheel housing and axial power turbine. Install the exhaust pipe and bracket to the flywheel housing and axial power turbine. For the dd15 and dd16; Install two bolts into the bracket. For the dd15 and dd16; Finger tighten all bolts (1) and stud bolts; Install. Dd15 Flywheel Bolt Torque.
From www.paylesstruckparts.com
Detroit DD15 Flywheel Housing Payless Truck Parts Dd15 Flywheel Bolt Torque Install two bolts into the bracket. Install the exhaust pipe and bracket to the flywheel housing and axial power turbine. For the dd15 and dd16; Torque the main bearing cap bolts to: For the dd15 and dd16; Finger tighten all bolts (1) and stud bolts; Flywheel mounting bolts 100 lb.ft rear engine mounting bracket 80 lb.ft fuel filter housing cap. Dd15 Flywheel Bolt Torque.
From www.paylesstruckparts.com
Detroit DD15 Flywheel Payless Truck Parts Dd15 Flywheel Bolt Torque For the dd15 and dd16; Install two bolts into the bracket. [a] 150 n·m (110 lb·ft) [b] 250 n·m (184 lb·ft) [c] 1st 90° torque turn [d] 2nd 90° torque turn note: Finger tighten all bolts (1) and stud bolts; Flywheel mounting bolts 100 lb.ft rear engine mounting bracket 80 lb.ft fuel filter housing cap 18 lb.ft fuel injector hold. Dd15 Flywheel Bolt Torque.
From www.paylesstruckparts.com
Detroit DD15 Flywheel Payless Truck Parts Dd15 Flywheel Bolt Torque [a] 150 n·m (110 lb·ft) [b] 250 n·m (184 lb·ft) [c] 1st 90° torque turn [d] 2nd 90° torque turn note: Flywheel mounting bolts 100 lb.ft rear engine mounting bracket 80 lb.ft fuel filter housing cap 18 lb.ft fuel injector hold down 30 lb.ft injection. Install two bolts into the bracket. Install the exhaust pipe and bracket to the flywheel. Dd15 Flywheel Bolt Torque.