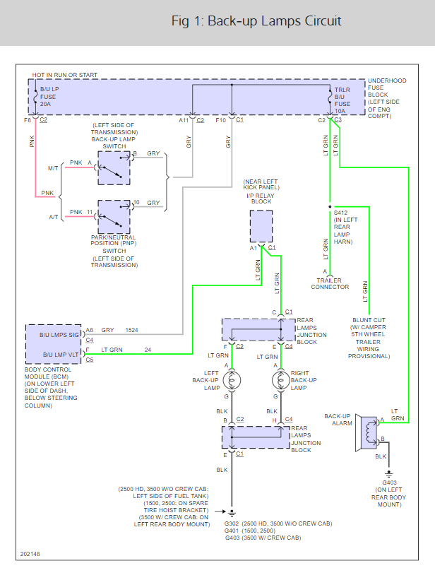
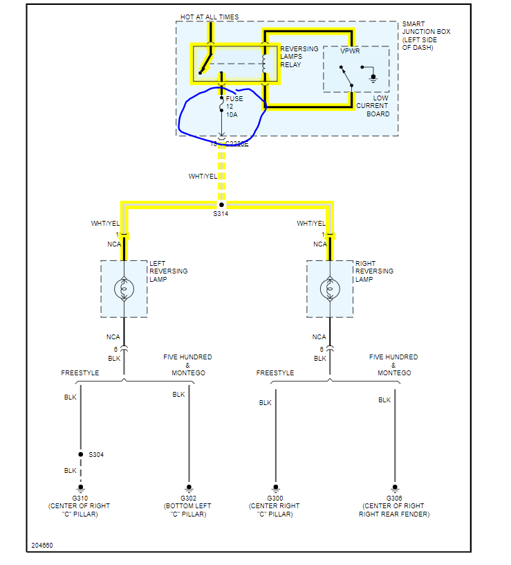
Does My Reverse Lights Stay On While Driving . Fairly easy fix to replace it with a new one. The gearbox works, that is to say that. Reverse lights are an important safety feature on vehicles, as they alert other drivers that you are reversing. This issue can be caused by faulty wiring, a blown. C172 in the image below. You have a defective reverse light switch, which is screwed into the transmission. Reverse lights stay on is a common issue that occurs when a vehicle is put in reverse gear. Reverse lights are an important safety feature of your vehicle because they inform cars and people around you. Why are my reverse lights on while driving? If your reverse lights are staying on,. The issue is that the reverse lights are always on while the car is running regardless of gear position.
from upgradedvehicle.com
The gearbox works, that is to say that. Reverse lights are an important safety feature of your vehicle because they inform cars and people around you. Reverse lights are an important safety feature on vehicles, as they alert other drivers that you are reversing. If your reverse lights are staying on,. Why are my reverse lights on while driving? Reverse lights stay on is a common issue that occurs when a vehicle is put in reverse gear. C172 in the image below. You have a defective reverse light switch, which is screwed into the transmission. The issue is that the reverse lights are always on while the car is running regardless of gear position. This issue can be caused by faulty wiring, a blown.
All Warning Lights Came on While Driving Causes & What to Do
Does My Reverse Lights Stay On While Driving This issue can be caused by faulty wiring, a blown. The issue is that the reverse lights are always on while the car is running regardless of gear position. If your reverse lights are staying on,. C172 in the image below. The gearbox works, that is to say that. Why are my reverse lights on while driving? Fairly easy fix to replace it with a new one. This issue can be caused by faulty wiring, a blown. Reverse lights are an important safety feature of your vehicle because they inform cars and people around you. Reverse lights stay on is a common issue that occurs when a vehicle is put in reverse gear. You have a defective reverse light switch, which is screwed into the transmission. Reverse lights are an important safety feature on vehicles, as they alert other drivers that you are reversing.
From www.reddit.com
Middle of traffic, car in drive, reverse lights stay on r Does My Reverse Lights Stay On While Driving You have a defective reverse light switch, which is screwed into the transmission. Reverse lights are an important safety feature on vehicles, as they alert other drivers that you are reversing. The gearbox works, that is to say that. If your reverse lights are staying on,. Reverse lights stay on is a common issue that occurs when a vehicle is. Does My Reverse Lights Stay On While Driving.
From www.jeepgladiatorforum.com
Reverse Light Stays On Jeep Gladiator (JT) News, Forum, Community Does My Reverse Lights Stay On While Driving This issue can be caused by faulty wiring, a blown. Fairly easy fix to replace it with a new one. Reverse lights are an important safety feature of your vehicle because they inform cars and people around you. The issue is that the reverse lights are always on while the car is running regardless of gear position. The gearbox works,. Does My Reverse Lights Stay On While Driving.
From homeminimalisite.com
Why Do My Reverse Lights Stay On Does My Reverse Lights Stay On While Driving If your reverse lights are staying on,. Reverse lights are an important safety feature of your vehicle because they inform cars and people around you. Reverse lights stay on is a common issue that occurs when a vehicle is put in reverse gear. This issue can be caused by faulty wiring, a blown. Reverse lights are an important safety feature. Does My Reverse Lights Stay On While Driving.
From www.2carpros.com
Reverse Lights Stay On My Reverse Lights Stay on All the Time. I Does My Reverse Lights Stay On While Driving You have a defective reverse light switch, which is screwed into the transmission. C172 in the image below. The issue is that the reverse lights are always on while the car is running regardless of gear position. If your reverse lights are staying on,. The gearbox works, that is to say that. Reverse lights stay on is a common issue. Does My Reverse Lights Stay On While Driving.
From homeminimalisite.com
Why Does My Reverse Lights Stay On Does My Reverse Lights Stay On While Driving Reverse lights are an important safety feature of your vehicle because they inform cars and people around you. Fairly easy fix to replace it with a new one. Reverse lights are an important safety feature on vehicles, as they alert other drivers that you are reversing. The issue is that the reverse lights are always on while the car is. Does My Reverse Lights Stay On While Driving.
From www.2carpros.com
Reverse Lights Stay On While in Drive the Reverse Lights Are Does My Reverse Lights Stay On While Driving C172 in the image below. If your reverse lights are staying on,. Reverse lights are an important safety feature of your vehicle because they inform cars and people around you. Why are my reverse lights on while driving? The issue is that the reverse lights are always on while the car is running regardless of gear position. Reverse lights stay. Does My Reverse Lights Stay On While Driving.
From www.2carpros.com
Reverse Lights Stay on While Driving the Reverse Lights Stay on Does My Reverse Lights Stay On While Driving C172 in the image below. If your reverse lights are staying on,. Reverse lights stay on is a common issue that occurs when a vehicle is put in reverse gear. The gearbox works, that is to say that. This issue can be caused by faulty wiring, a blown. You have a defective reverse light switch, which is screwed into the. Does My Reverse Lights Stay On While Driving.
From www.traverseforum.com
New LED Reverse Lights stay on Traverse Forum Does My Reverse Lights Stay On While Driving The issue is that the reverse lights are always on while the car is running regardless of gear position. Reverse lights are an important safety feature of your vehicle because they inform cars and people around you. This issue can be caused by faulty wiring, a blown. Reverse lights are an important safety feature on vehicles, as they alert other. Does My Reverse Lights Stay On While Driving.
From homeminimalisite.com
Why Do My Reverse Lights Stay On Does My Reverse Lights Stay On While Driving The issue is that the reverse lights are always on while the car is running regardless of gear position. Why are my reverse lights on while driving? The gearbox works, that is to say that. Reverse lights stay on is a common issue that occurs when a vehicle is put in reverse gear. Fairly easy fix to replace it with. Does My Reverse Lights Stay On While Driving.
From gnewscar.com
How to Turn Off Dashboard Car Lights Stay On While Driving Does My Reverse Lights Stay On While Driving Why are my reverse lights on while driving? Reverse lights are an important safety feature on vehicles, as they alert other drivers that you are reversing. You have a defective reverse light switch, which is screwed into the transmission. If your reverse lights are staying on,. The gearbox works, that is to say that. Fairly easy fix to replace it. Does My Reverse Lights Stay On While Driving.
From www.youtube.com
What Cause Battery Light to Come On While Driving Car Troubleshooting Does My Reverse Lights Stay On While Driving This issue can be caused by faulty wiring, a blown. Reverse lights are an important safety feature of your vehicle because they inform cars and people around you. The issue is that the reverse lights are always on while the car is running regardless of gear position. Reverse lights are an important safety feature on vehicles, as they alert other. Does My Reverse Lights Stay On While Driving.
From www.2carpros.com
Reverse Lights Stay On My Reverse Lights Stay on All the Time. I Does My Reverse Lights Stay On While Driving If your reverse lights are staying on,. Reverse lights stay on is a common issue that occurs when a vehicle is put in reverse gear. Reverse lights are an important safety feature of your vehicle because they inform cars and people around you. Why are my reverse lights on while driving? The gearbox works, that is to say that. The. Does My Reverse Lights Stay On While Driving.
From homeminimalisite.com
Why Does My Reverse Lights Stay On Does My Reverse Lights Stay On While Driving Reverse lights stay on is a common issue that occurs when a vehicle is put in reverse gear. C172 in the image below. Why are my reverse lights on while driving? Fairly easy fix to replace it with a new one. You have a defective reverse light switch, which is screwed into the transmission. The issue is that the reverse. Does My Reverse Lights Stay On While Driving.
From www.carparts.com
Backup Lights Are Essential, Here’s Why In The Garage with Does My Reverse Lights Stay On While Driving The gearbox works, that is to say that. You have a defective reverse light switch, which is screwed into the transmission. If your reverse lights are staying on,. The issue is that the reverse lights are always on while the car is running regardless of gear position. This issue can be caused by faulty wiring, a blown. Reverse lights are. Does My Reverse Lights Stay On While Driving.
From www.youtube.com
Brake Light Comes On While Driving. How To Fix Parking Brake Light Does My Reverse Lights Stay On While Driving The issue is that the reverse lights are always on while the car is running regardless of gear position. Why are my reverse lights on while driving? C172 in the image below. This issue can be caused by faulty wiring, a blown. The gearbox works, that is to say that. If your reverse lights are staying on,. Reverse lights stay. Does My Reverse Lights Stay On While Driving.
From www.youtube.com
C5 Corvette LED Reverse Lights Install YouTube Does My Reverse Lights Stay On While Driving C172 in the image below. If your reverse lights are staying on,. The issue is that the reverse lights are always on while the car is running regardless of gear position. Reverse lights are an important safety feature of your vehicle because they inform cars and people around you. Fairly easy fix to replace it with a new one. The. Does My Reverse Lights Stay On While Driving.
From hxexlndfm.blob.core.windows.net
Why Do My Truck Lights Stay On at Clementine Allen blog Does My Reverse Lights Stay On While Driving You have a defective reverse light switch, which is screwed into the transmission. The gearbox works, that is to say that. If your reverse lights are staying on,. Reverse lights stay on is a common issue that occurs when a vehicle is put in reverse gear. Fairly easy fix to replace it with a new one. Why are my reverse. Does My Reverse Lights Stay On While Driving.
From trucksauthority.com
Reverse Lights Stay On When Truck Is Off (Explained) Does My Reverse Lights Stay On While Driving Fairly easy fix to replace it with a new one. This issue can be caused by faulty wiring, a blown. The issue is that the reverse lights are always on while the car is running regardless of gear position. Reverse lights are an important safety feature on vehicles, as they alert other drivers that you are reversing. If your reverse. Does My Reverse Lights Stay On While Driving.
From www.2carpros.com
Reverse Lights Stay On My Reverse Lights Stay on All the Time. I Does My Reverse Lights Stay On While Driving You have a defective reverse light switch, which is screwed into the transmission. C172 in the image below. Reverse lights are an important safety feature on vehicles, as they alert other drivers that you are reversing. Why are my reverse lights on while driving? Reverse lights are an important safety feature of your vehicle because they inform cars and people. Does My Reverse Lights Stay On While Driving.
From www.youtube.com
Reverse lights don’t work? Here’s how to fix them! YouTube Does My Reverse Lights Stay On While Driving Reverse lights are an important safety feature of your vehicle because they inform cars and people around you. The gearbox works, that is to say that. C172 in the image below. Why are my reverse lights on while driving? The issue is that the reverse lights are always on while the car is running regardless of gear position. Reverse lights. Does My Reverse Lights Stay On While Driving.
From homeminimalisite.com
Why Do My Reverse Lights Stay On Does My Reverse Lights Stay On While Driving Reverse lights are an important safety feature of your vehicle because they inform cars and people around you. Fairly easy fix to replace it with a new one. You have a defective reverse light switch, which is screwed into the transmission. C172 in the image below. Why are my reverse lights on while driving? Reverse lights are an important safety. Does My Reverse Lights Stay On While Driving.
From shellysavonlea.net
Abs And Handbrake Light Stays On Honda Civic Shelly Lighting Does My Reverse Lights Stay On While Driving Reverse lights are an important safety feature of your vehicle because they inform cars and people around you. The issue is that the reverse lights are always on while the car is running regardless of gear position. Reverse lights are an important safety feature on vehicles, as they alert other drivers that you are reversing. The gearbox works, that is. Does My Reverse Lights Stay On While Driving.
From cartreatments.com
Reverse Lights Not Working? (5 Causes and How to Fix) Does My Reverse Lights Stay On While Driving If your reverse lights are staying on,. This issue can be caused by faulty wiring, a blown. Why are my reverse lights on while driving? C172 in the image below. Fairly easy fix to replace it with a new one. The gearbox works, that is to say that. The issue is that the reverse lights are always on while the. Does My Reverse Lights Stay On While Driving.
From www.2carpros.com
Reverse Lights Do Not Turn Off Reverse Lights Stay On. How to Go Does My Reverse Lights Stay On While Driving This issue can be caused by faulty wiring, a blown. Why are my reverse lights on while driving? If your reverse lights are staying on,. Reverse lights stay on is a common issue that occurs when a vehicle is put in reverse gear. Reverse lights are an important safety feature of your vehicle because they inform cars and people around. Does My Reverse Lights Stay On While Driving.
From www.2carpros.com
Reverse Lights Stay On While in Drive the Reverse Lights Are Does My Reverse Lights Stay On While Driving If your reverse lights are staying on,. This issue can be caused by faulty wiring, a blown. The gearbox works, that is to say that. The issue is that the reverse lights are always on while the car is running regardless of gear position. You have a defective reverse light switch, which is screwed into the transmission. Why are my. Does My Reverse Lights Stay On While Driving.
From mechanicbase.com
Why Are My Brake Lights Staying On? Does My Reverse Lights Stay On While Driving Why are my reverse lights on while driving? Reverse lights are an important safety feature of your vehicle because they inform cars and people around you. The issue is that the reverse lights are always on while the car is running regardless of gear position. Reverse lights are an important safety feature on vehicles, as they alert other drivers that. Does My Reverse Lights Stay On While Driving.
From carnewsbox.com
Why are My Reverse Lights Staying on Car News Box Does My Reverse Lights Stay On While Driving If your reverse lights are staying on,. Reverse lights stay on is a common issue that occurs when a vehicle is put in reverse gear. The gearbox works, that is to say that. Reverse lights are an important safety feature of your vehicle because they inform cars and people around you. This issue can be caused by faulty wiring, a. Does My Reverse Lights Stay On While Driving.
From gmauthority.com
Why Reverse Lights Come On In GM Vehicles GM Authority Does My Reverse Lights Stay On While Driving This issue can be caused by faulty wiring, a blown. You have a defective reverse light switch, which is screwed into the transmission. Why are my reverse lights on while driving? If your reverse lights are staying on,. Reverse lights are an important safety feature of your vehicle because they inform cars and people around you. The issue is that. Does My Reverse Lights Stay On While Driving.
From thebronconation.com
Reverse Lights on When Driving Bronco Nation Does My Reverse Lights Stay On While Driving C172 in the image below. The gearbox works, that is to say that. You have a defective reverse light switch, which is screwed into the transmission. This issue can be caused by faulty wiring, a blown. Reverse lights stay on is a common issue that occurs when a vehicle is put in reverse gear. Fairly easy fix to replace it. Does My Reverse Lights Stay On While Driving.
From www.youtube.com
Why do reverse lights stay on while driving? YouTube Does My Reverse Lights Stay On While Driving Fairly easy fix to replace it with a new one. Why are my reverse lights on while driving? Reverse lights are an important safety feature of your vehicle because they inform cars and people around you. Reverse lights are an important safety feature on vehicles, as they alert other drivers that you are reversing. The issue is that the reverse. Does My Reverse Lights Stay On While Driving.
From upgradedvehicle.com
All Warning Lights Came on While Driving Causes & What to Do Does My Reverse Lights Stay On While Driving Reverse lights are an important safety feature of your vehicle because they inform cars and people around you. Reverse lights are an important safety feature on vehicles, as they alert other drivers that you are reversing. Fairly easy fix to replace it with a new one. This issue can be caused by faulty wiring, a blown. If your reverse lights. Does My Reverse Lights Stay On While Driving.
From www.reddit.com
Kia Sportage 2005 reverse lights stays on while driving.. r/cars Does My Reverse Lights Stay On While Driving If your reverse lights are staying on,. C172 in the image below. Fairly easy fix to replace it with a new one. The gearbox works, that is to say that. You have a defective reverse light switch, which is screwed into the transmission. The issue is that the reverse lights are always on while the car is running regardless of. Does My Reverse Lights Stay On While Driving.
From www.dubizzle.com
All About Vehicle Reverse Lights Working, Costs & More Does My Reverse Lights Stay On While Driving Reverse lights stay on is a common issue that occurs when a vehicle is put in reverse gear. If your reverse lights are staying on,. The issue is that the reverse lights are always on while the car is running regardless of gear position. Why are my reverse lights on while driving? This issue can be caused by faulty wiring,. Does My Reverse Lights Stay On While Driving.
From www.youtube.com
How To Install LED Backup Lights on Your Vehicle YouTube Does My Reverse Lights Stay On While Driving The gearbox works, that is to say that. This issue can be caused by faulty wiring, a blown. Fairly easy fix to replace it with a new one. Reverse lights are an important safety feature on vehicles, as they alert other drivers that you are reversing. Why are my reverse lights on while driving? Reverse lights are an important safety. Does My Reverse Lights Stay On While Driving.
From rennlist.com
Reverse lights stay on Rennlist Porsche Discussion Forums Does My Reverse Lights Stay On While Driving If your reverse lights are staying on,. You have a defective reverse light switch, which is screwed into the transmission. Reverse lights are an important safety feature on vehicles, as they alert other drivers that you are reversing. This issue can be caused by faulty wiring, a blown. Fairly easy fix to replace it with a new one. The issue. Does My Reverse Lights Stay On While Driving.