How Dc Motor Controller Works . Discover how to use a dc motor controller to control the speed and direction. Ac (alternating current) and dc (direct current.). What are the different losses in a dc motor? How does a motor controller work? What are the main types of dc motors? In this tutorial, we will cover the basic principles of dc motors and show you how to control the speed of a motor using pwm, an. Learn about dc motor controller diagrams, including the various components and their functions. They regulate the speed and direction of dc motors. Integrated motor controllers are capable of driving a wide variety of motor types, including brushless dc (bldc) motors, stepper. Stepper motors provide precise control over rotation, making them ideal for use in 3d printers and cnc machines. How does a dc motor work? Electric power comes in two flavors: These are designed to handle direct current motors, which are widely used in applications ranging from toys to electric vehicles.
        
        from www.youtube.com 
     
        
        How does a motor controller work? They regulate the speed and direction of dc motors. What are the different losses in a dc motor? Discover how to use a dc motor controller to control the speed and direction. These are designed to handle direct current motors, which are widely used in applications ranging from toys to electric vehicles. What are the main types of dc motors? Stepper motors provide precise control over rotation, making them ideal for use in 3d printers and cnc machines. Learn about dc motor controller diagrams, including the various components and their functions. How does a dc motor work? Integrated motor controllers are capable of driving a wide variety of motor types, including brushless dc (bldc) motors, stepper.
    
    	
            
	
		 
         
    Make DC motor speed controller by BC 547,diy speed controller,rpm 
    How Dc Motor Controller Works  In this tutorial, we will cover the basic principles of dc motors and show you how to control the speed of a motor using pwm, an. Electric power comes in two flavors: Learn about dc motor controller diagrams, including the various components and their functions. Ac (alternating current) and dc (direct current.). In this tutorial, we will cover the basic principles of dc motors and show you how to control the speed of a motor using pwm, an. These are designed to handle direct current motors, which are widely used in applications ranging from toys to electric vehicles. Stepper motors provide precise control over rotation, making them ideal for use in 3d printers and cnc machines. Integrated motor controllers are capable of driving a wide variety of motor types, including brushless dc (bldc) motors, stepper. What are the main types of dc motors? How does a motor controller work? How does a dc motor work? They regulate the speed and direction of dc motors. What are the different losses in a dc motor? Discover how to use a dc motor controller to control the speed and direction.
            
	
		 
         
 
    
        From www.homemade-circuits.com 
                    5 Simple DC Motor Speed Controller Circuits Explained Homemade How Dc Motor Controller Works  Integrated motor controllers are capable of driving a wide variety of motor types, including brushless dc (bldc) motors, stepper. How does a dc motor work? They regulate the speed and direction of dc motors. Stepper motors provide precise control over rotation, making them ideal for use in 3d printers and cnc machines. What are the main types of dc motors?. How Dc Motor Controller Works.
     
    
        From circuits-diy.com 
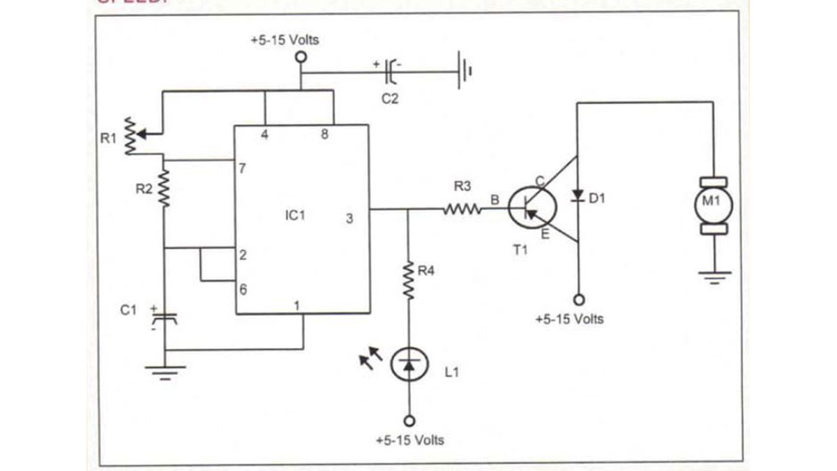
                    PWM DC Motor Controller using NE555 Timer IC Electronics Project How Dc Motor Controller Works  They regulate the speed and direction of dc motors. Stepper motors provide precise control over rotation, making them ideal for use in 3d printers and cnc machines. What are the different losses in a dc motor? These are designed to handle direct current motors, which are widely used in applications ranging from toys to electric vehicles. What are the main. How Dc Motor Controller Works.
     
    
        From www.youtube.com 
                    How To Make Simple DC Motor Speed Controller Circuit YouTube How Dc Motor Controller Works  How does a dc motor work? Electric power comes in two flavors: Learn about dc motor controller diagrams, including the various components and their functions. Ac (alternating current) and dc (direct current.). They regulate the speed and direction of dc motors. What are the main types of dc motors? How does a motor controller work? Integrated motor controllers are capable. How Dc Motor Controller Works.
     
    
        From www.youtube.com 
                    Make DC motor speed controller by BC 547,diy speed controller,rpm How Dc Motor Controller Works  Integrated motor controllers are capable of driving a wide variety of motor types, including brushless dc (bldc) motors, stepper. What are the different losses in a dc motor? Learn about dc motor controller diagrams, including the various components and their functions. Electric power comes in two flavors: How does a dc motor work? Stepper motors provide precise control over rotation,. How Dc Motor Controller Works.
     
    
        From www.176iot.com 
                    48v Dc Motor Control Circuit Diagram Pdf IOT Wiring Diagram How Dc Motor Controller Works  How does a motor controller work? Learn about dc motor controller diagrams, including the various components and their functions. Discover how to use a dc motor controller to control the speed and direction. How does a dc motor work? Electric power comes in two flavors: In this tutorial, we will cover the basic principles of dc motors and show you. How Dc Motor Controller Works.
     
    
        From www.circuitdiagram.co 
                    Circuit Diagram Of Dc Motor Controller Circuit Diagram How Dc Motor Controller Works  They regulate the speed and direction of dc motors. Electric power comes in two flavors: How does a dc motor work? Integrated motor controllers are capable of driving a wide variety of motor types, including brushless dc (bldc) motors, stepper. Discover how to use a dc motor controller to control the speed and direction. What are the different losses in. How Dc Motor Controller Works.
     
    
        From www.youtube.com 
                    How To Make DC Motor Speed Control Circuit YouTube How Dc Motor Controller Works  What are the main types of dc motors? Learn about dc motor controller diagrams, including the various components and their functions. Discover how to use a dc motor controller to control the speed and direction. Integrated motor controllers are capable of driving a wide variety of motor types, including brushless dc (bldc) motors, stepper. How does a dc motor work?. How Dc Motor Controller Works.
     
    
        From webmotor.org 
                    How To Drive A Dc Motor With Pwm How Dc Motor Controller Works  What are the main types of dc motors? They regulate the speed and direction of dc motors. Stepper motors provide precise control over rotation, making them ideal for use in 3d printers and cnc machines. Discover how to use a dc motor controller to control the speed and direction. How does a motor controller work? Integrated motor controllers are capable. How Dc Motor Controller Works.
     
    
        From electricalcorecircuits.blogspot.com 
                    Simplest DC Motor Speed Controller Circuit Diagram ElectricalCoreCircuits How Dc Motor Controller Works  Learn about dc motor controller diagrams, including the various components and their functions. Stepper motors provide precise control over rotation, making them ideal for use in 3d printers and cnc machines. In this tutorial, we will cover the basic principles of dc motors and show you how to control the speed of a motor using pwm, an. Integrated motor controllers. How Dc Motor Controller Works.
     
    
        From www.open-electronics.org 
                    A DC Motor Controller with Control Leds Open Electronics Open How Dc Motor Controller Works  How does a dc motor work? They regulate the speed and direction of dc motors. Electric power comes in two flavors: Ac (alternating current) and dc (direct current.). Stepper motors provide precise control over rotation, making them ideal for use in 3d printers and cnc machines. In this tutorial, we will cover the basic principles of dc motors and show. How Dc Motor Controller Works.
     
    
        From circuitlistgoldschmidt.z19.web.core.windows.net 
                    Bldc Motor Controller Circuit Diagram How Dc Motor Controller Works  What are the main types of dc motors? Stepper motors provide precise control over rotation, making them ideal for use in 3d printers and cnc machines. How does a dc motor work? Learn about dc motor controller diagrams, including the various components and their functions. How does a motor controller work? What are the different losses in a dc motor?. How Dc Motor Controller Works.
     
    
        From www.electronics-lab.com 
                    Brushed DC Motor Controller Using InfraRed Remote How Dc Motor Controller Works  In this tutorial, we will cover the basic principles of dc motors and show you how to control the speed of a motor using pwm, an. Learn about dc motor controller diagrams, including the various components and their functions. These are designed to handle direct current motors, which are widely used in applications ranging from toys to electric vehicles. Discover. How Dc Motor Controller Works.
     
    
        From www.youtube.com 
                    Control DC Motor with PID Controller using MATLAB/Simulink and Waijung How Dc Motor Controller Works  What are the different losses in a dc motor? How does a motor controller work? Electric power comes in two flavors: Stepper motors provide precise control over rotation, making them ideal for use in 3d printers and cnc machines. What are the main types of dc motors? Ac (alternating current) and dc (direct current.). Integrated motor controllers are capable of. How Dc Motor Controller Works.
     
    
        From www.youtube.com 
                    PWM DC Motor Controller using NE555 Timer IC Electronics Project YouTube How Dc Motor Controller Works  What are the main types of dc motors? Stepper motors provide precise control over rotation, making them ideal for use in 3d printers and cnc machines. In this tutorial, we will cover the basic principles of dc motors and show you how to control the speed of a motor using pwm, an. Integrated motor controllers are capable of driving a. How Dc Motor Controller Works.
     
    
        From chandulanethmal.github.io 
                    Designing a Closed Loop DC Motor Controller Thinker’s Cloud How Dc Motor Controller Works  Integrated motor controllers are capable of driving a wide variety of motor types, including brushless dc (bldc) motors, stepper. How does a dc motor work? Stepper motors provide precise control over rotation, making them ideal for use in 3d printers and cnc machines. What are the different losses in a dc motor? They regulate the speed and direction of dc. How Dc Motor Controller Works.
     
    
        From www.circuits-diy.com 
                    DC Motor Speed Control PWM Circuit How Dc Motor Controller Works  Learn about dc motor controller diagrams, including the various components and their functions. What are the main types of dc motors? Ac (alternating current) and dc (direct current.). Electric power comes in two flavors: Discover how to use a dc motor controller to control the speed and direction. Integrated motor controllers are capable of driving a wide variety of motor. How Dc Motor Controller Works.
     
    
        From www.youtube.com 
                    How to make Simple DC Motor Speed Controller Circuit DIY, 12V Motor How Dc Motor Controller Works  They regulate the speed and direction of dc motors. How does a dc motor work? These are designed to handle direct current motors, which are widely used in applications ranging from toys to electric vehicles. In this tutorial, we will cover the basic principles of dc motors and show you how to control the speed of a motor using pwm,. How Dc Motor Controller Works.
     
    
        From www.findwiring.com 
                    Efficient Wiring Simplifying BLDC Motor Controller Connections How Dc Motor Controller Works  Integrated motor controllers are capable of driving a wide variety of motor types, including brushless dc (bldc) motors, stepper. Ac (alternating current) and dc (direct current.). In this tutorial, we will cover the basic principles of dc motors and show you how to control the speed of a motor using pwm, an. Discover how to use a dc motor controller. How Dc Motor Controller Works.
     
    
        From projecthub.arduino.cc 
                    DC Motor Controlling Library Arduino Project Hub How Dc Motor Controller Works  Ac (alternating current) and dc (direct current.). In this tutorial, we will cover the basic principles of dc motors and show you how to control the speed of a motor using pwm, an. Electric power comes in two flavors: What are the main types of dc motors? What are the different losses in a dc motor? These are designed to. How Dc Motor Controller Works.
     
    
        From circuits-diy.com 
                    How To Make A DC Motor Speed Controller Using NE555 Timer IC How Dc Motor Controller Works  What are the main types of dc motors? What are the different losses in a dc motor? Electric power comes in two flavors: In this tutorial, we will cover the basic principles of dc motors and show you how to control the speed of a motor using pwm, an. Stepper motors provide precise control over rotation, making them ideal for. How Dc Motor Controller Works.
     
    
        From kdi-ppi.com 
                    Understanding the Working of a Brushless DC Motor Controller A How Dc Motor Controller Works  What are the main types of dc motors? They regulate the speed and direction of dc motors. Discover how to use a dc motor controller to control the speed and direction. Ac (alternating current) and dc (direct current.). These are designed to handle direct current motors, which are widely used in applications ranging from toys to electric vehicles. How does. How Dc Motor Controller Works.
     
    
        From www.youtube.com 
                    6v to 24v dc Motor speed controller circuit using NE555 ic diy YouTube How Dc Motor Controller Works  How does a dc motor work? Electric power comes in two flavors: Stepper motors provide precise control over rotation, making them ideal for use in 3d printers and cnc machines. Discover how to use a dc motor controller to control the speed and direction. These are designed to handle direct current motors, which are widely used in applications ranging from. How Dc Motor Controller Works.
     
    
        From www.youtube.com 
                    DC Motor Speed Controller using Timer IC 555 Simulation with Proteus How Dc Motor Controller Works  They regulate the speed and direction of dc motors. Discover how to use a dc motor controller to control the speed and direction. These are designed to handle direct current motors, which are widely used in applications ranging from toys to electric vehicles. How does a dc motor work? Integrated motor controllers are capable of driving a wide variety of. How Dc Motor Controller Works.
     
    
        From www.hackster.io 
                    DC Motor Speed Controller Hackster.io How Dc Motor Controller Works  What are the main types of dc motors? Stepper motors provide precise control over rotation, making them ideal for use in 3d printers and cnc machines. Integrated motor controllers are capable of driving a wide variety of motor types, including brushless dc (bldc) motors, stepper. How does a motor controller work? Ac (alternating current) and dc (direct current.). They regulate. How Dc Motor Controller Works.
     
    
        From www.youtube.com 
                    Simple BLDC motor controller circuit Using irfz44n mosfet YouTube How Dc Motor Controller Works  What are the different losses in a dc motor? Integrated motor controllers are capable of driving a wide variety of motor types, including brushless dc (bldc) motors, stepper. Stepper motors provide precise control over rotation, making them ideal for use in 3d printers and cnc machines. How does a dc motor work? In this tutorial, we will cover the basic. How Dc Motor Controller Works.
     
    
        From www.youtube.com 
                    Dc motor speed controller circuit USING single MOSFET ( irfz44n ) YouTube How Dc Motor Controller Works  In this tutorial, we will cover the basic principles of dc motors and show you how to control the speed of a motor using pwm, an. These are designed to handle direct current motors, which are widely used in applications ranging from toys to electric vehicles. How does a dc motor work? Ac (alternating current) and dc (direct current.). Learn. How Dc Motor Controller Works.
     
    
        From www.electronics-lab.com 
                    555 dc motor controller Projects Q/A Community How Dc Motor Controller Works  These are designed to handle direct current motors, which are widely used in applications ranging from toys to electric vehicles. In this tutorial, we will cover the basic principles of dc motors and show you how to control the speed of a motor using pwm, an. How does a dc motor work? Ac (alternating current) and dc (direct current.). Integrated. How Dc Motor Controller Works.
     
    
        From www.youtube.com 
                    DC Motor Modeling and Controller Design Theory, Calculations & MATLAB How Dc Motor Controller Works  Discover how to use a dc motor controller to control the speed and direction. Electric power comes in two flavors: Ac (alternating current) and dc (direct current.). Integrated motor controllers are capable of driving a wide variety of motor types, including brushless dc (bldc) motors, stepper. How does a motor controller work? These are designed to handle direct current motors,. How Dc Motor Controller Works.
     
    
        From etechsparks.com 
                    DC motor controller working principle, definition, types How Dc Motor Controller Works  Discover how to use a dc motor controller to control the speed and direction. Electric power comes in two flavors: In this tutorial, we will cover the basic principles of dc motors and show you how to control the speed of a motor using pwm, an. They regulate the speed and direction of dc motors. Integrated motor controllers are capable. How Dc Motor Controller Works.
     
    
        From www.wiringdraw.com 
                    Bldc Motor Controller Circuit Diagram Wiring Draw And Schematic How Dc Motor Controller Works  Electric power comes in two flavors: Stepper motors provide precise control over rotation, making them ideal for use in 3d printers and cnc machines. How does a motor controller work? They regulate the speed and direction of dc motors. How does a dc motor work? Ac (alternating current) and dc (direct current.). Learn about dc motor controller diagrams, including the. How Dc Motor Controller Works.
     
    
        From simple-circuit.com 
                    Brushless DC motor control with PIC16F887 microcontroller How Dc Motor Controller Works  In this tutorial, we will cover the basic principles of dc motors and show you how to control the speed of a motor using pwm, an. Ac (alternating current) and dc (direct current.). How does a motor controller work? How does a dc motor work? What are the different losses in a dc motor? They regulate the speed and direction. How Dc Motor Controller Works.
     
    
        From www.youtube.com 
                    DC Motor Speed Controller PWM Adjustable Reversible Motor Driver Switch How Dc Motor Controller Works  Integrated motor controllers are capable of driving a wide variety of motor types, including brushless dc (bldc) motors, stepper. How does a dc motor work? In this tutorial, we will cover the basic principles of dc motors and show you how to control the speed of a motor using pwm, an. Stepper motors provide precise control over rotation, making them. How Dc Motor Controller Works.
     
    
        From schematiclibkohler.z13.web.core.windows.net 
                    Dc Motor Controller Circuit Schematic How Dc Motor Controller Works  Integrated motor controllers are capable of driving a wide variety of motor types, including brushless dc (bldc) motors, stepper. How does a motor controller work? What are the main types of dc motors? Learn about dc motor controller diagrams, including the various components and their functions. Electric power comes in two flavors: Discover how to use a dc motor controller. How Dc Motor Controller Works.
     
    
        From www.wiringdigital.com 
                    48v Dc Motor Control Circuit Diagram Pdf » Wiring Digital And Schematic How Dc Motor Controller Works  In this tutorial, we will cover the basic principles of dc motors and show you how to control the speed of a motor using pwm, an. Integrated motor controllers are capable of driving a wide variety of motor types, including brushless dc (bldc) motors, stepper. Discover how to use a dc motor controller to control the speed and direction. Stepper. How Dc Motor Controller Works.
     
    
        From www.reddit.com 
                    BLDC Motor Controller How It Works, Design Principles & Circuit How Dc Motor Controller Works  Electric power comes in two flavors: How does a motor controller work? What are the main types of dc motors? Learn about dc motor controller diagrams, including the various components and their functions. Integrated motor controllers are capable of driving a wide variety of motor types, including brushless dc (bldc) motors, stepper. What are the different losses in a dc. How Dc Motor Controller Works.