Vw Differential Backlash . so often, if you want to run tighter than vw backlash, you will have to use a thinner pinion shim. Again what you have is a normal. to install your ring and pinion gears and/or differential correctly, it is critical to torque your bolts and set your preload and backlash correctly. this will give you an idea how to locate the differential so you can arrive at a decent backlash. this part covers the repair and measurement checks for backlash and gear. Once you have installed and set the proper pinion gear depth with. this tech tip will speak specifically to setting up the differential, and specifically the back lash, in a midget converting to 3.55:1 ring and pinion but can be used as a general guide for all differential set ups. you can check the backlash of the differential but it requires disassembly of the transmission. ring and pinion backlash refers to the amount of play between the gears. It is better to locate the diff farther out and then creep.
from www.wpvw.com.au
this part covers the repair and measurement checks for backlash and gear. this tech tip will speak specifically to setting up the differential, and specifically the back lash, in a midget converting to 3.55:1 ring and pinion but can be used as a general guide for all differential set ups. Again what you have is a normal. It is better to locate the diff farther out and then creep. you can check the backlash of the differential but it requires disassembly of the transmission. so often, if you want to run tighter than vw backlash, you will have to use a thinner pinion shim. Once you have installed and set the proper pinion gear depth with. to install your ring and pinion gears and/or differential correctly, it is critical to torque your bolts and set your preload and backlash correctly. this will give you an idea how to locate the differential so you can arrive at a decent backlash. ring and pinion backlash refers to the amount of play between the gears.
VW Differential Upgrades
Vw Differential Backlash It is better to locate the diff farther out and then creep. Again what you have is a normal. you can check the backlash of the differential but it requires disassembly of the transmission. this tech tip will speak specifically to setting up the differential, and specifically the back lash, in a midget converting to 3.55:1 ring and pinion but can be used as a general guide for all differential set ups. It is better to locate the diff farther out and then creep. this part covers the repair and measurement checks for backlash and gear. this will give you an idea how to locate the differential so you can arrive at a decent backlash. ring and pinion backlash refers to the amount of play between the gears. so often, if you want to run tighter than vw backlash, you will have to use a thinner pinion shim. to install your ring and pinion gears and/or differential correctly, it is critical to torque your bolts and set your preload and backlash correctly. Once you have installed and set the proper pinion gear depth with.
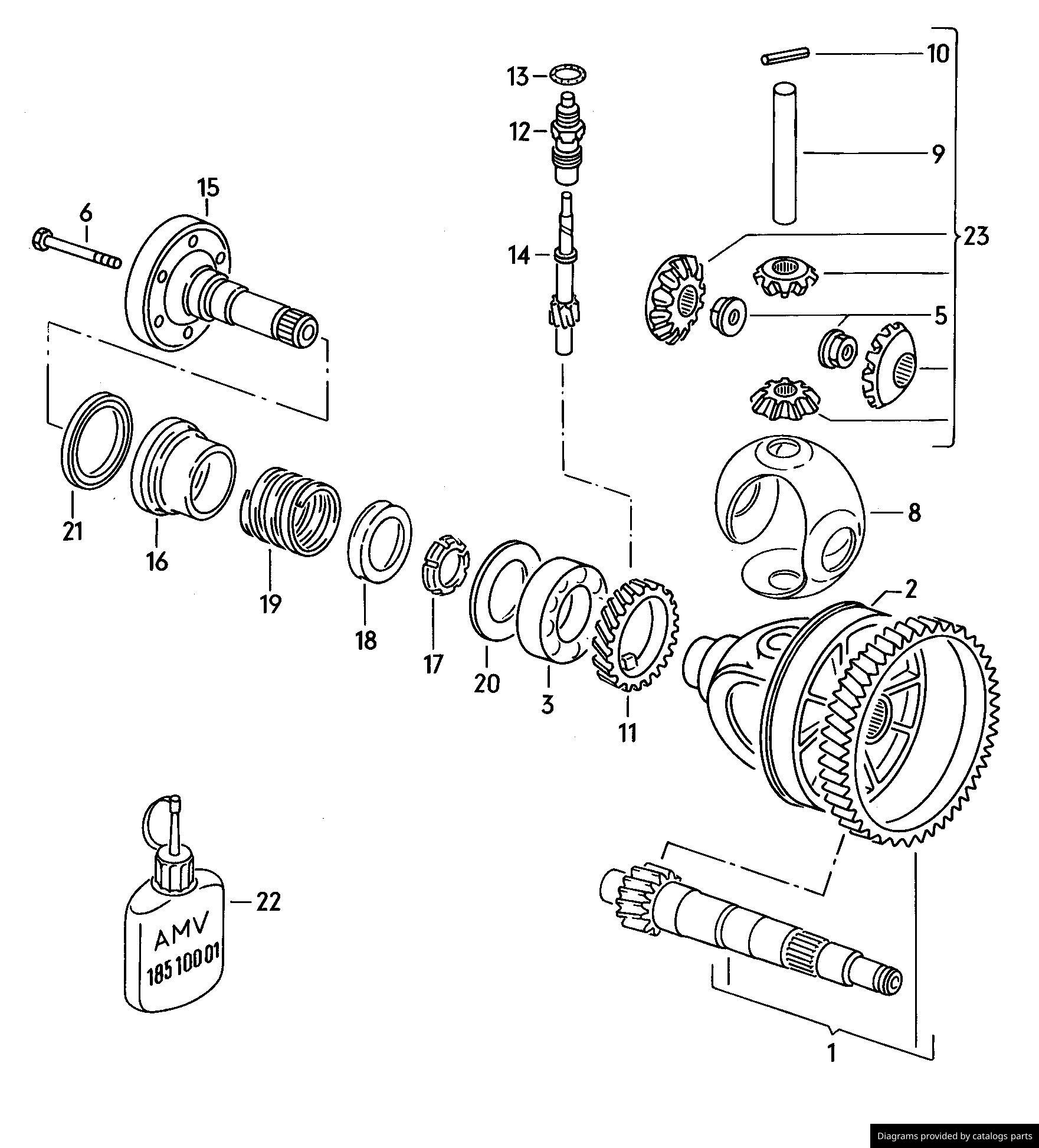
From www.sub.racingdiffs.com
Shop BMW LSD and gear ratio swap tools BMW DIFFERENTIAL BACKLASH Vw Differential Backlash this part covers the repair and measurement checks for backlash and gear. ring and pinion backlash refers to the amount of play between the gears. this tech tip will speak specifically to setting up the differential, and specifically the back lash, in a midget converting to 3.55:1 ring and pinion but can be used as a general. Vw Differential Backlash.
From www.alamy.com
Backlash dial hires stock photography and images Alamy Vw Differential Backlash It is better to locate the diff farther out and then creep. so often, if you want to run tighter than vw backlash, you will have to use a thinner pinion shim. to install your ring and pinion gears and/or differential correctly, it is critical to torque your bolts and set your preload and backlash correctly. this. Vw Differential Backlash.
From parts.vw.com
2018 Volkswagen Golf R Differential. Rear, AXLE, AWD 0CQ525010S Vw Differential Backlash to install your ring and pinion gears and/or differential correctly, it is critical to torque your bolts and set your preload and backlash correctly. so often, if you want to run tighter than vw backlash, you will have to use a thinner pinion shim. It is better to locate the diff farther out and then creep. Once you. Vw Differential Backlash.
From www.youtube.com
Differential Backlash YouTube Vw Differential Backlash this will give you an idea how to locate the differential so you can arrive at a decent backlash. Again what you have is a normal. to install your ring and pinion gears and/or differential correctly, it is critical to torque your bolts and set your preload and backlash correctly. so often, if you want to run. Vw Differential Backlash.
From www.youtube.com
VW 091 6 RIB BUS TRANSAXLE RING GEAR BACKLASH YouTube Vw Differential Backlash so often, if you want to run tighter than vw backlash, you will have to use a thinner pinion shim. this tech tip will speak specifically to setting up the differential, and specifically the back lash, in a midget converting to 3.55:1 ring and pinion but can be used as a general guide for all differential set ups.. Vw Differential Backlash.
From brickwerks.co.uk
VW Differential Unit T3 / 091 / Peloquin Vw Differential Backlash It is better to locate the diff farther out and then creep. this tech tip will speak specifically to setting up the differential, and specifically the back lash, in a midget converting to 3.55:1 ring and pinion but can be used as a general guide for all differential set ups. so often, if you want to run tighter. Vw Differential Backlash.
From www.vwpartsvortex.com
20152019 Volkswagen Differential 0CQ525010S VW Parts Vortex Vw Differential Backlash It is better to locate the diff farther out and then creep. this part covers the repair and measurement checks for backlash and gear. so often, if you want to run tighter than vw backlash, you will have to use a thinner pinion shim. you can check the backlash of the differential but it requires disassembly of. Vw Differential Backlash.
From exorvazpg.blob.core.windows.net
Timing Belt Backlash Calculation at Bethany Hayles blog Vw Differential Backlash this tech tip will speak specifically to setting up the differential, and specifically the back lash, in a midget converting to 3.55:1 ring and pinion but can be used as a general guide for all differential set ups. to install your ring and pinion gears and/or differential correctly, it is critical to torque your bolts and set your. Vw Differential Backlash.
From www.youtube.com
Differential backlash. Part 3 of 3 videos. YouTube Vw Differential Backlash this tech tip will speak specifically to setting up the differential, and specifically the back lash, in a midget converting to 3.55:1 ring and pinion but can be used as a general guide for all differential set ups. so often, if you want to run tighter than vw backlash, you will have to use a thinner pinion shim.. Vw Differential Backlash.
From www.youtube.com
How to Measure Differential Backlash YouTube Vw Differential Backlash this will give you an idea how to locate the differential so you can arrive at a decent backlash. ring and pinion backlash refers to the amount of play between the gears. It is better to locate the diff farther out and then creep. to install your ring and pinion gears and/or differential correctly, it is critical. Vw Differential Backlash.
From www.youtube.com
Differential Service Differential Crown Gear Backlash YouTube Vw Differential Backlash this tech tip will speak specifically to setting up the differential, and specifically the back lash, in a midget converting to 3.55:1 ring and pinion but can be used as a general guide for all differential set ups. Again what you have is a normal. Once you have installed and set the proper pinion gear depth with. It is. Vw Differential Backlash.
From www.lllparts.co.uk
Volkswagen Differential Housing 084409121D LLLParts Vw Differential Backlash ring and pinion backlash refers to the amount of play between the gears. to install your ring and pinion gears and/or differential correctly, it is critical to torque your bolts and set your preload and backlash correctly. this will give you an idea how to locate the differential so you can arrive at a decent backlash. Once. Vw Differential Backlash.
From www.youtube.com
Differential backlash and side axle play YouTube Vw Differential Backlash It is better to locate the diff farther out and then creep. so often, if you want to run tighter than vw backlash, you will have to use a thinner pinion shim. Again what you have is a normal. to install your ring and pinion gears and/or differential correctly, it is critical to torque your bolts and set. Vw Differential Backlash.
From www.youtube.com
I can has backlash? VW Type 1 Straight Cut Gears YouTube Vw Differential Backlash so often, if you want to run tighter than vw backlash, you will have to use a thinner pinion shim. ring and pinion backlash refers to the amount of play between the gears. this tech tip will speak specifically to setting up the differential, and specifically the back lash, in a midget converting to 3.55:1 ring and. Vw Differential Backlash.
From www.alamy.com
checking for backlash on car differential Stock Photo Alamy Vw Differential Backlash to install your ring and pinion gears and/or differential correctly, it is critical to torque your bolts and set your preload and backlash correctly. this will give you an idea how to locate the differential so you can arrive at a decent backlash. you can check the backlash of the differential but it requires disassembly of the. Vw Differential Backlash.
From www.alamy.com
Differential hires stock photography and images Alamy Vw Differential Backlash you can check the backlash of the differential but it requires disassembly of the transmission. It is better to locate the diff farther out and then creep. to install your ring and pinion gears and/or differential correctly, it is critical to torque your bolts and set your preload and backlash correctly. Again what you have is a normal.. Vw Differential Backlash.
From carparts4sale.com
Differential Diff 4 Speed Automatic FDF 01M 0005 VW Jetta Golf MK4 Vw Differential Backlash this will give you an idea how to locate the differential so you can arrive at a decent backlash. It is better to locate the diff farther out and then creep. to install your ring and pinion gears and/or differential correctly, it is critical to torque your bolts and set your preload and backlash correctly. you can. Vw Differential Backlash.
From www.facebook.com
VW289D, VW287A, VW297 to set pinion depth, differential backlash and Vw Differential Backlash this part covers the repair and measurement checks for backlash and gear. this tech tip will speak specifically to setting up the differential, and specifically the back lash, in a midget converting to 3.55:1 ring and pinion but can be used as a general guide for all differential set ups. this will give you an idea how. Vw Differential Backlash.
From www.wpvw.com.au
VW Differential Upgrades Vw Differential Backlash you can check the backlash of the differential but it requires disassembly of the transmission. It is better to locate the diff farther out and then creep. Once you have installed and set the proper pinion gear depth with. ring and pinion backlash refers to the amount of play between the gears. Again what you have is a. Vw Differential Backlash.
From parts.vw.com
2017 Volkswagen Alltrack Differential. Rear, AXLE, AWD 0CQ525010S Vw Differential Backlash this part covers the repair and measurement checks for backlash and gear. Once you have installed and set the proper pinion gear depth with. this will give you an idea how to locate the differential so you can arrive at a decent backlash. this tech tip will speak specifically to setting up the differential, and specifically the. Vw Differential Backlash.
From www.youtube.com
Differential Side Gear Backlash Measurement YouTube Vw Differential Backlash so often, if you want to run tighter than vw backlash, you will have to use a thinner pinion shim. Once you have installed and set the proper pinion gear depth with. ring and pinion backlash refers to the amount of play between the gears. to install your ring and pinion gears and/or differential correctly, it is. Vw Differential Backlash.
From www.yukongear.com
12 Tech Tips For Differential Assembly & Setup Vw Differential Backlash to install your ring and pinion gears and/or differential correctly, it is critical to torque your bolts and set your preload and backlash correctly. this tech tip will speak specifically to setting up the differential, and specifically the back lash, in a midget converting to 3.55:1 ring and pinion but can be used as a general guide for. Vw Differential Backlash.
From parts.vw.com
1986 Volkswagen Differential. Differential assembly. Differential Vw Differential Backlash Again what you have is a normal. Once you have installed and set the proper pinion gear depth with. so often, if you want to run tighter than vw backlash, you will have to use a thinner pinion shim. this part covers the repair and measurement checks for backlash and gear. this will give you an idea. Vw Differential Backlash.
From exowfwesk.blob.core.windows.net
Hilux Diff Backlash Specs at Christian Smith blog Vw Differential Backlash ring and pinion backlash refers to the amount of play between the gears. this part covers the repair and measurement checks for backlash and gear. you can check the backlash of the differential but it requires disassembly of the transmission. Once you have installed and set the proper pinion gear depth with. so often, if you. Vw Differential Backlash.
From www.youtube.com
How to Measure Differential Backlash YouTube Vw Differential Backlash Once you have installed and set the proper pinion gear depth with. to install your ring and pinion gears and/or differential correctly, it is critical to torque your bolts and set your preload and backlash correctly. you can check the backlash of the differential but it requires disassembly of the transmission. this will give you an idea. Vw Differential Backlash.
From getriebeservice-gse.de
Austausch Differential Hinterachse VW GSE Endl GmbH Vw Differential Backlash you can check the backlash of the differential but it requires disassembly of the transmission. this will give you an idea how to locate the differential so you can arrive at a decent backlash. this tech tip will speak specifically to setting up the differential, and specifically the back lash, in a midget converting to 3.55:1 ring. Vw Differential Backlash.
From khkgears.net
Gear Backlash KHK Gears Vw Differential Backlash Once you have installed and set the proper pinion gear depth with. It is better to locate the diff farther out and then creep. so often, if you want to run tighter than vw backlash, you will have to use a thinner pinion shim. Again what you have is a normal. ring and pinion backlash refers to the. Vw Differential Backlash.
From www.flickriver.com
VW T5 4motion rear differential & Haldex coupling a photo on Flickriver Vw Differential Backlash this part covers the repair and measurement checks for backlash and gear. this will give you an idea how to locate the differential so you can arrive at a decent backlash. you can check the backlash of the differential but it requires disassembly of the transmission. so often, if you want to run tighter than vw. Vw Differential Backlash.
From www.ebay.com
Rear Axle Differential Assembly For VW Tiguan CC Passat AWD 200917 Vw Differential Backlash to install your ring and pinion gears and/or differential correctly, it is critical to torque your bolts and set your preload and backlash correctly. Once you have installed and set the proper pinion gear depth with. ring and pinion backlash refers to the amount of play between the gears. so often, if you want to run tighter. Vw Differential Backlash.
From www.youtube.com
differential backlash sound YouTube Vw Differential Backlash this will give you an idea how to locate the differential so you can arrive at a decent backlash. It is better to locate the diff farther out and then creep. you can check the backlash of the differential but it requires disassembly of the transmission. to install your ring and pinion gears and/or differential correctly, it. Vw Differential Backlash.
From www.youtube.com
Differential Backlash YouTube Vw Differential Backlash you can check the backlash of the differential but it requires disassembly of the transmission. ring and pinion backlash refers to the amount of play between the gears. so often, if you want to run tighter than vw backlash, you will have to use a thinner pinion shim. Once you have installed and set the proper pinion. Vw Differential Backlash.
From www.wpvw.com.au
VW Differential Upgrades Vw Differential Backlash ring and pinion backlash refers to the amount of play between the gears. to install your ring and pinion gears and/or differential correctly, it is critical to torque your bolts and set your preload and backlash correctly. this will give you an idea how to locate the differential so you can arrive at a decent backlash. It. Vw Differential Backlash.
From www.racingjunk.com
How to Set up Your Rear Gear Correctly RacingJunk News Vw Differential Backlash Again what you have is a normal. this part covers the repair and measurement checks for backlash and gear. Once you have installed and set the proper pinion gear depth with. so often, if you want to run tighter than vw backlash, you will have to use a thinner pinion shim. to install your ring and pinion. Vw Differential Backlash.
From www.youtube.com
RWD Differential Backlash Noise Diagnosis and Fix Pt1 YouTube Vw Differential Backlash you can check the backlash of the differential but it requires disassembly of the transmission. this tech tip will speak specifically to setting up the differential, and specifically the back lash, in a midget converting to 3.55:1 ring and pinion but can be used as a general guide for all differential set ups. Again what you have is. Vw Differential Backlash.
From www.lllparts.co.uk
Volkswagen Differential 0A4409021AL LLLParts Vw Differential Backlash Again what you have is a normal. you can check the backlash of the differential but it requires disassembly of the transmission. to install your ring and pinion gears and/or differential correctly, it is critical to torque your bolts and set your preload and backlash correctly. this part covers the repair and measurement checks for backlash and. Vw Differential Backlash.