Roll Pitch Yaw Kalman Filter . Also note that, the position of the sensor is important (you need. Kalman filtering (ins tutorial) tutorial for: But what i want to use in my. I would like to estimate the yaw angle from accelerometer and gyroscope data. Roll = atan2(ax,az) * rad_to_deg. Hello everyone, i'm using kalman filter with mpu6050 and all the code have it's use only roll and pitch axis. Iain world congress, stockholm, october 2009. I'm trying to implement an extended kalman filter to fuse accelerometer and gyroscope data to estimate roll (ϕ ϕ) and pitch (θ θ). Kenneth gade, ffi (norwegian defence research establishment) to cite this tutorial, use: For roll and pitch estimate i've used the following trigonometric equations: Based on the basekalman in kalmanfilter.py. The nonlinear state equation was. The roll, pitch, and yaw angles of each sensor placed on the lower limb are estimated by the sensor fusion using the extended kalman filter. I've found a lot of kalman filter questions but couldn't find one. Implements a 2d kalman filter for estimating roll and pitch angles of an object based on data from a gyroscope and accelerometer.
from loemhiolo.blob.core.windows.net
I would like to estimate the yaw angle from accelerometer and gyroscope data. The nonlinear state equation was. For roll and pitch estimate i've used the following trigonometric equations: Kalman filtering (ins tutorial) tutorial for: Based on the basekalman in kalmanfilter.py. Roll = atan2(ax,az) * rad_to_deg. Implements a 2d kalman filter for estimating roll and pitch angles of an object based on data from a gyroscope and accelerometer. I'm trying to implement an extended kalman filter to fuse accelerometer and gyroscope data to estimate roll (ϕ ϕ) and pitch (θ θ). Iain world congress, stockholm, october 2009. Hello everyone, i'm using kalman filter with mpu6050 and all the code have it's use only roll and pitch axis.
Kalman Filter Circuit at Sean Boyd blog
Roll Pitch Yaw Kalman Filter I've found a lot of kalman filter questions but couldn't find one. I'm trying to implement an extended kalman filter to fuse accelerometer and gyroscope data to estimate roll (ϕ ϕ) and pitch (θ θ). Iain world congress, stockholm, october 2009. Kalman filtering (ins tutorial) tutorial for: Kenneth gade, ffi (norwegian defence research establishment) to cite this tutorial, use: Hello everyone, i'm using kalman filter with mpu6050 and all the code have it's use only roll and pitch axis. Kalman filter to calculate roll pitch yaw. The nonlinear state equation was. Based on the basekalman in kalmanfilter.py. I've found a lot of kalman filter questions but couldn't find one. For roll and pitch estimate i've used the following trigonometric equations: Roll = atan2(ax,az) * rad_to_deg. The roll, pitch, and yaw angles of each sensor placed on the lower limb are estimated by the sensor fusion using the extended kalman filter. Also note that, the position of the sensor is important (you need. The application of this code is in stabilizing and smoothing. Implements a 2d kalman filter for estimating roll and pitch angles of an object based on data from a gyroscope and accelerometer.
From yuzhou42.github.io
Error State Kalman Filter Yu Zhou Roll Pitch Yaw Kalman Filter Hello everyone, i'm using kalman filter with mpu6050 and all the code have it's use only roll and pitch axis. The nonlinear state equation was. Based on the basekalman in kalmanfilter.py. Also note that, the position of the sensor is important (you need. Implements a 2d kalman filter for estimating roll and pitch angles of an object based on data. Roll Pitch Yaw Kalman Filter.
From www.researchgate.net
Real Time Pitch Angle Estimate for Complementary and Kalman Filter Roll Pitch Yaw Kalman Filter I would like to estimate the yaw angle from accelerometer and gyroscope data. Roll = atan2(ax,az) * rad_to_deg. Iain world congress, stockholm, october 2009. But what i want to use in my. Kalman filter to calculate roll pitch yaw. Hello everyone, i'm using kalman filter with mpu6050 and all the code have it's use only roll and pitch axis. The. Roll Pitch Yaw Kalman Filter.
From aleksandarhaber.com
Kalman Filter Tutorial Derivation of the Kalman Filter by Using the Roll Pitch Yaw Kalman Filter I'm trying to implement an extended kalman filter to fuse accelerometer and gyroscope data to estimate roll (ϕ ϕ) and pitch (θ θ). Kenneth gade, ffi (norwegian defence research establishment) to cite this tutorial, use: Based on the basekalman in kalmanfilter.py. I've found a lot of kalman filter questions but couldn't find one. Roll = atan2(ax,az) * rad_to_deg. The application. Roll Pitch Yaw Kalman Filter.
From www.researchgate.net
(PDF) Linear and Extended Kalman Filter Estimation of Pitch and Yaw Roll Pitch Yaw Kalman Filter I've found a lot of kalman filter questions but couldn't find one. Kalman filter to calculate roll pitch yaw. The nonlinear state equation was. But what i want to use in my. Kenneth gade, ffi (norwegian defence research establishment) to cite this tutorial, use: Kalman filtering (ins tutorial) tutorial for: The application of this code is in stabilizing and smoothing.. Roll Pitch Yaw Kalman Filter.
From www.researchgate.net
Roll, pitch and yaw filtered (blue) by the extended Kalman filter (EKF Roll Pitch Yaw Kalman Filter I'm trying to implement an extended kalman filter to fuse accelerometer and gyroscope data to estimate roll (ϕ ϕ) and pitch (θ θ). I would like to estimate the yaw angle from accelerometer and gyroscope data. The application of this code is in stabilizing and smoothing. Based on the basekalman in kalmanfilter.py. Roll = atan2(ax,az) * rad_to_deg. Kenneth gade, ffi. Roll Pitch Yaw Kalman Filter.
From content.iospress.com
Telepresence Mechatronic Robot (TEBoT) Towards the design and control Roll Pitch Yaw Kalman Filter Based on the basekalman in kalmanfilter.py. Iain world congress, stockholm, october 2009. The roll, pitch, and yaw angles of each sensor placed on the lower limb are estimated by the sensor fusion using the extended kalman filter. Kalman filter to calculate roll pitch yaw. Kalman filtering (ins tutorial) tutorial for: But what i want to use in my. Kenneth gade,. Roll Pitch Yaw Kalman Filter.
From earsuit.github.io
Kalman Filter for orientation estimation with MPU9250 — XIANYU Roll Pitch Yaw Kalman Filter For roll and pitch estimate i've used the following trigonometric equations: Kalman filtering (ins tutorial) tutorial for: Hello everyone, i'm using kalman filter with mpu6050 and all the code have it's use only roll and pitch axis. Based on the basekalman in kalmanfilter.py. Iain world congress, stockholm, october 2009. Implements a 2d kalman filter for estimating roll and pitch angles. Roll Pitch Yaw Kalman Filter.
From www.researchgate.net
The yaw, pitch, and roll error signals are isolated using an FFT and a Roll Pitch Yaw Kalman Filter I'm trying to implement an extended kalman filter to fuse accelerometer and gyroscope data to estimate roll (ϕ ϕ) and pitch (θ θ). Implements a 2d kalman filter for estimating roll and pitch angles of an object based on data from a gyroscope and accelerometer. The roll, pitch, and yaw angles of each sensor placed on the lower limb are. Roll Pitch Yaw Kalman Filter.
From www.mdpi.com
Sensors Free FullText Fusion Filters between the No Motion No Roll Pitch Yaw Kalman Filter The application of this code is in stabilizing and smoothing. The roll, pitch, and yaw angles of each sensor placed on the lower limb are estimated by the sensor fusion using the extended kalman filter. Iain world congress, stockholm, october 2009. Kenneth gade, ffi (norwegian defence research establishment) to cite this tutorial, use: Kalman filter to calculate roll pitch yaw.. Roll Pitch Yaw Kalman Filter.
From journals.sagepub.com
QuaternionBased Kalman Filter for AHRS Using an AdaptiveStep Gradient Roll Pitch Yaw Kalman Filter Roll = atan2(ax,az) * rad_to_deg. Hello everyone, i'm using kalman filter with mpu6050 and all the code have it's use only roll and pitch axis. I would like to estimate the yaw angle from accelerometer and gyroscope data. Kenneth gade, ffi (norwegian defence research establishment) to cite this tutorial, use: The application of this code is in stabilizing and smoothing.. Roll Pitch Yaw Kalman Filter.
From www.youtube.com
RollPitchYaw Angles in Robotics Fundamentals of Robotics Lesson Roll Pitch Yaw Kalman Filter Hello everyone, i'm using kalman filter with mpu6050 and all the code have it's use only roll and pitch axis. Kalman filtering (ins tutorial) tutorial for: Based on the basekalman in kalmanfilter.py. Iain world congress, stockholm, october 2009. I've found a lot of kalman filter questions but couldn't find one. I would like to estimate the yaw angle from accelerometer. Roll Pitch Yaw Kalman Filter.
From velog.io
[UE5] Roll, Pitch, Yaw Roll Pitch Yaw Kalman Filter I'm trying to implement an extended kalman filter to fuse accelerometer and gyroscope data to estimate roll (ϕ ϕ) and pitch (θ θ). Also note that, the position of the sensor is important (you need. Implements a 2d kalman filter for estimating roll and pitch angles of an object based on data from a gyroscope and accelerometer. The roll, pitch,. Roll Pitch Yaw Kalman Filter.
From www.semanticscholar.org
[PDF] YAW ANGLE CONTROL FOR AUTONOMOUS VEHICLE USING KALMAN FILTER Roll Pitch Yaw Kalman Filter Based on the basekalman in kalmanfilter.py. The roll, pitch, and yaw angles of each sensor placed on the lower limb are estimated by the sensor fusion using the extended kalman filter. Also note that, the position of the sensor is important (you need. The application of this code is in stabilizing and smoothing. I would like to estimate the yaw. Roll Pitch Yaw Kalman Filter.
From www.freepik.com
Premium Vector Roll, pitch, yaw three rotation angles corresponding Roll Pitch Yaw Kalman Filter I'm trying to implement an extended kalman filter to fuse accelerometer and gyroscope data to estimate roll (ϕ ϕ) and pitch (θ θ). Iain world congress, stockholm, october 2009. Based on the basekalman in kalmanfilter.py. For roll and pitch estimate i've used the following trigonometric equations: Hello everyone, i'm using kalman filter with mpu6050 and all the code have it's. Roll Pitch Yaw Kalman Filter.
From www.researchgate.net
The realtime attitude errors of the CRAKF, Sage filter, extended Roll Pitch Yaw Kalman Filter I would like to estimate the yaw angle from accelerometer and gyroscope data. Iain world congress, stockholm, october 2009. I'm trying to implement an extended kalman filter to fuse accelerometer and gyroscope data to estimate roll (ϕ ϕ) and pitch (θ θ). But what i want to use in my. The roll, pitch, and yaw angles of each sensor placed. Roll Pitch Yaw Kalman Filter.
From www.youtube.com
Measure Pitch Roll and Yaw Angles Using MPU6050 and Arduino YouTube Roll Pitch Yaw Kalman Filter Hello everyone, i'm using kalman filter with mpu6050 and all the code have it's use only roll and pitch axis. For roll and pitch estimate i've used the following trigonometric equations: Iain world congress, stockholm, october 2009. Implements a 2d kalman filter for estimating roll and pitch angles of an object based on data from a gyroscope and accelerometer. Based. Roll Pitch Yaw Kalman Filter.
From www.researchgate.net
(PDF) Comparison of Kalman Filters for Inertial Integrated Navigation Roll Pitch Yaw Kalman Filter I would like to estimate the yaw angle from accelerometer and gyroscope data. The roll, pitch, and yaw angles of each sensor placed on the lower limb are estimated by the sensor fusion using the extended kalman filter. Based on the basekalman in kalmanfilter.py. I've found a lot of kalman filter questions but couldn't find one. Kalman filtering (ins tutorial). Roll Pitch Yaw Kalman Filter.
From www.youtube.com
Pitch, Roll and Yaw in Orthodontics kapdentlectures YouTube Roll Pitch Yaw Kalman Filter I'm trying to implement an extended kalman filter to fuse accelerometer and gyroscope data to estimate roll (ϕ ϕ) and pitch (θ θ). Kalman filter to calculate roll pitch yaw. Kenneth gade, ffi (norwegian defence research establishment) to cite this tutorial, use: Also note that, the position of the sensor is important (you need. Hello everyone, i'm using kalman filter. Roll Pitch Yaw Kalman Filter.
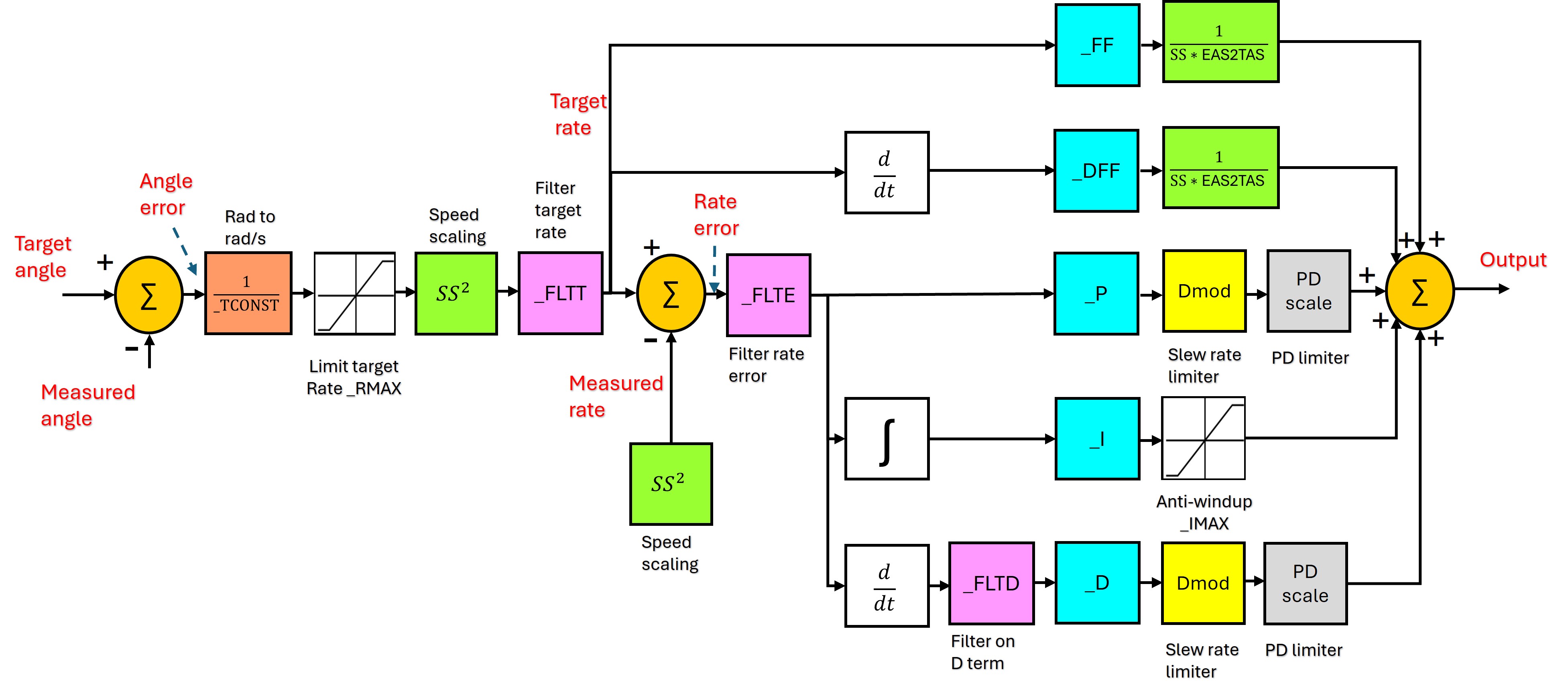
From ardupilot.org
Roll, Pitch and Yaw Controller Tuning — Plane documentation Roll Pitch Yaw Kalman Filter Based on the basekalman in kalmanfilter.py. Roll = atan2(ax,az) * rad_to_deg. The application of this code is in stabilizing and smoothing. The roll, pitch, and yaw angles of each sensor placed on the lower limb are estimated by the sensor fusion using the extended kalman filter. Implements a 2d kalman filter for estimating roll and pitch angles of an object. Roll Pitch Yaw Kalman Filter.
From zeal-up.github.io
基础卡尔曼滤波到互补卡尔曼滤波 Zeal's Blog Roll Pitch Yaw Kalman Filter Roll = atan2(ax,az) * rad_to_deg. I would like to estimate the yaw angle from accelerometer and gyroscope data. Kalman filter to calculate roll pitch yaw. The nonlinear state equation was. The roll, pitch, and yaw angles of each sensor placed on the lower limb are estimated by the sensor fusion using the extended kalman filter. I've found a lot of. Roll Pitch Yaw Kalman Filter.
From loemhiolo.blob.core.windows.net
Kalman Filter Circuit at Sean Boyd blog Roll Pitch Yaw Kalman Filter Kenneth gade, ffi (norwegian defence research establishment) to cite this tutorial, use: The nonlinear state equation was. Kalman filtering (ins tutorial) tutorial for: The roll, pitch, and yaw angles of each sensor placed on the lower limb are estimated by the sensor fusion using the extended kalman filter. The application of this code is in stabilizing and smoothing. For roll. Roll Pitch Yaw Kalman Filter.
From www.youtube.com
Kalman Roll Kalman Pitch Kalman Yaw YouTube Roll Pitch Yaw Kalman Filter I'm trying to implement an extended kalman filter to fuse accelerometer and gyroscope data to estimate roll (ϕ ϕ) and pitch (θ θ). Roll = atan2(ax,az) * rad_to_deg. Iain world congress, stockholm, october 2009. I would like to estimate the yaw angle from accelerometer and gyroscope data. For roll and pitch estimate i've used the following trigonometric equations: Implements a. Roll Pitch Yaw Kalman Filter.
From github.com
GitHub izzetakkus/IMU_Kalman_Filter Roll Pitch Yaw estimation by Roll Pitch Yaw Kalman Filter I would like to estimate the yaw angle from accelerometer and gyroscope data. Based on the basekalman in kalmanfilter.py. The application of this code is in stabilizing and smoothing. Kalman filter to calculate roll pitch yaw. The nonlinear state equation was. Implements a 2d kalman filter for estimating roll and pitch angles of an object based on data from a. Roll Pitch Yaw Kalman Filter.
From vn.rotationstage.com
Trung Quốc Tùy chỉnh Pitch Yaw Roll Hướng dẫn sử dụng Nghiêng Nhà cung Roll Pitch Yaw Kalman Filter Also note that, the position of the sensor is important (you need. The roll, pitch, and yaw angles of each sensor placed on the lower limb are estimated by the sensor fusion using the extended kalman filter. I'm trying to implement an extended kalman filter to fuse accelerometer and gyroscope data to estimate roll (ϕ ϕ) and pitch (θ θ).. Roll Pitch Yaw Kalman Filter.
From www.kalmanfilter.net
Kalman Filter in one dimension Roll Pitch Yaw Kalman Filter Also note that, the position of the sensor is important (you need. Based on the basekalman in kalmanfilter.py. Hello everyone, i'm using kalman filter with mpu6050 and all the code have it's use only roll and pitch axis. I'm trying to implement an extended kalman filter to fuse accelerometer and gyroscope data to estimate roll (ϕ ϕ) and pitch (θ. Roll Pitch Yaw Kalman Filter.
From blog.csdn.net
pitch yaw roll是什么_yaw pitch rollCSDN博客 Roll Pitch Yaw Kalman Filter I'm trying to implement an extended kalman filter to fuse accelerometer and gyroscope data to estimate roll (ϕ ϕ) and pitch (θ θ). Hello everyone, i'm using kalman filter with mpu6050 and all the code have it's use only roll and pitch axis. Also note that, the position of the sensor is important (you need. The roll, pitch, and yaw. Roll Pitch Yaw Kalman Filter.
From www.researchgate.net
The residual of the filtered pitch, roll and yaw. It is clear that the Roll Pitch Yaw Kalman Filter Kalman filter to calculate roll pitch yaw. I've found a lot of kalman filter questions but couldn't find one. Based on the basekalman in kalmanfilter.py. Roll = atan2(ax,az) * rad_to_deg. The roll, pitch, and yaw angles of each sensor placed on the lower limb are estimated by the sensor fusion using the extended kalman filter. Implements a 2d kalman filter. Roll Pitch Yaw Kalman Filter.
From www.brightdevelopers.com
xyz_pitchyawroll bright developers Roll Pitch Yaw Kalman Filter Implements a 2d kalman filter for estimating roll and pitch angles of an object based on data from a gyroscope and accelerometer. Kalman filtering (ins tutorial) tutorial for: The nonlinear state equation was. I would like to estimate the yaw angle from accelerometer and gyroscope data. I've found a lot of kalman filter questions but couldn't find one. The roll,. Roll Pitch Yaw Kalman Filter.
From github.com
GitHub izzetakkus/IMU_Kalman_Filter Roll Pitch Yaw estimation by Roll Pitch Yaw Kalman Filter Based on the basekalman in kalmanfilter.py. The roll, pitch, and yaw angles of each sensor placed on the lower limb are estimated by the sensor fusion using the extended kalman filter. For roll and pitch estimate i've used the following trigonometric equations: Also note that, the position of the sensor is important (you need. Roll = atan2(ax,az) * rad_to_deg. Hello. Roll Pitch Yaw Kalman Filter.
From www.mdpi.com
Sensors Free FullText A New QuaternionBased Kalman Filter for Roll Pitch Yaw Kalman Filter Roll = atan2(ax,az) * rad_to_deg. Also note that, the position of the sensor is important (you need. Based on the basekalman in kalmanfilter.py. Hello everyone, i'm using kalman filter with mpu6050 and all the code have it's use only roll and pitch axis. Kalman filter to calculate roll pitch yaw. I'm trying to implement an extended kalman filter to fuse. Roll Pitch Yaw Kalman Filter.
From www.alamyimages.fr
Pitch Roll Yaw Photo Stock Alamy Roll Pitch Yaw Kalman Filter Based on the basekalman in kalmanfilter.py. Kalman filtering (ins tutorial) tutorial for: Kalman filter to calculate roll pitch yaw. The nonlinear state equation was. I would like to estimate the yaw angle from accelerometer and gyroscope data. I've found a lot of kalman filter questions but couldn't find one. I'm trying to implement an extended kalman filter to fuse accelerometer. Roll Pitch Yaw Kalman Filter.
From postcompetitiveinsight.com
Pitch, Yaw, and Roll POST COMPETITIVE INSIGHT Roll Pitch Yaw Kalman Filter The nonlinear state equation was. Implements a 2d kalman filter for estimating roll and pitch angles of an object based on data from a gyroscope and accelerometer. Roll = atan2(ax,az) * rad_to_deg. I'm trying to implement an extended kalman filter to fuse accelerometer and gyroscope data to estimate roll (ϕ ϕ) and pitch (θ θ). The roll, pitch, and yaw. Roll Pitch Yaw Kalman Filter.
From www.researchgate.net
The roll, pitch and yaw attitude differences between GNSS/IMUP40 (our Roll Pitch Yaw Kalman Filter Kalman filtering (ins tutorial) tutorial for: I've found a lot of kalman filter questions but couldn't find one. Roll = atan2(ax,az) * rad_to_deg. The application of this code is in stabilizing and smoothing. For roll and pitch estimate i've used the following trigonometric equations: Iain world congress, stockholm, october 2009. The nonlinear state equation was. But what i want to. Roll Pitch Yaw Kalman Filter.
From www.researchgate.net
3 Parameter identification via Euler angles (5.13) Integration of Roll Pitch Yaw Kalman Filter I'm trying to implement an extended kalman filter to fuse accelerometer and gyroscope data to estimate roll (ϕ ϕ) and pitch (θ θ). But what i want to use in my. Also note that, the position of the sensor is important (you need. Kalman filtering (ins tutorial) tutorial for: I would like to estimate the yaw angle from accelerometer and. Roll Pitch Yaw Kalman Filter.
From www.researchgate.net
Attitude alignment errors. (a) Pitch alignment errors; (b) Roll Roll Pitch Yaw Kalman Filter But what i want to use in my. Iain world congress, stockholm, october 2009. I would like to estimate the yaw angle from accelerometer and gyroscope data. Also note that, the position of the sensor is important (you need. Implements a 2d kalman filter for estimating roll and pitch angles of an object based on data from a gyroscope and. Roll Pitch Yaw Kalman Filter.