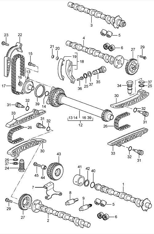
Timing Chain Guide Porsche 996 . The tolerances between the valves and pistons on some engines are very narrow, and this potentially disastrous dance between parts is. in this episode, we continue the series documenting the replacement of. porsche 996 timing chain guide replacement: Timing chain / testing and inspection. currently, we’re continuing on with the process of removing and replacing the.
from www.pelicanparts.com
currently, we’re continuing on with the process of removing and replacing the. The tolerances between the valves and pistons on some engines are very narrow, and this potentially disastrous dance between parts is. in this episode, we continue the series documenting the replacement of. Timing chain / testing and inspection. porsche 996 timing chain guide replacement:
Porsche Timing Chain Guide Rail Genuine Porsche 996.105.168.04
Timing Chain Guide Porsche 996 porsche 996 timing chain guide replacement: in this episode, we continue the series documenting the replacement of. Timing chain / testing and inspection. The tolerances between the valves and pistons on some engines are very narrow, and this potentially disastrous dance between parts is. currently, we’re continuing on with the process of removing and replacing the. porsche 996 timing chain guide replacement:
From eeuroparts.com
Porsche Timing Chain 99610517054 Genuine Porsche 99610517054 Timing Chain Guide Porsche 996 Timing chain / testing and inspection. The tolerances between the valves and pistons on some engines are very narrow, and this potentially disastrous dance between parts is. porsche 996 timing chain guide replacement: currently, we’re continuing on with the process of removing and replacing the. in this episode, we continue the series documenting the replacement of. Timing Chain Guide Porsche 996.
From www.europaparts.com
Porsche Timing Chain Kit (911 996 2001 Carrera Carrera 4, Boxster 986 Timing Chain Guide Porsche 996 currently, we’re continuing on with the process of removing and replacing the. The tolerances between the valves and pistons on some engines are very narrow, and this potentially disastrous dance between parts is. porsche 996 timing chain guide replacement: Timing chain / testing and inspection. in this episode, we continue the series documenting the replacement of. Timing Chain Guide Porsche 996.
From www.europaparts.com
Porsche Timing Chain Guide Rail (911 996 Boxster 986, Early Models Timing Chain Guide Porsche 996 Timing chain / testing and inspection. The tolerances between the valves and pistons on some engines are very narrow, and this potentially disastrous dance between parts is. porsche 996 timing chain guide replacement: currently, we’re continuing on with the process of removing and replacing the. in this episode, we continue the series documenting the replacement of. Timing Chain Guide Porsche 996.
From www.europaparts.com
Porsche Timing Chain Guide Rail (911 996 Boxster 986, Early Models Timing Chain Guide Porsche 996 in this episode, we continue the series documenting the replacement of. The tolerances between the valves and pistons on some engines are very narrow, and this potentially disastrous dance between parts is. porsche 996 timing chain guide replacement: currently, we’re continuing on with the process of removing and replacing the. Timing chain / testing and inspection. Timing Chain Guide Porsche 996.
From www.europaparts.com
Porsche Timing Chain Kit (911 997 996 Carrera Models, Boxster Cayman Timing Chain Guide Porsche 996 currently, we’re continuing on with the process of removing and replacing the. The tolerances between the valves and pistons on some engines are very narrow, and this potentially disastrous dance between parts is. Timing chain / testing and inspection. porsche 996 timing chain guide replacement: in this episode, we continue the series documenting the replacement of. Timing Chain Guide Porsche 996.
From www.europaparts.com
Porsche Timing Chain Kit (911 996 Turbo Turbo S GT2) 011721 by Europa Timing Chain Guide Porsche 996 porsche 996 timing chain guide replacement: currently, we’re continuing on with the process of removing and replacing the. Timing chain / testing and inspection. in this episode, we continue the series documenting the replacement of. The tolerances between the valves and pistons on some engines are very narrow, and this potentially disastrous dance between parts is. Timing Chain Guide Porsche 996.
From www.pelicanparts.com
Porsche Timing Chain Rail Genuine Porsche 996 105 175 52 99610517552 Timing Chain Guide Porsche 996 Timing chain / testing and inspection. porsche 996 timing chain guide replacement: The tolerances between the valves and pistons on some engines are very narrow, and this potentially disastrous dance between parts is. in this episode, we continue the series documenting the replacement of. currently, we’re continuing on with the process of removing and replacing the. Timing Chain Guide Porsche 996.
From www.pinterest.com
996 IMS, timing chain guide, transmission pinion bearing and misc items Timing Chain Guide Porsche 996 currently, we’re continuing on with the process of removing and replacing the. porsche 996 timing chain guide replacement: Timing chain / testing and inspection. The tolerances between the valves and pistons on some engines are very narrow, and this potentially disastrous dance between parts is. in this episode, we continue the series documenting the replacement of. Timing Chain Guide Porsche 996.
From www.youtube.com
Porsche 996 Timing Chain Guide Replacement Full Time Lapse YouTube Timing Chain Guide Porsche 996 in this episode, we continue the series documenting the replacement of. porsche 996 timing chain guide replacement: currently, we’re continuing on with the process of removing and replacing the. Timing chain / testing and inspection. The tolerances between the valves and pistons on some engines are very narrow, and this potentially disastrous dance between parts is. Timing Chain Guide Porsche 996.
From www.gaudinporscheparts.com
20022008 Porsche Engine Timing Chain Guide 99610516804 Gaudin Timing Chain Guide Porsche 996 Timing chain / testing and inspection. porsche 996 timing chain guide replacement: in this episode, we continue the series documenting the replacement of. currently, we’re continuing on with the process of removing and replacing the. The tolerances between the valves and pistons on some engines are very narrow, and this potentially disastrous dance between parts is. Timing Chain Guide Porsche 996.
From www.design911.co.uk
Porsche 996 Timing chain guide bearing pin 99610517570 99610517570 Timing Chain Guide Porsche 996 porsche 996 timing chain guide replacement: The tolerances between the valves and pistons on some engines are very narrow, and this potentially disastrous dance between parts is. currently, we’re continuing on with the process of removing and replacing the. Timing chain / testing and inspection. in this episode, we continue the series documenting the replacement of. Timing Chain Guide Porsche 996.
From www.pelicanparts.com
Porsche 996 (19992005) Engine Camshafts & Timing Chains Timing Timing Chain Guide Porsche 996 in this episode, we continue the series documenting the replacement of. porsche 996 timing chain guide replacement: currently, we’re continuing on with the process of removing and replacing the. Timing chain / testing and inspection. The tolerances between the valves and pistons on some engines are very narrow, and this potentially disastrous dance between parts is. Timing Chain Guide Porsche 996.
From www.carid.com
Genuine® 99610519500 Timing Chain Guide Timing Chain Guide Porsche 996 porsche 996 timing chain guide replacement: in this episode, we continue the series documenting the replacement of. currently, we’re continuing on with the process of removing and replacing the. The tolerances between the valves and pistons on some engines are very narrow, and this potentially disastrous dance between parts is. Timing chain / testing and inspection. Timing Chain Guide Porsche 996.
From www.pelicanparts.com
Porsche Timing Chain Rail Genuine Porsche 99610505401 996.105.054.01 Timing Chain Guide Porsche 996 Timing chain / testing and inspection. The tolerances between the valves and pistons on some engines are very narrow, and this potentially disastrous dance between parts is. in this episode, we continue the series documenting the replacement of. porsche 996 timing chain guide replacement: currently, we’re continuing on with the process of removing and replacing the. Timing Chain Guide Porsche 996.
From www.porscheatlantaperimeterparts.com
99610525300 porsche Engine Timing Chain Guide Porsche Atlanta Timing Chain Guide Porsche 996 in this episode, we continue the series documenting the replacement of. currently, we’re continuing on with the process of removing and replacing the. The tolerances between the valves and pistons on some engines are very narrow, and this potentially disastrous dance between parts is. Timing chain / testing and inspection. porsche 996 timing chain guide replacement: Timing Chain Guide Porsche 996.
From www.pelicanparts.com
Porsche Timing Chain Guide Rail Intermediate Shaft Chain Genuine Timing Chain Guide Porsche 996 Timing chain / testing and inspection. currently, we’re continuing on with the process of removing and replacing the. The tolerances between the valves and pistons on some engines are very narrow, and this potentially disastrous dance between parts is. in this episode, we continue the series documenting the replacement of. porsche 996 timing chain guide replacement: Timing Chain Guide Porsche 996.
From www.sportcarselements.com
Porsche 911 996 997 guide rail timing chain 99610516770 Timing Chain Guide Porsche 996 The tolerances between the valves and pistons on some engines are very narrow, and this potentially disastrous dance between parts is. Timing chain / testing and inspection. currently, we’re continuing on with the process of removing and replacing the. in this episode, we continue the series documenting the replacement of. porsche 996 timing chain guide replacement: Timing Chain Guide Porsche 996.
From www.youtube.com
Porsche 996 M96 Engine Camshaft Timing CRITICAL Tips And MUST KNOW Timing Chain Guide Porsche 996 The tolerances between the valves and pistons on some engines are very narrow, and this potentially disastrous dance between parts is. porsche 996 timing chain guide replacement: currently, we’re continuing on with the process of removing and replacing the. Timing chain / testing and inspection. in this episode, we continue the series documenting the replacement of. Timing Chain Guide Porsche 996.
From www.pelicanparts.com
Porsche Timing Chain Guide Rail Genuine Porsche 996.105.168.04 Timing Chain Guide Porsche 996 currently, we’re continuing on with the process of removing and replacing the. in this episode, we continue the series documenting the replacement of. Timing chain / testing and inspection. The tolerances between the valves and pistons on some engines are very narrow, and this potentially disastrous dance between parts is. porsche 996 timing chain guide replacement: Timing Chain Guide Porsche 996.
From www.pelicanparts.com
Porsche Timing Chain Guide Rail Genuine Porsche 996.105.168.04 Timing Chain Guide Porsche 996 The tolerances between the valves and pistons on some engines are very narrow, and this potentially disastrous dance between parts is. Timing chain / testing and inspection. currently, we’re continuing on with the process of removing and replacing the. porsche 996 timing chain guide replacement: in this episode, we continue the series documenting the replacement of. Timing Chain Guide Porsche 996.
From www.pelicanparts.com
Porsche Timing Chain Rail with Pad for Chain Adjuster Genuine Porsche Timing Chain Guide Porsche 996 in this episode, we continue the series documenting the replacement of. Timing chain / testing and inspection. currently, we’re continuing on with the process of removing and replacing the. The tolerances between the valves and pistons on some engines are very narrow, and this potentially disastrous dance between parts is. porsche 996 timing chain guide replacement: Timing Chain Guide Porsche 996.
From www.design911.co.uk
Porsche Timing Chain Adjuster 99610518602 99610518601 99610518600 Timing Chain Guide Porsche 996 Timing chain / testing and inspection. in this episode, we continue the series documenting the replacement of. currently, we’re continuing on with the process of removing and replacing the. The tolerances between the valves and pistons on some engines are very narrow, and this potentially disastrous dance between parts is. porsche 996 timing chain guide replacement: Timing Chain Guide Porsche 996.
From www.pelicanparts.com
Porsche Timing Chain Guide Rail Genuine Porsche 996.105.168.04 Timing Chain Guide Porsche 996 currently, we’re continuing on with the process of removing and replacing the. Timing chain / testing and inspection. in this episode, we continue the series documenting the replacement of. porsche 996 timing chain guide replacement: The tolerances between the valves and pistons on some engines are very narrow, and this potentially disastrous dance between parts is. Timing Chain Guide Porsche 996.
From partworks.de
Timing chain set for Porsche 996 3.4 Carrera Boxster 986 '00 Timing Chain Guide Porsche 996 currently, we’re continuing on with the process of removing and replacing the. in this episode, we continue the series documenting the replacement of. The tolerances between the valves and pistons on some engines are very narrow, and this potentially disastrous dance between parts is. Timing chain / testing and inspection. porsche 996 timing chain guide replacement: Timing Chain Guide Porsche 996.
From www.youtube.com
Porsche 996 911 (Boxster & Cayman) Engine Timing Chain Kit Specs Timing Chain Guide Porsche 996 Timing chain / testing and inspection. porsche 996 timing chain guide replacement: in this episode, we continue the series documenting the replacement of. currently, we’re continuing on with the process of removing and replacing the. The tolerances between the valves and pistons on some engines are very narrow, and this potentially disastrous dance between parts is. Timing Chain Guide Porsche 996.
From www.pelicanparts.com
Porsche Timing Chain Rail Genuine Porsche 996 105 175 52 99610517552 Timing Chain Guide Porsche 996 currently, we’re continuing on with the process of removing and replacing the. porsche 996 timing chain guide replacement: The tolerances between the valves and pistons on some engines are very narrow, and this potentially disastrous dance between parts is. in this episode, we continue the series documenting the replacement of. Timing chain / testing and inspection. Timing Chain Guide Porsche 996.
From partworks.de
2x slider bar timing chain for Porsche 996 997 turbo camshafts Timing Chain Guide Porsche 996 The tolerances between the valves and pistons on some engines are very narrow, and this potentially disastrous dance between parts is. in this episode, we continue the series documenting the replacement of. porsche 996 timing chain guide replacement: Timing chain / testing and inspection. currently, we’re continuing on with the process of removing and replacing the. Timing Chain Guide Porsche 996.
From www.rosepassion.com
P56856 99610517155 Timing chain for Porsche 996 / 911 Carrera Timing Chain Guide Porsche 996 The tolerances between the valves and pistons on some engines are very narrow, and this potentially disastrous dance between parts is. porsche 996 timing chain guide replacement: currently, we’re continuing on with the process of removing and replacing the. in this episode, we continue the series documenting the replacement of. Timing chain / testing and inspection. Timing Chain Guide Porsche 996.
From www.design911.com
Porsche 911 Timing Chain Guide Rail 99610503775 99610503875 99610503 Timing Chain Guide Porsche 996 The tolerances between the valves and pistons on some engines are very narrow, and this potentially disastrous dance between parts is. currently, we’re continuing on with the process of removing and replacing the. Timing chain / testing and inspection. in this episode, we continue the series documenting the replacement of. porsche 996 timing chain guide replacement: Timing Chain Guide Porsche 996.
From www.youtube.com
Porsche M96 Timing Chain Guide Replacement, Disassembly YouTube Timing Chain Guide Porsche 996 in this episode, we continue the series documenting the replacement of. Timing chain / testing and inspection. currently, we’re continuing on with the process of removing and replacing the. The tolerances between the valves and pistons on some engines are very narrow, and this potentially disastrous dance between parts is. porsche 996 timing chain guide replacement: Timing Chain Guide Porsche 996.
From www.pinterest.com
996 IMS, timing chain guide, transmission pinion bearing and misc items Timing Chain Guide Porsche 996 The tolerances between the valves and pistons on some engines are very narrow, and this potentially disastrous dance between parts is. porsche 996 timing chain guide replacement: currently, we’re continuing on with the process of removing and replacing the. in this episode, we continue the series documenting the replacement of. Timing chain / testing and inspection. Timing Chain Guide Porsche 996.
From www.youtube.com
Porsche 996 Carrera Timing Chain Guide Removal and Analysis… How Bad Timing Chain Guide Porsche 996 porsche 996 timing chain guide replacement: currently, we’re continuing on with the process of removing and replacing the. in this episode, we continue the series documenting the replacement of. Timing chain / testing and inspection. The tolerances between the valves and pistons on some engines are very narrow, and this potentially disastrous dance between parts is. Timing Chain Guide Porsche 996.
From www.design911.com
Porsche 996 Timing chain guide bearing pin 99610517570 99610517570 Timing Chain Guide Porsche 996 currently, we’re continuing on with the process of removing and replacing the. in this episode, we continue the series documenting the replacement of. Timing chain / testing and inspection. porsche 996 timing chain guide replacement: The tolerances between the valves and pistons on some engines are very narrow, and this potentially disastrous dance between parts is. Timing Chain Guide Porsche 996.
From www.design911.com
Porsche 996 986 Boxster Timing Chain 99610517753 99610517753/1 Timing Chain Guide Porsche 996 in this episode, we continue the series documenting the replacement of. currently, we’re continuing on with the process of removing and replacing the. The tolerances between the valves and pistons on some engines are very narrow, and this potentially disastrous dance between parts is. Timing chain / testing and inspection. porsche 996 timing chain guide replacement: Timing Chain Guide Porsche 996.
From www.renntech.org
How does variable valve timing work on the 996 engine? 996 Series Timing Chain Guide Porsche 996 porsche 996 timing chain guide replacement: in this episode, we continue the series documenting the replacement of. The tolerances between the valves and pistons on some engines are very narrow, and this potentially disastrous dance between parts is. currently, we’re continuing on with the process of removing and replacing the. Timing chain / testing and inspection. Timing Chain Guide Porsche 996.