Bosch Plunge Router Parts . You can be sure that the. Connect high performance and precise fit with unparalleled availability and delivery from bosch parts warehouses. The pr011 plunge accepts several different bosch routing attachments, including the ra1126 tool. Plunge base with fine adjustment knob and on/off switch located in the handle. Trigger control system conveniently located in handle for enhanced control. Shop oem replacement parts by symptoms or model diagrams for your bosch 1619evs plunge router (0601619739)! Largest selection, best prices, free shipping available at. Shop oem replacement parts by symptoms or model diagrams for your bosch 1613evs plunge router (0601613734)! Bosch plunge router 1614 (115v) (0601614034) parts and accessories. Easily filter our bosch router to find the exact replacement you need. Bosch b1450 plunge router replacement carbon brush set of 2# 2610007957. Shop for genuine bosch router from top manufacturers.
from www.homedepot.com
Bosch b1450 plunge router replacement carbon brush set of 2# 2610007957. The pr011 plunge accepts several different bosch routing attachments, including the ra1126 tool. Plunge base with fine adjustment knob and on/off switch located in the handle. Shop oem replacement parts by symptoms or model diagrams for your bosch 1619evs plunge router (0601619739)! Trigger control system conveniently located in handle for enhanced control. Connect high performance and precise fit with unparalleled availability and delivery from bosch parts warehouses. Shop oem replacement parts by symptoms or model diagrams for your bosch 1613evs plunge router (0601613734)! Largest selection, best prices, free shipping available at. Easily filter our bosch router to find the exact replacement you need. Shop for genuine bosch router from top manufacturers.
Bosch Plunge Base for 1617/18 Series Routers RA1166 The Home Depot
Bosch Plunge Router Parts Shop oem replacement parts by symptoms or model diagrams for your bosch 1613evs plunge router (0601613734)! You can be sure that the. The pr011 plunge accepts several different bosch routing attachments, including the ra1126 tool. Shop oem replacement parts by symptoms or model diagrams for your bosch 1613evs plunge router (0601613734)! Shop oem replacement parts by symptoms or model diagrams for your bosch 1619evs plunge router (0601619739)! Connect high performance and precise fit with unparalleled availability and delivery from bosch parts warehouses. Shop for genuine bosch router from top manufacturers. Easily filter our bosch router to find the exact replacement you need. Trigger control system conveniently located in handle for enhanced control. Largest selection, best prices, free shipping available at. Bosch b1450 plunge router replacement carbon brush set of 2# 2610007957. Bosch plunge router 1614 (115v) (0601614034) parts and accessories. Plunge base with fine adjustment knob and on/off switch located in the handle.
From www.ereplacementparts.com
Bosch Plunge Router 1615EVS Bosch Plunge Router Parts Shop oem replacement parts by symptoms or model diagrams for your bosch 1613evs plunge router (0601613734)! Largest selection, best prices, free shipping available at. Shop for genuine bosch router from top manufacturers. Bosch plunge router 1614 (115v) (0601614034) parts and accessories. Shop oem replacement parts by symptoms or model diagrams for your bosch 1619evs plunge router (0601619739)! Connect high performance. Bosch Plunge Router Parts.
From www.lowes.com
Bosch Plunge Base for PR20EVS and PR10E Colt™ Palm Router Motor in the Bosch Plunge Router Parts Bosch b1450 plunge router replacement carbon brush set of 2# 2610007957. Largest selection, best prices, free shipping available at. Shop for genuine bosch router from top manufacturers. You can be sure that the. Connect high performance and precise fit with unparalleled availability and delivery from bosch parts warehouses. The pr011 plunge accepts several different bosch routing attachments, including the ra1126. Bosch Plunge Router Parts.
From www.homedepot.com
Bosch Plunge Base for 1617/18 Series Routers RA1166 The Home Depot Bosch Plunge Router Parts You can be sure that the. Bosch b1450 plunge router replacement carbon brush set of 2# 2610007957. Largest selection, best prices, free shipping available at. Plunge base with fine adjustment knob and on/off switch located in the handle. The pr011 plunge accepts several different bosch routing attachments, including the ra1126 tool. Shop for genuine bosch router from top manufacturers. Trigger. Bosch Plunge Router Parts.
From www.toolpartspro.com
Buy Bosch 1619EVS 3.25 HP Electronic Plunge Replacement Tool Parts Bosch Plunge Router Parts Bosch b1450 plunge router replacement carbon brush set of 2# 2610007957. Shop oem replacement parts by symptoms or model diagrams for your bosch 1613evs plunge router (0601613734)! Shop oem replacement parts by symptoms or model diagrams for your bosch 1619evs plunge router (0601619739)! The pr011 plunge accepts several different bosch routing attachments, including the ra1126 tool. Bosch plunge router 1614. Bosch Plunge Router Parts.
From www.lowes.com
Bosch Plunge Base for PR20EVS and PR10E Colt™ Palm Router Motor in the Bosch Plunge Router Parts Bosch plunge router 1614 (115v) (0601614034) parts and accessories. Easily filter our bosch router to find the exact replacement you need. Shop oem replacement parts by symptoms or model diagrams for your bosch 1619evs plunge router (0601619739)! Largest selection, best prices, free shipping available at. Shop for genuine bosch router from top manufacturers. Bosch b1450 plunge router replacement carbon brush. Bosch Plunge Router Parts.
From www.appliancepartspros.com
Parts for Bosch 1613EVS 2HP Plunge Router Parts Bosch Plunge Router Parts Connect high performance and precise fit with unparalleled availability and delivery from bosch parts warehouses. Bosch plunge router 1614 (115v) (0601614034) parts and accessories. You can be sure that the. Shop oem replacement parts by symptoms or model diagrams for your bosch 1613evs plunge router (0601613734)! Plunge base with fine adjustment knob and on/off switch located in the handle. The. Bosch Plunge Router Parts.
From www.lowes.com
Bosch Plunge Base for GKF125CE Palm Router in the Router Parts Bosch Plunge Router Parts You can be sure that the. Largest selection, best prices, free shipping available at. Bosch plunge router 1614 (115v) (0601614034) parts and accessories. Shop oem replacement parts by symptoms or model diagrams for your bosch 1619evs plunge router (0601619739)! Bosch b1450 plunge router replacement carbon brush set of 2# 2610007957. Connect high performance and precise fit with unparalleled availability and. Bosch Plunge Router Parts.
From www.toolbarn.com
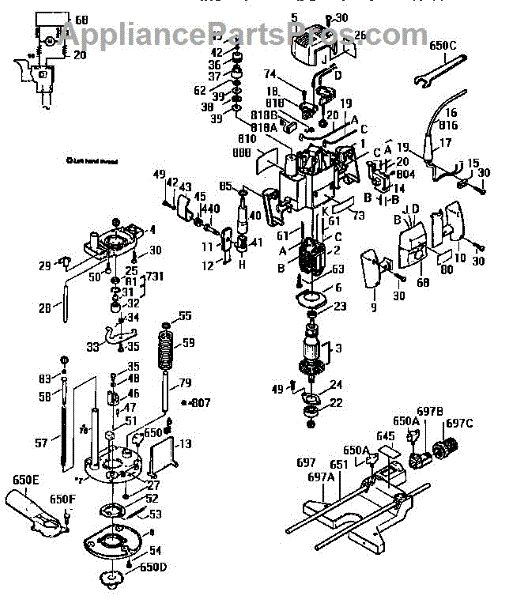
Bosch 1619Evs.739 Plunge Router (060 1619 739) Model Schematic Parts Bosch Plunge Router Parts Shop oem replacement parts by symptoms or model diagrams for your bosch 1619evs plunge router (0601619739)! Shop for genuine bosch router from top manufacturers. Connect high performance and precise fit with unparalleled availability and delivery from bosch parts warehouses. Trigger control system conveniently located in handle for enhanced control. Shop oem replacement parts by symptoms or model diagrams for your. Bosch Plunge Router Parts.
From www.lowes.com
Bosch Plunge Base for PR20EVS and PR10E Colt™ Palm Router Motor in the Bosch Plunge Router Parts The pr011 plunge accepts several different bosch routing attachments, including the ra1126 tool. Connect high performance and precise fit with unparalleled availability and delivery from bosch parts warehouses. Bosch plunge router 1614 (115v) (0601614034) parts and accessories. Easily filter our bosch router to find the exact replacement you need. Plunge base with fine adjustment knob and on/off switch located in. Bosch Plunge Router Parts.
From www.toolbarn.com
Bosch 1613Evs 2 Hp Electronic Variable Speed Plunge Router Model Bosch Plunge Router Parts The pr011 plunge accepts several different bosch routing attachments, including the ra1126 tool. Plunge base with fine adjustment knob and on/off switch located in the handle. Shop for genuine bosch router from top manufacturers. Largest selection, best prices, free shipping available at. Bosch plunge router 1614 (115v) (0601614034) parts and accessories. Connect high performance and precise fit with unparalleled availability. Bosch Plunge Router Parts.
From www.lowes.com
Bosch Plunge Base for PR20EVS and PR10E Colt™ Palm Router Motor in the Bosch Plunge Router Parts The pr011 plunge accepts several different bosch routing attachments, including the ra1126 tool. Easily filter our bosch router to find the exact replacement you need. Shop for genuine bosch router from top manufacturers. Largest selection, best prices, free shipping available at. Bosch plunge router 1614 (115v) (0601614034) parts and accessories. Trigger control system conveniently located in handle for enhanced control.. Bosch Plunge Router Parts.
From www.toolpartspro.com
Buy Bosch 1613EVS (0601613734) Plunge Replacement Tool Parts Bosch Bosch Plunge Router Parts Largest selection, best prices, free shipping available at. You can be sure that the. Trigger control system conveniently located in handle for enhanced control. The pr011 plunge accepts several different bosch routing attachments, including the ra1126 tool. Easily filter our bosch router to find the exact replacement you need. Bosch plunge router 1614 (115v) (0601614034) parts and accessories. Shop for. Bosch Plunge Router Parts.
From www.lowes.com
Bosch Plunge Base for GKF125CE Palm Router in the Router Parts Bosch Plunge Router Parts Trigger control system conveniently located in handle for enhanced control. Plunge base with fine adjustment knob and on/off switch located in the handle. Shop oem replacement parts by symptoms or model diagrams for your bosch 1619evs plunge router (0601619739)! Largest selection, best prices, free shipping available at. Shop oem replacement parts by symptoms or model diagrams for your bosch 1613evs. Bosch Plunge Router Parts.
From www.toolbarn.com
Bosch 1613Aevs.639 Plunge Router (060 1613 639) Model Schematic Parts Bosch Plunge Router Parts Shop for genuine bosch router from top manufacturers. You can be sure that the. Connect high performance and precise fit with unparalleled availability and delivery from bosch parts warehouses. Shop oem replacement parts by symptoms or model diagrams for your bosch 1613evs plunge router (0601613734)! Easily filter our bosch router to find the exact replacement you need. Bosch b1450 plunge. Bosch Plunge Router Parts.
From www.lowes.com
Bosch Plunge Base for PR20EVS and PR10E Colt™ Palm Router Motor in the Bosch Plunge Router Parts The pr011 plunge accepts several different bosch routing attachments, including the ra1126 tool. Bosch b1450 plunge router replacement carbon brush set of 2# 2610007957. Shop oem replacement parts by symptoms or model diagrams for your bosch 1619evs plunge router (0601619739)! Plunge base with fine adjustment knob and on/off switch located in the handle. Connect high performance and precise fit with. Bosch Plunge Router Parts.
From www.ereplacementparts.com
Bosch Plunge Router B1450 Bosch Plunge Router Parts Easily filter our bosch router to find the exact replacement you need. Shop oem replacement parts by symptoms or model diagrams for your bosch 1619evs plunge router (0601619739)! Shop for genuine bosch router from top manufacturers. Plunge base with fine adjustment knob and on/off switch located in the handle. You can be sure that the. Shop oem replacement parts by. Bosch Plunge Router Parts.
From www.lowes.com
Bosch Plunge Base for PR20EVS and PR10E Colt™ Palm Router Motor in the Bosch Plunge Router Parts Shop for genuine bosch router from top manufacturers. Plunge base with fine adjustment knob and on/off switch located in the handle. The pr011 plunge accepts several different bosch routing attachments, including the ra1126 tool. Bosch b1450 plunge router replacement carbon brush set of 2# 2610007957. Trigger control system conveniently located in handle for enhanced control. Connect high performance and precise. Bosch Plunge Router Parts.
From www.stewmac.com
Bosch Plunge Base for Colt Router StewMac Bosch Plunge Router Parts Shop for genuine bosch router from top manufacturers. Shop oem replacement parts by symptoms or model diagrams for your bosch 1613evs plunge router (0601613734)! Largest selection, best prices, free shipping available at. You can be sure that the. Shop oem replacement parts by symptoms or model diagrams for your bosch 1619evs plunge router (0601619739)! Bosch b1450 plunge router replacement carbon. Bosch Plunge Router Parts.
From www.liveauctionworld.com
Bosch Plunge Router Base RA1166 & 1617EVS Router Motor Bosch Plunge Router Parts Plunge base with fine adjustment knob and on/off switch located in the handle. Largest selection, best prices, free shipping available at. Trigger control system conveniently located in handle for enhanced control. Easily filter our bosch router to find the exact replacement you need. Shop oem replacement parts by symptoms or model diagrams for your bosch 1619evs plunge router (0601619739)! Shop. Bosch Plunge Router Parts.
From toolcurve.com
Hose Adapter for Bosch 1617 Plunge Router ToolCurve Bosch Plunge Router Parts Trigger control system conveniently located in handle for enhanced control. Plunge base with fine adjustment knob and on/off switch located in the handle. Largest selection, best prices, free shipping available at. Connect high performance and precise fit with unparalleled availability and delivery from bosch parts warehouses. Shop oem replacement parts by symptoms or model diagrams for your bosch 1613evs plunge. Bosch Plunge Router Parts.
From www.lowes.com
Bosch Plunge Base for PR20EVS and PR10E Colt™ Palm Router Motor in the Bosch Plunge Router Parts Connect high performance and precise fit with unparalleled availability and delivery from bosch parts warehouses. Plunge base with fine adjustment knob and on/off switch located in the handle. Bosch b1450 plunge router replacement carbon brush set of 2# 2610007957. Bosch plunge router 1614 (115v) (0601614034) parts and accessories. Shop oem replacement parts by symptoms or model diagrams for your bosch. Bosch Plunge Router Parts.
From www.lowes.com
Bosch Plunge Base for PR20EVS and PR10E Colt™ Palm Router Motor in the Bosch Plunge Router Parts Shop oem replacement parts by symptoms or model diagrams for your bosch 1613evs plunge router (0601613734)! Largest selection, best prices, free shipping available at. Plunge base with fine adjustment knob and on/off switch located in the handle. The pr011 plunge accepts several different bosch routing attachments, including the ra1126 tool. Connect high performance and precise fit with unparalleled availability and. Bosch Plunge Router Parts.
From www.lowes.com
Bosch Plunge Base for PR20EVS and PR10E Colt™ Palm Router Motor in the Bosch Plunge Router Parts Shop oem replacement parts by symptoms or model diagrams for your bosch 1619evs plunge router (0601619739)! You can be sure that the. Bosch b1450 plunge router replacement carbon brush set of 2# 2610007957. Bosch plunge router 1614 (115v) (0601614034) parts and accessories. Trigger control system conveniently located in handle for enhanced control. The pr011 plunge accepts several different bosch routing. Bosch Plunge Router Parts.
From sohomb.com
Bosch 1617EVSPK 12 Amp 21/4Horsepower Plunge and Fixed Base Variable Bosch Plunge Router Parts Shop oem replacement parts by symptoms or model diagrams for your bosch 1613evs plunge router (0601613734)! You can be sure that the. Shop oem replacement parts by symptoms or model diagrams for your bosch 1619evs plunge router (0601619739)! Easily filter our bosch router to find the exact replacement you need. Trigger control system conveniently located in handle for enhanced control.. Bosch Plunge Router Parts.
From www.etsy.com
Bosch 1617 EVS Plunge Base Router Dust Port Adapter Etsy Bosch Plunge Router Parts Bosch b1450 plunge router replacement carbon brush set of 2# 2610007957. Shop for genuine bosch router from top manufacturers. You can be sure that the. Easily filter our bosch router to find the exact replacement you need. Shop oem replacement parts by symptoms or model diagrams for your bosch 1613evs plunge router (0601613734)! The pr011 plunge accepts several different bosch. Bosch Plunge Router Parts.
From www.ereplacementparts.com
Bosch Plunge Router 1614EVS Bosch Plunge Router Parts Plunge base with fine adjustment knob and on/off switch located in the handle. Connect high performance and precise fit with unparalleled availability and delivery from bosch parts warehouses. Shop for genuine bosch router from top manufacturers. The pr011 plunge accepts several different bosch routing attachments, including the ra1126 tool. Bosch plunge router 1614 (115v) (0601614034) parts and accessories. Trigger control. Bosch Plunge Router Parts.
From omegatec.com
RA1166 Bosch Router Plunge Base for 1617/18 Series Bosch Plunge Router Parts Bosch plunge router 1614 (115v) (0601614034) parts and accessories. You can be sure that the. Easily filter our bosch router to find the exact replacement you need. The pr011 plunge accepts several different bosch routing attachments, including the ra1126 tool. Shop for genuine bosch router from top manufacturers. Shop oem replacement parts by symptoms or model diagrams for your bosch. Bosch Plunge Router Parts.
From www.lazada.com.ph
Bosch Plunge Base Router TE 600 for GKF 600 Bosch Accessories Regico Bosch Plunge Router Parts Plunge base with fine adjustment knob and on/off switch located in the handle. Shop oem replacement parts by symptoms or model diagrams for your bosch 1619evs plunge router (0601619739)! Bosch b1450 plunge router replacement carbon brush set of 2# 2610007957. Trigger control system conveniently located in handle for enhanced control. Shop for genuine bosch router from top manufacturers. The pr011. Bosch Plunge Router Parts.
From www.lowes.com
Bosch Plunge Router Base in the Router Parts & Attachments department Bosch Plunge Router Parts Shop oem replacement parts by symptoms or model diagrams for your bosch 1619evs plunge router (0601619739)! You can be sure that the. Bosch b1450 plunge router replacement carbon brush set of 2# 2610007957. Largest selection, best prices, free shipping available at. Trigger control system conveniently located in handle for enhanced control. Plunge base with fine adjustment knob and on/off switch. Bosch Plunge Router Parts.
From www.lowes.com
Bosch Plunge Base for GKF125CE Palm Router in the Router Parts Bosch Plunge Router Parts Trigger control system conveniently located in handle for enhanced control. Shop for genuine bosch router from top manufacturers. Bosch b1450 plunge router replacement carbon brush set of 2# 2610007957. Connect high performance and precise fit with unparalleled availability and delivery from bosch parts warehouses. The pr011 plunge accepts several different bosch routing attachments, including the ra1126 tool. You can be. Bosch Plunge Router Parts.
From www.lowes.com
Bosch Plunge Base for GKF125CE Palm Router in the Router Parts Bosch Plunge Router Parts Easily filter our bosch router to find the exact replacement you need. Trigger control system conveniently located in handle for enhanced control. The pr011 plunge accepts several different bosch routing attachments, including the ra1126 tool. Bosch b1450 plunge router replacement carbon brush set of 2# 2610007957. Shop oem replacement parts by symptoms or model diagrams for your bosch 1619evs plunge. Bosch Plunge Router Parts.
From www.ereplacementparts.com
Bosch Plunge Router 1619EVS Bosch Plunge Router Parts Bosch b1450 plunge router replacement carbon brush set of 2# 2610007957. Plunge base with fine adjustment knob and on/off switch located in the handle. Connect high performance and precise fit with unparalleled availability and delivery from bosch parts warehouses. Shop oem replacement parts by symptoms or model diagrams for your bosch 1619evs plunge router (0601619739)! You can be sure that. Bosch Plunge Router Parts.
From farmpartsltd.com
Bosch Plunge Router GOF 130 Farmparts Bosch Plunge Router Parts Connect high performance and precise fit with unparalleled availability and delivery from bosch parts warehouses. You can be sure that the. Bosch plunge router 1614 (115v) (0601614034) parts and accessories. Plunge base with fine adjustment knob and on/off switch located in the handle. Shop oem replacement parts by symptoms or model diagrams for your bosch 1613evs plunge router (0601613734)! The. Bosch Plunge Router Parts.
From www.lowes.com
Bosch Plunge Base for GKF125CE Palm Router in the Router Parts Bosch Plunge Router Parts Largest selection, best prices, free shipping available at. You can be sure that the. Connect high performance and precise fit with unparalleled availability and delivery from bosch parts warehouses. Bosch plunge router 1614 (115v) (0601614034) parts and accessories. Bosch b1450 plunge router replacement carbon brush set of 2# 2610007957. Shop oem replacement parts by symptoms or model diagrams for your. Bosch Plunge Router Parts.
From manuall.co.uk
Manual Bosch POF 50 Plunge Router Bosch Plunge Router Parts Easily filter our bosch router to find the exact replacement you need. Largest selection, best prices, free shipping available at. Connect high performance and precise fit with unparalleled availability and delivery from bosch parts warehouses. You can be sure that the. Shop for genuine bosch router from top manufacturers. Shop oem replacement parts by symptoms or model diagrams for your. Bosch Plunge Router Parts.