Cut Off Machine Spare Parts Hs Code . Your hs codes determine your compliance, your admissibility, and which supply chain advantages you can capture. Parts of machines and mechanical appliances having individual functions, n.e.s. The hs code for cut off machine spare parts is 8479. The harmonized tariff schedule of the united states (hts) sets out the tariff rates and statistical categories for all merchandise. What we call a part in industry is rarely what the hts code refers to as a 'part' or 'parts thereof.' you need to know the difference. Of cast iron or cast steel) This code covers a wide range of components including blades, wheels, and other. Machines for working in the hand and sawing machines)
from www.partswarehouse.com
The harmonized tariff schedule of the united states (hts) sets out the tariff rates and statistical categories for all merchandise. Of cast iron or cast steel) The hs code for cut off machine spare parts is 8479. Machines for working in the hand and sawing machines) This code covers a wide range of components including blades, wheels, and other. Your hs codes determine your compliance, your admissibility, and which supply chain advantages you can capture. What we call a part in industry is rarely what the hts code refers to as a 'part' or 'parts thereof.' you need to know the difference. Parts of machines and mechanical appliances having individual functions, n.e.s.
Ridgid CM14000 14" CutOff Machine Parts and Accessories PartsWarehouse
Cut Off Machine Spare Parts Hs Code Your hs codes determine your compliance, your admissibility, and which supply chain advantages you can capture. What we call a part in industry is rarely what the hts code refers to as a 'part' or 'parts thereof.' you need to know the difference. The hs code for cut off machine spare parts is 8479. Machines for working in the hand and sawing machines) Your hs codes determine your compliance, your admissibility, and which supply chain advantages you can capture. Parts of machines and mechanical appliances having individual functions, n.e.s. Of cast iron or cast steel) The harmonized tariff schedule of the united states (hts) sets out the tariff rates and statistical categories for all merchandise. This code covers a wide range of components including blades, wheels, and other.
From manualzz.com
Safety Instructions For Abrasive CutOff Machine Manualzz Cut Off Machine Spare Parts Hs Code Parts of machines and mechanical appliances having individual functions, n.e.s. The harmonized tariff schedule of the united states (hts) sets out the tariff rates and statistical categories for all merchandise. Machines for working in the hand and sawing machines) This code covers a wide range of components including blades, wheels, and other. Of cast iron or cast steel) The hs. Cut Off Machine Spare Parts Hs Code.
From www.jackssmallengines.com
Milwaukee 617720 (C77A) 14" Abrasive CutOff Machine Parts Parts Cut Off Machine Spare Parts Hs Code The hs code for cut off machine spare parts is 8479. This code covers a wide range of components including blades, wheels, and other. Machines for working in the hand and sawing machines) Parts of machines and mechanical appliances having individual functions, n.e.s. What we call a part in industry is rarely what the hts code refers to as a. Cut Off Machine Spare Parts Hs Code.
From www.mmtoolparts.com
Hitachi CC14SC Parts CutOff Machine Hitachi Cutoff Machine Parts Cut Off Machine Spare Parts Hs Code The hs code for cut off machine spare parts is 8479. This code covers a wide range of components including blades, wheels, and other. The harmonized tariff schedule of the united states (hts) sets out the tariff rates and statistical categories for all merchandise. Your hs codes determine your compliance, your admissibility, and which supply chain advantages you can capture.. Cut Off Machine Spare Parts Hs Code.
From www.mmtoolparts.com
Hitachi CC14SC Parts CutOff Machine Hitachi Cutoff Machine Parts Cut Off Machine Spare Parts Hs Code Your hs codes determine your compliance, your admissibility, and which supply chain advantages you can capture. This code covers a wide range of components including blades, wheels, and other. The harmonized tariff schedule of the united states (hts) sets out the tariff rates and statistical categories for all merchandise. Machines for working in the hand and sawing machines) What we. Cut Off Machine Spare Parts Hs Code.
From www.jackssmallengines.com
Milwaukee 617620 (Serial 968B) 14 in. Abrasive CutOff Machine Parts Cut Off Machine Spare Parts Hs Code This code covers a wide range of components including blades, wheels, and other. Parts of machines and mechanical appliances having individual functions, n.e.s. Machines for working in the hand and sawing machines) Of cast iron or cast steel) Your hs codes determine your compliance, your admissibility, and which supply chain advantages you can capture. The harmonized tariff schedule of the. Cut Off Machine Spare Parts Hs Code.
From www.bricoutensili.com
Makita Spare Parts for CUTOFF Machine 2414K Cut Off Machine Spare Parts Hs Code The hs code for cut off machine spare parts is 8479. Parts of machines and mechanical appliances having individual functions, n.e.s. Your hs codes determine your compliance, your admissibility, and which supply chain advantages you can capture. What we call a part in industry is rarely what the hts code refers to as a 'part' or 'parts thereof.' you need. Cut Off Machine Spare Parts Hs Code.
From www.mmtoolparts.com
Hitachi CC12Y Parts CutOff Machine Hitachi Cutoff Machine Parts Cut Off Machine Spare Parts Hs Code Parts of machines and mechanical appliances having individual functions, n.e.s. The hs code for cut off machine spare parts is 8479. This code covers a wide range of components including blades, wheels, and other. The harmonized tariff schedule of the united states (hts) sets out the tariff rates and statistical categories for all merchandise. What we call a part in. Cut Off Machine Spare Parts Hs Code.
From www.partswarehouse.com
Ridgid CM14000 14" CutOff Machine Parts and Accessories PartsWarehouse Cut Off Machine Spare Parts Hs Code Parts of machines and mechanical appliances having individual functions, n.e.s. The harmonized tariff schedule of the united states (hts) sets out the tariff rates and statistical categories for all merchandise. Of cast iron or cast steel) The hs code for cut off machine spare parts is 8479. What we call a part in industry is rarely what the hts code. Cut Off Machine Spare Parts Hs Code.
From www.jackssmallengines.com
Milwaukee 618020 (Serial 896B) 14 in. Abrasive CutOff Machine Parts Cut Off Machine Spare Parts Hs Code What we call a part in industry is rarely what the hts code refers to as a 'part' or 'parts thereof.' you need to know the difference. This code covers a wide range of components including blades, wheels, and other. Of cast iron or cast steel) Your hs codes determine your compliance, your admissibility, and which supply chain advantages you. Cut Off Machine Spare Parts Hs Code.
From www.scribd.com
STIHL Cut Off Machine Instruction Safety Manual PDF Silicon Dioxide Cut Off Machine Spare Parts Hs Code The harmonized tariff schedule of the united states (hts) sets out the tariff rates and statistical categories for all merchandise. This code covers a wide range of components including blades, wheels, and other. Of cast iron or cast steel) Your hs codes determine your compliance, your admissibility, and which supply chain advantages you can capture. Machines for working in the. Cut Off Machine Spare Parts Hs Code.
From www.mmtoolparts.com
Hitachi CD14F Parts CutOff Machine Hitachi Cutoff Machine Parts Cut Off Machine Spare Parts Hs Code Parts of machines and mechanical appliances having individual functions, n.e.s. The hs code for cut off machine spare parts is 8479. Machines for working in the hand and sawing machines) Of cast iron or cast steel) What we call a part in industry is rarely what the hts code refers to as a 'part' or 'parts thereof.' you need to. Cut Off Machine Spare Parts Hs Code.
From reviewmotors.co
Hitachi Cut Off Machine Spare Parts Reviewmotors.co Cut Off Machine Spare Parts Hs Code Parts of machines and mechanical appliances having individual functions, n.e.s. The harmonized tariff schedule of the united states (hts) sets out the tariff rates and statistical categories for all merchandise. Machines for working in the hand and sawing machines) The hs code for cut off machine spare parts is 8479. Your hs codes determine your compliance, your admissibility, and which. Cut Off Machine Spare Parts Hs Code.
From www.toolspareparts.com.au
Hitachi 355MM(14")HITACHI CUTOFF MACHINE CC14SE Spare Parts Cut Off Machine Spare Parts Hs Code Of cast iron or cast steel) Machines for working in the hand and sawing machines) The hs code for cut off machine spare parts is 8479. This code covers a wide range of components including blades, wheels, and other. Parts of machines and mechanical appliances having individual functions, n.e.s. Your hs codes determine your compliance, your admissibility, and which supply. Cut Off Machine Spare Parts Hs Code.
From www.mmtoolparts.com
Hitachi CD14F Parts CutOff Machine Hitachi Cutoff Machine Parts Cut Off Machine Spare Parts Hs Code The hs code for cut off machine spare parts is 8479. What we call a part in industry is rarely what the hts code refers to as a 'part' or 'parts thereof.' you need to know the difference. Machines for working in the hand and sawing machines) Of cast iron or cast steel) This code covers a wide range of. Cut Off Machine Spare Parts Hs Code.
From www.jackssmallengines.com
Milwaukee 618520 (Serial A20C) 14 in. Handheld CutOff Machine Parts Cut Off Machine Spare Parts Hs Code Of cast iron or cast steel) What we call a part in industry is rarely what the hts code refers to as a 'part' or 'parts thereof.' you need to know the difference. This code covers a wide range of components including blades, wheels, and other. The harmonized tariff schedule of the united states (hts) sets out the tariff rates. Cut Off Machine Spare Parts Hs Code.
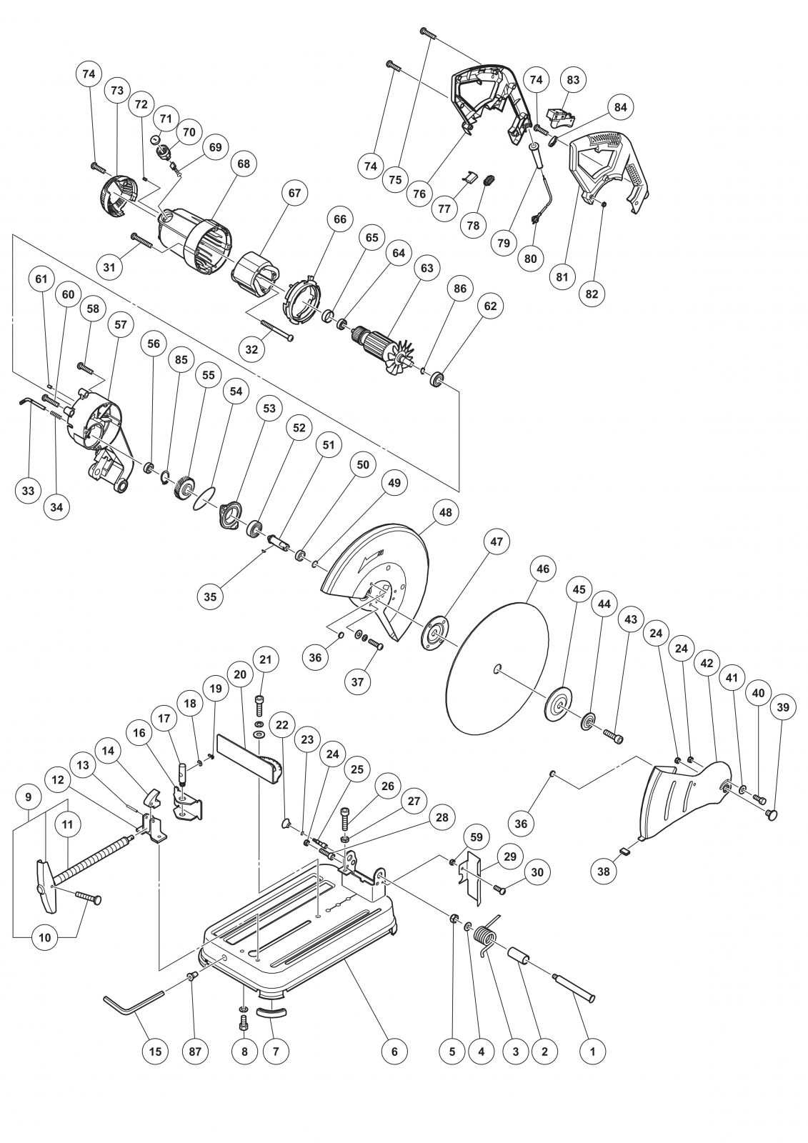
From www.jackssmallengines.com
Milwaukee 6175 (Serial 821C) 14" CutOff Saw Parts Parts Diagram for 14 Cut Off Machine Spare Parts Hs Code Machines for working in the hand and sawing machines) The hs code for cut off machine spare parts is 8479. What we call a part in industry is rarely what the hts code refers to as a 'part' or 'parts thereof.' you need to know the difference. Your hs codes determine your compliance, your admissibility, and which supply chain advantages. Cut Off Machine Spare Parts Hs Code.
From www.jackssmallengines.com
Milwaukee 6150 (Serial 5951104) 12" Cut Off Machine Parts Parts Cut Off Machine Spare Parts Hs Code The hs code for cut off machine spare parts is 8479. This code covers a wide range of components including blades, wheels, and other. Parts of machines and mechanical appliances having individual functions, n.e.s. The harmonized tariff schedule of the united states (hts) sets out the tariff rates and statistical categories for all merchandise. Of cast iron or cast steel). Cut Off Machine Spare Parts Hs Code.
From www.toolspareparts.com.au
Hitachi CUTOFF MACHINE CC16SB Spare Parts Cut Off Machine Spare Parts Hs Code What we call a part in industry is rarely what the hts code refers to as a 'part' or 'parts thereof.' you need to know the difference. Parts of machines and mechanical appliances having individual functions, n.e.s. Machines for working in the hand and sawing machines) Of cast iron or cast steel) The hs code for cut off machine spare. Cut Off Machine Spare Parts Hs Code.
From www.toolspareparts.com.au
Hitachi CUTOFF MACHINE CC14SF Spare Parts Cut Off Machine Spare Parts Hs Code The harmonized tariff schedule of the united states (hts) sets out the tariff rates and statistical categories for all merchandise. Your hs codes determine your compliance, your admissibility, and which supply chain advantages you can capture. The hs code for cut off machine spare parts is 8479. Parts of machines and mechanical appliances having individual functions, n.e.s. This code covers. Cut Off Machine Spare Parts Hs Code.
From www.sparepartsworld.co.uk
Hitachi Portable Cutoff Machine Cc 12y Spare Parts SPARE_CC12Y from Cut Off Machine Spare Parts Hs Code What we call a part in industry is rarely what the hts code refers to as a 'part' or 'parts thereof.' you need to know the difference. Of cast iron or cast steel) Your hs codes determine your compliance, your admissibility, and which supply chain advantages you can capture. Parts of machines and mechanical appliances having individual functions, n.e.s. The. Cut Off Machine Spare Parts Hs Code.
From www.toolspareparts.com.au
Hitachi HIGHSPEED CUTOFF MACHINE HU14 Spare Parts Cut Off Machine Spare Parts Hs Code The harmonized tariff schedule of the united states (hts) sets out the tariff rates and statistical categories for all merchandise. The hs code for cut off machine spare parts is 8479. Your hs codes determine your compliance, your admissibility, and which supply chain advantages you can capture. Of cast iron or cast steel) This code covers a wide range of. Cut Off Machine Spare Parts Hs Code.
From www.sparepartsworld.co.uk
Hikoki Cc14st Cutoff Machine Spare Parts Spare_CC14ST from Spare Parts Cut Off Machine Spare Parts Hs Code The harmonized tariff schedule of the united states (hts) sets out the tariff rates and statistical categories for all merchandise. This code covers a wide range of components including blades, wheels, and other. Parts of machines and mechanical appliances having individual functions, n.e.s. Machines for working in the hand and sawing machines) What we call a part in industry is. Cut Off Machine Spare Parts Hs Code.
From www.jackssmallengines.com
Milwaukee 618020 (Serial 896A) 14 in. Abrasive CutOff Machine Parts Cut Off Machine Spare Parts Hs Code Machines for working in the hand and sawing machines) Your hs codes determine your compliance, your admissibility, and which supply chain advantages you can capture. This code covers a wide range of components including blades, wheels, and other. The hs code for cut off machine spare parts is 8479. The harmonized tariff schedule of the united states (hts) sets out. Cut Off Machine Spare Parts Hs Code.
From www.sparepartsworld.co.uk
Hitachi Cutoff Machine Cc 16sa Spare Parts SPARE_CC16SA from Spare Cut Off Machine Spare Parts Hs Code Parts of machines and mechanical appliances having individual functions, n.e.s. The hs code for cut off machine spare parts is 8479. Machines for working in the hand and sawing machines) What we call a part in industry is rarely what the hts code refers to as a 'part' or 'parts thereof.' you need to know the difference. Your hs codes. Cut Off Machine Spare Parts Hs Code.
From www.sparepartsworld.co.uk
Hikoki Cc14sta Cutoff Machine Spare Parts Spare_CC14STA from Spare Cut Off Machine Spare Parts Hs Code This code covers a wide range of components including blades, wheels, and other. Parts of machines and mechanical appliances having individual functions, n.e.s. What we call a part in industry is rarely what the hts code refers to as a 'part' or 'parts thereof.' you need to know the difference. Of cast iron or cast steel) Machines for working in. Cut Off Machine Spare Parts Hs Code.
From sparepartsworld.co.uk
Milwaukee 4000411761 Chs355 Cutoff Machine In2 Spare Parts SPARE Cut Off Machine Spare Parts Hs Code Parts of machines and mechanical appliances having individual functions, n.e.s. Of cast iron or cast steel) This code covers a wide range of components including blades, wheels, and other. The harmonized tariff schedule of the united states (hts) sets out the tariff rates and statistical categories for all merchandise. The hs code for cut off machine spare parts is 8479.. Cut Off Machine Spare Parts Hs Code.
From www.jackssmallengines.com
Milwaukee 618401 (Serial 929A) Cut Off Machine Parts Parts Diagram for Cut Off Machine Spare Parts Hs Code Parts of machines and mechanical appliances having individual functions, n.e.s. This code covers a wide range of components including blades, wheels, and other. Machines for working in the hand and sawing machines) The hs code for cut off machine spare parts is 8479. Your hs codes determine your compliance, your admissibility, and which supply chain advantages you can capture. What. Cut Off Machine Spare Parts Hs Code.
From www.bricoutensili.com
Makita Spare Parts for CUTOFF Machine 2414NB Cut Off Machine Spare Parts Hs Code Parts of machines and mechanical appliances having individual functions, n.e.s. This code covers a wide range of components including blades, wheels, and other. The harmonized tariff schedule of the united states (hts) sets out the tariff rates and statistical categories for all merchandise. What we call a part in industry is rarely what the hts code refers to as a. Cut Off Machine Spare Parts Hs Code.
From www.mmtoolparts.com
Hitachi CC14SB Parts CutOff Machine Hitachi Cutoff Machine Parts Cut Off Machine Spare Parts Hs Code Machines for working in the hand and sawing machines) What we call a part in industry is rarely what the hts code refers to as a 'part' or 'parts thereof.' you need to know the difference. The hs code for cut off machine spare parts is 8479. This code covers a wide range of components including blades, wheels, and other.. Cut Off Machine Spare Parts Hs Code.
From www.hmpdrills.com
CUT OFF MACHINE HMP Cut Off Machine Spare Parts Hs Code Of cast iron or cast steel) This code covers a wide range of components including blades, wheels, and other. What we call a part in industry is rarely what the hts code refers to as a 'part' or 'parts thereof.' you need to know the difference. Machines for working in the hand and sawing machines) The hs code for cut. Cut Off Machine Spare Parts Hs Code.
From www.jackssmallengines.com
Milwaukee 617720 (C77A) 14" Abrasive CutOff Machine Parts Parts Cut Off Machine Spare Parts Hs Code Parts of machines and mechanical appliances having individual functions, n.e.s. This code covers a wide range of components including blades, wheels, and other. The harmonized tariff schedule of the united states (hts) sets out the tariff rates and statistical categories for all merchandise. What we call a part in industry is rarely what the hts code refers to as a. Cut Off Machine Spare Parts Hs Code.
From www.toolspareparts.com.au
Hitachi CUTOFF MACHINE CC16SA Spare Parts Cut Off Machine Spare Parts Hs Code The hs code for cut off machine spare parts is 8479. This code covers a wide range of components including blades, wheels, and other. The harmonized tariff schedule of the united states (hts) sets out the tariff rates and statistical categories for all merchandise. Machines for working in the hand and sawing machines) What we call a part in industry. Cut Off Machine Spare Parts Hs Code.
From www.jackssmallengines.com
Milwaukee 617620 (Serial 968F) 14 in. Abrasive CutOff Machine Parts Cut Off Machine Spare Parts Hs Code Machines for working in the hand and sawing machines) Your hs codes determine your compliance, your admissibility, and which supply chain advantages you can capture. The hs code for cut off machine spare parts is 8479. Parts of machines and mechanical appliances having individual functions, n.e.s. The harmonized tariff schedule of the united states (hts) sets out the tariff rates. Cut Off Machine Spare Parts Hs Code.
From www.mmtoolparts.com
Hitachi HU12 Parts CutOff Machine Hitachi Cutoff Machine Parts Cut Off Machine Spare Parts Hs Code Of cast iron or cast steel) What we call a part in industry is rarely what the hts code refers to as a 'part' or 'parts thereof.' you need to know the difference. Machines for working in the hand and sawing machines) Parts of machines and mechanical appliances having individual functions, n.e.s. Your hs codes determine your compliance, your admissibility,. Cut Off Machine Spare Parts Hs Code.
From www.ereplacementparts.com
Hitachi 16" Cutoff Machine CC16SA Cut Off Machine Spare Parts Hs Code What we call a part in industry is rarely what the hts code refers to as a 'part' or 'parts thereof.' you need to know the difference. Parts of machines and mechanical appliances having individual functions, n.e.s. Your hs codes determine your compliance, your admissibility, and which supply chain advantages you can capture. Machines for working in the hand and. Cut Off Machine Spare Parts Hs Code.