Hoffman Amp Parts . This is not a kit, it is a parts listing. 96 rows hoffman ab763 one channel parts listing. Please make sure your post does not fit into one of the other forum categories first. Click the link above for tube amp info, schematics, board building information. Tube amp circuit board building parts, g10 epoxy board, fender style fiberboard, turret lugs, eyelets, standoffs, terminal strips. Parts list and kit index page for hoffman amplifiers, pick and choose the parts for your amp project. See the hoffman layout diagram for blue parts. Projects, mods, transformer diagrams, photo's, sound. Use the hoffman layout diagrams, parts listings and assembly instructions found on this page to assemble these boards. Hoffman amplifiers stocks tube amp parts for the diy tube amp builder, hoffman amps ships guitar amp parts all over the world, tube amp for guitar.
from makeitfixit.wordpress.com
Please make sure your post does not fit into one of the other forum categories first. Tube amp circuit board building parts, g10 epoxy board, fender style fiberboard, turret lugs, eyelets, standoffs, terminal strips. Hoffman amplifiers stocks tube amp parts for the diy tube amp builder, hoffman amps ships guitar amp parts all over the world, tube amp for guitar. 96 rows hoffman ab763 one channel parts listing. See the hoffman layout diagram for blue parts. Use the hoffman layout diagrams, parts listings and assembly instructions found on this page to assemble these boards. Parts list and kit index page for hoffman amplifiers, pick and choose the parts for your amp project. Click the link above for tube amp info, schematics, board building information. This is not a kit, it is a parts listing. Projects, mods, transformer diagrams, photo's, sound.
Hoffman 538 Tube Radio Restoration Make It Fix It
Hoffman Amp Parts 96 rows hoffman ab763 one channel parts listing. Please make sure your post does not fit into one of the other forum categories first. Tube amp circuit board building parts, g10 epoxy board, fender style fiberboard, turret lugs, eyelets, standoffs, terminal strips. See the hoffman layout diagram for blue parts. Use the hoffman layout diagrams, parts listings and assembly instructions found on this page to assemble these boards. Parts list and kit index page for hoffman amplifiers, pick and choose the parts for your amp project. This is not a kit, it is a parts listing. Projects, mods, transformer diagrams, photo's, sound. Click the link above for tube amp info, schematics, board building information. 96 rows hoffman ab763 one channel parts listing. Hoffman amplifiers stocks tube amp parts for the diy tube amp builder, hoffman amps ships guitar amp parts all over the world, tube amp for guitar.
From 4tubes.com
Index of /2SCHEMATICS/BYBRAND/Hoffman Hoffman Amp Parts Projects, mods, transformer diagrams, photo's, sound. 96 rows hoffman ab763 one channel parts listing. This is not a kit, it is a parts listing. Use the hoffman layout diagrams, parts listings and assembly instructions found on this page to assemble these boards. Tube amp circuit board building parts, g10 epoxy board, fender style fiberboard, turret lugs, eyelets, standoffs, terminal strips.. Hoffman Amp Parts.
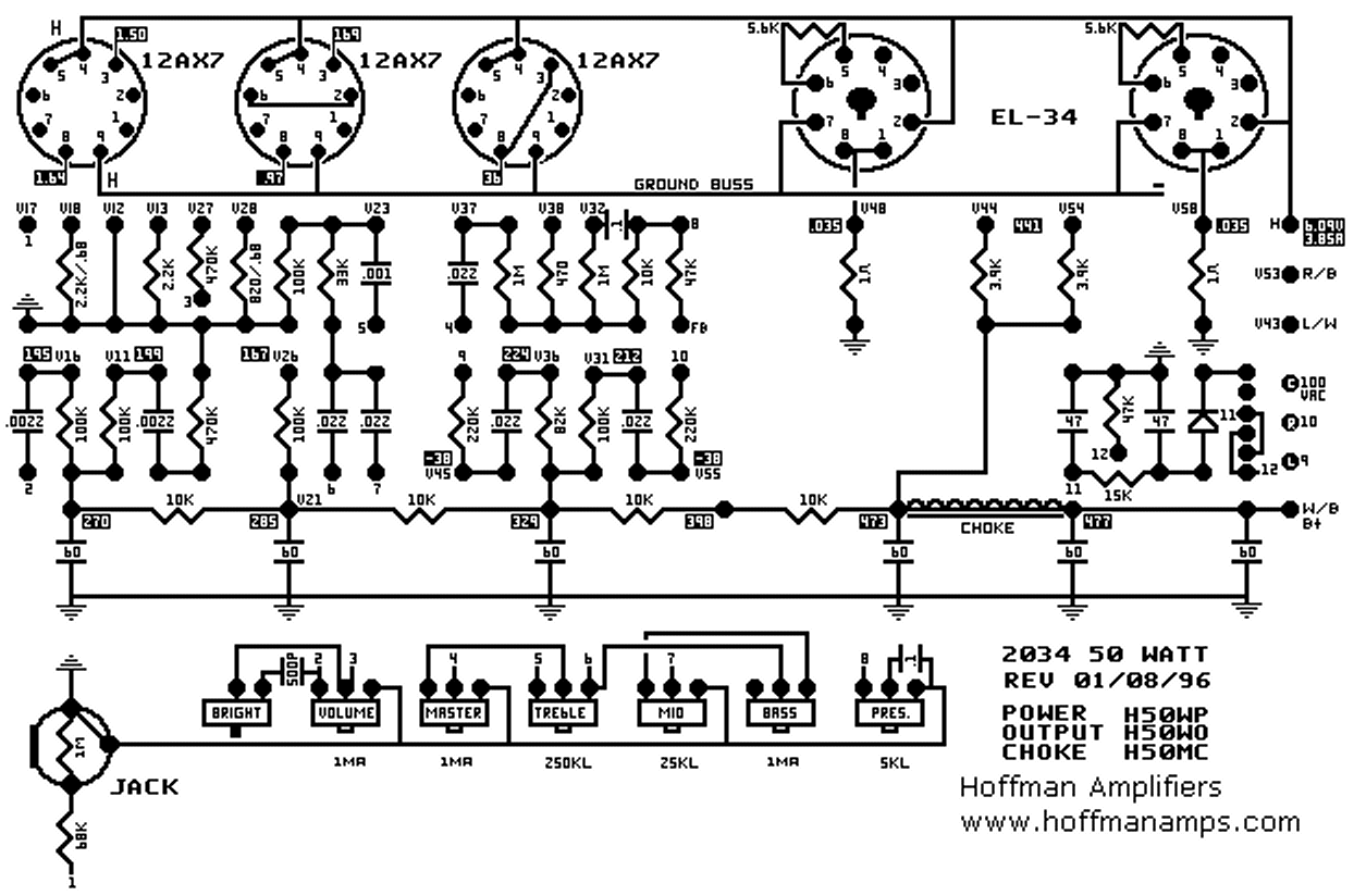
From el34world.com
Hoffman AB763 Amp Project Hoffman Amp Parts Projects, mods, transformer diagrams, photo's, sound. This is not a kit, it is a parts listing. Hoffman amplifiers stocks tube amp parts for the diy tube amp builder, hoffman amps ships guitar amp parts all over the world, tube amp for guitar. Click the link above for tube amp info, schematics, board building information. 96 rows hoffman ab763 one channel. Hoffman Amp Parts.
From lunar.gadget73.com
Index of /images/radio_stuff/Hoffman Hoffman Amp Parts This is not a kit, it is a parts listing. See the hoffman layout diagram for blue parts. Please make sure your post does not fit into one of the other forum categories first. Tube amp circuit board building parts, g10 epoxy board, fender style fiberboard, turret lugs, eyelets, standoffs, terminal strips. Click the link above for tube amp info,. Hoffman Amp Parts.
From el34world.com
Hoffman Plexi 6V6 project Hoffman Amp Parts Click the link above for tube amp info, schematics, board building information. Use the hoffman layout diagrams, parts listings and assembly instructions found on this page to assemble these boards. Tube amp circuit board building parts, g10 epoxy board, fender style fiberboard, turret lugs, eyelets, standoffs, terminal strips. Parts list and kit index page for hoffman amplifiers, pick and choose. Hoffman Amp Parts.
From makeitfixit.wordpress.com
Hoffman 538 Tube Radio Restoration Make It Fix It Hoffman Amp Parts Parts list and kit index page for hoffman amplifiers, pick and choose the parts for your amp project. See the hoffman layout diagram for blue parts. 96 rows hoffman ab763 one channel parts listing. This is not a kit, it is a parts listing. Click the link above for tube amp info, schematics, board building information. Please make sure your. Hoffman Amp Parts.
From el34world.com
Adding a Master Volume to Hoffman 5F6A circuit and other details Hoffman Amp Parts Hoffman amplifiers stocks tube amp parts for the diy tube amp builder, hoffman amps ships guitar amp parts all over the world, tube amp for guitar. Parts list and kit index page for hoffman amplifiers, pick and choose the parts for your amp project. Use the hoffman layout diagrams, parts listings and assembly instructions found on this page to assemble. Hoffman Amp Parts.
From www.rfcafe.com
Hoffman Model A301 Schematic & Parts List, August 1947 Radio News RF Cafe Hoffman Amp Parts This is not a kit, it is a parts listing. Use the hoffman layout diagrams, parts listings and assembly instructions found on this page to assemble these boards. Please make sure your post does not fit into one of the other forum categories first. Tube amp circuit board building parts, g10 epoxy board, fender style fiberboard, turret lugs, eyelets, standoffs,. Hoffman Amp Parts.
From ampgarage.com
Princeton Reverb Hoffman Layout Page 2 The Amp Garage Hoffman Amp Parts Use the hoffman layout diagrams, parts listings and assembly instructions found on this page to assemble these boards. 96 rows hoffman ab763 one channel parts listing. Parts list and kit index page for hoffman amplifiers, pick and choose the parts for your amp project. See the hoffman layout diagram for blue parts. Hoffman amplifiers stocks tube amp parts for the. Hoffman Amp Parts.
From lunar.gadget73.com
Index of /images/radio_stuff/Hoffman Hoffman Amp Parts Use the hoffman layout diagrams, parts listings and assembly instructions found on this page to assemble these boards. Please make sure your post does not fit into one of the other forum categories first. This is not a kit, it is a parts listing. See the hoffman layout diagram for blue parts. Parts list and kit index page for hoffman. Hoffman Amp Parts.
From el34world.com
Tube Amp Schematics, Tube Amp Information, Tube Amp Projects Hoffman Amp Parts Parts list and kit index page for hoffman amplifiers, pick and choose the parts for your amp project. Use the hoffman layout diagrams, parts listings and assembly instructions found on this page to assemble these boards. Click the link above for tube amp info, schematics, board building information. Hoffman amplifiers stocks tube amp parts for the diy tube amp builder,. Hoffman Amp Parts.
From www.pinterest.co.uk
Stereo Power Amp from Hoffman Amps Stereo amp, Valve amplifier Hoffman Amp Parts Please make sure your post does not fit into one of the other forum categories first. Projects, mods, transformer diagrams, photo's, sound. Hoffman amplifiers stocks tube amp parts for the diy tube amp builder, hoffman amps ships guitar amp parts all over the world, tube amp for guitar. Parts list and kit index page for hoffman amplifiers, pick and choose. Hoffman Amp Parts.
From www.youtube.com
Hoffman Amplifiers parts catalog pages YouTube Hoffman Amp Parts 96 rows hoffman ab763 one channel parts listing. See the hoffman layout diagram for blue parts. Projects, mods, transformer diagrams, photo's, sound. Use the hoffman layout diagrams, parts listings and assembly instructions found on this page to assemble these boards. This is not a kit, it is a parts listing. Hoffman amplifiers stocks tube amp parts for the diy tube. Hoffman Amp Parts.
From el34world.com
Hoffman AB763 Amp Project Hoffman Amp Parts Click the link above for tube amp info, schematics, board building information. 96 rows hoffman ab763 one channel parts listing. Please make sure your post does not fit into one of the other forum categories first. Tube amp circuit board building parts, g10 epoxy board, fender style fiberboard, turret lugs, eyelets, standoffs, terminal strips. Hoffman amplifiers stocks tube amp parts. Hoffman Amp Parts.
From shop.amppartsdirect.com
Fender Thumb Screws Piggyback Hardware Amp Parts Direct Hoffman Amp Parts Projects, mods, transformer diagrams, photo's, sound. See the hoffman layout diagram for blue parts. Hoffman amplifiers stocks tube amp parts for the diy tube amp builder, hoffman amps ships guitar amp parts all over the world, tube amp for guitar. 96 rows hoffman ab763 one channel parts listing. Please make sure your post does not fit into one of the. Hoffman Amp Parts.
From el34world.com
Hoffman Blues Junior Conversion Hoffman Amp Parts Use the hoffman layout diagrams, parts listings and assembly instructions found on this page to assemble these boards. Projects, mods, transformer diagrams, photo's, sound. 96 rows hoffman ab763 one channel parts listing. Tube amp circuit board building parts, g10 epoxy board, fender style fiberboard, turret lugs, eyelets, standoffs, terminal strips. Hoffman amplifiers stocks tube amp parts for the diy tube. Hoffman Amp Parts.
From www.pinterest.com
Bias conversions Bias, Conversation, Amplifier Hoffman Amp Parts Projects, mods, transformer diagrams, photo's, sound. Parts list and kit index page for hoffman amplifiers, pick and choose the parts for your amp project. Tube amp circuit board building parts, g10 epoxy board, fender style fiberboard, turret lugs, eyelets, standoffs, terminal strips. Hoffman amplifiers stocks tube amp parts for the diy tube amp builder, hoffman amps ships guitar amp parts. Hoffman Amp Parts.
From el34world.com
Hoffman Blues Junior Conversion Hoffman Amp Parts This is not a kit, it is a parts listing. Tube amp circuit board building parts, g10 epoxy board, fender style fiberboard, turret lugs, eyelets, standoffs, terminal strips. Please make sure your post does not fit into one of the other forum categories first. Parts list and kit index page for hoffman amplifiers, pick and choose the parts for your. Hoffman Amp Parts.
From waynereno.com
Builder Visits Rebuilding a Fender Deluxe Reverb Tube Amplifier Hoffman Amp Parts Hoffman amplifiers stocks tube amp parts for the diy tube amp builder, hoffman amps ships guitar amp parts all over the world, tube amp for guitar. Tube amp circuit board building parts, g10 epoxy board, fender style fiberboard, turret lugs, eyelets, standoffs, terminal strips. Please make sure your post does not fit into one of the other forum categories first.. Hoffman Amp Parts.
From enginediagramgordon.z19.web.core.windows.net
Guitar Tube Amp Schematics Hoffman Amp Parts See the hoffman layout diagram for blue parts. Click the link above for tube amp info, schematics, board building information. Use the hoffman layout diagrams, parts listings and assembly instructions found on this page to assemble these boards. Projects, mods, transformer diagrams, photo's, sound. This is not a kit, it is a parts listing. 96 rows hoffman ab763 one channel. Hoffman Amp Parts.
From vdocuments.mx
Hoffman Amplifiers Stout Tube amp Information, Guitarel34world Hoffman Amp Parts Hoffman amplifiers stocks tube amp parts for the diy tube amp builder, hoffman amps ships guitar amp parts all over the world, tube amp for guitar. Parts list and kit index page for hoffman amplifiers, pick and choose the parts for your amp project. Please make sure your post does not fit into one of the other forum categories first.. Hoffman Amp Parts.
From el34world.com
Tube Amp Schematics, Tube Amp Information, Tube Amp Projects Hoffman Amp Parts Please make sure your post does not fit into one of the other forum categories first. Tube amp circuit board building parts, g10 epoxy board, fender style fiberboard, turret lugs, eyelets, standoffs, terminal strips. 96 rows hoffman ab763 one channel parts listing. Hoffman amplifiers stocks tube amp parts for the diy tube amp builder, hoffman amps ships guitar amp parts. Hoffman Amp Parts.
From hoffmanamps.com
Hoffman Amplifiers Parts List Page and Kits Page Hoffman Amp Parts Please make sure your post does not fit into one of the other forum categories first. Parts list and kit index page for hoffman amplifiers, pick and choose the parts for your amp project. Hoffman amplifiers stocks tube amp parts for the diy tube amp builder, hoffman amps ships guitar amp parts all over the world, tube amp for guitar.. Hoffman Amp Parts.
From reverb.com
Hoffman 6LF8 Triode Pentode Video Amplifier TV Reverb Australia Hoffman Amp Parts Parts list and kit index page for hoffman amplifiers, pick and choose the parts for your amp project. 96 rows hoffman ab763 one channel parts listing. Click the link above for tube amp info, schematics, board building information. Please make sure your post does not fit into one of the other forum categories first. See the hoffman layout diagram for. Hoffman Amp Parts.
From www.pinterest.com
Hoffman Amplifiers Tube Amp Forum, Vox AC15 FX LOOP Vox, Loop, Amplifier Hoffman Amp Parts Please make sure your post does not fit into one of the other forum categories first. Tube amp circuit board building parts, g10 epoxy board, fender style fiberboard, turret lugs, eyelets, standoffs, terminal strips. Click the link above for tube amp info, schematics, board building information. 96 rows hoffman ab763 one channel parts listing. Hoffman amplifiers stocks tube amp parts. Hoffman Amp Parts.
From el34world.com
Hoffman Blues Junior Conversion Hoffman Amp Parts Projects, mods, transformer diagrams, photo's, sound. See the hoffman layout diagram for blue parts. Tube amp circuit board building parts, g10 epoxy board, fender style fiberboard, turret lugs, eyelets, standoffs, terminal strips. Click the link above for tube amp info, schematics, board building information. 96 rows hoffman ab763 one channel parts listing. This is not a kit, it is a. Hoffman Amp Parts.
From www.ebay.com
Hoffman TX RX System Box Amplifier 42883H01T W/Polyphaser CGXZ Hoffman Amp Parts See the hoffman layout diagram for blue parts. Parts list and kit index page for hoffman amplifiers, pick and choose the parts for your amp project. Please make sure your post does not fit into one of the other forum categories first. Projects, mods, transformer diagrams, photo's, sound. Use the hoffman layout diagrams, parts listings and assembly instructions found on. Hoffman Amp Parts.
From guidegrajacp.z21.web.core.windows.net
Diy Tube Amp Schematics Hoffman Amp Parts Use the hoffman layout diagrams, parts listings and assembly instructions found on this page to assemble these boards. Please make sure your post does not fit into one of the other forum categories first. Tube amp circuit board building parts, g10 epoxy board, fender style fiberboard, turret lugs, eyelets, standoffs, terminal strips. This is not a kit, it is a. Hoffman Amp Parts.
From el34world.com
Hoffman 5F1 Champ Board Build Hoffman Amp Parts Click the link above for tube amp info, schematics, board building information. 96 rows hoffman ab763 one channel parts listing. Parts list and kit index page for hoffman amplifiers, pick and choose the parts for your amp project. Tube amp circuit board building parts, g10 epoxy board, fender style fiberboard, turret lugs, eyelets, standoffs, terminal strips. Hoffman amplifiers stocks tube. Hoffman Amp Parts.
From www.ebay.com
Hoffman 12X10X5" type 12 & 13 Electrical Enclosure With Backplate eBay Hoffman Amp Parts Hoffman amplifiers stocks tube amp parts for the diy tube amp builder, hoffman amps ships guitar amp parts all over the world, tube amp for guitar. Click the link above for tube amp info, schematics, board building information. 96 rows hoffman ab763 one channel parts listing. Parts list and kit index page for hoffman amplifiers, pick and choose the parts. Hoffman Amp Parts.
From www.ebay.com
Hoffman & Hoffman 1981 1 oz. .999 Silver Round eBay Hoffman Amp Parts This is not a kit, it is a parts listing. Use the hoffman layout diagrams, parts listings and assembly instructions found on this page to assemble these boards. Parts list and kit index page for hoffman amplifiers, pick and choose the parts for your amp project. 96 rows hoffman ab763 one channel parts listing. Please make sure your post does. Hoffman Amp Parts.
From ampgarage.com
HOFFMAN RELAY SUPPLY VOLTAGES The Amp Garage Hoffman Amp Parts Click the link above for tube amp info, schematics, board building information. Hoffman amplifiers stocks tube amp parts for the diy tube amp builder, hoffman amps ships guitar amp parts all over the world, tube amp for guitar. Use the hoffman layout diagrams, parts listings and assembly instructions found on this page to assemble these boards. See the hoffman layout. Hoffman Amp Parts.
From el34world.com
Hoffman Princeton Reverb Board Build Hoffman Amp Parts Tube amp circuit board building parts, g10 epoxy board, fender style fiberboard, turret lugs, eyelets, standoffs, terminal strips. Use the hoffman layout diagrams, parts listings and assembly instructions found on this page to assemble these boards. Parts list and kit index page for hoffman amplifiers, pick and choose the parts for your amp project. See the hoffman layout diagram for. Hoffman Amp Parts.
From el34world.com
Hoffman AB763 Amp Project Hoffman Amp Parts See the hoffman layout diagram for blue parts. Tube amp circuit board building parts, g10 epoxy board, fender style fiberboard, turret lugs, eyelets, standoffs, terminal strips. Hoffman amplifiers stocks tube amp parts for the diy tube amp builder, hoffman amps ships guitar amp parts all over the world, tube amp for guitar. Projects, mods, transformer diagrams, photo's, sound. 96 rows. Hoffman Amp Parts.
From el34world.com
Hoffman AB763 Amp Project Hoffman Amp Parts Please make sure your post does not fit into one of the other forum categories first. 96 rows hoffman ab763 one channel parts listing. See the hoffman layout diagram for blue parts. Parts list and kit index page for hoffman amplifiers, pick and choose the parts for your amp project. Click the link above for tube amp info, schematics, board. Hoffman Amp Parts.
From el34world.com
Original 30 Hoffman Amp Parts Click the link above for tube amp info, schematics, board building information. Tube amp circuit board building parts, g10 epoxy board, fender style fiberboard, turret lugs, eyelets, standoffs, terminal strips. Use the hoffman layout diagrams, parts listings and assembly instructions found on this page to assemble these boards. This is not a kit, it is a parts listing. Please make. Hoffman Amp Parts.