Standard Gas Cylinder Sizes . These quick reference downloads provide details about cylinder colours, weights, volumes and dimensions for industrial gas cylinders,. From standard every day industrial. Can be used as reference for gas bottles. Rating and designation of various standard gases. Find out the size, weight, and gas content of different types of gas cylinders with this comprehensive guide. Find the nominal dimensions, tare weight, water capacity, internal volume, d.o.t. Refer to the following pages to find what’s right for. Learn why you need a size identification chart and how it can help you. 139 rows use gas cylinder size chart to determine sizes of compressed gas tanks. We offer a wide range of cylinder sizes and a variety of caps to optimize your operations. Cylinder sizing can be a little daunting until you get the hang of it and our cylinder sizing chart makes short work of learning and knowing the cylinders you. At airgas, we provide many types of pure gases and gas mixtures, packaged in a variety of cylinder sizes and volumes, to ensure purity and consistency.
from www.sefic.com.cn
Rating and designation of various standard gases. 139 rows use gas cylinder size chart to determine sizes of compressed gas tanks. We offer a wide range of cylinder sizes and a variety of caps to optimize your operations. Find out the size, weight, and gas content of different types of gas cylinders with this comprehensive guide. Can be used as reference for gas bottles. Learn why you need a size identification chart and how it can help you. Cylinder sizing can be a little daunting until you get the hang of it and our cylinder sizing chart makes short work of learning and knowing the cylinders you. From standard every day industrial. Find the nominal dimensions, tare weight, water capacity, internal volume, d.o.t. These quick reference downloads provide details about cylinder colours, weights, volumes and dimensions for industrial gas cylinders,.
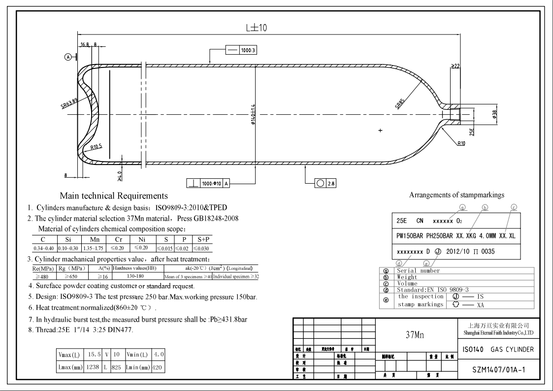
ISO98093 standard gas cylinder size chart φ140 10L 150Bar SHANGHAI
Standard Gas Cylinder Sizes These quick reference downloads provide details about cylinder colours, weights, volumes and dimensions for industrial gas cylinders,. At airgas, we provide many types of pure gases and gas mixtures, packaged in a variety of cylinder sizes and volumes, to ensure purity and consistency. Find the nominal dimensions, tare weight, water capacity, internal volume, d.o.t. Cylinder sizing can be a little daunting until you get the hang of it and our cylinder sizing chart makes short work of learning and knowing the cylinders you. From standard every day industrial. 139 rows use gas cylinder size chart to determine sizes of compressed gas tanks. We offer a wide range of cylinder sizes and a variety of caps to optimize your operations. Learn why you need a size identification chart and how it can help you. Find out the size, weight, and gas content of different types of gas cylinders with this comprehensive guide. Can be used as reference for gas bottles. Refer to the following pages to find what’s right for. Rating and designation of various standard gases. These quick reference downloads provide details about cylinder colours, weights, volumes and dimensions for industrial gas cylinders,.
From mungfali.com
Industrial Gas Cylinder Size Chart Standard Gas Cylinder Sizes Find the nominal dimensions, tare weight, water capacity, internal volume, d.o.t. Rating and designation of various standard gases. We offer a wide range of cylinder sizes and a variety of caps to optimize your operations. These quick reference downloads provide details about cylinder colours, weights, volumes and dimensions for industrial gas cylinders,. Find out the size, weight, and gas content. Standard Gas Cylinder Sizes.
From air-source.com
How to Determine Cylinder Gas Sizes for Refills Airsource Blog Standard Gas Cylinder Sizes At airgas, we provide many types of pure gases and gas mixtures, packaged in a variety of cylinder sizes and volumes, to ensure purity and consistency. Can be used as reference for gas bottles. Learn why you need a size identification chart and how it can help you. Rating and designation of various standard gases. Cylinder sizing can be a. Standard Gas Cylinder Sizes.
From esmeraudeforest.blogspot.com
Gas Cylinder Sizes Chart Esmeraude Forest Standard Gas Cylinder Sizes These quick reference downloads provide details about cylinder colours, weights, volumes and dimensions for industrial gas cylinders,. 139 rows use gas cylinder size chart to determine sizes of compressed gas tanks. Find the nominal dimensions, tare weight, water capacity, internal volume, d.o.t. Learn why you need a size identification chart and how it can help you. Cylinder sizing can be. Standard Gas Cylinder Sizes.
From mungfali.com
Industrial Gas Cylinder Size Chart Standard Gas Cylinder Sizes Learn why you need a size identification chart and how it can help you. These quick reference downloads provide details about cylinder colours, weights, volumes and dimensions for industrial gas cylinders,. Can be used as reference for gas bottles. 139 rows use gas cylinder size chart to determine sizes of compressed gas tanks. We offer a wide range of cylinder. Standard Gas Cylinder Sizes.
From mavink.com
Gas Cylinder Dimensions Chart Standard Gas Cylinder Sizes Cylinder sizing can be a little daunting until you get the hang of it and our cylinder sizing chart makes short work of learning and knowing the cylinders you. Rating and designation of various standard gases. At airgas, we provide many types of pure gases and gas mixtures, packaged in a variety of cylinder sizes and volumes, to ensure purity. Standard Gas Cylinder Sizes.
From www.sefic.com.cn
ISO98091 standard gas cylinder size chart φ229 40L 200Bar SHANGHAI Standard Gas Cylinder Sizes Find out the size, weight, and gas content of different types of gas cylinders with this comprehensive guide. Cylinder sizing can be a little daunting until you get the hang of it and our cylinder sizing chart makes short work of learning and knowing the cylinders you. We offer a wide range of cylinder sizes and a variety of caps. Standard Gas Cylinder Sizes.
From www.scribd.com
LPG cylinder sizes.pdf Litre Liquefied Petroleum Gas Standard Gas Cylinder Sizes At airgas, we provide many types of pure gases and gas mixtures, packaged in a variety of cylinder sizes and volumes, to ensure purity and consistency. Find the nominal dimensions, tare weight, water capacity, internal volume, d.o.t. From standard every day industrial. Refer to the following pages to find what’s right for. Learn why you need a size identification chart. Standard Gas Cylinder Sizes.
From www.sefic.com.cn
EN & ISO98091 standard gas cylinder size chart φ232 40L 200Bar Standard Gas Cylinder Sizes Refer to the following pages to find what’s right for. From standard every day industrial. At airgas, we provide many types of pure gases and gas mixtures, packaged in a variety of cylinder sizes and volumes, to ensure purity and consistency. Learn why you need a size identification chart and how it can help you. Can be used as reference. Standard Gas Cylinder Sizes.
From www.naijalpg.com.ng
Naija Lpg Home Repairs And Maintenance, Installations Everything Standard Gas Cylinder Sizes From standard every day industrial. At airgas, we provide many types of pure gases and gas mixtures, packaged in a variety of cylinder sizes and volumes, to ensure purity and consistency. These quick reference downloads provide details about cylinder colours, weights, volumes and dimensions for industrial gas cylinders,. Cylinder sizing can be a little daunting until you get the hang. Standard Gas Cylinder Sizes.
From daileygas.com
GasCylinderSizeChart Dailey Resources Standard Gas Cylinder Sizes We offer a wide range of cylinder sizes and a variety of caps to optimize your operations. These quick reference downloads provide details about cylinder colours, weights, volumes and dimensions for industrial gas cylinders,. Find the nominal dimensions, tare weight, water capacity, internal volume, d.o.t. At airgas, we provide many types of pure gases and gas mixtures, packaged in a. Standard Gas Cylinder Sizes.
From yardandgardenguru.com
Gas Cylinder Sizes Chart Standard Gas Cylinder Sizes From standard every day industrial. These quick reference downloads provide details about cylinder colours, weights, volumes and dimensions for industrial gas cylinders,. We offer a wide range of cylinder sizes and a variety of caps to optimize your operations. 139 rows use gas cylinder size chart to determine sizes of compressed gas tanks. Can be used as reference for gas. Standard Gas Cylinder Sizes.
From mavink.com
Gas Bottle Sizes Chart Standard Gas Cylinder Sizes Learn why you need a size identification chart and how it can help you. From standard every day industrial. These quick reference downloads provide details about cylinder colours, weights, volumes and dimensions for industrial gas cylinders,. Refer to the following pages to find what’s right for. Find out the size, weight, and gas content of different types of gas cylinders. Standard Gas Cylinder Sizes.
From mungfali.com
Industrial Gas Cylinder Size Chart Standard Gas Cylinder Sizes Refer to the following pages to find what’s right for. At airgas, we provide many types of pure gases and gas mixtures, packaged in a variety of cylinder sizes and volumes, to ensure purity and consistency. Learn why you need a size identification chart and how it can help you. Rating and designation of various standard gases. Can be used. Standard Gas Cylinder Sizes.
From yardandgardenguru.com
Gas Cylinder Sizes Chart Standard Gas Cylinder Sizes Cylinder sizing can be a little daunting until you get the hang of it and our cylinder sizing chart makes short work of learning and knowing the cylinders you. At airgas, we provide many types of pure gases and gas mixtures, packaged in a variety of cylinder sizes and volumes, to ensure purity and consistency. Learn why you need a. Standard Gas Cylinder Sizes.
From tridentmarine.com
Trident Aluminum Gas Cylinders Standard Gas Cylinder Sizes We offer a wide range of cylinder sizes and a variety of caps to optimize your operations. Can be used as reference for gas bottles. Find the nominal dimensions, tare weight, water capacity, internal volume, d.o.t. From standard every day industrial. Rating and designation of various standard gases. Refer to the following pages to find what’s right for. At airgas,. Standard Gas Cylinder Sizes.
From mavink.com
Lpg Gas Cylinder Sizes Standard Gas Cylinder Sizes 139 rows use gas cylinder size chart to determine sizes of compressed gas tanks. These quick reference downloads provide details about cylinder colours, weights, volumes and dimensions for industrial gas cylinders,. Find out the size, weight, and gas content of different types of gas cylinders with this comprehensive guide. Refer to the following pages to find what’s right for. At. Standard Gas Cylinder Sizes.
From applied-inc.com
Oxygen Cylinder Sizes and Info Standard Gas Cylinder Sizes We offer a wide range of cylinder sizes and a variety of caps to optimize your operations. 139 rows use gas cylinder size chart to determine sizes of compressed gas tanks. Learn why you need a size identification chart and how it can help you. These quick reference downloads provide details about cylinder colours, weights, volumes and dimensions for industrial. Standard Gas Cylinder Sizes.
From mavink.com
Gas Cylinder Size Identification Chart Standard Gas Cylinder Sizes Find the nominal dimensions, tare weight, water capacity, internal volume, d.o.t. Can be used as reference for gas bottles. Learn why you need a size identification chart and how it can help you. 139 rows use gas cylinder size chart to determine sizes of compressed gas tanks. Cylinder sizing can be a little daunting until you get the hang of. Standard Gas Cylinder Sizes.
From greenbushfarmcom.blogspot.com
Propane Gas Cylinder Size Chart Standard Gas Cylinder Sizes Learn why you need a size identification chart and how it can help you. Refer to the following pages to find what’s right for. Find the nominal dimensions, tare weight, water capacity, internal volume, d.o.t. These quick reference downloads provide details about cylinder colours, weights, volumes and dimensions for industrial gas cylinders,. Cylinder sizing can be a little daunting until. Standard Gas Cylinder Sizes.
From connorcoleman.z13.web.core.windows.net
Airgas Cylinder Size Chart Standard Gas Cylinder Sizes Find out the size, weight, and gas content of different types of gas cylinders with this comprehensive guide. 139 rows use gas cylinder size chart to determine sizes of compressed gas tanks. Learn why you need a size identification chart and how it can help you. These quick reference downloads provide details about cylinder colours, weights, volumes and dimensions for. Standard Gas Cylinder Sizes.
From tri-techmedical.com
The Ultimate Guide to Medical Gas Cylinder Sizes TriTech Medical Inc Standard Gas Cylinder Sizes We offer a wide range of cylinder sizes and a variety of caps to optimize your operations. These quick reference downloads provide details about cylinder colours, weights, volumes and dimensions for industrial gas cylinders,. Find the nominal dimensions, tare weight, water capacity, internal volume, d.o.t. Can be used as reference for gas bottles. Find out the size, weight, and gas. Standard Gas Cylinder Sizes.
From www.escootrading.com
Sizes gas cylinder/ dimension ESCOO Standard Gas Cylinder Sizes Cylinder sizing can be a little daunting until you get the hang of it and our cylinder sizing chart makes short work of learning and knowing the cylinders you. Can be used as reference for gas bottles. These quick reference downloads provide details about cylinder colours, weights, volumes and dimensions for industrial gas cylinders,. Learn why you need a size. Standard Gas Cylinder Sizes.
From air-source.com
How to Determine Cylinder Gas Sizes for Refills Airsource Blog Standard Gas Cylinder Sizes Find the nominal dimensions, tare weight, water capacity, internal volume, d.o.t. Can be used as reference for gas bottles. 139 rows use gas cylinder size chart to determine sizes of compressed gas tanks. These quick reference downloads provide details about cylinder colours, weights, volumes and dimensions for industrial gas cylinders,. Refer to the following pages to find what’s right for.. Standard Gas Cylinder Sizes.
From www.sefic.com.cn
ISO98093 standard gas cylinder size chart φ140 10L 150Bar SHANGHAI Standard Gas Cylinder Sizes Cylinder sizing can be a little daunting until you get the hang of it and our cylinder sizing chart makes short work of learning and knowing the cylinders you. We offer a wide range of cylinder sizes and a variety of caps to optimize your operations. Learn why you need a size identification chart and how it can help you.. Standard Gas Cylinder Sizes.
From pwent.eu
gas cylinder dimensions Standard Gas Cylinder Sizes Find the nominal dimensions, tare weight, water capacity, internal volume, d.o.t. We offer a wide range of cylinder sizes and a variety of caps to optimize your operations. Can be used as reference for gas bottles. Find out the size, weight, and gas content of different types of gas cylinders with this comprehensive guide. Rating and designation of various standard. Standard Gas Cylinder Sizes.
From gasbottleyoireka.blogspot.com
Gas Bottle Lpg Gas Bottle Sizes Standard Gas Cylinder Sizes 139 rows use gas cylinder size chart to determine sizes of compressed gas tanks. Find out the size, weight, and gas content of different types of gas cylinders with this comprehensive guide. From standard every day industrial. Cylinder sizing can be a little daunting until you get the hang of it and our cylinder sizing chart makes short work of. Standard Gas Cylinder Sizes.
From pwent.eu
Gas cylinder sizes Standard Gas Cylinder Sizes Find the nominal dimensions, tare weight, water capacity, internal volume, d.o.t. Rating and designation of various standard gases. Learn why you need a size identification chart and how it can help you. 139 rows use gas cylinder size chart to determine sizes of compressed gas tanks. From standard every day industrial. Refer to the following pages to find what’s right. Standard Gas Cylinder Sizes.
From yardandgardenguru.com
Gas Cylinder Sizes Chart Standard Gas Cylinder Sizes Refer to the following pages to find what’s right for. From standard every day industrial. At airgas, we provide many types of pure gases and gas mixtures, packaged in a variety of cylinder sizes and volumes, to ensure purity and consistency. Find out the size, weight, and gas content of different types of gas cylinders with this comprehensive guide. 139. Standard Gas Cylinder Sizes.
From www.sefic.com.cn
GB5099 standard gas cylinder size chart φ219 40L 30Bar design drawings Standard Gas Cylinder Sizes Can be used as reference for gas bottles. Refer to the following pages to find what’s right for. Find out the size, weight, and gas content of different types of gas cylinders with this comprehensive guide. Find the nominal dimensions, tare weight, water capacity, internal volume, d.o.t. Cylinder sizing can be a little daunting until you get the hang of. Standard Gas Cylinder Sizes.
From pwent.eu
gas cylinder dimensions Standard Gas Cylinder Sizes Refer to the following pages to find what’s right for. 139 rows use gas cylinder size chart to determine sizes of compressed gas tanks. At airgas, we provide many types of pure gases and gas mixtures, packaged in a variety of cylinder sizes and volumes, to ensure purity and consistency. Can be used as reference for gas bottles. From standard. Standard Gas Cylinder Sizes.
From www.cmscomputer.in
Domestic Gas Cylinder CAE Analysis Report PLM CAD PTC Software Standard Gas Cylinder Sizes Can be used as reference for gas bottles. 139 rows use gas cylinder size chart to determine sizes of compressed gas tanks. We offer a wide range of cylinder sizes and a variety of caps to optimize your operations. Rating and designation of various standard gases. Learn why you need a size identification chart and how it can help you.. Standard Gas Cylinder Sizes.
From mungfali.com
Industrial Gas Cylinder Size Chart Standard Gas Cylinder Sizes 139 rows use gas cylinder size chart to determine sizes of compressed gas tanks. These quick reference downloads provide details about cylinder colours, weights, volumes and dimensions for industrial gas cylinders,. Find out the size, weight, and gas content of different types of gas cylinders with this comprehensive guide. Rating and designation of various standard gases. From standard every day. Standard Gas Cylinder Sizes.
From esmeraudeforest.blogspot.com
Gas Cylinder Sizes Matheson Esmeraude Forest Standard Gas Cylinder Sizes At airgas, we provide many types of pure gases and gas mixtures, packaged in a variety of cylinder sizes and volumes, to ensure purity and consistency. Find out the size, weight, and gas content of different types of gas cylinders with this comprehensive guide. From standard every day industrial. Learn why you need a size identification chart and how it. Standard Gas Cylinder Sizes.
From www.hoodmwr.com
Cylinder Weight And With Gas Standard Gas Cylinder Sizes Rating and designation of various standard gases. Learn why you need a size identification chart and how it can help you. These quick reference downloads provide details about cylinder colours, weights, volumes and dimensions for industrial gas cylinders,. Refer to the following pages to find what’s right for. Find out the size, weight, and gas content of different types of. Standard Gas Cylinder Sizes.
From yardandgardenguru.com
Gas Cylinder Sizes Chart Standard Gas Cylinder Sizes Refer to the following pages to find what’s right for. Learn why you need a size identification chart and how it can help you. We offer a wide range of cylinder sizes and a variety of caps to optimize your operations. Find out the size, weight, and gas content of different types of gas cylinders with this comprehensive guide. Find. Standard Gas Cylinder Sizes.