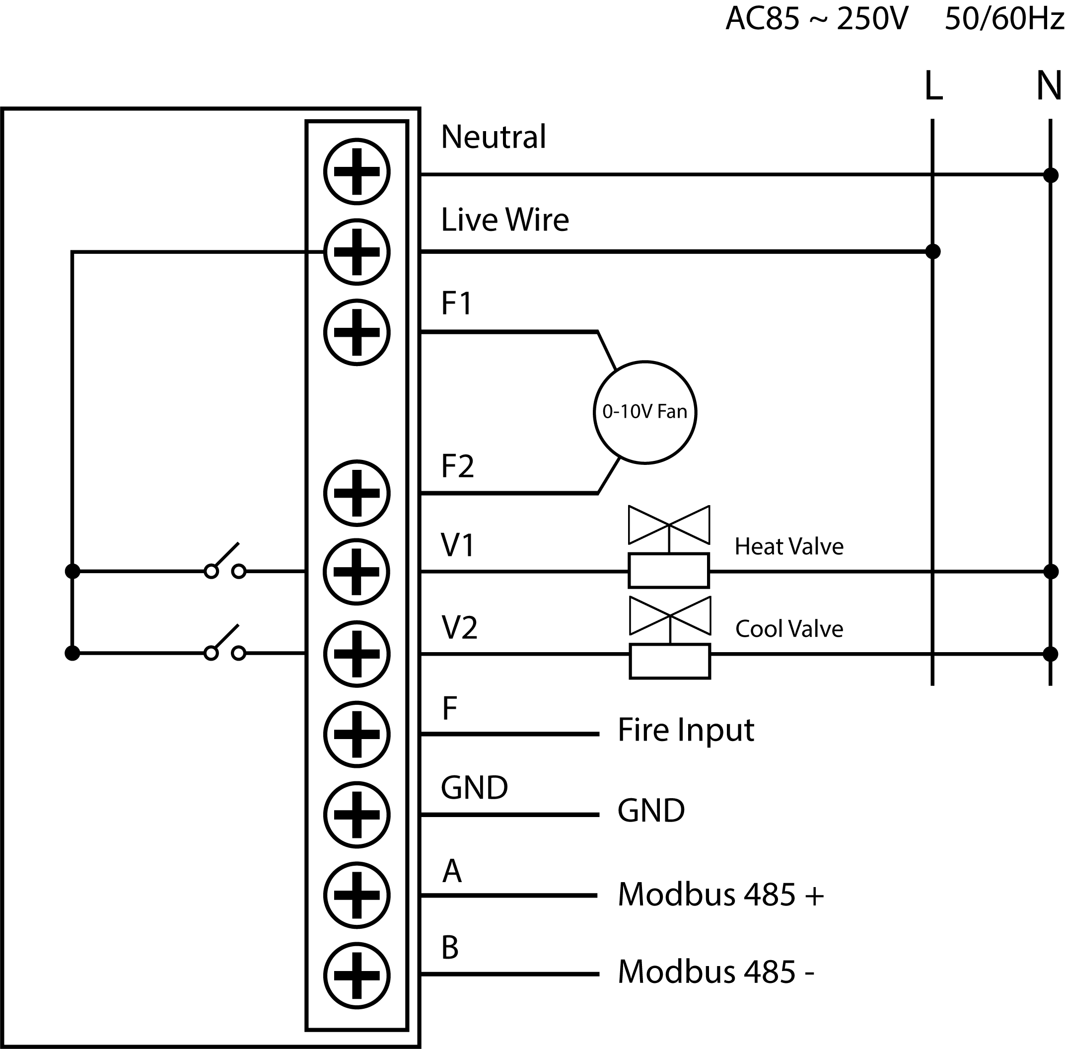
Fan Coil Unit Wiring Diagram . The fan coil unit system diagram illustrates how this system works and the components involved. At the heart of the fan coil unit system is the. Quick links 1 unit identification 2 fa4a, fb4a, fc4b, ff1d, fh4a, and fx4a 3 circuit board function and troubleshooting Appliances must not be installed where they may be exposed to potentially explosive or flammable atmosphere. The wiring diagram of an electric fan coil unit typically consists of a schematic representation of the electrical connections within the system. Install the front frame panel onto the indoor unit by 4 screws and tighten it completely to prevent cool air leakage. A 40−va transformer supplies 24−v power for control circuit.
from wiringdiagram.2bitboer.com
At the heart of the fan coil unit system is the. Quick links 1 unit identification 2 fa4a, fb4a, fc4b, ff1d, fh4a, and fx4a 3 circuit board function and troubleshooting The fan coil unit system diagram illustrates how this system works and the components involved. The wiring diagram of an electric fan coil unit typically consists of a schematic representation of the electrical connections within the system. Appliances must not be installed where they may be exposed to potentially explosive or flammable atmosphere. A 40−va transformer supplies 24−v power for control circuit. Install the front frame panel onto the indoor unit by 4 screws and tighten it completely to prevent cool air leakage.
Williams Fan Coil Unit Wiring Diagram Wiring Diagram
Fan Coil Unit Wiring Diagram Install the front frame panel onto the indoor unit by 4 screws and tighten it completely to prevent cool air leakage. Quick links 1 unit identification 2 fa4a, fb4a, fc4b, ff1d, fh4a, and fx4a 3 circuit board function and troubleshooting At the heart of the fan coil unit system is the. The wiring diagram of an electric fan coil unit typically consists of a schematic representation of the electrical connections within the system. A 40−va transformer supplies 24−v power for control circuit. The fan coil unit system diagram illustrates how this system works and the components involved. Appliances must not be installed where they may be exposed to potentially explosive or flammable atmosphere. Install the front frame panel onto the indoor unit by 4 screws and tighten it completely to prevent cool air leakage.
From www.youtube.com
Fan coil Unit Full wiring with Thermostat FCU YouTube Fan Coil Unit Wiring Diagram Appliances must not be installed where they may be exposed to potentially explosive or flammable atmosphere. Install the front frame panel onto the indoor unit by 4 screws and tighten it completely to prevent cool air leakage. A 40−va transformer supplies 24−v power for control circuit. At the heart of the fan coil unit system is the. The fan coil. Fan Coil Unit Wiring Diagram.
From manualfixbrandt.z19.web.core.windows.net
Fan Coil Unit Schematic Diagram Fan Coil Unit Wiring Diagram A 40−va transformer supplies 24−v power for control circuit. Quick links 1 unit identification 2 fa4a, fb4a, fc4b, ff1d, fh4a, and fx4a 3 circuit board function and troubleshooting Appliances must not be installed where they may be exposed to potentially explosive or flammable atmosphere. The wiring diagram of an electric fan coil unit typically consists of a schematic representation of. Fan Coil Unit Wiring Diagram.
From www.youtube.com
Fcu wiring fan coil unit wiring diagram Fan coil unit control Fan Coil Unit Wiring Diagram The wiring diagram of an electric fan coil unit typically consists of a schematic representation of the electrical connections within the system. At the heart of the fan coil unit system is the. Appliances must not be installed where they may be exposed to potentially explosive or flammable atmosphere. Quick links 1 unit identification 2 fa4a, fb4a, fc4b, ff1d, fh4a,. Fan Coil Unit Wiring Diagram.
From www.circuitdiagram.co
Fan Coil Unit Wiring Diagram Circuit Diagram Fan Coil Unit Wiring Diagram The fan coil unit system diagram illustrates how this system works and the components involved. Quick links 1 unit identification 2 fa4a, fb4a, fc4b, ff1d, fh4a, and fx4a 3 circuit board function and troubleshooting At the heart of the fan coil unit system is the. The wiring diagram of an electric fan coil unit typically consists of a schematic representation. Fan Coil Unit Wiring Diagram.
From constructandcommission.com
FAN COIL UNITS What, Where & How Fan Coil Unit Wiring Diagram The fan coil unit system diagram illustrates how this system works and the components involved. A 40−va transformer supplies 24−v power for control circuit. Install the front frame panel onto the indoor unit by 4 screws and tighten it completely to prevent cool air leakage. Appliances must not be installed where they may be exposed to potentially explosive or flammable. Fan Coil Unit Wiring Diagram.
From www.scribd.com
Cooling Fan Wiring Diagram PDF Relay Mechanical Fan Fan Coil Unit Wiring Diagram A 40−va transformer supplies 24−v power for control circuit. Install the front frame panel onto the indoor unit by 4 screws and tighten it completely to prevent cool air leakage. Appliances must not be installed where they may be exposed to potentially explosive or flammable atmosphere. At the heart of the fan coil unit system is the. The wiring diagram. Fan Coil Unit Wiring Diagram.
From www.youtube.com
Fan coil Unit Full wiring with Thermostat and Motorized Valve YouTube Fan Coil Unit Wiring Diagram The wiring diagram of an electric fan coil unit typically consists of a schematic representation of the electrical connections within the system. A 40−va transformer supplies 24−v power for control circuit. At the heart of the fan coil unit system is the. Appliances must not be installed where they may be exposed to potentially explosive or flammable atmosphere. Quick links. Fan Coil Unit Wiring Diagram.
From gambr.co
️Iec Fan Coil Wiring Diagram Free Download Gambr.co Fan Coil Unit Wiring Diagram Quick links 1 unit identification 2 fa4a, fb4a, fc4b, ff1d, fh4a, and fx4a 3 circuit board function and troubleshooting At the heart of the fan coil unit system is the. The fan coil unit system diagram illustrates how this system works and the components involved. A 40−va transformer supplies 24−v power for control circuit. Appliances must not be installed where. Fan Coil Unit Wiring Diagram.
From hvactrainingshop.com
How a Fan Coil Unit Works HVAC Training Shop Fan Coil Unit Wiring Diagram The fan coil unit system diagram illustrates how this system works and the components involved. The wiring diagram of an electric fan coil unit typically consists of a schematic representation of the electrical connections within the system. Appliances must not be installed where they may be exposed to potentially explosive or flammable atmosphere. Install the front frame panel onto the. Fan Coil Unit Wiring Diagram.
From support.rfwel.com
Fan Coil Units and Controllers Fan Coil Unit Wiring Diagram Quick links 1 unit identification 2 fa4a, fb4a, fc4b, ff1d, fh4a, and fx4a 3 circuit board function and troubleshooting At the heart of the fan coil unit system is the. The wiring diagram of an electric fan coil unit typically consists of a schematic representation of the electrical connections within the system. The fan coil unit system diagram illustrates how. Fan Coil Unit Wiring Diagram.
From www.youtube.com
FCU Full Wiring Diagram Hindi YouTube Fan Coil Unit Wiring Diagram At the heart of the fan coil unit system is the. Appliances must not be installed where they may be exposed to potentially explosive or flammable atmosphere. The wiring diagram of an electric fan coil unit typically consists of a schematic representation of the electrical connections within the system. Install the front frame panel onto the indoor unit by 4. Fan Coil Unit Wiring Diagram.
From wiringdiagram.2bitboer.com
Trane Fan Coil Unit Wiring Diagram Wiring Diagram Fan Coil Unit Wiring Diagram Quick links 1 unit identification 2 fa4a, fb4a, fc4b, ff1d, fh4a, and fx4a 3 circuit board function and troubleshooting At the heart of the fan coil unit system is the. The fan coil unit system diagram illustrates how this system works and the components involved. Appliances must not be installed where they may be exposed to potentially explosive or flammable. Fan Coil Unit Wiring Diagram.
From wiringdiagram.2bitboer.com
Williams Fan Coil Unit Wiring Diagram Wiring Diagram Fan Coil Unit Wiring Diagram At the heart of the fan coil unit system is the. A 40−va transformer supplies 24−v power for control circuit. Install the front frame panel onto the indoor unit by 4 screws and tighten it completely to prevent cool air leakage. Appliances must not be installed where they may be exposed to potentially explosive or flammable atmosphere. The wiring diagram. Fan Coil Unit Wiring Diagram.
From wiringschema.com
[DIAGRAM] Fan Coil Unit Wiring Diagram Fan Coil Unit Wiring Diagram The wiring diagram of an electric fan coil unit typically consists of a schematic representation of the electrical connections within the system. The fan coil unit system diagram illustrates how this system works and the components involved. At the heart of the fan coil unit system is the. Install the front frame panel onto the indoor unit by 4 screws. Fan Coil Unit Wiring Diagram.
From constructandcommission.com
FAN COIL UNITS What, Where & How Fan Coil Unit Wiring Diagram At the heart of the fan coil unit system is the. Appliances must not be installed where they may be exposed to potentially explosive or flammable atmosphere. The wiring diagram of an electric fan coil unit typically consists of a schematic representation of the electrical connections within the system. Install the front frame panel onto the indoor unit by 4. Fan Coil Unit Wiring Diagram.
From wiringdiagram.2bitboer.com
Williams Fan Coil Unit Wiring Diagram Wiring Diagram Fan Coil Unit Wiring Diagram A 40−va transformer supplies 24−v power for control circuit. The wiring diagram of an electric fan coil unit typically consists of a schematic representation of the electrical connections within the system. The fan coil unit system diagram illustrates how this system works and the components involved. Quick links 1 unit identification 2 fa4a, fb4a, fc4b, ff1d, fh4a, and fx4a 3. Fan Coil Unit Wiring Diagram.
From mydiagram.online
[DIAGRAM] Icp Fan Coil Wiring Diagram Fan Coil Unit Wiring Diagram At the heart of the fan coil unit system is the. Quick links 1 unit identification 2 fa4a, fb4a, fc4b, ff1d, fh4a, and fx4a 3 circuit board function and troubleshooting A 40−va transformer supplies 24−v power for control circuit. The fan coil unit system diagram illustrates how this system works and the components involved. Install the front frame panel onto. Fan Coil Unit Wiring Diagram.
From mepacademy.com
How Fan Coils Work in HVAC Systems MEP Academy Fan Coil Unit Wiring Diagram Quick links 1 unit identification 2 fa4a, fb4a, fc4b, ff1d, fh4a, and fx4a 3 circuit board function and troubleshooting The fan coil unit system diagram illustrates how this system works and the components involved. Appliances must not be installed where they may be exposed to potentially explosive or flammable atmosphere. The wiring diagram of an electric fan coil unit typically. Fan Coil Unit Wiring Diagram.
From pelenskarbow.blogspot.com
⭐ Carrier Fan Coil Unit Wiring Diagram Motors ⭐ Pelens karbow Fan Coil Unit Wiring Diagram Appliances must not be installed where they may be exposed to potentially explosive or flammable atmosphere. The fan coil unit system diagram illustrates how this system works and the components involved. At the heart of the fan coil unit system is the. Quick links 1 unit identification 2 fa4a, fb4a, fc4b, ff1d, fh4a, and fx4a 3 circuit board function and. Fan Coil Unit Wiring Diagram.
From mungfali.com
Fan Coil Unit Thermostat Wiring Diagram Fan Coil Unit Wiring Diagram A 40−va transformer supplies 24−v power for control circuit. Appliances must not be installed where they may be exposed to potentially explosive or flammable atmosphere. The wiring diagram of an electric fan coil unit typically consists of a schematic representation of the electrical connections within the system. The fan coil unit system diagram illustrates how this system works and the. Fan Coil Unit Wiring Diagram.
From wiringdiagram.2bitboer.com
Wiring Diagram Fan Coil Unit Wiring Diagram Fan Coil Unit Wiring Diagram A 40−va transformer supplies 24−v power for control circuit. Quick links 1 unit identification 2 fa4a, fb4a, fc4b, ff1d, fh4a, and fx4a 3 circuit board function and troubleshooting The wiring diagram of an electric fan coil unit typically consists of a schematic representation of the electrical connections within the system. Install the front frame panel onto the indoor unit by. Fan Coil Unit Wiring Diagram.
From constructandcommission.com
FAN COIL UNITS What, Where & How Fan Coil Unit Wiring Diagram The fan coil unit system diagram illustrates how this system works and the components involved. The wiring diagram of an electric fan coil unit typically consists of a schematic representation of the electrical connections within the system. Appliances must not be installed where they may be exposed to potentially explosive or flammable atmosphere. A 40−va transformer supplies 24−v power for. Fan Coil Unit Wiring Diagram.
From wiringdiagram.2bitboer.com
Trane Fan Coil Unit Wiring Diagram Wiring Diagram Fan Coil Unit Wiring Diagram The wiring diagram of an electric fan coil unit typically consists of a schematic representation of the electrical connections within the system. The fan coil unit system diagram illustrates how this system works and the components involved. A 40−va transformer supplies 24−v power for control circuit. At the heart of the fan coil unit system is the. Appliances must not. Fan Coil Unit Wiring Diagram.
From www.justanswer.com
I'm trying to connect a fan coil to a thermostat. The fan coil is part Fan Coil Unit Wiring Diagram The wiring diagram of an electric fan coil unit typically consists of a schematic representation of the electrical connections within the system. Quick links 1 unit identification 2 fa4a, fb4a, fc4b, ff1d, fh4a, and fx4a 3 circuit board function and troubleshooting Install the front frame panel onto the indoor unit by 4 screws and tighten it completely to prevent cool. Fan Coil Unit Wiring Diagram.
From mydiagram.online
[DIAGRAM] Williams Hhq Fan Coil Unit Wiring Diagram Fan Coil Unit Wiring Diagram Appliances must not be installed where they may be exposed to potentially explosive or flammable atmosphere. At the heart of the fan coil unit system is the. The fan coil unit system diagram illustrates how this system works and the components involved. The wiring diagram of an electric fan coil unit typically consists of a schematic representation of the electrical. Fan Coil Unit Wiring Diagram.
From wiringdiagram.2bitboer.com
Ability Fan Coil Unit Wiring Diagram Wiring Diagram Fan Coil Unit Wiring Diagram At the heart of the fan coil unit system is the. Appliances must not be installed where they may be exposed to potentially explosive or flammable atmosphere. A 40−va transformer supplies 24−v power for control circuit. Install the front frame panel onto the indoor unit by 4 screws and tighten it completely to prevent cool air leakage. The wiring diagram. Fan Coil Unit Wiring Diagram.
From mydiagram.online
[DIAGRAM] Icp Fan Coil Wiring Diagram Fan Coil Unit Wiring Diagram At the heart of the fan coil unit system is the. Appliances must not be installed where they may be exposed to potentially explosive or flammable atmosphere. The fan coil unit system diagram illustrates how this system works and the components involved. Install the front frame panel onto the indoor unit by 4 screws and tighten it completely to prevent. Fan Coil Unit Wiring Diagram.
From wiringdiagram.2bitboer.com
Diffusion Fan Coil Unit Wiring Diagram Wiring Diagram Fan Coil Unit Wiring Diagram The fan coil unit system diagram illustrates how this system works and the components involved. Appliances must not be installed where they may be exposed to potentially explosive or flammable atmosphere. Install the front frame panel onto the indoor unit by 4 screws and tighten it completely to prevent cool air leakage. At the heart of the fan coil unit. Fan Coil Unit Wiring Diagram.
From animalia-life.club
Image Schematic Fcu Fan Coil Unit Wiring Diagram At the heart of the fan coil unit system is the. Quick links 1 unit identification 2 fa4a, fb4a, fc4b, ff1d, fh4a, and fx4a 3 circuit board function and troubleshooting The wiring diagram of an electric fan coil unit typically consists of a schematic representation of the electrical connections within the system. The fan coil unit system diagram illustrates how. Fan Coil Unit Wiring Diagram.
From constructandcommission.com
FAN COIL UNITS What, Where & How Fan Coil Unit Wiring Diagram A 40−va transformer supplies 24−v power for control circuit. Quick links 1 unit identification 2 fa4a, fb4a, fc4b, ff1d, fh4a, and fx4a 3 circuit board function and troubleshooting Appliances must not be installed where they may be exposed to potentially explosive or flammable atmosphere. Install the front frame panel onto the indoor unit by 4 screws and tighten it completely. Fan Coil Unit Wiring Diagram.
From www.youtube.com
Fan coil Unit Full wiring with Thermostat and Valve Actuator YouTube Fan Coil Unit Wiring Diagram The fan coil unit system diagram illustrates how this system works and the components involved. Quick links 1 unit identification 2 fa4a, fb4a, fc4b, ff1d, fh4a, and fx4a 3 circuit board function and troubleshooting At the heart of the fan coil unit system is the. The wiring diagram of an electric fan coil unit typically consists of a schematic representation. Fan Coil Unit Wiring Diagram.
From plumbingandhvac.ca
Back to Basics Fan Coils Plumbing & HVAC Fan Coil Unit Wiring Diagram Quick links 1 unit identification 2 fa4a, fb4a, fc4b, ff1d, fh4a, and fx4a 3 circuit board function and troubleshooting At the heart of the fan coil unit system is the. The wiring diagram of an electric fan coil unit typically consists of a schematic representation of the electrical connections within the system. Appliances must not be installed where they may. Fan Coil Unit Wiring Diagram.
From www.chanish.org
Hvac Wiring Explained Fan Coil Unit Wiring Diagram Install the front frame panel onto the indoor unit by 4 screws and tighten it completely to prevent cool air leakage. Appliances must not be installed where they may be exposed to potentially explosive or flammable atmosphere. At the heart of the fan coil unit system is the. Quick links 1 unit identification 2 fa4a, fb4a, fc4b, ff1d, fh4a, and. Fan Coil Unit Wiring Diagram.
From constructandcommission.com
FAN COIL UNITS What, Where & How Fan Coil Unit Wiring Diagram Install the front frame panel onto the indoor unit by 4 screws and tighten it completely to prevent cool air leakage. Appliances must not be installed where they may be exposed to potentially explosive or flammable atmosphere. Quick links 1 unit identification 2 fa4a, fb4a, fc4b, ff1d, fh4a, and fx4a 3 circuit board function and troubleshooting The wiring diagram of. Fan Coil Unit Wiring Diagram.
From wiringdiagram.2bitboer.com
Wiring Diagram Fan Coil Unit Wiring Diagram Fan Coil Unit Wiring Diagram Appliances must not be installed where they may be exposed to potentially explosive or flammable atmosphere. The fan coil unit system diagram illustrates how this system works and the components involved. Install the front frame panel onto the indoor unit by 4 screws and tighten it completely to prevent cool air leakage. The wiring diagram of an electric fan coil. Fan Coil Unit Wiring Diagram.