Lan Cable Tester Diy . In this project, i am going to make a lan cable tester with just a few basic electronics components. When testing a conductor, one of 8 leds will light. We are going to make diy rj45 cable tester for incredible cheap.as you know cable testers are really expensive insturments and for people who always works with network it is an essential. The entire project, excluding the battery cost me just a bit over $3. In this project, i am going to make a lan cable tester with just a few basic electronics components. 3x female rj45 shielded connectors (jacks) (for example from a broken/old router/switch); You can use also unshielded jacks,. Sometimes, cables can also tear because of poor material quality or bad installation or. In this project, i am going to make a lan cable tester with just a few basic electronics components. Described here is a simple rj45 cable tester circuit which can be used for testing the rj45 network cables. The entire project, excluding the. The entire project, excluding the. If you don’t use an arduino, the project uses a 555 chip to test the eight wires in an ethernet cable.
from www.smartguds.com
The entire project, excluding the battery cost me just a bit over $3. The entire project, excluding the. When testing a conductor, one of 8 leds will light. The entire project, excluding the. In this project, i am going to make a lan cable tester with just a few basic electronics components. If you don’t use an arduino, the project uses a 555 chip to test the eight wires in an ethernet cable. 3x female rj45 shielded connectors (jacks) (for example from a broken/old router/switch); In this project, i am going to make a lan cable tester with just a few basic electronics components. We are going to make diy rj45 cable tester for incredible cheap.as you know cable testers are really expensive insturments and for people who always works with network it is an essential. Sometimes, cables can also tear because of poor material quality or bad installation or.
Network Cable Tester
Lan Cable Tester Diy You can use also unshielded jacks,. When testing a conductor, one of 8 leds will light. If you don’t use an arduino, the project uses a 555 chip to test the eight wires in an ethernet cable. In this project, i am going to make a lan cable tester with just a few basic electronics components. Described here is a simple rj45 cable tester circuit which can be used for testing the rj45 network cables. The entire project, excluding the. Sometimes, cables can also tear because of poor material quality or bad installation or. You can use also unshielded jacks,. We are going to make diy rj45 cable tester for incredible cheap.as you know cable testers are really expensive insturments and for people who always works with network it is an essential. The entire project, excluding the. In this project, i am going to make a lan cable tester with just a few basic electronics components. In this project, i am going to make a lan cable tester with just a few basic electronics components. The entire project, excluding the battery cost me just a bit over $3. 3x female rj45 shielded connectors (jacks) (for example from a broken/old router/switch);
From lookmumnocomputer.discourse.group
Ribbon cable tester DIY STUFF Look Mum No Computer Thingies Lan Cable Tester Diy The entire project, excluding the. In this project, i am going to make a lan cable tester with just a few basic electronics components. When testing a conductor, one of 8 leds will light. The entire project, excluding the. In this project, i am going to make a lan cable tester with just a few basic electronics components. Described here. Lan Cable Tester Diy.
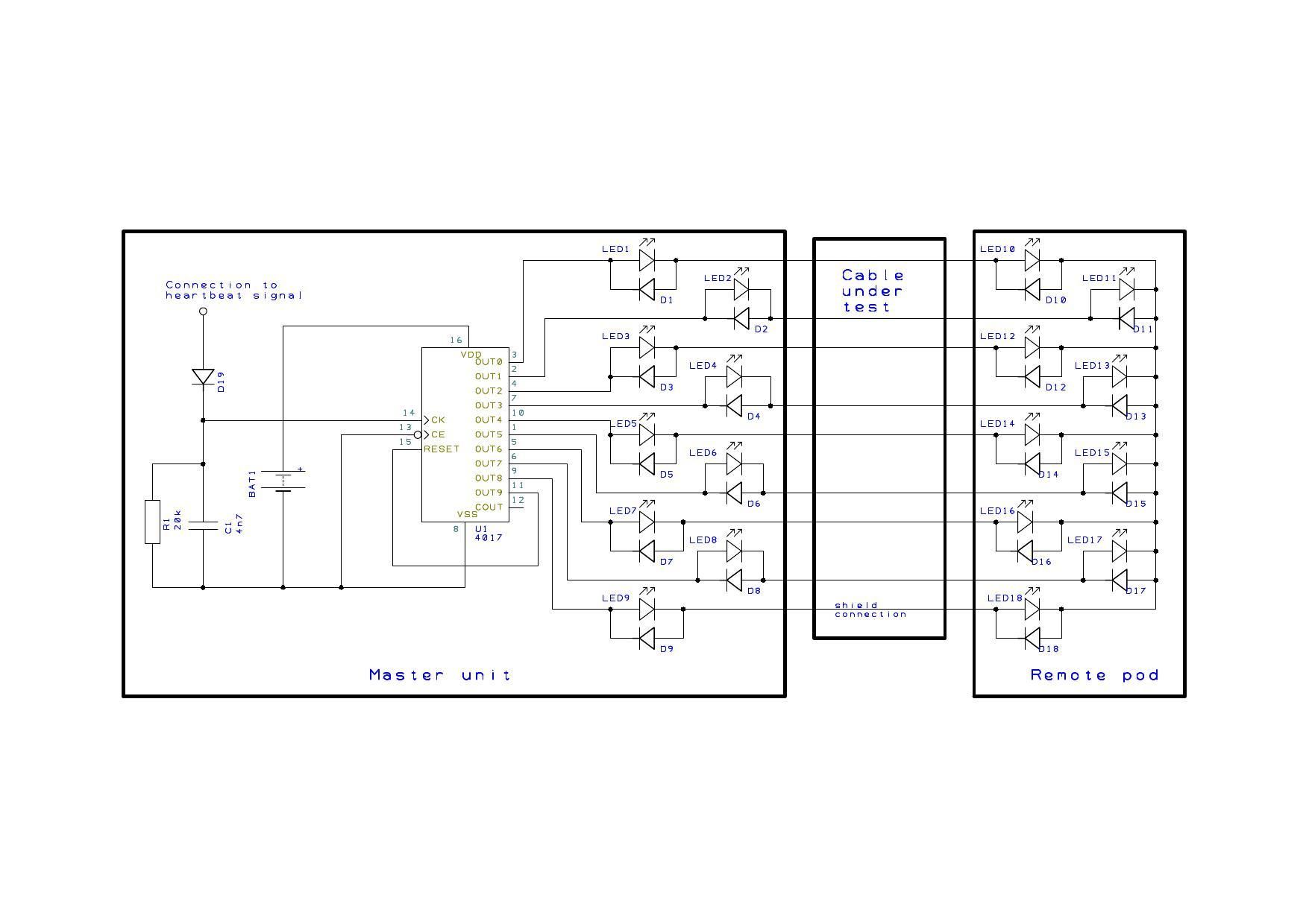
From manualdatagnashing.z21.web.core.windows.net
How To Test Cable With Tester Lan Cable Tester Diy In this project, i am going to make a lan cable tester with just a few basic electronics components. In this project, i am going to make a lan cable tester with just a few basic electronics components. When testing a conductor, one of 8 leds will light. The entire project, excluding the. You can use also unshielded jacks,. 3x. Lan Cable Tester Diy.
From www.youtube.com
LAN CABLE TESTER DATA COMMUNICATION & NETWORKING PROJECT BILAL CREATION YouTube Lan Cable Tester Diy The entire project, excluding the. 3x female rj45 shielded connectors (jacks) (for example from a broken/old router/switch); Sometimes, cables can also tear because of poor material quality or bad installation or. The entire project, excluding the battery cost me just a bit over $3. We are going to make diy rj45 cable tester for incredible cheap.as you know cable testers. Lan Cable Tester Diy.
From maker.pro
DIY LAN CABLE TESTER Arduino Maker Pro Lan Cable Tester Diy When testing a conductor, one of 8 leds will light. Described here is a simple rj45 cable tester circuit which can be used for testing the rj45 network cables. If you don’t use an arduino, the project uses a 555 chip to test the eight wires in an ethernet cable. In this project, i am going to make a lan. Lan Cable Tester Diy.
From www.youtube.com
DIY LAN Cable Tester With or Without Arduino YouTube Lan Cable Tester Diy In this project, i am going to make a lan cable tester with just a few basic electronics components. When testing a conductor, one of 8 leds will light. If you don’t use an arduino, the project uses a 555 chip to test the eight wires in an ethernet cable. Sometimes, cables can also tear because of poor material quality. Lan Cable Tester Diy.
From www.instructables.com
LAN Cable Tester Repair With FFC and a 4017 5 Steps Instructables Lan Cable Tester Diy Described here is a simple rj45 cable tester circuit which can be used for testing the rj45 network cables. 3x female rj45 shielded connectors (jacks) (for example from a broken/old router/switch); If you don’t use an arduino, the project uses a 555 chip to test the eight wires in an ethernet cable. In this project, i am going to make. Lan Cable Tester Diy.
From www.youtube.com
lan tester cat6 cable tester wire tracker rj45 cable tester lights (tutorial) YouTube Lan Cable Tester Diy When testing a conductor, one of 8 leds will light. Sometimes, cables can also tear because of poor material quality or bad installation or. You can use also unshielded jacks,. The entire project, excluding the. 3x female rj45 shielded connectors (jacks) (for example from a broken/old router/switch); The entire project, excluding the battery cost me just a bit over $3.. Lan Cable Tester Diy.
From www.electroschematics.com
Network Cable Tester Circuit Lan Cable Tester Diy In this project, i am going to make a lan cable tester with just a few basic electronics components. In this project, i am going to make a lan cable tester with just a few basic electronics components. The entire project, excluding the battery cost me just a bit over $3. The entire project, excluding the. Described here is a. Lan Cable Tester Diy.
From create.arduino.cc
DIY LAN Cable Tester With or Without Arduino Arduino Project Hub Lan Cable Tester Diy 3x female rj45 shielded connectors (jacks) (for example from a broken/old router/switch); In this project, i am going to make a lan cable tester with just a few basic electronics components. You can use also unshielded jacks,. The entire project, excluding the. When testing a conductor, one of 8 leds will light. The entire project, excluding the. Sometimes, cables can. Lan Cable Tester Diy.
From maker.pro
DIY LAN CABLE TESTER Arduino Maker Pro Lan Cable Tester Diy We are going to make diy rj45 cable tester for incredible cheap.as you know cable testers are really expensive insturments and for people who always works with network it is an essential. When testing a conductor, one of 8 leds will light. You can use also unshielded jacks,. The entire project, excluding the battery cost me just a bit over. Lan Cable Tester Diy.
From www.amazon.co.uk
Hiija LAN Network Cable Tester / Continuity Tester for RJ45 RJ11 RJ12 Data Cable Twisted Pair Lan Cable Tester Diy When testing a conductor, one of 8 leds will light. Sometimes, cables can also tear because of poor material quality or bad installation or. In this project, i am going to make a lan cable tester with just a few basic electronics components. Described here is a simple rj45 cable tester circuit which can be used for testing the rj45. Lan Cable Tester Diy.
From www.cable-tester.com
DIY Cable Tester Collection Schematic Design Lan Cable Tester Diy If you don’t use an arduino, the project uses a 555 chip to test the eight wires in an ethernet cable. 3x female rj45 shielded connectors (jacks) (for example from a broken/old router/switch); In this project, i am going to make a lan cable tester with just a few basic electronics components. In this project, i am going to make. Lan Cable Tester Diy.
From www.amazon.co.uk
Network Cable Tester Multi Functional Cable Tester Automatic Network LAN Cable Tester Lan Cable Tester Diy If you don’t use an arduino, the project uses a 555 chip to test the eight wires in an ethernet cable. Sometimes, cables can also tear because of poor material quality or bad installation or. In this project, i am going to make a lan cable tester with just a few basic electronics components. Described here is a simple rj45. Lan Cable Tester Diy.
From www.wikihow.com
How to Test an Cable A Quick Guide to Cable Testers Lan Cable Tester Diy In this project, i am going to make a lan cable tester with just a few basic electronics components. Described here is a simple rj45 cable tester circuit which can be used for testing the rj45 network cables. In this project, i am going to make a lan cable tester with just a few basic electronics components. In this project,. Lan Cable Tester Diy.
From www.cable-tester.com
DIY Cable Tester Collection Schematic Design Lan Cable Tester Diy 3x female rj45 shielded connectors (jacks) (for example from a broken/old router/switch); In this project, i am going to make a lan cable tester with just a few basic electronics components. The entire project, excluding the. Sometimes, cables can also tear because of poor material quality or bad installation or. You can use also unshielded jacks,. The entire project, excluding. Lan Cable Tester Diy.
From www.youtube.com
DIY LAN TESTER RJ45 /RJ11 YouTube Lan Cable Tester Diy Described here is a simple rj45 cable tester circuit which can be used for testing the rj45 network cables. Sometimes, cables can also tear because of poor material quality or bad installation or. You can use also unshielded jacks,. In this project, i am going to make a lan cable tester with just a few basic electronics components. The entire. Lan Cable Tester Diy.
From www.frankshospitalworkshop.com
Frank's LAN Cable Tester Lan Cable Tester Diy In this project, i am going to make a lan cable tester with just a few basic electronics components. You can use also unshielded jacks,. When testing a conductor, one of 8 leds will light. Sometimes, cables can also tear because of poor material quality or bad installation or. If you don’t use an arduino, the project uses a 555. Lan Cable Tester Diy.
From www.vrogue.co
Diy Lan Cable Tester Jpralves Net vrogue.co Lan Cable Tester Diy Sometimes, cables can also tear because of poor material quality or bad installation or. The entire project, excluding the battery cost me just a bit over $3. The entire project, excluding the. 3x female rj45 shielded connectors (jacks) (for example from a broken/old router/switch); We are going to make diy rj45 cable tester for incredible cheap.as you know cable testers. Lan Cable Tester Diy.
From www.vrogue.co
Diy Lan Cable Tester Arduino Maker Pro vrogue.co Lan Cable Tester Diy The entire project, excluding the battery cost me just a bit over $3. In this project, i am going to make a lan cable tester with just a few basic electronics components. You can use also unshielded jacks,. If you don’t use an arduino, the project uses a 555 chip to test the eight wires in an ethernet cable. In. Lan Cable Tester Diy.
From www.youtube.com
How to Test Your Cable Connections YouTube Lan Cable Tester Diy In this project, i am going to make a lan cable tester with just a few basic electronics components. In this project, i am going to make a lan cable tester with just a few basic electronics components. In this project, i am going to make a lan cable tester with just a few basic electronics components. The entire project,. Lan Cable Tester Diy.
From www.lewiscontractorsales.com
Klein Tool LAN Explorer Data Cable Tester with Remote Lan Cable Tester Diy Sometimes, cables can also tear because of poor material quality or bad installation or. The entire project, excluding the. When testing a conductor, one of 8 leds will light. The entire project, excluding the. In this project, i am going to make a lan cable tester with just a few basic electronics components. 3x female rj45 shielded connectors (jacks) (for. Lan Cable Tester Diy.
From nyerekatech.com
Network Cable Tester UTP LAN Cable Tester Networking Tool Nyereka Tech STEM and IoT Lan Cable Tester Diy 3x female rj45 shielded connectors (jacks) (for example from a broken/old router/switch); In this project, i am going to make a lan cable tester with just a few basic electronics components. In this project, i am going to make a lan cable tester with just a few basic electronics components. Described here is a simple rj45 cable tester circuit which. Lan Cable Tester Diy.
From www.amazon.co.uk
CHZHLM Updated Network Cable Tester LAN Cable Test Support POE Network Cable Tool for RJ45/RJ11 Lan Cable Tester Diy In this project, i am going to make a lan cable tester with just a few basic electronics components. The entire project, excluding the. Described here is a simple rj45 cable tester circuit which can be used for testing the rj45 network cables. We are going to make diy rj45 cable tester for incredible cheap.as you know cable testers are. Lan Cable Tester Diy.
From manualdatagnashing.z21.web.core.windows.net
How To Test Cable With Tester Lan Cable Tester Diy When testing a conductor, one of 8 leds will light. If you don’t use an arduino, the project uses a 555 chip to test the eight wires in an ethernet cable. The entire project, excluding the battery cost me just a bit over $3. In this project, i am going to make a lan cable tester with just a few. Lan Cable Tester Diy.
From www.cable-tester.com
DIY Cable Tester Collection Schematic Design Lan Cable Tester Diy You can use also unshielded jacks,. The entire project, excluding the. The entire project, excluding the. The entire project, excluding the battery cost me just a bit over $3. 3x female rj45 shielded connectors (jacks) (for example from a broken/old router/switch); We are going to make diy rj45 cable tester for incredible cheap.as you know cable testers are really expensive. Lan Cable Tester Diy.
From www.amazon.co.uk
NOYAFANF8209 Advanced Cable Tester with PoE Multifunction Wire Tracker Network Cable Tester Lan Cable Tester Diy Sometimes, cables can also tear because of poor material quality or bad installation or. In this project, i am going to make a lan cable tester with just a few basic electronics components. In this project, i am going to make a lan cable tester with just a few basic electronics components. If you don’t use an arduino, the project. Lan Cable Tester Diy.
From maker.pro
DIY LAN CABLE TESTER Arduino Maker Pro Lan Cable Tester Diy The entire project, excluding the battery cost me just a bit over $3. The entire project, excluding the. In this project, i am going to make a lan cable tester with just a few basic electronics components. When testing a conductor, one of 8 leds will light. Sometimes, cables can also tear because of poor material quality or bad installation. Lan Cable Tester Diy.
From www.smartguds.com
Network Cable Tester Lan Cable Tester Diy Described here is a simple rj45 cable tester circuit which can be used for testing the rj45 network cables. When testing a conductor, one of 8 leds will light. In this project, i am going to make a lan cable tester with just a few basic electronics components. In this project, i am going to make a lan cable tester. Lan Cable Tester Diy.
From www.wikihow.com
Simple Ways to Test a LAN Cable 10 Steps (with Pictures) Lan Cable Tester Diy Described here is a simple rj45 cable tester circuit which can be used for testing the rj45 network cables. In this project, i am going to make a lan cable tester with just a few basic electronics components. 3x female rj45 shielded connectors (jacks) (for example from a broken/old router/switch); We are going to make diy rj45 cable tester for. Lan Cable Tester Diy.
From bestengineeringprojects.com
RJ45 Cable Tester Circuit Engineering Projects Lan Cable Tester Diy When testing a conductor, one of 8 leds will light. The entire project, excluding the battery cost me just a bit over $3. In this project, i am going to make a lan cable tester with just a few basic electronics components. We are going to make diy rj45 cable tester for incredible cheap.as you know cable testers are really. Lan Cable Tester Diy.
From serasidis.gr
Lan tester Lan Cable Tester Diy 3x female rj45 shielded connectors (jacks) (for example from a broken/old router/switch); The entire project, excluding the. When testing a conductor, one of 8 leds will light. The entire project, excluding the battery cost me just a bit over $3. Sometimes, cables can also tear because of poor material quality or bad installation or. In this project, i am going. Lan Cable Tester Diy.
From maker.pro
DIY LAN CABLE TESTER Arduino Maker Pro Lan Cable Tester Diy The entire project, excluding the. The entire project, excluding the battery cost me just a bit over $3. We are going to make diy rj45 cable tester for incredible cheap.as you know cable testers are really expensive insturments and for people who always works with network it is an essential. 3x female rj45 shielded connectors (jacks) (for example from a. Lan Cable Tester Diy.
From www.youtube.com
How to Tracing out live Network Cables like a Pro Using NF 8209S Network Cable Tester Lan Cable Tester Diy The entire project, excluding the. Described here is a simple rj45 cable tester circuit which can be used for testing the rj45 network cables. In this project, i am going to make a lan cable tester with just a few basic electronics components. In this project, i am going to make a lan cable tester with just a few basic. Lan Cable Tester Diy.
From maker.pro
DIY LAN CABLE TESTER Arduino Maker Pro Lan Cable Tester Diy The entire project, excluding the battery cost me just a bit over $3. 3x female rj45 shielded connectors (jacks) (for example from a broken/old router/switch); The entire project, excluding the. In this project, i am going to make a lan cable tester with just a few basic electronics components. Described here is a simple rj45 cable tester circuit which can. Lan Cable Tester Diy.
From oshwlab.com
LAN Cable Tester OSHWLab Lan Cable Tester Diy The entire project, excluding the. In this project, i am going to make a lan cable tester with just a few basic electronics components. When testing a conductor, one of 8 leds will light. Sometimes, cables can also tear because of poor material quality or bad installation or. Described here is a simple rj45 cable tester circuit which can be. Lan Cable Tester Diy.