Electronic Stability Program Brake Assist System . Electronic stability program (esp) is a safety. What is esp and is it the same as esc? It combines the functions of the abs antilock braking system and the tcs traction control system, but can do considerably more. Esc builds on the capability of antilock brakes. When the stability control programme detects a loss of steering control, it automatically applies individual brakes to help ‘steer’ the vehicle where the driver. The electronic stability program (esp), also known as electronic stability control (esc), is an active driving safety system which automatically prevents and mitigates road accidents in all driving conditions. How electronic stability program works.
from automotivetechinfo.com
Electronic stability program (esp) is a safety. Esc builds on the capability of antilock brakes. How electronic stability program works. The electronic stability program (esp), also known as electronic stability control (esc), is an active driving safety system which automatically prevents and mitigates road accidents in all driving conditions. It combines the functions of the abs antilock braking system and the tcs traction control system, but can do considerably more. What is esp and is it the same as esc? When the stability control programme detects a loss of steering control, it automatically applies individual brakes to help ‘steer’ the vehicle where the driver.
MercedesBenz Electronic Stability Program (ESP) Automotive Tech Info
Electronic Stability Program Brake Assist System It combines the functions of the abs antilock braking system and the tcs traction control system, but can do considerably more. Electronic stability program (esp) is a safety. The electronic stability program (esp), also known as electronic stability control (esc), is an active driving safety system which automatically prevents and mitigates road accidents in all driving conditions. When the stability control programme detects a loss of steering control, it automatically applies individual brakes to help ‘steer’ the vehicle where the driver. Esc builds on the capability of antilock brakes. How electronic stability program works. It combines the functions of the abs antilock braking system and the tcs traction control system, but can do considerably more. What is esp and is it the same as esc?
From www.carparts.com
Electronic Stability Control What You Need to Know In The Garage Electronic Stability Program Brake Assist System Electronic stability program (esp) is a safety. The electronic stability program (esp), also known as electronic stability control (esc), is an active driving safety system which automatically prevents and mitigates road accidents in all driving conditions. How electronic stability program works. Esc builds on the capability of antilock brakes. When the stability control programme detects a loss of steering control,. Electronic Stability Program Brake Assist System.
From www.autoweek.com
ESP For All Rule changes could trigger stability control boom Electronic Stability Program Brake Assist System What is esp and is it the same as esc? The electronic stability program (esp), also known as electronic stability control (esc), is an active driving safety system which automatically prevents and mitigates road accidents in all driving conditions. How electronic stability program works. When the stability control programme detects a loss of steering control, it automatically applies individual brakes. Electronic Stability Program Brake Assist System.
From www.glinicke.de
Elektronisches Stabilitätsprogramm (ESP) Electronic Stability Program Brake Assist System Electronic stability program (esp) is a safety. When the stability control programme detects a loss of steering control, it automatically applies individual brakes to help ‘steer’ the vehicle where the driver. Esc builds on the capability of antilock brakes. It combines the functions of the abs antilock braking system and the tcs traction control system, but can do considerably more.. Electronic Stability Program Brake Assist System.
From exoegpudr.blob.core.windows.net
What Is Stability Control Brake at Michael Welsh blog Electronic Stability Program Brake Assist System When the stability control programme detects a loss of steering control, it automatically applies individual brakes to help ‘steer’ the vehicle where the driver. How electronic stability program works. It combines the functions of the abs antilock braking system and the tcs traction control system, but can do considerably more. What is esp and is it the same as esc?. Electronic Stability Program Brake Assist System.
From www.youtube.com
ELECTRONIC STABILITY CONTROL Explained YouTube Electronic Stability Program Brake Assist System Electronic stability program (esp) is a safety. The electronic stability program (esp), also known as electronic stability control (esc), is an active driving safety system which automatically prevents and mitigates road accidents in all driving conditions. Esc builds on the capability of antilock brakes. What is esp and is it the same as esc? When the stability control programme detects. Electronic Stability Program Brake Assist System.
From www.slideserve.com
PPT ELECTRONIC STABILITY CONTROL SYSTEMS PowerPoint Presentation Electronic Stability Program Brake Assist System The electronic stability program (esp), also known as electronic stability control (esc), is an active driving safety system which automatically prevents and mitigates road accidents in all driving conditions. What is esp and is it the same as esc? How electronic stability program works. Electronic stability program (esp) is a safety. Esc builds on the capability of antilock brakes. It. Electronic Stability Program Brake Assist System.
From www.youtube.com
Electronic stability program YouTube Electronic Stability Program Brake Assist System The electronic stability program (esp), also known as electronic stability control (esc), is an active driving safety system which automatically prevents and mitigates road accidents in all driving conditions. Esc builds on the capability of antilock brakes. Electronic stability program (esp) is a safety. It combines the functions of the abs antilock braking system and the tcs traction control system,. Electronic Stability Program Brake Assist System.
From hbarsci.com
AT5202 Electronic Stability Program Module hBARSCI Electronic Stability Program Brake Assist System The electronic stability program (esp), also known as electronic stability control (esc), is an active driving safety system which automatically prevents and mitigates road accidents in all driving conditions. Esc builds on the capability of antilock brakes. Electronic stability program (esp) is a safety. It combines the functions of the abs antilock braking system and the tcs traction control system,. Electronic Stability Program Brake Assist System.
From www.kiforte.com
Kia Forte ESC (Electronic Stability Control) System Brake System Electronic Stability Program Brake Assist System When the stability control programme detects a loss of steering control, it automatically applies individual brakes to help ‘steer’ the vehicle where the driver. Esc builds on the capability of antilock brakes. It combines the functions of the abs antilock braking system and the tcs traction control system, but can do considerably more. What is esp and is it the. Electronic Stability Program Brake Assist System.
From www.hsguide.net
Hyundai Sonata Electronic stability control (ESC) Brake system Electronic Stability Program Brake Assist System What is esp and is it the same as esc? How electronic stability program works. Electronic stability program (esp) is a safety. Esc builds on the capability of antilock brakes. When the stability control programme detects a loss of steering control, it automatically applies individual brakes to help ‘steer’ the vehicle where the driver. It combines the functions of the. Electronic Stability Program Brake Assist System.
From www.slideserve.com
PPT Electronic Stability Control Systems PowerPoint Presentation Electronic Stability Program Brake Assist System What is esp and is it the same as esc? The electronic stability program (esp), also known as electronic stability control (esc), is an active driving safety system which automatically prevents and mitigates road accidents in all driving conditions. How electronic stability program works. Esc builds on the capability of antilock brakes. It combines the functions of the abs antilock. Electronic Stability Program Brake Assist System.
From www.youtube.com
ESP Electronic Stability Program Explained YouTube Electronic Stability Program Brake Assist System Esc builds on the capability of antilock brakes. What is esp and is it the same as esc? The electronic stability program (esp), also known as electronic stability control (esc), is an active driving safety system which automatically prevents and mitigates road accidents in all driving conditions. It combines the functions of the abs antilock braking system and the tcs. Electronic Stability Program Brake Assist System.
From www.carparts.com
Electronic Stability Control What You Need to Know In The Garage Electronic Stability Program Brake Assist System Electronic stability program (esp) is a safety. How electronic stability program works. It combines the functions of the abs antilock braking system and the tcs traction control system, but can do considerably more. Esc builds on the capability of antilock brakes. The electronic stability program (esp), also known as electronic stability control (esc), is an active driving safety system which. Electronic Stability Program Brake Assist System.
From www.youtube.com
Electronic Stability Control(ESC) Working Principle Advantages PPT Electronic Stability Program Brake Assist System Electronic stability program (esp) is a safety. The electronic stability program (esp), also known as electronic stability control (esc), is an active driving safety system which automatically prevents and mitigates road accidents in all driving conditions. Esc builds on the capability of antilock brakes. How electronic stability program works. What is esp and is it the same as esc? When. Electronic Stability Program Brake Assist System.
From graceneevah.blogspot.com
ESC GraceNeevah Electronic Stability Program Brake Assist System The electronic stability program (esp), also known as electronic stability control (esc), is an active driving safety system which automatically prevents and mitigates road accidents in all driving conditions. Electronic stability program (esp) is a safety. Esc builds on the capability of antilock brakes. How electronic stability program works. When the stability control programme detects a loss of steering control,. Electronic Stability Program Brake Assist System.
From www.buyautoparts.com
What is Electronic Stability Control? Electronic Stability Program Brake Assist System It combines the functions of the abs antilock braking system and the tcs traction control system, but can do considerably more. How electronic stability program works. Esc builds on the capability of antilock brakes. Electronic stability program (esp) is a safety. What is esp and is it the same as esc? The electronic stability program (esp), also known as electronic. Electronic Stability Program Brake Assist System.
From www.scribd.com
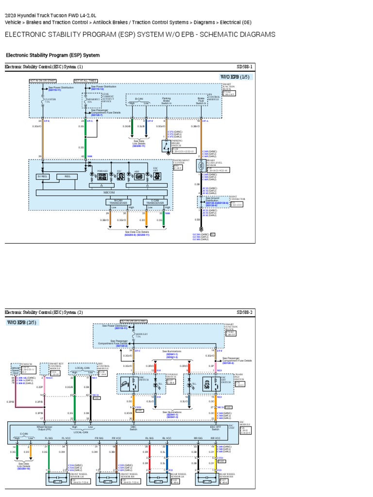
Electronic Stability Program (ESP) System W o EPB Schematic Electronic Stability Program Brake Assist System It combines the functions of the abs antilock braking system and the tcs traction control system, but can do considerably more. What is esp and is it the same as esc? Esc builds on the capability of antilock brakes. The electronic stability program (esp), also known as electronic stability control (esc), is an active driving safety system which automatically prevents. Electronic Stability Program Brake Assist System.
From autobuzz.my
What is Electronic Stability Control (ESC) AutoBuzz.my Electronic Stability Program Brake Assist System It combines the functions of the abs antilock braking system and the tcs traction control system, but can do considerably more. Esc builds on the capability of antilock brakes. How electronic stability program works. When the stability control programme detects a loss of steering control, it automatically applies individual brakes to help ‘steer’ the vehicle where the driver. The electronic. Electronic Stability Program Brake Assist System.
From ind-eng-design.blogspot.com
types of brakes system (ABS) (TCS) (BA) (EHB) (EMB) (EPB) Electronic Stability Program Brake Assist System The electronic stability program (esp), also known as electronic stability control (esc), is an active driving safety system which automatically prevents and mitigates road accidents in all driving conditions. How electronic stability program works. It combines the functions of the abs antilock braking system and the tcs traction control system, but can do considerably more. When the stability control programme. Electronic Stability Program Brake Assist System.
From www.allegromicro.com
Antilock Braking System (ABS) and Vehicle Stability Control (VSC) Electronic Stability Program Brake Assist System How electronic stability program works. Esc builds on the capability of antilock brakes. Electronic stability program (esp) is a safety. What is esp and is it the same as esc? When the stability control programme detects a loss of steering control, it automatically applies individual brakes to help ‘steer’ the vehicle where the driver. It combines the functions of the. Electronic Stability Program Brake Assist System.
From gomechanic.in
ESP (Electronic Stability Program) & TCS (Traction Control System Electronic Stability Program Brake Assist System Esc builds on the capability of antilock brakes. How electronic stability program works. The electronic stability program (esp), also known as electronic stability control (esc), is an active driving safety system which automatically prevents and mitigates road accidents in all driving conditions. When the stability control programme detects a loss of steering control, it automatically applies individual brakes to help. Electronic Stability Program Brake Assist System.
From www.learn-automatic.com
Electronic Stability Control (ESC) Simply Explained Learn Automatic Electronic Stability Program Brake Assist System Esc builds on the capability of antilock brakes. The electronic stability program (esp), also known as electronic stability control (esc), is an active driving safety system which automatically prevents and mitigates road accidents in all driving conditions. It combines the functions of the abs antilock braking system and the tcs traction control system, but can do considerably more. Electronic stability. Electronic Stability Program Brake Assist System.
From www.krioyb.com
Kia Rio ESC (Electronic Stability Control) System Brake System Electronic Stability Program Brake Assist System What is esp and is it the same as esc? How electronic stability program works. The electronic stability program (esp), also known as electronic stability control (esc), is an active driving safety system which automatically prevents and mitigates road accidents in all driving conditions. Esc builds on the capability of antilock brakes. When the stability control programme detects a loss. Electronic Stability Program Brake Assist System.
From www.carparts.com
Electronic Stability Control What You Need to Know In The Garage Electronic Stability Program Brake Assist System When the stability control programme detects a loss of steering control, it automatically applies individual brakes to help ‘steer’ the vehicle where the driver. Electronic stability program (esp) is a safety. It combines the functions of the abs antilock braking system and the tcs traction control system, but can do considerably more. What is esp and is it the same. Electronic Stability Program Brake Assist System.
From www.arrivealive.mobi
Electronic Stability Program and Road Safety Arrive Alive Electronic Stability Program Brake Assist System How electronic stability program works. The electronic stability program (esp), also known as electronic stability control (esc), is an active driving safety system which automatically prevents and mitigates road accidents in all driving conditions. Electronic stability program (esp) is a safety. What is esp and is it the same as esc? It combines the functions of the abs antilock braking. Electronic Stability Program Brake Assist System.
From www.freeasestudyguides.com
Electronic Traction Control Diagnosis Electronic Stability Program Brake Assist System The electronic stability program (esp), also known as electronic stability control (esc), is an active driving safety system which automatically prevents and mitigates road accidents in all driving conditions. Esc builds on the capability of antilock brakes. It combines the functions of the abs antilock braking system and the tcs traction control system, but can do considerably more. How electronic. Electronic Stability Program Brake Assist System.
From www.indiandrives.com
What is ESP? Electronic Stability Program Explained ESC ESP Electronic Stability Program Brake Assist System How electronic stability program works. When the stability control programme detects a loss of steering control, it automatically applies individual brakes to help ‘steer’ the vehicle where the driver. What is esp and is it the same as esc? Esc builds on the capability of antilock brakes. Electronic stability program (esp) is a safety. It combines the functions of the. Electronic Stability Program Brake Assist System.
From www.carkeys.co.uk
What is brake assist? Brake assist systems explained Car Keys Electronic Stability Program Brake Assist System Electronic stability program (esp) is a safety. When the stability control programme detects a loss of steering control, it automatically applies individual brakes to help ‘steer’ the vehicle where the driver. How electronic stability program works. The electronic stability program (esp), also known as electronic stability control (esc), is an active driving safety system which automatically prevents and mitigates road. Electronic Stability Program Brake Assist System.
From www.learn-automatic.com
Electronic Stability Control (ESC) Simply Explained Learn Automatic Electronic Stability Program Brake Assist System The electronic stability program (esp), also known as electronic stability control (esc), is an active driving safety system which automatically prevents and mitigates road accidents in all driving conditions. When the stability control programme detects a loss of steering control, it automatically applies individual brakes to help ‘steer’ the vehicle where the driver. Electronic stability program (esp) is a safety.. Electronic Stability Program Brake Assist System.
From automotivetechinfo.com
MercedesBenz Electronic Stability Program (ESP) Automotive Tech Info Electronic Stability Program Brake Assist System What is esp and is it the same as esc? How electronic stability program works. Electronic stability program (esp) is a safety. When the stability control programme detects a loss of steering control, it automatically applies individual brakes to help ‘steer’ the vehicle where the driver. It combines the functions of the abs antilock braking system and the tcs traction. Electronic Stability Program Brake Assist System.
From www.ml-vehicle.com
What is the Function of ESP (Electronic Stability Program) in Vehicle Electronic Stability Program Brake Assist System Esc builds on the capability of antilock brakes. What is esp and is it the same as esc? How electronic stability program works. When the stability control programme detects a loss of steering control, it automatically applies individual brakes to help ‘steer’ the vehicle where the driver. Electronic stability program (esp) is a safety. It combines the functions of the. Electronic Stability Program Brake Assist System.
From www.dfskmotors.co.id
Pentingnya Fitur ESP (Electronic Stability Program) pada DFSK Glory 560 Electronic Stability Program Brake Assist System The electronic stability program (esp), also known as electronic stability control (esc), is an active driving safety system which automatically prevents and mitigates road accidents in all driving conditions. It combines the functions of the abs antilock braking system and the tcs traction control system, but can do considerably more. How electronic stability program works. When the stability control programme. Electronic Stability Program Brake Assist System.
From carbiketech.com
How does the Electronic Stability Program (ESP) work? CarBikeTech Electronic Stability Program Brake Assist System What is esp and is it the same as esc? It combines the functions of the abs antilock braking system and the tcs traction control system, but can do considerably more. The electronic stability program (esp), also known as electronic stability control (esc), is an active driving safety system which automatically prevents and mitigates road accidents in all driving conditions.. Electronic Stability Program Brake Assist System.
From www.youtube.com
EN Electronic stability program ESP® YouTube Electronic Stability Program Brake Assist System The electronic stability program (esp), also known as electronic stability control (esc), is an active driving safety system which automatically prevents and mitigates road accidents in all driving conditions. What is esp and is it the same as esc? Electronic stability program (esp) is a safety. Esc builds on the capability of antilock brakes. It combines the functions of the. Electronic Stability Program Brake Assist System.
From psbrake.com
What Is Electronic Park Brake And How Does It Work? PSBrake Electronic Stability Program Brake Assist System Esc builds on the capability of antilock brakes. What is esp and is it the same as esc? How electronic stability program works. When the stability control programme detects a loss of steering control, it automatically applies individual brakes to help ‘steer’ the vehicle where the driver. The electronic stability program (esp), also known as electronic stability control (esc), is. Electronic Stability Program Brake Assist System.