Power Transformer Protection Relay . Protective relays and devices have been developed over 100 years ago to provide “last line” of defense for the electrical systems. This guide focuses primarily on application of protective relays for the protection of power transformers, with an emphasis on the most.
from electricalworkbook.com
Protective relays and devices have been developed over 100 years ago to provide “last line” of defense for the electrical systems. This guide focuses primarily on application of protective relays for the protection of power transformers, with an emphasis on the most.
What is Transformer Protection? Theory, Protection Relays & Types ElectricalWorkbook
Power Transformer Protection Relay This guide focuses primarily on application of protective relays for the protection of power transformers, with an emphasis on the most. Protective relays and devices have been developed over 100 years ago to provide “last line” of defense for the electrical systems. This guide focuses primarily on application of protective relays for the protection of power transformers, with an emphasis on the most.
From www.ebay.com
Schweitzer Engineering Laboratories SEL787 Power Transformer Protection Relay eBay Power Transformer Protection Relay This guide focuses primarily on application of protective relays for the protection of power transformers, with an emphasis on the most. Protective relays and devices have been developed over 100 years ago to provide “last line” of defense for the electrical systems. Power Transformer Protection Relay.
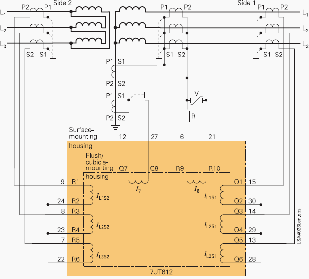
From studylib.net
Presentation Transformer Protection Power Transformer Protection Relay This guide focuses primarily on application of protective relays for the protection of power transformers, with an emphasis on the most. Protective relays and devices have been developed over 100 years ago to provide “last line” of defense for the electrical systems. Power Transformer Protection Relay.
From electrical-engineering-portal.com
Protection practice and relay schemes for transformer, bus and breaker failure EEP Power Transformer Protection Relay This guide focuses primarily on application of protective relays for the protection of power transformers, with an emphasis on the most. Protective relays and devices have been developed over 100 years ago to provide “last line” of defense for the electrical systems. Power Transformer Protection Relay.
From alindrelays.com
NUMERICAL TRANSFORMER PROTECTION RELAY ALIND RELAYS ALIND RELAYS Power Transformer Protection Relay This guide focuses primarily on application of protective relays for the protection of power transformers, with an emphasis on the most. Protective relays and devices have been developed over 100 years ago to provide “last line” of defense for the electrical systems. Power Transformer Protection Relay.
From www.electricalaxis.com
Protection Relays in Power System Electrical Axis Power Transformer Protection Relay This guide focuses primarily on application of protective relays for the protection of power transformers, with an emphasis on the most. Protective relays and devices have been developed over 100 years ago to provide “last line” of defense for the electrical systems. Power Transformer Protection Relay.
From www.youtube.com
Transformer Protection Relays Protection of Power Transformer Types of Transformer Power Transformer Protection Relay This guide focuses primarily on application of protective relays for the protection of power transformers, with an emphasis on the most. Protective relays and devices have been developed over 100 years ago to provide “last line” of defense for the electrical systems. Power Transformer Protection Relay.
From turbofuture.com
Fundamentals of MV Transformer Protection Using Relays TurboFuture Power Transformer Protection Relay This guide focuses primarily on application of protective relays for the protection of power transformers, with an emphasis on the most. Protective relays and devices have been developed over 100 years ago to provide “last line” of defense for the electrical systems. Power Transformer Protection Relay.
From electengmaterials.com
Types of Transformer Protection Protection Power Transformer Protection Relay This guide focuses primarily on application of protective relays for the protection of power transformers, with an emphasis on the most. Protective relays and devices have been developed over 100 years ago to provide “last line” of defense for the electrical systems. Power Transformer Protection Relay.
From www.allumiax.com
Why we need Protective Relays for Transformer Protection? Power Transformer Protection Relay Protective relays and devices have been developed over 100 years ago to provide “last line” of defense for the electrical systems. This guide focuses primarily on application of protective relays for the protection of power transformers, with an emphasis on the most. Power Transformer Protection Relay.
From discover.hubpages.com
Fundamentals of MV Transformer Protection Using Relays HubPages Power Transformer Protection Relay This guide focuses primarily on application of protective relays for the protection of power transformers, with an emphasis on the most. Protective relays and devices have been developed over 100 years ago to provide “last line” of defense for the electrical systems. Power Transformer Protection Relay.
From electrical-engineering-portal.com
8 typical transformer protection schemes with correctly selected relays Power Transformer Protection Relay Protective relays and devices have been developed over 100 years ago to provide “last line” of defense for the electrical systems. This guide focuses primarily on application of protective relays for the protection of power transformers, with an emphasis on the most. Power Transformer Protection Relay.
From gtdltech.en.made-in-china.com
Power Transformer Protection Relay in Substation Plant Protection Relay and Transformer Power Transformer Protection Relay This guide focuses primarily on application of protective relays for the protection of power transformers, with an emphasis on the most. Protective relays and devices have been developed over 100 years ago to provide “last line” of defense for the electrical systems. Power Transformer Protection Relay.
From electrical-engineering-portal.com
8 typical transformer protection schemes with correctly selected relays Power Transformer Protection Relay This guide focuses primarily on application of protective relays for the protection of power transformers, with an emphasis on the most. Protective relays and devices have been developed over 100 years ago to provide “last line” of defense for the electrical systems. Power Transformer Protection Relay.
From www.ebay.com
Schweitzer Engineering Laboratories SEL787 Power Transformer Protection Relay eBay Power Transformer Protection Relay This guide focuses primarily on application of protective relays for the protection of power transformers, with an emphasis on the most. Protective relays and devices have been developed over 100 years ago to provide “last line” of defense for the electrical systems. Power Transformer Protection Relay.
From electricalworkbook.com
What is Transformer Protection? Theory, Protection Relays & Types ElectricalWorkbook Power Transformer Protection Relay This guide focuses primarily on application of protective relays for the protection of power transformers, with an emphasis on the most. Protective relays and devices have been developed over 100 years ago to provide “last line” of defense for the electrical systems. Power Transformer Protection Relay.
From www.ebay.com
Schweitzer Engineering Laboratories SEL787 Power Transformer Protection Relay eBay Power Transformer Protection Relay This guide focuses primarily on application of protective relays for the protection of power transformers, with an emphasis on the most. Protective relays and devices have been developed over 100 years ago to provide “last line” of defense for the electrical systems. Power Transformer Protection Relay.
From www.circuitdiagram.co
Power Transformer Protection Circuit Diagram Circuit Diagram Power Transformer Protection Relay This guide focuses primarily on application of protective relays for the protection of power transformers, with an emphasis on the most. Protective relays and devices have been developed over 100 years ago to provide “last line” of defense for the electrical systems. Power Transformer Protection Relay.
From www.slideshare.net
Transformers protection, an introduction Power Transformer Protection Relay This guide focuses primarily on application of protective relays for the protection of power transformers, with an emphasis on the most. Protective relays and devices have been developed over 100 years ago to provide “last line” of defense for the electrical systems. Power Transformer Protection Relay.
From electrical-engineering-portal.com
8 typical transformer protection schemes with correctly selected relays Power Transformer Protection Relay This guide focuses primarily on application of protective relays for the protection of power transformers, with an emphasis on the most. Protective relays and devices have been developed over 100 years ago to provide “last line” of defense for the electrical systems. Power Transformer Protection Relay.
From www.ebay.com
Schweitzer Engineering Laboratories SEL787 Power Transformer Protection Relay eBay Power Transformer Protection Relay This guide focuses primarily on application of protective relays for the protection of power transformers, with an emphasis on the most. Protective relays and devices have been developed over 100 years ago to provide “last line” of defense for the electrical systems. Power Transformer Protection Relay.
From turbofuture.com
Fundamentals of MV Transformer Protection Using Relays TurboFuture Power Transformer Protection Relay Protective relays and devices have been developed over 100 years ago to provide “last line” of defense for the electrical systems. This guide focuses primarily on application of protective relays for the protection of power transformers, with an emphasis on the most. Power Transformer Protection Relay.
From libratherm.com
Transformer Protection Relay TPR804 Libratherm Instruments Power Transformer Protection Relay This guide focuses primarily on application of protective relays for the protection of power transformers, with an emphasis on the most. Protective relays and devices have been developed over 100 years ago to provide “last line” of defense for the electrical systems. Power Transformer Protection Relay.
From www.youtube.com
differential relay protection of power transformers differential protection of transformer Power Transformer Protection Relay Protective relays and devices have been developed over 100 years ago to provide “last line” of defense for the electrical systems. This guide focuses primarily on application of protective relays for the protection of power transformers, with an emphasis on the most. Power Transformer Protection Relay.
From turbofuture.com
Fundamentals of MV Transformer Protection Using Relays TurboFuture Power Transformer Protection Relay This guide focuses primarily on application of protective relays for the protection of power transformers, with an emphasis on the most. Protective relays and devices have been developed over 100 years ago to provide “last line” of defense for the electrical systems. Power Transformer Protection Relay.
From circuitdigest.com
All About Transformer Protection and Transformer Protection Circuits Power Transformer Protection Relay This guide focuses primarily on application of protective relays for the protection of power transformers, with an emphasis on the most. Protective relays and devices have been developed over 100 years ago to provide “last line” of defense for the electrical systems. Power Transformer Protection Relay.
From electrical-engineering-portal.com
and commonly applied protection for transformers EEP Power Transformer Protection Relay Protective relays and devices have been developed over 100 years ago to provide “last line” of defense for the electrical systems. This guide focuses primarily on application of protective relays for the protection of power transformers, with an emphasis on the most. Power Transformer Protection Relay.
From tca-vn.com
Transformer Protection Relay DTRV Product Type TCA TECHNOLOGY Power Transformer Protection Relay This guide focuses primarily on application of protective relays for the protection of power transformers, with an emphasis on the most. Protective relays and devices have been developed over 100 years ago to provide “last line” of defense for the electrical systems. Power Transformer Protection Relay.
From electrical-engineering-portal.com
8 typical transformer protection schemes with correctly selected relays Power Transformer Protection Relay This guide focuses primarily on application of protective relays for the protection of power transformers, with an emphasis on the most. Protective relays and devices have been developed over 100 years ago to provide “last line” of defense for the electrical systems. Power Transformer Protection Relay.
From electrical-engineering-portal.com
Practical implementation of the six most common transformer protection principles EEP Power Transformer Protection Relay Protective relays and devices have been developed over 100 years ago to provide “last line” of defense for the electrical systems. This guide focuses primarily on application of protective relays for the protection of power transformers, with an emphasis on the most. Power Transformer Protection Relay.
From electrical-engineering-portal.com
Power transformer protection relaying (overcurrent, restricted earth fault & differential) EEP Power Transformer Protection Relay Protective relays and devices have been developed over 100 years ago to provide “last line” of defense for the electrical systems. This guide focuses primarily on application of protective relays for the protection of power transformers, with an emphasis on the most. Power Transformer Protection Relay.
From www.indiamart.com
Transformer Protection Relay at Rs 30000/piece(s) Protective Relays ID 9836205348 Power Transformer Protection Relay This guide focuses primarily on application of protective relays for the protection of power transformers, with an emphasis on the most. Protective relays and devices have been developed over 100 years ago to provide “last line” of defense for the electrical systems. Power Transformer Protection Relay.
From www.eaton.com
Protective relays and predictive devices Eaton Power Transformer Protection Relay Protective relays and devices have been developed over 100 years ago to provide “last line” of defense for the electrical systems. This guide focuses primarily on application of protective relays for the protection of power transformers, with an emphasis on the most. Power Transformer Protection Relay.
From electrical-engineering-portal.com
8 typical transformer protection schemes with correctly selected relays Power Transformer Protection Relay Protective relays and devices have been developed over 100 years ago to provide “last line” of defense for the electrical systems. This guide focuses primarily on application of protective relays for the protection of power transformers, with an emphasis on the most. Power Transformer Protection Relay.
From electrical-engineering-portal.com
4 essential implementations of protective relays in power systems EEP Power Transformer Protection Relay This guide focuses primarily on application of protective relays for the protection of power transformers, with an emphasis on the most. Protective relays and devices have been developed over 100 years ago to provide “last line” of defense for the electrical systems. Power Transformer Protection Relay.
From electrical-engineering-portal.com
8 typical transformer protection schemes with correctly selected relays Power Transformer Protection Relay Protective relays and devices have been developed over 100 years ago to provide “last line” of defense for the electrical systems. This guide focuses primarily on application of protective relays for the protection of power transformers, with an emphasis on the most. Power Transformer Protection Relay.