Hei Conversion On Ezgo . No pulsar coil or igniter on this engine. Ezgo switched to electronic ignition in the early 80's. The time now is 08:27 am. Buggies gone wild golf cart forum > golf cart repair and troubleshooting > gas ezgo: I got a 1998 ezgo 4 stroke, 292 robins eng. I want to upgrade the ignition system to a gm coil and an ignition module. What charger should i use? I bought a project ezgo txt with a robins 295cc. Mount your 4 pin hei on a aluminum bar 3/16 to ¼” thick. Hei conversion on a 81 ez go user name:. Your setup consist of only a coil, points,. Here are some details that will help you with you conversion. When i received it the engine would start after you put it on full choke.
from machinesquirearch.z4.web.core.windows.net
When i received it the engine would start after you put it on full choke. Your setup consist of only a coil, points,. I got a 1998 ezgo 4 stroke, 292 robins eng. Mount your 4 pin hei on a aluminum bar 3/16 to ¼” thick. No pulsar coil or igniter on this engine. Here are some details that will help you with you conversion. Buggies gone wild golf cart forum > golf cart repair and troubleshooting > gas ezgo: Hei conversion on a 81 ez go user name:. The time now is 08:27 am. What charger should i use?
Ez Go Engine Conversion Kit
Hei Conversion On Ezgo Buggies gone wild golf cart forum > golf cart repair and troubleshooting > gas ezgo: I got a 1998 ezgo 4 stroke, 292 robins eng. When i received it the engine would start after you put it on full choke. The time now is 08:27 am. Hei conversion on a 81 ez go user name:. No pulsar coil or igniter on this engine. What charger should i use? Mount your 4 pin hei on a aluminum bar 3/16 to ¼” thick. Ezgo switched to electronic ignition in the early 80's. I want to upgrade the ignition system to a gm coil and an ignition module. Buggies gone wild golf cart forum > golf cart repair and troubleshooting > gas ezgo: I bought a project ezgo txt with a robins 295cc. Here are some details that will help you with you conversion. Your setup consist of only a coil, points,.
From www.wiringview.com
86 ezgo hei conversion diagram Wiring Diagram Hei Conversion On Ezgo I want to upgrade the ignition system to a gm coil and an ignition module. Hei conversion on a 81 ez go user name:. I bought a project ezgo txt with a robins 295cc. The time now is 08:27 am. Buggies gone wild golf cart forum > golf cart repair and troubleshooting > gas ezgo: No pulsar coil or igniter. Hei Conversion On Ezgo.
From machinemovieland.z13.web.core.windows.net
Ezgo Engine Conversion Kit Hei Conversion On Ezgo I want to upgrade the ignition system to a gm coil and an ignition module. I bought a project ezgo txt with a robins 295cc. Ezgo switched to electronic ignition in the early 80's. The time now is 08:27 am. Hei conversion on a 81 ez go user name:. Your setup consist of only a coil, points,. What charger should. Hei Conversion On Ezgo.
From www.greasygringo.com
'59 Chevy HEI Conversion GreasyGringoGreasyGringo Hei Conversion On Ezgo I bought a project ezgo txt with a robins 295cc. Hei conversion on a 81 ez go user name:. Mount your 4 pin hei on a aluminum bar 3/16 to ¼” thick. Buggies gone wild golf cart forum > golf cart repair and troubleshooting > gas ezgo: I want to upgrade the ignition system to a gm coil and an. Hei Conversion On Ezgo.
From enginedbpenny.z6.web.core.windows.net
Mopar Hei Conversion Wiring Diagram Hei Conversion On Ezgo The time now is 08:27 am. Hei conversion on a 81 ez go user name:. When i received it the engine would start after you put it on full choke. I got a 1998 ezgo 4 stroke, 292 robins eng. Your setup consist of only a coil, points,. No pulsar coil or igniter on this engine. Here are some details. Hei Conversion On Ezgo.
From dmctalk.org
HEI ignition conversion Hei Conversion On Ezgo Ezgo switched to electronic ignition in the early 80's. No pulsar coil or igniter on this engine. The time now is 08:27 am. I got a 1998 ezgo 4 stroke, 292 robins eng. What charger should i use? Hei conversion on a 81 ez go user name:. I bought a project ezgo txt with a robins 295cc. Here are some. Hei Conversion On Ezgo.
From www.youtube.com
1989 EZGO issue after HEI conversion YouTube Hei Conversion On Ezgo No pulsar coil or igniter on this engine. I got a 1998 ezgo 4 stroke, 292 robins eng. I bought a project ezgo txt with a robins 295cc. Buggies gone wild golf cart forum > golf cart repair and troubleshooting > gas ezgo: What charger should i use? Hei conversion on a 81 ez go user name:. I want to. Hei Conversion On Ezgo.
From www.buggiesgonewild.com
2000 EZGO Txt with Robins 295cc HEI Conversion. Interesting results. Hei Conversion On Ezgo Buggies gone wild golf cart forum > golf cart repair and troubleshooting > gas ezgo: I want to upgrade the ignition system to a gm coil and an ignition module. The time now is 08:27 am. I got a 1998 ezgo 4 stroke, 292 robins eng. I bought a project ezgo txt with a robins 295cc. What charger should i. Hei Conversion On Ezgo.
From macswebs.com
HEI Conversion Hei Conversion On Ezgo What charger should i use? Hei conversion on a 81 ez go user name:. Ezgo switched to electronic ignition in the early 80's. I bought a project ezgo txt with a robins 295cc. Mount your 4 pin hei on a aluminum bar 3/16 to ¼” thick. I want to upgrade the ignition system to a gm coil and an ignition. Hei Conversion On Ezgo.
From www.buggiesgonewild.com
2000 EZGO Txt with Robins 295cc HEI Conversion. Interesting results. Hei Conversion On Ezgo Your setup consist of only a coil, points,. I got a 1998 ezgo 4 stroke, 292 robins eng. I want to upgrade the ignition system to a gm coil and an ignition module. When i received it the engine would start after you put it on full choke. Mount your 4 pin hei on a aluminum bar 3/16 to ¼”. Hei Conversion On Ezgo.
From workshopfixfaire.z21.web.core.windows.net
Golf Cart Engine Swap Kits Hei Conversion On Ezgo I got a 1998 ezgo 4 stroke, 292 robins eng. No pulsar coil or igniter on this engine. Mount your 4 pin hei on a aluminum bar 3/16 to ¼” thick. The time now is 08:27 am. Ezgo switched to electronic ignition in the early 80's. I want to upgrade the ignition system to a gm coil and an ignition. Hei Conversion On Ezgo.
From fixengineauchti.z4.web.core.windows.net
Ez Go Engine Conversion Kit Hei Conversion On Ezgo No pulsar coil or igniter on this engine. I want to upgrade the ignition system to a gm coil and an ignition module. When i received it the engine would start after you put it on full choke. Mount your 4 pin hei on a aluminum bar 3/16 to ¼” thick. What charger should i use? Hei conversion on a. Hei Conversion On Ezgo.
From www.buggiesgonewild.com
HEI Ignition on 2PG Hei Conversion On Ezgo Your setup consist of only a coil, points,. I want to upgrade the ignition system to a gm coil and an ignition module. I bought a project ezgo txt with a robins 295cc. Mount your 4 pin hei on a aluminum bar 3/16 to ¼” thick. When i received it the engine would start after you put it on full. Hei Conversion On Ezgo.
From schematron.org
Mopar Hei Conversion Wiring Diagram Hei Conversion On Ezgo I want to upgrade the ignition system to a gm coil and an ignition module. Ezgo switched to electronic ignition in the early 80's. Buggies gone wild golf cart forum > golf cart repair and troubleshooting > gas ezgo: Mount your 4 pin hei on a aluminum bar 3/16 to ¼” thick. No pulsar coil or igniter on this engine.. Hei Conversion On Ezgo.
From board.moparts.org
GM HEI Conversion Moparts Forums Hei Conversion On Ezgo No pulsar coil or igniter on this engine. Your setup consist of only a coil, points,. What charger should i use? Ezgo switched to electronic ignition in the early 80's. The time now is 08:27 am. Mount your 4 pin hei on a aluminum bar 3/16 to ¼” thick. Here are some details that will help you with you conversion.. Hei Conversion On Ezgo.
From www.forabodiesonly.com
GM HEI Conversion For A Bodies Only Mopar Forum Hei Conversion On Ezgo I want to upgrade the ignition system to a gm coil and an ignition module. Your setup consist of only a coil, points,. The time now is 08:27 am. When i received it the engine would start after you put it on full choke. No pulsar coil or igniter on this engine. Buggies gone wild golf cart forum > golf. Hei Conversion On Ezgo.
From garagerepairtrucks.z21.web.core.windows.net
Ezgo Engine Conversion Kit Hei Conversion On Ezgo Mount your 4 pin hei on a aluminum bar 3/16 to ¼” thick. Ezgo switched to electronic ignition in the early 80's. When i received it the engine would start after you put it on full choke. I bought a project ezgo txt with a robins 295cc. What charger should i use? No pulsar coil or igniter on this engine.. Hei Conversion On Ezgo.
From www.greasygringo.com
'59 Chevy HEI Conversion GreasyGringoGreasyGringo Hei Conversion On Ezgo Mount your 4 pin hei on a aluminum bar 3/16 to ¼” thick. Here are some details that will help you with you conversion. The time now is 08:27 am. What charger should i use? Your setup consist of only a coil, points,. Buggies gone wild golf cart forum > golf cart repair and troubleshooting > gas ezgo: When i. Hei Conversion On Ezgo.
From machinesquirearch.z4.web.core.windows.net
Ez Go Engine Conversion Kit Hei Conversion On Ezgo I got a 1998 ezgo 4 stroke, 292 robins eng. I bought a project ezgo txt with a robins 295cc. I want to upgrade the ignition system to a gm coil and an ignition module. Hei conversion on a 81 ez go user name:. Here are some details that will help you with you conversion. Buggies gone wild golf cart. Hei Conversion On Ezgo.
From giotdxeog.blob.core.windows.net
Sbc Points To Hei Conversion at Shaun ster blog Hei Conversion On Ezgo I got a 1998 ezgo 4 stroke, 292 robins eng. Mount your 4 pin hei on a aluminum bar 3/16 to ¼” thick. The time now is 08:27 am. Here are some details that will help you with you conversion. No pulsar coil or igniter on this engine. What charger should i use? Buggies gone wild golf cart forum >. Hei Conversion On Ezgo.
From www.youtube.com
1989 EZGO issue after HEI conversion YouTube Hei Conversion On Ezgo When i received it the engine would start after you put it on full choke. I bought a project ezgo txt with a robins 295cc. Buggies gone wild golf cart forum > golf cart repair and troubleshooting > gas ezgo: What charger should i use? I want to upgrade the ignition system to a gm coil and an ignition module.. Hei Conversion On Ezgo.
From www.hotrod.com
How To Convert A Ford Or Chrysler Ignition To GM HEI Hei Conversion On Ezgo Ezgo switched to electronic ignition in the early 80's. What charger should i use? Here are some details that will help you with you conversion. Hei conversion on a 81 ez go user name:. Mount your 4 pin hei on a aluminum bar 3/16 to ¼” thick. I got a 1998 ezgo 4 stroke, 292 robins eng. No pulsar coil. Hei Conversion On Ezgo.
From www.forabodiesonly.com
GM HEI Conversion For A Bodies Only Mopar Forum Hei Conversion On Ezgo Ezgo switched to electronic ignition in the early 80's. I want to upgrade the ignition system to a gm coil and an ignition module. The time now is 08:27 am. Mount your 4 pin hei on a aluminum bar 3/16 to ¼” thick. No pulsar coil or igniter on this engine. When i received it the engine would start after. Hei Conversion On Ezgo.
From garagerepairtrucks.z21.web.core.windows.net
Ezgo Engine Conversion Kit Hei Conversion On Ezgo Mount your 4 pin hei on a aluminum bar 3/16 to ¼” thick. Here are some details that will help you with you conversion. Your setup consist of only a coil, points,. No pulsar coil or igniter on this engine. Buggies gone wild golf cart forum > golf cart repair and troubleshooting > gas ezgo: I want to upgrade the. Hei Conversion On Ezgo.
From www.youtube.com
1999 ezgo golf cart hei module conversion YouTube Hei Conversion On Ezgo What charger should i use? Here are some details that will help you with you conversion. I bought a project ezgo txt with a robins 295cc. Your setup consist of only a coil, points,. Buggies gone wild golf cart forum > golf cart repair and troubleshooting > gas ezgo: I got a 1998 ezgo 4 stroke, 292 robins eng. When. Hei Conversion On Ezgo.
From repairenginesteiger123.z14.web.core.windows.net
Ezgo Engine Conversion Hei Conversion On Ezgo I got a 1998 ezgo 4 stroke, 292 robins eng. I bought a project ezgo txt with a robins 295cc. Mount your 4 pin hei on a aluminum bar 3/16 to ¼” thick. No pulsar coil or igniter on this engine. Buggies gone wild golf cart forum > golf cart repair and troubleshooting > gas ezgo: I want to upgrade. Hei Conversion On Ezgo.
From www.forabodiesonly.com
HEI conversion question For A Bodies Only Mopar Forum Hei Conversion On Ezgo The time now is 08:27 am. Mount your 4 pin hei on a aluminum bar 3/16 to ¼” thick. I bought a project ezgo txt with a robins 295cc. Your setup consist of only a coil, points,. Buggies gone wild golf cart forum > golf cart repair and troubleshooting > gas ezgo: What charger should i use? I got a. Hei Conversion On Ezgo.
From www.buggiesgonewild.com
2000 EZGO Txt with Robins 295cc HEI Conversion. Interesting results. Hei Conversion On Ezgo The time now is 08:27 am. Buggies gone wild golf cart forum > golf cart repair and troubleshooting > gas ezgo: When i received it the engine would start after you put it on full choke. Mount your 4 pin hei on a aluminum bar 3/16 to ¼” thick. Ezgo switched to electronic ignition in the early 80's. I got. Hei Conversion On Ezgo.
From garagespammerceleema.z13.web.core.windows.net
Ezgo Engine Conversion Kit Hei Conversion On Ezgo Mount your 4 pin hei on a aluminum bar 3/16 to ¼” thick. Hei conversion on a 81 ez go user name:. Ezgo switched to electronic ignition in the early 80's. I want to upgrade the ignition system to a gm coil and an ignition module. I bought a project ezgo txt with a robins 295cc. What charger should i. Hei Conversion On Ezgo.
From www.hotrod.com
How To Convert A Ford Or Chrysler Ignition To GM HEI Car Craft Hot Rod Network Hei Conversion On Ezgo Hei conversion on a 81 ez go user name:. Mount your 4 pin hei on a aluminum bar 3/16 to ¼” thick. When i received it the engine would start after you put it on full choke. No pulsar coil or igniter on this engine. Buggies gone wild golf cart forum > golf cart repair and troubleshooting > gas ezgo:. Hei Conversion On Ezgo.
From www.youtube.com
Early Stages of GM HEI conversion on Mopar YouTube Hei Conversion On Ezgo When i received it the engine would start after you put it on full choke. Here are some details that will help you with you conversion. Mount your 4 pin hei on a aluminum bar 3/16 to ¼” thick. I got a 1998 ezgo 4 stroke, 292 robins eng. The time now is 08:27 am. Your setup consist of only. Hei Conversion On Ezgo.
From www.buggiesgonewild.com
2000 EZGO Txt with Robins 295cc HEI Conversion. Interesting results. Hei Conversion On Ezgo When i received it the engine would start after you put it on full choke. Mount your 4 pin hei on a aluminum bar 3/16 to ¼” thick. Here are some details that will help you with you conversion. The time now is 08:27 am. Ezgo switched to electronic ignition in the early 80's. Your setup consist of only a. Hei Conversion On Ezgo.
From www.camaros.net
Cardone Distributor Small Body HEI Conversion? Team Camaro Tech Hei Conversion On Ezgo I want to upgrade the ignition system to a gm coil and an ignition module. What charger should i use? Mount your 4 pin hei on a aluminum bar 3/16 to ¼” thick. Here are some details that will help you with you conversion. Ezgo switched to electronic ignition in the early 80's. Hei conversion on a 81 ez go. Hei Conversion On Ezgo.
From repairmachineunesco.z21.web.core.windows.net
Ezgo Engine Conversion Kit Hei Conversion On Ezgo What charger should i use? Buggies gone wild golf cart forum > golf cart repair and troubleshooting > gas ezgo: No pulsar coil or igniter on this engine. Mount your 4 pin hei on a aluminum bar 3/16 to ¼” thick. I want to upgrade the ignition system to a gm coil and an ignition module. Hei conversion on a. Hei Conversion On Ezgo.
From www.buggiesgonewild.com
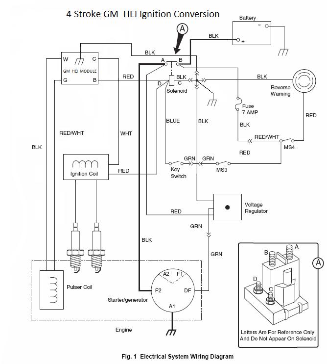
4 stroke HEI Conversion Page 2 Hei Conversion On Ezgo I bought a project ezgo txt with a robins 295cc. Hei conversion on a 81 ez go user name:. When i received it the engine would start after you put it on full choke. No pulsar coil or igniter on this engine. I want to upgrade the ignition system to a gm coil and an ignition module. I got a. Hei Conversion On Ezgo.
From garagerepairtrucks.z21.web.core.windows.net
Ezgo Engine Conversion Kit Hei Conversion On Ezgo Buggies gone wild golf cart forum > golf cart repair and troubleshooting > gas ezgo: When i received it the engine would start after you put it on full choke. Ezgo switched to electronic ignition in the early 80's. No pulsar coil or igniter on this engine. Your setup consist of only a coil, points,. Mount your 4 pin hei. Hei Conversion On Ezgo.