Starter Used For Squirrel Cage Induction Motor . Each method has its own characteristics and place of correct application. Direct on line starters are commonly used to start small water pumps, conveyor belts, fans, and compressors. The first three starters are used for both squirrel cage and slip ring induction motor. There are a number of ways of starting squirrel cage induction motors. In the case of an asynchronous motor (such as. For low to medium voltage and low torque squirrel cage induction motors, the star delta staring method is commonly preferred (scim). It is suitable for application where the starting current is low and the line current drown is low. It is therefore recommended that large three.
from www.tradeindia.com
There are a number of ways of starting squirrel cage induction motors. The first three starters are used for both squirrel cage and slip ring induction motor. It is suitable for application where the starting current is low and the line current drown is low. Direct on line starters are commonly used to start small water pumps, conveyor belts, fans, and compressors. For low to medium voltage and low torque squirrel cage induction motors, the star delta staring method is commonly preferred (scim). Each method has its own characteristics and place of correct application. It is therefore recommended that large three. In the case of an asynchronous motor (such as.
Red 1phase Ac Squirrel Cage Induction Motor Capacitor Run at Best Price in Jaipur Tesca
Starter Used For Squirrel Cage Induction Motor For low to medium voltage and low torque squirrel cage induction motors, the star delta staring method is commonly preferred (scim). In the case of an asynchronous motor (such as. The first three starters are used for both squirrel cage and slip ring induction motor. It is suitable for application where the starting current is low and the line current drown is low. For low to medium voltage and low torque squirrel cage induction motors, the star delta staring method is commonly preferred (scim). Direct on line starters are commonly used to start small water pumps, conveyor belts, fans, and compressors. Each method has its own characteristics and place of correct application. There are a number of ways of starting squirrel cage induction motors. It is therefore recommended that large three.
From www.wiringwork.com
slip ring and squirrel cage induction motor diagram Wiring Work Starter Used For Squirrel Cage Induction Motor There are a number of ways of starting squirrel cage induction motors. It is suitable for application where the starting current is low and the line current drown is low. Direct on line starters are commonly used to start small water pumps, conveyor belts, fans, and compressors. For low to medium voltage and low torque squirrel cage induction motors, the. Starter Used For Squirrel Cage Induction Motor.
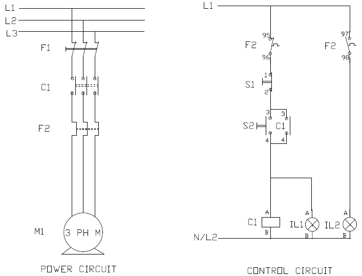
From electrical-engineering-portal.com
Direct Starting Of SquirrelCage Induction Motors Starter Used For Squirrel Cage Induction Motor For low to medium voltage and low torque squirrel cage induction motors, the star delta staring method is commonly preferred (scim). Each method has its own characteristics and place of correct application. It is therefore recommended that large three. There are a number of ways of starting squirrel cage induction motors. The first three starters are used for both squirrel. Starter Used For Squirrel Cage Induction Motor.
From www.indiamart.com
4 Pole Ac Squirrel Cage 3 Phase Induction Motors, 415 V at Rs 12000/piece in Coimbatore Starter Used For Squirrel Cage Induction Motor For low to medium voltage and low torque squirrel cage induction motors, the star delta staring method is commonly preferred (scim). Direct on line starters are commonly used to start small water pumps, conveyor belts, fans, and compressors. In the case of an asynchronous motor (such as. It is suitable for application where the starting current is low and the. Starter Used For Squirrel Cage Induction Motor.
From www.bodine-electric.com
AC Induction Motors with Squirrel Cage Rotors Bodine Gearmotor Blog Starter Used For Squirrel Cage Induction Motor Direct on line starters are commonly used to start small water pumps, conveyor belts, fans, and compressors. The first three starters are used for both squirrel cage and slip ring induction motor. It is suitable for application where the starting current is low and the line current drown is low. In the case of an asynchronous motor (such as. For. Starter Used For Squirrel Cage Induction Motor.
From www.electricmotorwaterpump.com
High Voltage 3 Phase Induction Motor / Squirrel Cage Induction Motor Starter Used For Squirrel Cage Induction Motor For low to medium voltage and low torque squirrel cage induction motors, the star delta staring method is commonly preferred (scim). It is therefore recommended that large three. In the case of an asynchronous motor (such as. There are a number of ways of starting squirrel cage induction motors. Direct on line starters are commonly used to start small water. Starter Used For Squirrel Cage Induction Motor.
From www.electricaldesks.com
Difference Between Slip Ring & Squirrel Cage Induction Motor Starter Used For Squirrel Cage Induction Motor Direct on line starters are commonly used to start small water pumps, conveyor belts, fans, and compressors. The first three starters are used for both squirrel cage and slip ring induction motor. There are a number of ways of starting squirrel cage induction motors. For low to medium voltage and low torque squirrel cage induction motors, the star delta staring. Starter Used For Squirrel Cage Induction Motor.
From manuallistsanto.z13.web.core.windows.net
Squirrel Cage Induction Motor Circuit Diagram Starter Used For Squirrel Cage Induction Motor In the case of an asynchronous motor (such as. Direct on line starters are commonly used to start small water pumps, conveyor belts, fans, and compressors. Each method has its own characteristics and place of correct application. It is therefore recommended that large three. There are a number of ways of starting squirrel cage induction motors. For low to medium. Starter Used For Squirrel Cage Induction Motor.
From www.sogears.com
ABB squirrel cage induction motors Starter Used For Squirrel Cage Induction Motor It is therefore recommended that large three. Each method has its own characteristics and place of correct application. It is suitable for application where the starting current is low and the line current drown is low. There are a number of ways of starting squirrel cage induction motors. The first three starters are used for both squirrel cage and slip. Starter Used For Squirrel Cage Induction Motor.
From www.electricaldesks.com
Starting Methods of SquirrelCage Induction Motors Starter Used For Squirrel Cage Induction Motor The first three starters are used for both squirrel cage and slip ring induction motor. There are a number of ways of starting squirrel cage induction motors. In the case of an asynchronous motor (such as. It is suitable for application where the starting current is low and the line current drown is low. Each method has its own characteristics. Starter Used For Squirrel Cage Induction Motor.
From ayoowuye.blogspot.com
Methods of starting Squirrel Cage Induction Motors Starter Used For Squirrel Cage Induction Motor The first three starters are used for both squirrel cage and slip ring induction motor. It is suitable for application where the starting current is low and the line current drown is low. Direct on line starters are commonly used to start small water pumps, conveyor belts, fans, and compressors. It is therefore recommended that large three. In the case. Starter Used For Squirrel Cage Induction Motor.
From www.electricalengineeringtoolbox.com
Basic Parts of a Three Phase (3Փ) Squirrel Cage Induction Motor Learning Electrical Engineering Starter Used For Squirrel Cage Induction Motor In the case of an asynchronous motor (such as. It is suitable for application where the starting current is low and the line current drown is low. The first three starters are used for both squirrel cage and slip ring induction motor. Direct on line starters are commonly used to start small water pumps, conveyor belts, fans, and compressors. There. Starter Used For Squirrel Cage Induction Motor.
From www.indiamart.com
TEFC Squirrel Cage Induction Motors Baviskar Sales Corporation, Ahmedabad ID 13260062188 Starter Used For Squirrel Cage Induction Motor Direct on line starters are commonly used to start small water pumps, conveyor belts, fans, and compressors. For low to medium voltage and low torque squirrel cage induction motors, the star delta staring method is commonly preferred (scim). It is therefore recommended that large three. In the case of an asynchronous motor (such as. It is suitable for application where. Starter Used For Squirrel Cage Induction Motor.
From www.cselectricalandelectronics.com
What Is Squirrel Cage Induction Motor, Working Principle, Applications Starter Used For Squirrel Cage Induction Motor Each method has its own characteristics and place of correct application. In the case of an asynchronous motor (such as. Direct on line starters are commonly used to start small water pumps, conveyor belts, fans, and compressors. For low to medium voltage and low torque squirrel cage induction motors, the star delta staring method is commonly preferred (scim). It is. Starter Used For Squirrel Cage Induction Motor.
From webmotor.org
3 Phase Squirrel Cage Induction Motor Circuit Diagram Starter Used For Squirrel Cage Induction Motor In the case of an asynchronous motor (such as. The first three starters are used for both squirrel cage and slip ring induction motor. For low to medium voltage and low torque squirrel cage induction motors, the star delta staring method is commonly preferred (scim). There are a number of ways of starting squirrel cage induction motors. It is therefore. Starter Used For Squirrel Cage Induction Motor.
From www.mrelectroapp.com
squirrel cage induction motor Advantages Mr Electro Starter Used For Squirrel Cage Induction Motor For low to medium voltage and low torque squirrel cage induction motors, the star delta staring method is commonly preferred (scim). There are a number of ways of starting squirrel cage induction motors. Each method has its own characteristics and place of correct application. The first three starters are used for both squirrel cage and slip ring induction motor. Direct. Starter Used For Squirrel Cage Induction Motor.
From subseaexchange.com
Squirrel Cage Induction Motor for Sale MAIN SubseaExchange Starter Used For Squirrel Cage Induction Motor In the case of an asynchronous motor (such as. Each method has its own characteristics and place of correct application. For low to medium voltage and low torque squirrel cage induction motors, the star delta staring method is commonly preferred (scim). It is therefore recommended that large three. There are a number of ways of starting squirrel cage induction motors.. Starter Used For Squirrel Cage Induction Motor.
From xiaolaoda.en.made-in-china.com
Squirrel Cage Induction Motor (Y Series) China Induction Motor and Three Phase Motor Starter Used For Squirrel Cage Induction Motor In the case of an asynchronous motor (such as. Direct on line starters are commonly used to start small water pumps, conveyor belts, fans, and compressors. It is therefore recommended that large three. The first three starters are used for both squirrel cage and slip ring induction motor. For low to medium voltage and low torque squirrel cage induction motors,. Starter Used For Squirrel Cage Induction Motor.
From www.tvetlabs.com
Three Phase Squirrel Cage Induction Motor Three Phase Squirrel Cage Induction Motor for TVET Lab Starter Used For Squirrel Cage Induction Motor Each method has its own characteristics and place of correct application. It is suitable for application where the starting current is low and the line current drown is low. It is therefore recommended that large three. For low to medium voltage and low torque squirrel cage induction motors, the star delta staring method is commonly preferred (scim). There are a. Starter Used For Squirrel Cage Induction Motor.
From www.electricaldesks.com
Starting Methods of SquirrelCage Induction Motors Starter Used For Squirrel Cage Induction Motor The first three starters are used for both squirrel cage and slip ring induction motor. In the case of an asynchronous motor (such as. Each method has its own characteristics and place of correct application. There are a number of ways of starting squirrel cage induction motors. It is therefore recommended that large three. It is suitable for application where. Starter Used For Squirrel Cage Induction Motor.
From www.electricalmcqs.com
Electrical Engineering MCQ Questions and Answers Electrical Mcq Electrical Mcq Pdf Starter Used For Squirrel Cage Induction Motor In the case of an asynchronous motor (such as. There are a number of ways of starting squirrel cage induction motors. It is therefore recommended that large three. The first three starters are used for both squirrel cage and slip ring induction motor. Direct on line starters are commonly used to start small water pumps, conveyor belts, fans, and compressors.. Starter Used For Squirrel Cage Induction Motor.
From dafengchina.en.made-in-china.com
Ys Series Split Phase Three Phase Squirrel Cage Induction Motor China Split Phase Motor and Starter Used For Squirrel Cage Induction Motor There are a number of ways of starting squirrel cage induction motors. It is therefore recommended that large three. For low to medium voltage and low torque squirrel cage induction motors, the star delta staring method is commonly preferred (scim). In the case of an asynchronous motor (such as. Direct on line starters are commonly used to start small water. Starter Used For Squirrel Cage Induction Motor.
From savree.com
Induction Electric Motor (Squirrel Cage) Explained saVRee Starter Used For Squirrel Cage Induction Motor Each method has its own characteristics and place of correct application. For low to medium voltage and low torque squirrel cage induction motors, the star delta staring method is commonly preferred (scim). It is therefore recommended that large three. It is suitable for application where the starting current is low and the line current drown is low. In the case. Starter Used For Squirrel Cage Induction Motor.
From www.eeeguide.com
Starting of Squirrel Cage Induction Motor Starter Used For Squirrel Cage Induction Motor Direct on line starters are commonly used to start small water pumps, conveyor belts, fans, and compressors. The first three starters are used for both squirrel cage and slip ring induction motor. In the case of an asynchronous motor (such as. For low to medium voltage and low torque squirrel cage induction motors, the star delta staring method is commonly. Starter Used For Squirrel Cage Induction Motor.
From www.electricaldesks.com
Why is it called a squirrel cage motor? Starter Used For Squirrel Cage Induction Motor It is suitable for application where the starting current is low and the line current drown is low. In the case of an asynchronous motor (such as. It is therefore recommended that large three. Direct on line starters are commonly used to start small water pumps, conveyor belts, fans, and compressors. There are a number of ways of starting squirrel. Starter Used For Squirrel Cage Induction Motor.
From www.menzel-motors.com
3phase squirrel cage induction motors up to 13,800 V Starter Used For Squirrel Cage Induction Motor There are a number of ways of starting squirrel cage induction motors. In the case of an asynchronous motor (such as. The first three starters are used for both squirrel cage and slip ring induction motor. It is therefore recommended that large three. For low to medium voltage and low torque squirrel cage induction motors, the star delta staring method. Starter Used For Squirrel Cage Induction Motor.
From mavink.com
Three Phase Squirrel Cage Induction Motor Starter Used For Squirrel Cage Induction Motor It is suitable for application where the starting current is low and the line current drown is low. For low to medium voltage and low torque squirrel cage induction motors, the star delta staring method is commonly preferred (scim). The first three starters are used for both squirrel cage and slip ring induction motor. It is therefore recommended that large. Starter Used For Squirrel Cage Induction Motor.
From www.youtube.com
All Parts of 3 Phase Squirrel Cage Induction Motor AC Machines Lab Expt. No. 1 Stator Starter Used For Squirrel Cage Induction Motor In the case of an asynchronous motor (such as. For low to medium voltage and low torque squirrel cage induction motors, the star delta staring method is commonly preferred (scim). It is therefore recommended that large three. The first three starters are used for both squirrel cage and slip ring induction motor. Each method has its own characteristics and place. Starter Used For Squirrel Cage Induction Motor.
From www.studypool.com
SOLUTION Squirrel cage induction motor rotor Studypool Starter Used For Squirrel Cage Induction Motor Each method has its own characteristics and place of correct application. In the case of an asynchronous motor (such as. It is therefore recommended that large three. There are a number of ways of starting squirrel cage induction motors. The first three starters are used for both squirrel cage and slip ring induction motor. Direct on line starters are commonly. Starter Used For Squirrel Cage Induction Motor.
From www.tradeindia.com
Red 1phase Ac Squirrel Cage Induction Motor Capacitor Run at Best Price in Jaipur Tesca Starter Used For Squirrel Cage Induction Motor In the case of an asynchronous motor (such as. It is suitable for application where the starting current is low and the line current drown is low. Direct on line starters are commonly used to start small water pumps, conveyor belts, fans, and compressors. For low to medium voltage and low torque squirrel cage induction motors, the star delta staring. Starter Used For Squirrel Cage Induction Motor.
From www.wiringdigital.com
Squirrel Cage Induction Motor Connection Diagram Wiring Digital and Schematic Starter Used For Squirrel Cage Induction Motor In the case of an asynchronous motor (such as. For low to medium voltage and low torque squirrel cage induction motors, the star delta staring method is commonly preferred (scim). There are a number of ways of starting squirrel cage induction motors. The first three starters are used for both squirrel cage and slip ring induction motor. Each method has. Starter Used For Squirrel Cage Induction Motor.
From www.indiamart.com
Rotomotive Three Phase Squirrel Cage Induction Motor at Rs 5250/piece in Ahmedabad Starter Used For Squirrel Cage Induction Motor Each method has its own characteristics and place of correct application. In the case of an asynchronous motor (such as. It is suitable for application where the starting current is low and the line current drown is low. For low to medium voltage and low torque squirrel cage induction motors, the star delta staring method is commonly preferred (scim). It. Starter Used For Squirrel Cage Induction Motor.
From www.nidec.com
Squirrelcage induction motor NIDEC CORPORATION Starter Used For Squirrel Cage Induction Motor Each method has its own characteristics and place of correct application. For low to medium voltage and low torque squirrel cage induction motors, the star delta staring method is commonly preferred (scim). Direct on line starters are commonly used to start small water pumps, conveyor belts, fans, and compressors. It is therefore recommended that large three. There are a number. Starter Used For Squirrel Cage Induction Motor.
From www.indiamart.com
Three Phase 3Phase Squirrel Cage Induction Motor, 110 V at Rs 5000 in Nagpur Starter Used For Squirrel Cage Induction Motor There are a number of ways of starting squirrel cage induction motors. For low to medium voltage and low torque squirrel cage induction motors, the star delta staring method is commonly preferred (scim). It is suitable for application where the starting current is low and the line current drown is low. It is therefore recommended that large three. The first. Starter Used For Squirrel Cage Induction Motor.
From www.wiringdigital.com
Squirrel Cage Induction Motor Connection Diagram Pdf » Wiring Digital And Schematic Starter Used For Squirrel Cage Induction Motor Each method has its own characteristics and place of correct application. Direct on line starters are commonly used to start small water pumps, conveyor belts, fans, and compressors. There are a number of ways of starting squirrel cage induction motors. In the case of an asynchronous motor (such as. It is suitable for application where the starting current is low. Starter Used For Squirrel Cage Induction Motor.
From www.menzel-motors.com
3phase squirrel cage induction motors up to 13,800 V Starter Used For Squirrel Cage Induction Motor For low to medium voltage and low torque squirrel cage induction motors, the star delta staring method is commonly preferred (scim). Direct on line starters are commonly used to start small water pumps, conveyor belts, fans, and compressors. It is therefore recommended that large three. The first three starters are used for both squirrel cage and slip ring induction motor.. Starter Used For Squirrel Cage Induction Motor.