Ir Remote Control Decoder . See the code, hardware, and serial. Hello makers, this is a full tutorial on how to decode any ir remote control. See the schematic, code, and. Ir remote control decoder using arduino: Irext is an open source infra red remote control library with encoding and decoding algorithm and remote control databases. Learn how to decode ir remote data using a tsop3823 receiver and a pic16f886 microcontroller. Just follow my steps below :) Learn how to use arduino and ir receiver module to decode infrared signals from a remote control. Learn how to decode the unique codes of any ir remote control using arduino and a tsop1738 receiver. Follow the steps, code and schematic to see the output in serial monitor. In this tutorial, i am going to show you guys how to create a simple infrared(ir) receiver circuit using tsop4838 and will also show you. Follow the steps to connect the components, set up the ide, upload. With irext, you can easily get extremely compressed remote control code. Learn how to make a simple ir remote decoder using an arduino and ir receiver.
from www.aliexpress.com
Just follow my steps below :) Irext is an open source infra red remote control library with encoding and decoding algorithm and remote control databases. In this tutorial, i am going to show you guys how to create a simple infrared(ir) receiver circuit using tsop4838 and will also show you. See the code, hardware, and serial. Ir remote control decoder using arduino: Learn how to decode the unique codes of any ir remote control using arduino and a tsop1738 receiver. Learn how to make a simple ir remote decoder using an arduino and ir receiver. See the schematic, code, and. Follow the steps to connect the components, set up the ide, upload. Learn how to use arduino and ir receiver module to decode infrared signals from a remote control.
38khz MCU learning board IR remote control Infrared decoder for
Ir Remote Control Decoder Just follow my steps below :) Follow the steps to connect the components, set up the ide, upload. Just follow my steps below :) Learn how to use arduino and ir receiver module to decode infrared signals from a remote control. In this tutorial, i am going to show you guys how to create a simple infrared(ir) receiver circuit using tsop4838 and will also show you. Ir remote control decoder using arduino: Learn how to decode the unique codes of any ir remote control using arduino and a tsop1738 receiver. Learn how to make a simple ir remote decoder using an arduino and ir receiver. With irext, you can easily get extremely compressed remote control code. See the code, hardware, and serial. Follow the steps, code and schematic to see the output in serial monitor. See the schematic, code, and. Hello makers, this is a full tutorial on how to decode any ir remote control. Irext is an open source infra red remote control library with encoding and decoding algorithm and remote control databases. Learn how to decode ir remote data using a tsop3823 receiver and a pic16f886 microcontroller.
From www.amazon.in
Buy Generic Universal Tv Ir Remote Control Decoder Tester Infrared Ir Remote Control Decoder Learn how to decode ir remote data using a tsop3823 receiver and a pic16f886 microcontroller. Hello makers, this is a full tutorial on how to decode any ir remote control. Just follow my steps below :) With irext, you can easily get extremely compressed remote control code. Learn how to decode the unique codes of any ir remote control using. Ir Remote Control Decoder.
From www.pinterest.com
How to Decode Any IR Remote Control Signal Using Arduino Ir Remote Control Decoder See the schematic, code, and. Learn how to make a simple ir remote decoder using an arduino and ir receiver. Learn how to decode ir remote data using a tsop3823 receiver and a pic16f886 microcontroller. Follow the steps, code and schematic to see the output in serial monitor. See the code, hardware, and serial. Hello makers, this is a full. Ir Remote Control Decoder.
From www.pricepulse.app
Generic Universal Tv Ir Remote Control Decoder Tester Infrared Remote Ir Remote Control Decoder Hello makers, this is a full tutorial on how to decode any ir remote control. Ir remote control decoder using arduino: Learn how to use arduino and ir receiver module to decode infrared signals from a remote control. With irext, you can easily get extremely compressed remote control code. Irext is an open source infra red remote control library with. Ir Remote Control Decoder.
From simple-circuit.com
Arduino NEC IR remote control decoder Ir Remote Control Decoder Hello makers, this is a full tutorial on how to decode any ir remote control. Learn how to decode ir remote data using a tsop3823 receiver and a pic16f886 microcontroller. Irext is an open source infra red remote control library with encoding and decoding algorithm and remote control databases. Ir remote control decoder using arduino: Just follow my steps below. Ir Remote Control Decoder.
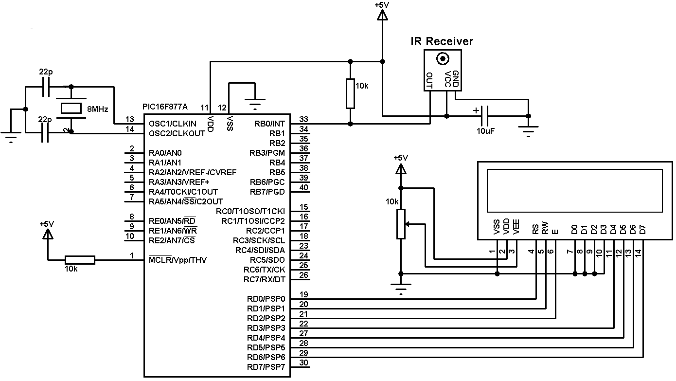
From simple-circuit.com
NEC IR remote control decoder with PIC16F877A CCS C Ir Remote Control Decoder Learn how to make a simple ir remote decoder using an arduino and ir receiver. In this tutorial, i am going to show you guys how to create a simple infrared(ir) receiver circuit using tsop4838 and will also show you. Just follow my steps below :) Learn how to use arduino and ir receiver module to decode infrared signals from. Ir Remote Control Decoder.
From pixy.org
Icstation 2X3W Stereo Audio Power Amplifier MP3 Decoder Board IR Remote Ir Remote Control Decoder In this tutorial, i am going to show you guys how to create a simple infrared(ir) receiver circuit using tsop4838 and will also show you. Hello makers, this is a full tutorial on how to decode any ir remote control. With irext, you can easily get extremely compressed remote control code. Learn how to use arduino and ir receiver module. Ir Remote Control Decoder.
From www.aliexpress.com
38khz MCU learning board IR remote control Infrared decoder for Ir Remote Control Decoder See the code, hardware, and serial. In this tutorial, i am going to show you guys how to create a simple infrared(ir) receiver circuit using tsop4838 and will also show you. See the schematic, code, and. Follow the steps, code and schematic to see the output in serial monitor. Learn how to decode ir remote data using a tsop3823 receiver. Ir Remote Control Decoder.
From www.aliexpress.com
1pcs TV IR Remote Control Decoder Tester Infrared Remote Control Ir Remote Control Decoder See the schematic, code, and. With irext, you can easily get extremely compressed remote control code. Just follow my steps below :) Learn how to decode the unique codes of any ir remote control using arduino and a tsop1738 receiver. Learn how to decode ir remote data using a tsop3823 receiver and a pic16f886 microcontroller. Learn how to use arduino. Ir Remote Control Decoder.
From www.aliexpress.com
38khz MCU learning board IR remote control Infrared decoder for NEC Ir Remote Control Decoder Learn how to decode ir remote data using a tsop3823 receiver and a pic16f886 microcontroller. See the code, hardware, and serial. With irext, you can easily get extremely compressed remote control code. Ir remote control decoder using arduino: Learn how to decode the unique codes of any ir remote control using arduino and a tsop1738 receiver. Follow the steps to. Ir Remote Control Decoder.
From www.walmart.com
Handheld Universal Tv Ir Remote Control Decoder Tester, Frequency Ir Remote Control Decoder Learn how to make a simple ir remote decoder using an arduino and ir receiver. Just follow my steps below :) See the schematic, code, and. With irext, you can easily get extremely compressed remote control code. Irext is an open source infra red remote control library with encoding and decoding algorithm and remote control databases. Follow the steps to. Ir Remote Control Decoder.
From www.alibaba.com
38khz Mcu Learning Board Ir Remote Control Infrared Decoder Protocol Ir Remote Control Decoder Ir remote control decoder using arduino: In this tutorial, i am going to show you guys how to create a simple infrared(ir) receiver circuit using tsop4838 and will also show you. Just follow my steps below :) Learn how to decode the unique codes of any ir remote control using arduino and a tsop1738 receiver. See the code, hardware, and. Ir Remote Control Decoder.
From www.aliexpress.com
new, 10pcs 38khz MCU learning board IR remote control Infrared decoder Ir Remote Control Decoder See the code, hardware, and serial. Follow the steps, code and schematic to see the output in serial monitor. Follow the steps to connect the components, set up the ide, upload. Ir remote control decoder using arduino: Just follow my steps below :) See the schematic, code, and. With irext, you can easily get extremely compressed remote control code. Learn. Ir Remote Control Decoder.
From pixy.org
Icstation 2X3W Stereo Audio Power Amplifier MP3 Decoder Board IR Remote Ir Remote Control Decoder Follow the steps to connect the components, set up the ide, upload. See the schematic, code, and. Learn how to decode the unique codes of any ir remote control using arduino and a tsop1738 receiver. Ir remote control decoder using arduino: Hello makers, this is a full tutorial on how to decode any ir remote control. Learn how to make. Ir Remote Control Decoder.
From www.arduinocircuit.com
Arduino IR Code Reader Remote Control Decoder Arduino Circuit Ir Remote Control Decoder Learn how to make a simple ir remote decoder using an arduino and ir receiver. Ir remote control decoder using arduino: Just follow my steps below :) Irext is an open source infra red remote control library with encoding and decoding algorithm and remote control databases. See the code, hardware, and serial. With irext, you can easily get extremely compressed. Ir Remote Control Decoder.
From www.aliexpress.com
New Universal Ir Remote Control Decoder Tester Infrared Remote Control Ir Remote Control Decoder Learn how to decode the unique codes of any ir remote control using arduino and a tsop1738 receiver. See the schematic, code, and. Follow the steps to connect the components, set up the ide, upload. Just follow my steps below :) Hello makers, this is a full tutorial on how to decode any ir remote control. Learn how to use. Ir Remote Control Decoder.
From www.elecbee.com
3pcs 38KHz MCU Learning Board IR Remote Control Switch Infrared Decoder Ir Remote Control Decoder Irext is an open source infra red remote control library with encoding and decoding algorithm and remote control databases. Learn how to decode ir remote data using a tsop3823 receiver and a pic16f886 microcontroller. Hello makers, this is a full tutorial on how to decode any ir remote control. Learn how to make a simple ir remote decoder using an. Ir Remote Control Decoder.
From www.tpsearchtool.com
Ir Remote Control Decoder Using Arduino Arduino Ir Arduino Arduino Images Ir Remote Control Decoder See the code, hardware, and serial. Learn how to decode ir remote data using a tsop3823 receiver and a pic16f886 microcontroller. Irext is an open source infra red remote control library with encoding and decoding algorithm and remote control databases. With irext, you can easily get extremely compressed remote control code. Hello makers, this is a full tutorial on how. Ir Remote Control Decoder.
From www.tpsearchtool.com
Ir Remote Control Decoder Using Arduino Arduino Ir Arduino Arduino Images Ir Remote Control Decoder Irext is an open source infra red remote control library with encoding and decoding algorithm and remote control databases. Learn how to make a simple ir remote decoder using an arduino and ir receiver. With irext, you can easily get extremely compressed remote control code. Learn how to use arduino and ir receiver module to decode infrared signals from a. Ir Remote Control Decoder.
From create.arduino.cc
Arduino Based IR remote decoder Arduino Project Hub Ir Remote Control Decoder Learn how to decode ir remote data using a tsop3823 receiver and a pic16f886 microcontroller. Learn how to use arduino and ir receiver module to decode infrared signals from a remote control. Irext is an open source infra red remote control library with encoding and decoding algorithm and remote control databases. With irext, you can easily get extremely compressed remote. Ir Remote Control Decoder.
From www.aliexpress.com
2pcs IR Infrared Transceiver Decoder Module TTL Communication Remote Ir Remote Control Decoder Learn how to decode the unique codes of any ir remote control using arduino and a tsop1738 receiver. Learn how to use arduino and ir receiver module to decode infrared signals from a remote control. In this tutorial, i am going to show you guys how to create a simple infrared(ir) receiver circuit using tsop4838 and will also show you.. Ir Remote Control Decoder.
From electronicsprojectshub.com
IR Remote Decoder using Arduino Electronics Projects Hub Ir Remote Control Decoder Learn how to decode ir remote data using a tsop3823 receiver and a pic16f886 microcontroller. Follow the steps to connect the components, set up the ide, upload. Follow the steps, code and schematic to see the output in serial monitor. Learn how to decode the unique codes of any ir remote control using arduino and a tsop1738 receiver. See the. Ir Remote Control Decoder.
From www.ebay.com
5V IR Infrared Remote Decoder Encoding Transmitter&Receiver Wireless Ir Remote Control Decoder Learn how to decode ir remote data using a tsop3823 receiver and a pic16f886 microcontroller. Ir remote control decoder using arduino: In this tutorial, i am going to show you guys how to create a simple infrared(ir) receiver circuit using tsop4838 and will also show you. Hello makers, this is a full tutorial on how to decode any ir remote. Ir Remote Control Decoder.
From www.instructables.com
Infrared Remote Control Decoder & Switcher Circuit 10 Steps Ir Remote Control Decoder Follow the steps, code and schematic to see the output in serial monitor. Learn how to decode the unique codes of any ir remote control using arduino and a tsop1738 receiver. With irext, you can easily get extremely compressed remote control code. Learn how to make a simple ir remote decoder using an arduino and ir receiver. See the code,. Ir Remote Control Decoder.
From www.pinterest.com
IR Remote Control Decoder Using Arduino IR Remote Decoder Arduino Ir Remote Control Decoder Hello makers, this is a full tutorial on how to decode any ir remote control. Just follow my steps below :) Learn how to use arduino and ir receiver module to decode infrared signals from a remote control. Learn how to make a simple ir remote decoder using an arduino and ir receiver. See the schematic, code, and. In this. Ir Remote Control Decoder.
From www.elecbee.com
38KHz MCU Learning Board IR Remote Control Switch Infrared Decoder for Ir Remote Control Decoder Follow the steps to connect the components, set up the ide, upload. Just follow my steps below :) Learn how to use arduino and ir receiver module to decode infrared signals from a remote control. Learn how to decode ir remote data using a tsop3823 receiver and a pic16f886 microcontroller. Learn how to decode the unique codes of any ir. Ir Remote Control Decoder.
From www.elecbee.com
3pcs 38KHz MCU Learning Board IR Remote Control Switch Infrared Decoder Ir Remote Control Decoder Learn how to make a simple ir remote decoder using an arduino and ir receiver. See the code, hardware, and serial. Just follow my steps below :) See the schematic, code, and. Irext is an open source infra red remote control library with encoding and decoding algorithm and remote control databases. Learn how to decode the unique codes of any. Ir Remote Control Decoder.
From www.tpsearchtool.com
Ir Remote Control Decoder Using Arduino Arduino Ir Arduino Remote Images Ir Remote Control Decoder Hello makers, this is a full tutorial on how to decode any ir remote control. Follow the steps, code and schematic to see the output in serial monitor. See the schematic, code, and. Learn how to use arduino and ir receiver module to decode infrared signals from a remote control. Ir remote control decoder using arduino: Just follow my steps. Ir Remote Control Decoder.
From www.aliexpress.com
38khz MCU learning board IR remote control Infrared decoder for Ir Remote Control Decoder With irext, you can easily get extremely compressed remote control code. See the code, hardware, and serial. Ir remote control decoder using arduino: Just follow my steps below :) In this tutorial, i am going to show you guys how to create a simple infrared(ir) receiver circuit using tsop4838 and will also show you. Learn how to decode the unique. Ir Remote Control Decoder.
From diyables.io
DIYables Infrared IR Remote Control Kit with 21key Controller and Ir Remote Control Decoder With irext, you can easily get extremely compressed remote control code. In this tutorial, i am going to show you guys how to create a simple infrared(ir) receiver circuit using tsop4838 and will also show you. Learn how to use arduino and ir receiver module to decode infrared signals from a remote control. See the code, hardware, and serial. Just. Ir Remote Control Decoder.
From au.grandado.com
TV IR Remote Control Decoder Tester Infrared Remot... Grandado Ir Remote Control Decoder Ir remote control decoder using arduino: Follow the steps, code and schematic to see the output in serial monitor. See the code, hardware, and serial. In this tutorial, i am going to show you guys how to create a simple infrared(ir) receiver circuit using tsop4838 and will also show you. Irext is an open source infra red remote control library. Ir Remote Control Decoder.
From community.element14.com
Infrared Remote Control Decoder & Switcher Board element14 Community Ir Remote Control Decoder In this tutorial, i am going to show you guys how to create a simple infrared(ir) receiver circuit using tsop4838 and will also show you. Just follow my steps below :) Learn how to use arduino and ir receiver module to decode infrared signals from a remote control. Follow the steps, code and schematic to see the output in serial. Ir Remote Control Decoder.
From www.aliexpress.com
1pcs TV IR Remote Control Decoder Tester Infrared Remote Control Ir Remote Control Decoder Learn how to make a simple ir remote decoder using an arduino and ir receiver. Follow the steps to connect the components, set up the ide, upload. See the code, hardware, and serial. Learn how to decode ir remote data using a tsop3823 receiver and a pic16f886 microcontroller. Hello makers, this is a full tutorial on how to decode any. Ir Remote Control Decoder.
From www.aliexpress.com
Buy 1pcs TV IR Remote Control Decoder Tester Infrared Ir Remote Control Decoder Hello makers, this is a full tutorial on how to decode any ir remote control. Follow the steps to connect the components, set up the ide, upload. Follow the steps, code and schematic to see the output in serial monitor. Just follow my steps below :) In this tutorial, i am going to show you guys how to create a. Ir Remote Control Decoder.
From www.walmart.com
Frequency Infrared Reader, MultiPurpose Handheld Tv Ir Remote Control Ir Remote Control Decoder Follow the steps to connect the components, set up the ide, upload. Follow the steps, code and schematic to see the output in serial monitor. Just follow my steps below :) In this tutorial, i am going to show you guys how to create a simple infrared(ir) receiver circuit using tsop4838 and will also show you. With irext, you can. Ir Remote Control Decoder.
From www.ebay.com
5V IR Infrared Remote Decoder Encoding Transmitter&Receiver Wireless Ir Remote Control Decoder Ir remote control decoder using arduino: Learn how to use arduino and ir receiver module to decode infrared signals from a remote control. Irext is an open source infra red remote control library with encoding and decoding algorithm and remote control databases. With irext, you can easily get extremely compressed remote control code. Follow the steps to connect the components,. Ir Remote Control Decoder.