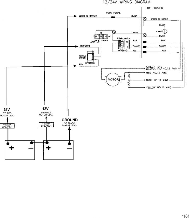
Boat Battery Hook Up 24 Volt . Here you can learn all you need to know about wiring 24v trolling motors for guaranteed success, including the wire size, chargers’ diagram, and. In this video i will show you the proper way to connect your batteries. Get the necessary tools and. You’ll learn how to connect the batteries in series, starting with battery number one and progressing through battery number three, and how to connect the trolling motor’s power leads. For 24v and 36v trolling motors, batteries must be wired in series in order to provide adequate power (voltage) to the motor. 43k views 1 year ago. The diagram illustrates how the battery, motor, and. A 24v trolling motor battery wiring diagram is a crucial component for anyone who uses a 24v trolling motor in their boat. For instance, two 12v batteries wired in series. Finally, we demonstrate how to test the voltage of your wired batteries in series using a multimeter.
from schematicfagots.z13.web.core.windows.net
Finally, we demonstrate how to test the voltage of your wired batteries in series using a multimeter. 43k views 1 year ago. The diagram illustrates how the battery, motor, and. You’ll learn how to connect the batteries in series, starting with battery number one and progressing through battery number three, and how to connect the trolling motor’s power leads. In this video i will show you the proper way to connect your batteries. Here you can learn all you need to know about wiring 24v trolling motors for guaranteed success, including the wire size, chargers’ diagram, and. For 24v and 36v trolling motors, batteries must be wired in series in order to provide adequate power (voltage) to the motor. A 24v trolling motor battery wiring diagram is a crucial component for anyone who uses a 24v trolling motor in their boat. For instance, two 12v batteries wired in series. Get the necessary tools and.
Boat Dual Engine Battery Wiring
Boat Battery Hook Up 24 Volt In this video i will show you the proper way to connect your batteries. The diagram illustrates how the battery, motor, and. Here you can learn all you need to know about wiring 24v trolling motors for guaranteed success, including the wire size, chargers’ diagram, and. Get the necessary tools and. 43k views 1 year ago. For instance, two 12v batteries wired in series. Finally, we demonstrate how to test the voltage of your wired batteries in series using a multimeter. In this video i will show you the proper way to connect your batteries. A 24v trolling motor battery wiring diagram is a crucial component for anyone who uses a 24v trolling motor in their boat. For 24v and 36v trolling motors, batteries must be wired in series in order to provide adequate power (voltage) to the motor. You’ll learn how to connect the batteries in series, starting with battery number one and progressing through battery number three, and how to connect the trolling motor’s power leads.
From gionnxouj.blob.core.windows.net
Diy Battery Box With Inverter at Susan Johnson blog Boat Battery Hook Up 24 Volt The diagram illustrates how the battery, motor, and. Here you can learn all you need to know about wiring 24v trolling motors for guaranteed success, including the wire size, chargers’ diagram, and. A 24v trolling motor battery wiring diagram is a crucial component for anyone who uses a 24v trolling motor in their boat. For 24v and 36v trolling motors,. Boat Battery Hook Up 24 Volt.
From circuitlibpaisley.z21.web.core.windows.net
Wiring 24 Volt Trolling Motor Batteries Boat Battery Hook Up 24 Volt For 24v and 36v trolling motors, batteries must be wired in series in order to provide adequate power (voltage) to the motor. For instance, two 12v batteries wired in series. The diagram illustrates how the battery, motor, and. Get the necessary tools and. In this video i will show you the proper way to connect your batteries. You’ll learn how. Boat Battery Hook Up 24 Volt.
From circuitcoachesseb.z13.web.core.windows.net
Wiring 24v Trolling Motor Plug Boat Battery Hook Up 24 Volt A 24v trolling motor battery wiring diagram is a crucial component for anyone who uses a 24v trolling motor in their boat. The diagram illustrates how the battery, motor, and. For instance, two 12v batteries wired in series. In this video i will show you the proper way to connect your batteries. For 24v and 36v trolling motors, batteries must. Boat Battery Hook Up 24 Volt.
From exyiemqxo.blob.core.windows.net
How To Hook Up Two Batteries In A Car at Warren Conroy blog Boat Battery Hook Up 24 Volt For instance, two 12v batteries wired in series. Here you can learn all you need to know about wiring 24v trolling motors for guaranteed success, including the wire size, chargers’ diagram, and. Get the necessary tools and. For 24v and 36v trolling motors, batteries must be wired in series in order to provide adequate power (voltage) to the motor. Finally,. Boat Battery Hook Up 24 Volt.
From guidemanualthrace.z21.web.core.windows.net
Wiring Diagram 24 Volt System Boat Battery Hook Up 24 Volt Get the necessary tools and. For instance, two 12v batteries wired in series. Here you can learn all you need to know about wiring 24v trolling motors for guaranteed success, including the wire size, chargers’ diagram, and. 43k views 1 year ago. For 24v and 36v trolling motors, batteries must be wired in series in order to provide adequate power. Boat Battery Hook Up 24 Volt.
From dxozbynqa.blob.core.windows.net
How To Hook Up A Pontoon Boat Battery at Candice House blog Boat Battery Hook Up 24 Volt Get the necessary tools and. A 24v trolling motor battery wiring diagram is a crucial component for anyone who uses a 24v trolling motor in their boat. For 24v and 36v trolling motors, batteries must be wired in series in order to provide adequate power (voltage) to the motor. 43k views 1 year ago. You’ll learn how to connect the. Boat Battery Hook Up 24 Volt.
From fixenginepropst.z21.web.core.windows.net
Boat Dual Engine Dual Battery Diagram Boat Battery Hook Up 24 Volt Finally, we demonstrate how to test the voltage of your wired batteries in series using a multimeter. You’ll learn how to connect the batteries in series, starting with battery number one and progressing through battery number three, and how to connect the trolling motor’s power leads. For instance, two 12v batteries wired in series. 43k views 1 year ago. Get. Boat Battery Hook Up 24 Volt.
From schematicparteen.z21.web.core.windows.net
Wiring 24 Volt Battery Diagram Boat Battery Hook Up 24 Volt The diagram illustrates how the battery, motor, and. A 24v trolling motor battery wiring diagram is a crucial component for anyone who uses a 24v trolling motor in their boat. You’ll learn how to connect the batteries in series, starting with battery number one and progressing through battery number three, and how to connect the trolling motor’s power leads. For. Boat Battery Hook Up 24 Volt.
From www.youtube.com
Installing 24V battery system for trolling motor (24 Volt Battery Boat Battery Hook Up 24 Volt Finally, we demonstrate how to test the voltage of your wired batteries in series using a multimeter. Get the necessary tools and. You’ll learn how to connect the batteries in series, starting with battery number one and progressing through battery number three, and how to connect the trolling motor’s power leads. For instance, two 12v batteries wired in series. A. Boat Battery Hook Up 24 Volt.
From wiringdbtynfw1.z22.web.core.windows.net
How To Wire A Boat For 24 Volt Trolling Motor Boat Battery Hook Up 24 Volt 43k views 1 year ago. For 24v and 36v trolling motors, batteries must be wired in series in order to provide adequate power (voltage) to the motor. You’ll learn how to connect the batteries in series, starting with battery number one and progressing through battery number three, and how to connect the trolling motor’s power leads. Finally, we demonstrate how. Boat Battery Hook Up 24 Volt.
From fyoqcmboa.blob.core.windows.net
Boat Battery Hook Up 24 Volt at Lillian Galbraith blog Boat Battery Hook Up 24 Volt A 24v trolling motor battery wiring diagram is a crucial component for anyone who uses a 24v trolling motor in their boat. The diagram illustrates how the battery, motor, and. Finally, we demonstrate how to test the voltage of your wired batteries in series using a multimeter. For 24v and 36v trolling motors, batteries must be wired in series in. Boat Battery Hook Up 24 Volt.
From schematicunguessed.z21.web.core.windows.net
24v Wiring Diagram For Trolling Motors Boat Battery Hook Up 24 Volt For 24v and 36v trolling motors, batteries must be wired in series in order to provide adequate power (voltage) to the motor. You’ll learn how to connect the batteries in series, starting with battery number one and progressing through battery number three, and how to connect the trolling motor’s power leads. Here you can learn all you need to know. Boat Battery Hook Up 24 Volt.
From schematicpartmaroons.z21.web.core.windows.net
Wiring Two 12v Batteries To Make 24v Boat Battery Hook Up 24 Volt A 24v trolling motor battery wiring diagram is a crucial component for anyone who uses a 24v trolling motor in their boat. For instance, two 12v batteries wired in series. For 24v and 36v trolling motors, batteries must be wired in series in order to provide adequate power (voltage) to the motor. Here you can learn all you need to. Boat Battery Hook Up 24 Volt.
From schematicahmetovabj59k.z21.web.core.windows.net
24 Volt Battery Bank Wiring Boat Battery Hook Up 24 Volt Finally, we demonstrate how to test the voltage of your wired batteries in series using a multimeter. Here you can learn all you need to know about wiring 24v trolling motors for guaranteed success, including the wire size, chargers’ diagram, and. The diagram illustrates how the battery, motor, and. For 24v and 36v trolling motors, batteries must be wired in. Boat Battery Hook Up 24 Volt.
From exyylouoa.blob.core.windows.net
How To Hook Up A Trolling Motor Battery at Susan Carter blog Boat Battery Hook Up 24 Volt 43k views 1 year ago. For 24v and 36v trolling motors, batteries must be wired in series in order to provide adequate power (voltage) to the motor. In this video i will show you the proper way to connect your batteries. The diagram illustrates how the battery, motor, and. For instance, two 12v batteries wired in series. You’ll learn how. Boat Battery Hook Up 24 Volt.
From manualwiringphysicky.z21.web.core.windows.net
Wire 6 Volt Battery 12 Volts Boat Battery Hook Up 24 Volt The diagram illustrates how the battery, motor, and. In this video i will show you the proper way to connect your batteries. A 24v trolling motor battery wiring diagram is a crucial component for anyone who uses a 24v trolling motor in their boat. You’ll learn how to connect the batteries in series, starting with battery number one and progressing. Boat Battery Hook Up 24 Volt.
From wirelealtedlegislator.z21.web.core.windows.net
12 24 Volt Wiring Diagrams Boat Battery Hook Up 24 Volt For 24v and 36v trolling motors, batteries must be wired in series in order to provide adequate power (voltage) to the motor. Here you can learn all you need to know about wiring 24v trolling motors for guaranteed success, including the wire size, chargers’ diagram, and. You’ll learn how to connect the batteries in series, starting with battery number one. Boat Battery Hook Up 24 Volt.
From www.relionbattery.com
How To Set Up and Wire Your Boat Batteries RELiON Boat Battery Hook Up 24 Volt Finally, we demonstrate how to test the voltage of your wired batteries in series using a multimeter. For 24v and 36v trolling motors, batteries must be wired in series in order to provide adequate power (voltage) to the motor. A 24v trolling motor battery wiring diagram is a crucial component for anyone who uses a 24v trolling motor in their. Boat Battery Hook Up 24 Volt.
From circuitdbpowell.z19.web.core.windows.net
Boat Dual Battery Wiring Diagram Alternator Boat Battery Hook Up 24 Volt You’ll learn how to connect the batteries in series, starting with battery number one and progressing through battery number three, and how to connect the trolling motor’s power leads. In this video i will show you the proper way to connect your batteries. Here you can learn all you need to know about wiring 24v trolling motors for guaranteed success,. Boat Battery Hook Up 24 Volt.
From escarps800circuitfix.z13.web.core.windows.net
24 Volt Battery Bank Wiring Boat Battery Hook Up 24 Volt Get the necessary tools and. For 24v and 36v trolling motors, batteries must be wired in series in order to provide adequate power (voltage) to the motor. For instance, two 12v batteries wired in series. Finally, we demonstrate how to test the voltage of your wired batteries in series using a multimeter. You’ll learn how to connect the batteries in. Boat Battery Hook Up 24 Volt.
From schematicfagots.z13.web.core.windows.net
Boat Dual Engine Battery Wiring Boat Battery Hook Up 24 Volt Get the necessary tools and. A 24v trolling motor battery wiring diagram is a crucial component for anyone who uses a 24v trolling motor in their boat. Here you can learn all you need to know about wiring 24v trolling motors for guaranteed success, including the wire size, chargers’ diagram, and. For 24v and 36v trolling motors, batteries must be. Boat Battery Hook Up 24 Volt.
From circuittoppklubbd9.z14.web.core.windows.net
On Board Battery Charging System Boat Battery Hook Up 24 Volt For instance, two 12v batteries wired in series. The diagram illustrates how the battery, motor, and. For 24v and 36v trolling motors, batteries must be wired in series in order to provide adequate power (voltage) to the motor. Here you can learn all you need to know about wiring 24v trolling motors for guaranteed success, including the wire size, chargers’. Boat Battery Hook Up 24 Volt.
From schematicmashimonihr.z21.web.core.windows.net
24 Volt Battery Wiring For Trolling Motor Boat Battery Hook Up 24 Volt For 24v and 36v trolling motors, batteries must be wired in series in order to provide adequate power (voltage) to the motor. 43k views 1 year ago. Here you can learn all you need to know about wiring 24v trolling motors for guaranteed success, including the wire size, chargers’ diagram, and. Get the necessary tools and. In this video i. Boat Battery Hook Up 24 Volt.
From www.youtube.com
Hooking up batteries on your boat YouTube Boat Battery Hook Up 24 Volt You’ll learn how to connect the batteries in series, starting with battery number one and progressing through battery number three, and how to connect the trolling motor’s power leads. A 24v trolling motor battery wiring diagram is a crucial component for anyone who uses a 24v trolling motor in their boat. Get the necessary tools and. For 24v and 36v. Boat Battery Hook Up 24 Volt.
From www.youtube.com
How to wire your RV Batteries. YouTube Boat Battery Hook Up 24 Volt You’ll learn how to connect the batteries in series, starting with battery number one and progressing through battery number three, and how to connect the trolling motor’s power leads. For 24v and 36v trolling motors, batteries must be wired in series in order to provide adequate power (voltage) to the motor. Get the necessary tools and. 43k views 1 year. Boat Battery Hook Up 24 Volt.
From schematiccludgie.z21.web.core.windows.net
24v Terrova Trolling Motor Wiring Diagram Boat Battery Hook Up 24 Volt For 24v and 36v trolling motors, batteries must be wired in series in order to provide adequate power (voltage) to the motor. In this video i will show you the proper way to connect your batteries. 43k views 1 year ago. For instance, two 12v batteries wired in series. Here you can learn all you need to know about wiring. Boat Battery Hook Up 24 Volt.
From schematicunderfur.z13.web.core.windows.net
Minn Kota 24v Trolling Motor Wiring Diagram Boat Battery Hook Up 24 Volt In this video i will show you the proper way to connect your batteries. Finally, we demonstrate how to test the voltage of your wired batteries in series using a multimeter. 43k views 1 year ago. For 24v and 36v trolling motors, batteries must be wired in series in order to provide adequate power (voltage) to the motor. The diagram. Boat Battery Hook Up 24 Volt.
From manualpartcrane.z21.web.core.windows.net
12 Volt Trolling Motor Wiring Boat Battery Hook Up 24 Volt For instance, two 12v batteries wired in series. The diagram illustrates how the battery, motor, and. You’ll learn how to connect the batteries in series, starting with battery number one and progressing through battery number three, and how to connect the trolling motor’s power leads. Get the necessary tools and. A 24v trolling motor battery wiring diagram is a crucial. Boat Battery Hook Up 24 Volt.
From circuitlibpaisley.z21.web.core.windows.net
Wiring A 24v Trolling Motor Boat Battery Hook Up 24 Volt For instance, two 12v batteries wired in series. Here you can learn all you need to know about wiring 24v trolling motors for guaranteed success, including the wire size, chargers’ diagram, and. Get the necessary tools and. You’ll learn how to connect the batteries in series, starting with battery number one and progressing through battery number three, and how to. Boat Battery Hook Up 24 Volt.
From circuitdiagramtalk.z13.web.core.windows.net
Wiring A 24v Trolling Motor Boat Battery Hook Up 24 Volt Finally, we demonstrate how to test the voltage of your wired batteries in series using a multimeter. A 24v trolling motor battery wiring diagram is a crucial component for anyone who uses a 24v trolling motor in their boat. The diagram illustrates how the battery, motor, and. For instance, two 12v batteries wired in series. You’ll learn how to connect. Boat Battery Hook Up 24 Volt.
From circuitlibgourdes.z21.web.core.windows.net
Minn Kota 24 Volt Wiring Boat Battery Hook Up 24 Volt A 24v trolling motor battery wiring diagram is a crucial component for anyone who uses a 24v trolling motor in their boat. Get the necessary tools and. For instance, two 12v batteries wired in series. You’ll learn how to connect the batteries in series, starting with battery number one and progressing through battery number three, and how to connect the. Boat Battery Hook Up 24 Volt.
From skritq4lguidediagram.z13.web.core.windows.net
Wiring 24v Trolling Motor Batteries Boat Battery Hook Up 24 Volt 43k views 1 year ago. Finally, we demonstrate how to test the voltage of your wired batteries in series using a multimeter. You’ll learn how to connect the batteries in series, starting with battery number one and progressing through battery number three, and how to connect the trolling motor’s power leads. For 24v and 36v trolling motors, batteries must be. Boat Battery Hook Up 24 Volt.
From guidediagramparalyzers.z21.web.core.windows.net
How To Hook Up 2 Car Batteries Boat Battery Hook Up 24 Volt For instance, two 12v batteries wired in series. Here you can learn all you need to know about wiring 24v trolling motors for guaranteed success, including the wire size, chargers’ diagram, and. You’ll learn how to connect the batteries in series, starting with battery number one and progressing through battery number three, and how to connect the trolling motor’s power. Boat Battery Hook Up 24 Volt.
From exywgzgkn.blob.core.windows.net
How To Connect Two 12 Volt Car Batteries at Clyde Hatton blog Boat Battery Hook Up 24 Volt You’ll learn how to connect the batteries in series, starting with battery number one and progressing through battery number three, and how to connect the trolling motor’s power leads. Finally, we demonstrate how to test the voltage of your wired batteries in series using a multimeter. A 24v trolling motor battery wiring diagram is a crucial component for anyone who. Boat Battery Hook Up 24 Volt.
From www.youtube.com
Connect Ease. 24v Trolling Motor Battery Connection using the Connect Boat Battery Hook Up 24 Volt Here you can learn all you need to know about wiring 24v trolling motors for guaranteed success, including the wire size, chargers’ diagram, and. Finally, we demonstrate how to test the voltage of your wired batteries in series using a multimeter. 43k views 1 year ago. A 24v trolling motor battery wiring diagram is a crucial component for anyone who. Boat Battery Hook Up 24 Volt.