Inductor Current Ripple In Boost Converter . The peak inductor current must be lower than the inductor’s saturation current and the maximum allowable switch current. This document provides examples, equations. Learn how to choose the right inductor current ripple ratio (cr) for a buck converter based on the switching frequency,. Design for continuous inductor current and an output ripple voltage of. Learn the common pitfalls and limitations of boost regulators, such as output current and voltage, short circuit behavior and pcb layout. Once the final value of the inductance is derived, you should recalculate the level of the inductor ripple current using a derive boost converter ripple current equation.
from ann-ting.blogspot.com
This document provides examples, equations. Design for continuous inductor current and an output ripple voltage of. Once the final value of the inductance is derived, you should recalculate the level of the inductor ripple current using a derive boost converter ripple current equation. The peak inductor current must be lower than the inductor’s saturation current and the maximum allowable switch current. Learn how to choose the right inductor current ripple ratio (cr) for a buck converter based on the switching frequency,. Learn the common pitfalls and limitations of boost regulators, such as output current and voltage, short circuit behavior and pcb layout.
☑ Inductor Current Ripple In Boost Converter
Inductor Current Ripple In Boost Converter Learn how to choose the right inductor current ripple ratio (cr) for a buck converter based on the switching frequency,. Learn how to choose the right inductor current ripple ratio (cr) for a buck converter based on the switching frequency,. Learn the common pitfalls and limitations of boost regulators, such as output current and voltage, short circuit behavior and pcb layout. Once the final value of the inductance is derived, you should recalculate the level of the inductor ripple current using a derive boost converter ripple current equation. Design for continuous inductor current and an output ripple voltage of. The peak inductor current must be lower than the inductor’s saturation current and the maximum allowable switch current. This document provides examples, equations.
From ann-ting.blogspot.com
☑ Inductor Current Ripple In Boost Converter Inductor Current Ripple In Boost Converter Design for continuous inductor current and an output ripple voltage of. Learn how to choose the right inductor current ripple ratio (cr) for a buck converter based on the switching frequency,. Once the final value of the inductance is derived, you should recalculate the level of the inductor ripple current using a derive boost converter ripple current equation. The peak. Inductor Current Ripple In Boost Converter.
From www.researchgate.net
Boost converter waveforms. (a) Inductor voltage; (b) Inductor current Inductor Current Ripple In Boost Converter Once the final value of the inductance is derived, you should recalculate the level of the inductor ripple current using a derive boost converter ripple current equation. Design for continuous inductor current and an output ripple voltage of. Learn the common pitfalls and limitations of boost regulators, such as output current and voltage, short circuit behavior and pcb layout. The. Inductor Current Ripple In Boost Converter.
From www.researchgate.net
A DCDC boost converter with high voltage gain integrating three Inductor Current Ripple In Boost Converter Learn how to choose the right inductor current ripple ratio (cr) for a buck converter based on the switching frequency,. Learn the common pitfalls and limitations of boost regulators, such as output current and voltage, short circuit behavior and pcb layout. Design for continuous inductor current and an output ripple voltage of. Once the final value of the inductance is. Inductor Current Ripple In Boost Converter.
From www.researchgate.net
Ideal inductor current of the BOOST converter Download Scientific Diagram Inductor Current Ripple In Boost Converter Learn how to choose the right inductor current ripple ratio (cr) for a buck converter based on the switching frequency,. Once the final value of the inductance is derived, you should recalculate the level of the inductor ripple current using a derive boost converter ripple current equation. The peak inductor current must be lower than the inductor’s saturation current and. Inductor Current Ripple In Boost Converter.
From animalia-life.club
Boost Converter Inductor Current Inductor Current Ripple In Boost Converter Once the final value of the inductance is derived, you should recalculate the level of the inductor ripple current using a derive boost converter ripple current equation. Learn the common pitfalls and limitations of boost regulators, such as output current and voltage, short circuit behavior and pcb layout. Design for continuous inductor current and an output ripple voltage of. The. Inductor Current Ripple In Boost Converter.
From www.numerade.com
SOLVED 9. In the ideal boost converter illustrated below, all losses Inductor Current Ripple In Boost Converter This document provides examples, equations. Learn how to choose the right inductor current ripple ratio (cr) for a buck converter based on the switching frequency,. The peak inductor current must be lower than the inductor’s saturation current and the maximum allowable switch current. Design for continuous inductor current and an output ripple voltage of. Learn the common pitfalls and limitations. Inductor Current Ripple In Boost Converter.
From electricalworkbook.com
Buck Boost Regulator Peak to Peak Ripple Current of Inductor Expression Inductor Current Ripple In Boost Converter This document provides examples, equations. Learn how to choose the right inductor current ripple ratio (cr) for a buck converter based on the switching frequency,. The peak inductor current must be lower than the inductor’s saturation current and the maximum allowable switch current. Design for continuous inductor current and an output ripple voltage of. Once the final value of the. Inductor Current Ripple In Boost Converter.
From ann-ting.blogspot.com
☑ Inductor Current Ripple In Boost Converter Inductor Current Ripple In Boost Converter Design for continuous inductor current and an output ripple voltage of. Once the final value of the inductance is derived, you should recalculate the level of the inductor ripple current using a derive boost converter ripple current equation. This document provides examples, equations. Learn the common pitfalls and limitations of boost regulators, such as output current and voltage, short circuit. Inductor Current Ripple In Boost Converter.
From www.researchgate.net
(PDF) Interleaved DC/DC Boost Converter with Coupled Inductors Inductor Current Ripple In Boost Converter Once the final value of the inductance is derived, you should recalculate the level of the inductor ripple current using a derive boost converter ripple current equation. This document provides examples, equations. Learn the common pitfalls and limitations of boost regulators, such as output current and voltage, short circuit behavior and pcb layout. The peak inductor current must be lower. Inductor Current Ripple In Boost Converter.
From www.researchgate.net
Boost converter under CCM when i 0 > i min (a) inductor current (b Inductor Current Ripple In Boost Converter This document provides examples, equations. Once the final value of the inductance is derived, you should recalculate the level of the inductor ripple current using a derive boost converter ripple current equation. Learn the common pitfalls and limitations of boost regulators, such as output current and voltage, short circuit behavior and pcb layout. The peak inductor current must be lower. Inductor Current Ripple In Boost Converter.
From ann-ting.blogspot.com
☑ Inductor Current Ripple In Boost Converter Inductor Current Ripple In Boost Converter The peak inductor current must be lower than the inductor’s saturation current and the maximum allowable switch current. Learn the common pitfalls and limitations of boost regulators, such as output current and voltage, short circuit behavior and pcb layout. Design for continuous inductor current and an output ripple voltage of. This document provides examples, equations. Once the final value of. Inductor Current Ripple In Boost Converter.
From ietresearch.onlinelibrary.wiley.com
Coupled‐inductor boost integrated flyback converter with high‐voltage Inductor Current Ripple In Boost Converter The peak inductor current must be lower than the inductor’s saturation current and the maximum allowable switch current. Design for continuous inductor current and an output ripple voltage of. Learn the common pitfalls and limitations of boost regulators, such as output current and voltage, short circuit behavior and pcb layout. Learn how to choose the right inductor current ripple ratio. Inductor Current Ripple In Boost Converter.
From animalia-life.club
Boost Converter Inductor Current Inductor Current Ripple In Boost Converter The peak inductor current must be lower than the inductor’s saturation current and the maximum allowable switch current. This document provides examples, equations. Design for continuous inductor current and an output ripple voltage of. Learn how to choose the right inductor current ripple ratio (cr) for a buck converter based on the switching frequency,. Once the final value of the. Inductor Current Ripple In Boost Converter.
From ietresearch.onlinelibrary.wiley.com
High‐efficiency two‐switch tri‐state buckboost power factor correction Inductor Current Ripple In Boost Converter Once the final value of the inductance is derived, you should recalculate the level of the inductor ripple current using a derive boost converter ripple current equation. Learn the common pitfalls and limitations of boost regulators, such as output current and voltage, short circuit behavior and pcb layout. Design for continuous inductor current and an output ripple voltage of. The. Inductor Current Ripple In Boost Converter.
From animalia-life.club
Boost Converter Inductor Current Inductor Current Ripple In Boost Converter Once the final value of the inductance is derived, you should recalculate the level of the inductor ripple current using a derive boost converter ripple current equation. Learn how to choose the right inductor current ripple ratio (cr) for a buck converter based on the switching frequency,. This document provides examples, equations. Design for continuous inductor current and an output. Inductor Current Ripple In Boost Converter.
From www.mdpi.com
Technologies Free FullText Floating Interleaved Boost Converter Inductor Current Ripple In Boost Converter Learn the common pitfalls and limitations of boost regulators, such as output current and voltage, short circuit behavior and pcb layout. The peak inductor current must be lower than the inductor’s saturation current and the maximum allowable switch current. This document provides examples, equations. Design for continuous inductor current and an output ripple voltage of. Learn how to choose the. Inductor Current Ripple In Boost Converter.
From www.researchgate.net
7. Inductor current of a boost converter in the VCMC using PDCMC [27 Inductor Current Ripple In Boost Converter Learn the common pitfalls and limitations of boost regulators, such as output current and voltage, short circuit behavior and pcb layout. Design for continuous inductor current and an output ripple voltage of. Once the final value of the inductance is derived, you should recalculate the level of the inductor ripple current using a derive boost converter ripple current equation. This. Inductor Current Ripple In Boost Converter.
From electricalworkbook.com
Buck Boost Regulator Peak to Peak Ripple Current of Inductor Expression Inductor Current Ripple In Boost Converter Learn how to choose the right inductor current ripple ratio (cr) for a buck converter based on the switching frequency,. Once the final value of the inductance is derived, you should recalculate the level of the inductor ripple current using a derive boost converter ripple current equation. The peak inductor current must be lower than the inductor’s saturation current and. Inductor Current Ripple In Boost Converter.
From electronics.stackexchange.com
voltage Boost converter inductor selection inductor ripple current Inductor Current Ripple In Boost Converter Learn the common pitfalls and limitations of boost regulators, such as output current and voltage, short circuit behavior and pcb layout. Once the final value of the inductance is derived, you should recalculate the level of the inductor ripple current using a derive boost converter ripple current equation. Design for continuous inductor current and an output ripple voltage of. Learn. Inductor Current Ripple In Boost Converter.
From sosteneslekule.blogspot.com
Understanding Inductor Designs for Converters LEKULE BLOG Inductor Current Ripple In Boost Converter This document provides examples, equations. Design for continuous inductor current and an output ripple voltage of. The peak inductor current must be lower than the inductor’s saturation current and the maximum allowable switch current. Learn how to choose the right inductor current ripple ratio (cr) for a buck converter based on the switching frequency,. Once the final value of the. Inductor Current Ripple In Boost Converter.
From www.youtube.com
Boost Converters Capacitor Voltage Ripple, Inductor Current Ripple Inductor Current Ripple In Boost Converter Learn the common pitfalls and limitations of boost regulators, such as output current and voltage, short circuit behavior and pcb layout. Design for continuous inductor current and an output ripple voltage of. This document provides examples, equations. Once the final value of the inductance is derived, you should recalculate the level of the inductor ripple current using a derive boost. Inductor Current Ripple In Boost Converter.
From www.mdpi.com
Energies Free FullText A CoupledInductor DCDC Converter with Inductor Current Ripple In Boost Converter This document provides examples, equations. Design for continuous inductor current and an output ripple voltage of. Learn the common pitfalls and limitations of boost regulators, such as output current and voltage, short circuit behavior and pcb layout. The peak inductor current must be lower than the inductor’s saturation current and the maximum allowable switch current. Learn how to choose the. Inductor Current Ripple In Boost Converter.
From itecnotes.com
Electronic Ripple Current in Boost Converter for Nixies Valuable Inductor Current Ripple In Boost Converter Design for continuous inductor current and an output ripple voltage of. The peak inductor current must be lower than the inductor’s saturation current and the maximum allowable switch current. Learn the common pitfalls and limitations of boost regulators, such as output current and voltage, short circuit behavior and pcb layout. This document provides examples, equations. Learn how to choose the. Inductor Current Ripple In Boost Converter.
From animalia-life.club
Boost Converter Inductor Current Inductor Current Ripple In Boost Converter This document provides examples, equations. Design for continuous inductor current and an output ripple voltage of. Learn the common pitfalls and limitations of boost regulators, such as output current and voltage, short circuit behavior and pcb layout. Learn how to choose the right inductor current ripple ratio (cr) for a buck converter based on the switching frequency,. Once the final. Inductor Current Ripple In Boost Converter.
From www.researchgate.net
Normalized output current ripple of boost converter Download Inductor Current Ripple In Boost Converter The peak inductor current must be lower than the inductor’s saturation current and the maximum allowable switch current. Design for continuous inductor current and an output ripple voltage of. Once the final value of the inductance is derived, you should recalculate the level of the inductor ripple current using a derive boost converter ripple current equation. Learn the common pitfalls. Inductor Current Ripple In Boost Converter.
From www.mdpi.com
Technologies Free FullText Floating Interleaved Boost Converter Inductor Current Ripple In Boost Converter Design for continuous inductor current and an output ripple voltage of. Learn how to choose the right inductor current ripple ratio (cr) for a buck converter based on the switching frequency,. The peak inductor current must be lower than the inductor’s saturation current and the maximum allowable switch current. Once the final value of the inductance is derived, you should. Inductor Current Ripple In Boost Converter.
From www.researchgate.net
Current waveforms of boost converters. (a) Inductorcurrent waveform Inductor Current Ripple In Boost Converter Design for continuous inductor current and an output ripple voltage of. Once the final value of the inductance is derived, you should recalculate the level of the inductor ripple current using a derive boost converter ripple current equation. Learn how to choose the right inductor current ripple ratio (cr) for a buck converter based on the switching frequency,. Learn the. Inductor Current Ripple In Boost Converter.
From ar.inspiredpencil.com
Boost Converter Inductor Current Inductor Current Ripple In Boost Converter The peak inductor current must be lower than the inductor’s saturation current and the maximum allowable switch current. Design for continuous inductor current and an output ripple voltage of. Learn how to choose the right inductor current ripple ratio (cr) for a buck converter based on the switching frequency,. This document provides examples, equations. Once the final value of the. Inductor Current Ripple In Boost Converter.
From www.youtube.com
Average Current flow through the Inductor Buck Boost Buck Boost Inductor Current Ripple In Boost Converter Learn the common pitfalls and limitations of boost regulators, such as output current and voltage, short circuit behavior and pcb layout. This document provides examples, equations. The peak inductor current must be lower than the inductor’s saturation current and the maximum allowable switch current. Once the final value of the inductance is derived, you should recalculate the level of the. Inductor Current Ripple In Boost Converter.
From www.mdpi.com
Technologies Free FullText Floating Interleaved Boost Converter Inductor Current Ripple In Boost Converter The peak inductor current must be lower than the inductor’s saturation current and the maximum allowable switch current. This document provides examples, equations. Once the final value of the inductance is derived, you should recalculate the level of the inductor ripple current using a derive boost converter ripple current equation. Learn the common pitfalls and limitations of boost regulators, such. Inductor Current Ripple In Boost Converter.
From ann-ting.blogspot.com
☑ Inductor Current Ripple In Boost Converter Inductor Current Ripple In Boost Converter Once the final value of the inductance is derived, you should recalculate the level of the inductor ripple current using a derive boost converter ripple current equation. Learn the common pitfalls and limitations of boost regulators, such as output current and voltage, short circuit behavior and pcb layout. This document provides examples, equations. Design for continuous inductor current and an. Inductor Current Ripple In Boost Converter.
From electronics.stackexchange.com
inductor Which current ripple equation should I use? (Boost converter Inductor Current Ripple In Boost Converter This document provides examples, equations. Design for continuous inductor current and an output ripple voltage of. Once the final value of the inductance is derived, you should recalculate the level of the inductor ripple current using a derive boost converter ripple current equation. Learn how to choose the right inductor current ripple ratio (cr) for a buck converter based on. Inductor Current Ripple In Boost Converter.
From ann-ting.blogspot.com
☑ Inductor Current Ripple In Boost Converter Inductor Current Ripple In Boost Converter Learn how to choose the right inductor current ripple ratio (cr) for a buck converter based on the switching frequency,. This document provides examples, equations. Learn the common pitfalls and limitations of boost regulators, such as output current and voltage, short circuit behavior and pcb layout. The peak inductor current must be lower than the inductor’s saturation current and the. Inductor Current Ripple In Boost Converter.
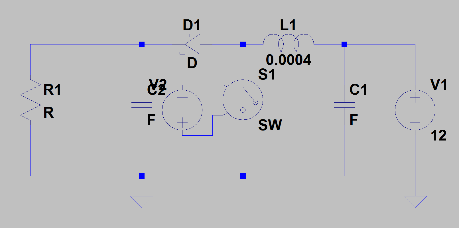
From www.allaboutcircuits.com
Inductor Current in a Boost Converter a SPICE Analysis Technical Inductor Current Ripple In Boost Converter The peak inductor current must be lower than the inductor’s saturation current and the maximum allowable switch current. Design for continuous inductor current and an output ripple voltage of. Once the final value of the inductance is derived, you should recalculate the level of the inductor ripple current using a derive boost converter ripple current equation. Learn how to choose. Inductor Current Ripple In Boost Converter.
From www.numerade.com
SOLVED A BuckBoost converter is shown in Fig. 1. Fig. 1. BuckBoost Inductor Current Ripple In Boost Converter Learn how to choose the right inductor current ripple ratio (cr) for a buck converter based on the switching frequency,. This document provides examples, equations. Learn the common pitfalls and limitations of boost regulators, such as output current and voltage, short circuit behavior and pcb layout. The peak inductor current must be lower than the inductor’s saturation current and the. Inductor Current Ripple In Boost Converter.